Soporte de conductores para el cable HVI en zonas Ex

El propietario de un establecimiento con peligro de explosión está obligado a distribuir estas diferentes instalaciones en diferentes zonas con peligro de explosión. Para estas instalaciones debe tenerse en cuenta el rayo como potencial fuente de encendido. Por las directivas nacionales de seguridad operativa es necesario un documento de protección contra explosiones. El documento de protección contra explosiones describe las diferentes zonas con peligro de explosión.

El producto cable HVI es apropiado para su utilización en zonas con peligro de explosión de las zonas Ex 1 (gases, vapores, mezclas) y de las zonas Ex 21 (polvos).
Las condiciones de instalación particulares aseguran que se evite una chispa eléctrica en las pieza metálicas cercanas durante el paso de la corriente de rayo a través del cable HVI.

Detalles

Diseño del sistema - tendido en las zonas Ex 1 y 21 en una fachada metálica.
lorem ipsum
lorem ipsum
lorem ipsum

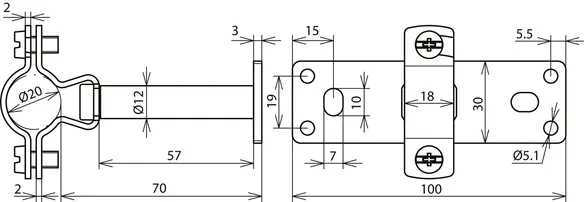
HVI Ex W70 holder

Para la fijación a piezas de construcción metálicas (fachadas) en las zonas Ex 1 y 21.

1 Producto

N.º art. 275440 LH ZS 20 EX W70 BP V2A

GTIN 4013364146914, N.º de arancel aduanero (EU): 85389099, Peso bruto: 164.60 g, Empaquetado: 10.00 unidad(es)

Predecesor

Figuras

Más información

Soporte de conductores
para el cable HVI en zonas Ex, INOX
Soporte de conductores
para el cable HVI en zonas Ex
con distanciador 70 mm para la fijación
a partes metálicas de la construcción (fachadas)
en las zonas Ex 1 y 21
Inserción del soporte de conductores Rd: 20 mm
Fijación: [4x] Ø5,1 / [2x] 7 x 10 mm
Normativa: DIN IEC/TS 62561-8 (VDE V 0185-561-8)

Producto DEHN
Tipo: LH ZS 20 EX W70 BP V2A
art. no.: 275440
o equivalente

Certificados

 

Datos técnicos

Material INOX
Inserción del soporte de conductores Rd 20 mm
Distancia a la pared 70 mm
Fijación [4x] Ø5,1 / [2x] 7 x 10 mm
Normativa DIN IEC/TS 62561-8 (VDE V 0185-561-8)

Se ha añadido el artículo 275440 a favoritos.

El artículo 275440 ha sido añadido a la cesta de compra.


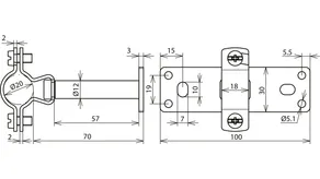
HVI Ex W200 holder

Para la fijación a piezas de construcción metálicas (fachadas) en las zonas Ex 1 y 21.

1 Producto

N.º art. 275441 LH ZS 20 EX W200 BP V2A

GTIN 4013364146921, N.º de arancel aduanero (EU): 85389099, Peso bruto: 255.60 g, Empaquetado: 10.00 unidad(es)


Figuras

Más información

Soporte de conductores para el cable HVI
en zonas Ex W200 holder, INOX
Soporte de conductores para el cable HVI
en zonas Ex con distanciador 200 mm para la fijación
a partes metálicas de la construcción (fachadas)
en las zonas Ex 1 y 21
Inserción del soporte de conductores Rd: 20 mm
Fijación: [4x] Ø5,1 / [2x] 7 x 10 mm
Normativa: DIN IEC/TS 62561-8 (VDE V 0185-561-8)

Producto DEHN
Tipo: LH ZS 20 EX W200 BP V2A
art. no.: 275441
o equivalente

Certificados

 

Datos técnicos

Material INOX
Inserción del soporte de conductores Rd 20 mm
Distancia a la pared 200 mm
Fijación [4x] Ø5,1 / [2x] 7 x 10 mm
Normativa DIN IEC/TS 62561-8 (VDE V 0185-561-8)

Se ha añadido el artículo 275441 a favoritos.

El artículo 275441 ha sido añadido a la cesta de compra.


HVI Ex busbar 500

Para el tendido del cable HVI con soportes de condcutores HVI Ex W70 holder (Art.-Nr. 275 440) a estructuras aislantes por ej. piedra, madera.

1 Producto

N.º art. 275498 VS EX 500 V2A

GTIN 4013364146945, N.º de arancel aduanero (EU): 85389099, Peso bruto: 320.00 g, Empaquetado: 10.00 unidad(es)

Predecesor

Figuras

Más información

Soporte de conductores para el cable HVI
en zonas Ex, Ex busbar 500, INOX
Estribo de conexión para el tendido del cable HVI
con soportes de conductores HVI Ex
(Art.-Nr. 275 440, 275 441)
en una estructura sin conductividad eléctrica,
p. ej. piedra, madera
Material del estribo: INOX
Fijación: [4x] Ø5,5 / [2x] 7 x 10 mm
Dimensiones: 450 x 30 x 3 mm

Producto DEHN
Tipo: VS EX 500 V2A
art. no.: 275498
o equivalente

Certificados

 

Datos técnicos

Material del estribo INOX
Fijación [4x] Ø5,5 / [2x] 7 x 10 mm
Dimensiones (l x a x p) 450 x 30 x 3 mm

Se ha añadido el artículo 275498 a favoritos.

El artículo 275498 ha sido añadido a la cesta de compra.


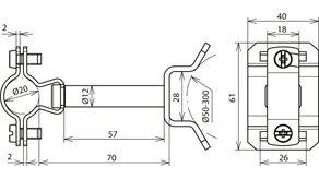
HVI Ex P70 holder

Para la fijación a tubos, por ej. a las abrazaderas de banda (Art Nº 106 323) en las zonas Ex 1 y 21.

1 Producto

N.º art. 275444 LH ZS 20 EX P70 SBB V2A

GTIN 4013364244252, N.º de arancel aduanero (EU): 85389099, Peso bruto: 173.20 g, Empaquetado: 10.00 unidad(es)


Figuras

Más información

Soporte de conductores para el cable HVI en zonas Ex, INOX
Soporte de conductores para el cable HVI en zonas EX
con distanciador 70 mm para la fijación a tubos,
p. ej. con una abrazadera de banda (Art.-Nr. 106 323,
a pedir separadamente) en las zonas Ex 1 y 21
Inserción del soporte de conductores Rd: 20 mm
Margen de apriete del tubo: 50-300 mm
Normativa: DIN IEC/TS 62561-8 (VDE V 0185-561-8)

Producto DEHN
Tipo: LH ZS 20 EX P70 SBB V2A
art. no.: 275444
o equivalente

Certificados

 

Datos técnicos

Material INOX
Inserción del soporte de conductores Rd 20 mm
Distancia a la pared 70 mm
Margen de apriete del tubo 50-300 mm
Normativa DIN IEC/TS 62561-8 (VDE V 0185-561-8)

Se ha añadido el artículo 275444 a favoritos.

El artículo 275444 ha sido añadido a la cesta de compra.


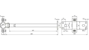
HVI Ex P200 holder

Para la fijación a tubos, por ej. a las abrazaderas de banda (Art Nº 106 323) en las zonas Ex 1 y 21.

1 Producto

N.º art. 275442 LH ZS 20 EX P200 SBB V2A

GTIN 4013364146938, N.º de arancel aduanero (EU): 85389099, Peso bruto: 264.00 g, Empaquetado: 10.00 unidad(es)

Predecesor

Figuras

Más información

Soporte de conductores para el cable HVI
en zonas Ex, Ex P200 holder, INOX
Soporte de conductores para el cable HVI
en zonas Ex con distanciador 200 mm
para la fijación a tubos, p. ej. con una abrazadera de banda
(Art.-Nr. 106 323, a pedir separadamente)
en las zonas Ex 1 y 21
Inserción del soporte de conductores Rd: 20 mm
Margen de apriete del tubo: 50-300 mm
Normativa: DIN IEC/TS 62561-8 (VDE V 0185-561-8)

Producto DEHN
Tipo: LH ZS 20 EX P200 SBB V2A
art. no.: 275442
o equivalente

Certificados

 

Datos técnicos

Material INOX
Inserción del soporte de conductores Rd 20 mm
Distancia a la pared 200 mm
Margen de apriete del tubo 50-300 mm
Normativa DIN IEC/TS 62561-8 (VDE V 0185-561-8)

Se ha añadido el artículo 275442 a favoritos.

El artículo 275442 ha sido añadido a la cesta de compra.


back to top