Mástiles captadores para cables HVI light en tejados planos

Mástil captador con placa de conexión con cuatro orificios para cable HVI light y set de fijación para el montaje del cable al mástil captador.
Adaptado a la pendiente de tejado hasta máx. 10°.
El zócalo en hormigón (peso 17 kg) y el soporte deben pedirse por separado.

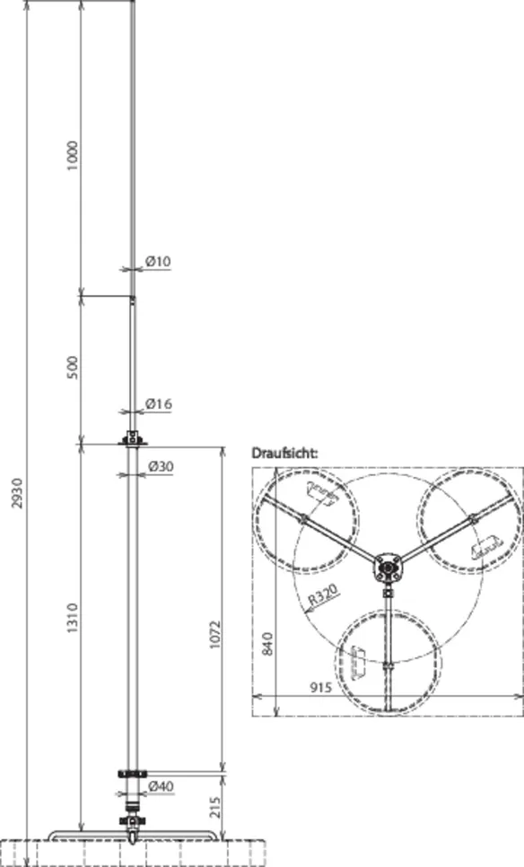
Mástil captador 30 para el cable HVI light SET I altura total 2300 mm

1 Producto

N.º art. 819282 FM D30 L2300 DBS R320 GFK AL STTZN

GTIN 4013364252073, N.º de arancel aduanero (EU): 85389099, Peso bruto: 4.73 kg, Empaquetado: 1.00 unidad(es)

Predecesor

Figuras

Más información

Mástiles captadores para el cable HVI light
en tejados planos
Kit completo con placa de conexión cuádrupla
para el cable HVI light y kit de fijación para
montar el cable al mástil captador.
Para mantener la distancia de separación de
piezas con conductividad eléctrica
según la DIN EN 62305-3 (VDE 0185-305-3)
Distancia de aislamiento de poliéster
reforzado con fibra de vidrio (PRFV)
Tubo Ø30 mm
Factor de material km = 0,7
Color de gris alba, estabilizado a rayos ultravioleta
Mástiles captadores según el eurocódigo 1
(DIN EN 1991-1-4 + DIN EN 1991-1-4/NA)
Ajuste a inclinaciones de tejado hasta máx. 10°
Mástil captador 30 para el cable HVI light SET I
Altura total de 2300 mm
El zócalo de hormigón apilable (Art. No. 102 010)
y la placa protectora (Art. No. 102 050)
tienen que pedirse separadamente.
Altura: 2300 mm
Material del trípode: St/tZn
Radio del trípode: 320 mm
Material del tubo autosoportado: poliéster reforzado con fibra de vidrio / Al
Longitud del tubo autosoportado: 1300 mm
Distancia de aislamiento: 1095 mm
Longitud de la punta captadora: 1000 mm
Material de la punta captadora: INOX
Máx. velocidad de rachas de viento con 3 zócalos de 17 kg, 2x HVI light en el exterior: 149 km/h
Normativa: DIN IEC/TS 62561-8 (VDE V 0185-561-8)

Producto DEHN
Tipo: FM D30 L2300 DBS R320 GFK AL STTZN
art. no.: 819282
o equivalente

Certificados

 

Datos técnicos

Material del trípode St/tZn
Radio del trípode 320 mm
Material del tubo autosoportado poliéster reforzado con fibra de vidrio / Al
Longitud del tubo autosoportado 1300 mm
Distancia de aislamiento 1095 mm
Longitud de la punta captadora 1000 mm
Material de la punta captadora INOX
Máx. velocidad de rachas de viento con 3 zócalos de 17 kg, 2x HVI light en el exterior 149 km/h
Normativa DIN IEC/TS 62561-8 (VDE V 0185-561-8)

Se ha añadido el artículo 819282 a favoritos.

El artículo 819282 ha sido añadido a la cesta de compra.


Mástil captador 30 para el cable HVI light SET II altura total 2800 mm

1 Producto

N.º art. 819287 FM D30 L2800 DBS R320 GFK AL STTZN

GTIN 4013364252097, N.º de arancel aduanero (EU): 85389099, Peso bruto: 4.59 kg, Empaquetado: 1.00 unidad(es)

Predecesor

Figuras

Más información

Mástiles captadores para cable HVI light en cubiertas planas
Completo con placa de conexión de 4 orificios para el
Cable HVI light y set de fijación para montaje
del cable al mástil captador.
Para asegurar la distancia de separación de componentes
conductores según EN 62305-3 (VDE 0185-305-3).
Distancia de aislamiento de poliéster reforzado con fibra de vidrio (PRFV)
Tubo de Ø30 mm
Factor de material km = 0,7
Color gris alba, estabilizado a rayos ultravioleta
Mástiles captadores dimensionados
según el Eurocódigo 1 (DIN EN 1991-1-4 + DIN EN 1991-1-4/NA).
Adaptación a una pendiente de cubierta de máx. 10 grados
Mástil captador D 30 para cable HVI light SET II
Altura total 2800 mm
El zócalo de hormigón apilable (Art. Nr. 102 010) y la
placa protectora (ref. 102 050) deben
pedirse por separado.
Altura: 2800 mm
Material del trípode: St/tZn
Radio del trípode: 320 mm
Material del tubo autosoportado: poliéster reforzado con fibra de vidrio / Al
Longitud del tubo autosoportado: 1300 mm
Distancia de aislamiento: 1095 mm
Longitud de la punta captadora: 1500 mm
Material de la punta captadora: Al
Máx. velocidad de rachas de viento con 3 zócalos de 17 kg, 2x HVI light en el exterior: 132 km/h
Normativa: DIN IEC/TS 62561-8 (VDE V 0185-561-8)

Producto DEHN
Tipo: FM D30 L2800 DBS R320 GFK AL STTZN
art. no.: 819287
o equivalente

Certificados

 

Datos técnicos

Material del trípode St/tZn
Radio del trípode 320 mm
Material del tubo autosoportado poliéster reforzado con fibra de vidrio / Al
Longitud del tubo autosoportado 1300 mm
Distancia de aislamiento 1095 mm
Longitud de la punta captadora 1500 mm
Material de la punta captadora Al
Máx. velocidad de rachas de viento con 3 zócalos de 17 kg, 2x HVI light en el exterior 132 km/h
Normativa DIN IEC/TS 62561-8 (VDE V 0185-561-8)

Se ha añadido el artículo 819287 a favoritos.

El artículo 819287 ha sido añadido a la cesta de compra.


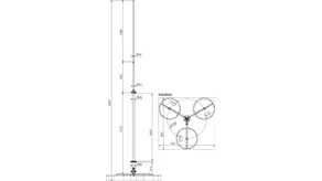
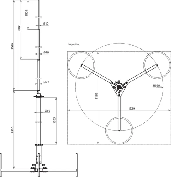
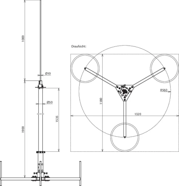
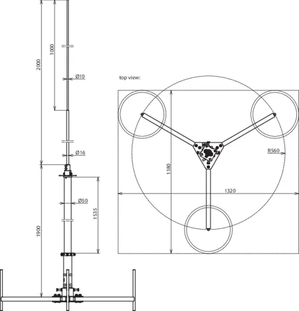
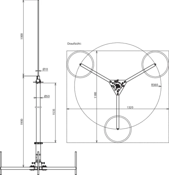
Mástil captador 50 para el cable HVI light SET I altura total 2900 mm

1 Producto

N.º art. 819380 FM D50 10 2900 GFK AL DBS KB STTZN

GTIN 4013364241916, N.º de arancel aduanero (EU): 85389099, Peso bruto: 13.88 kg, Empaquetado: 1.00 unidad(es)

Predecesor

Figuras

Más información

Mástiles captadores para cable HVI light en cubiertas planas
Completo con placa de conexión de 4 orificios para el
Cable HVI light y set de fijación para montaje
del cable al mástil captador.
Para asegurar la distancia de separación de componentes
conductores según EN 62305-3 (VDE 0185-305-3).
Distancia de aislamiento de poliéster reforzado con fibra de vidrio (PRFV)
Tubo de Ø50 mm
Factor de material km = 0,7
Color gris alba, estabilizado a rayos ultravioleta
Los mástiles captadores se dimensionan según el
Eurocódigo 1 (DIN EN 1991-1-4 + DIN EN 1991-1-4/NA) para una
máx. velocidad de rachas de viento de 203 km/h.
Adaptación a una pendiente de cubierta de máx. 10 grados
Mástil captador 50 para cable HVI light SET I
Altura total 2900 mm
El zócalo de hormigón apilable (Art. Nr. 102 010) y la
placa protectora (ref. 102 050) deben pedirse por separado
Altura: 2900 mm
Material del trípode: St/tZn
Radio del trípode: 560 mm
Material del tubo autosoportado: poliéster reforzado con fibra de vidrio / Al
Longitud del tubo autosoportado: 1900 mm
Distancia de aislamiento: 1535 mm
Longitud de la punta captadora: 1000 mm
Material de la punta captadora: INOX
Máx. velocidad de rachas de viento con 3 zócalos de 17 kg, 2x HVI light en el exterior: 121 km/h
Máx. velocidad de rachas de viento con 6 zócalos de 17 kg, 2x HVI light en el exterior: 166 km/h
Máx. velocidad de rachas de viento con 9 zócalos de 17 kg, 2x HVI light en el exterior: 203 km/h
Normativa: DIN IEC/TS 62561-8 (VDE V 0185-561-8)

Producto DEHN
Tipo: FM D50 10 2900 GFK AL DBS KB STTZN
art. no.: 819380
o equivalente

Certificados

 

Datos técnicos

Material del trípode St/tZn
Radio del trípode 560 mm
Material del tubo autosoportado poliéster reforzado con fibra de vidrio / Al
Longitud del tubo autosoportado 1900 mm
Distancia de aislamiento 1535 mm
Longitud de la punta captadora 1000 mm
Material de la punta captadora INOX
Máx. velocidad de rachas de viento con 3 zócalos de 17 kg, 2x HVI light en el exterior 121 km/h
Máx. velocidad de rachas de viento con 6 zócalos de 17 kg, 2x HVI light en el exterior 166 km/h
Máx. velocidad de rachas de viento con 9 zócalos de 17 kg, 2x HVI light en el exterior 203 km/h
Normativa DIN IEC/TS 62561-8 (VDE V 0185-561-8)

Se ha añadido el artículo 819380 a favoritos.

El artículo 819380 ha sido añadido a la cesta de compra.


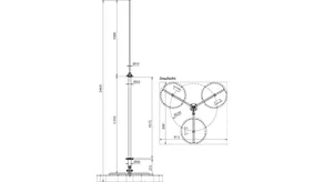
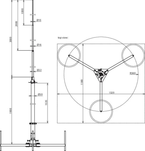
Mástil captador 50 para el cable HVI light SET II altura total 3900 mm

1 Producto

N.º art. 819385 FM D50 16 10 3900 GFK AL DBS KB STTZN

GTIN 4013364241923, N.º de arancel aduanero (EU): 85389099, Peso bruto: 13.99 kg, Empaquetado: 1.00 unidad(es)

Predecesor

Figuras

Más información

Mástiles captadores para cable HVI light en cubiertas planas
Completo con placa de conexión de 4 orificios para el
Cable HVI light y set de fijación para montaje
del cable al mástil captador.
Para asegurar la distancia de separación de componentes
conductores según EN 62305-3 (VDE 0185-305-3).
Distancia de aislamiento de poliéster reforzado con fibra de vidrio (PRFV)
Tubo de Ø50 mm
Factor de material km = 0,7
Color gris alba, estabilizado a rayos ultravioleta
Los mástiles captadores se dimensionan según el
Eurocódigo 1 (DIN EN 1991-1-4 + DIN EN 1991-1-4/NA) para una
máx. velocidad de rachas de viento de 179 km/h.
Adaptación a una pendiente de cubierta de máx. 10 grados
Mástil captador 50 para cable HVI light SET II
Altura total 3900 mm
El zócalo de hormigón apilable (Art. Nr. 102 010) y la
placa protectora (ref. 102 050) deben pedirse por separado
Altura: 3900 mm
Material del trípode: St/tZn
Radio del trípode: 560 mm
Material del tubo autosoportado: poliéster reforzado con fibra de vidrio / Al
Longitud del tubo autosoportado: 1900 mm
Distancia de aislamiento: 1535 mm
Lungitud de la punta captadora: 2000 mm
Material de la punta captadora: Al
Máx. velocidad de rachas de viento con 3 zócalos de 17 kg, 2x HVI light en el exterior: 110 km/h
Máx. velocidad de rachas de viento con 6 zócalos de 17 kg, 2x HVI light en el exterior: 147 km/h
Máx. velocidad de rachas de viento con 9 zócalos de 17 kg, 2x HVI light en el exterior: 179 km/h
Normativa: DIN IEC/TS 62561-8 (VDE V 0185-561-8)

Producto DEHN
Tipo: FM D50 16 10 3900 GFK AL DBS KB STTZN
art. no.: 819385
o equivalente

Certificados

 

Datos técnicos

Material del trípode St/tZn
Radio del trípode 560 mm
Material del tubo autosoportado poliéster reforzado con fibra de vidrio / Al
Longitud del tubo autosoportado 1900 mm
Distancia de aislamiento 1535 mm
Lungitud de la punta captadora 2000 mm
Material de la punta captadora Al
Máx. velocidad de rachas de viento con 3 zócalos de 17 kg, 2x HVI light en el exterior 110 km/h
Máx. velocidad de rachas de viento con 6 zócalos de 17 kg, 2x HVI light en el exterior 147 km/h
Máx. velocidad de rachas de viento con 9 zócalos de 17 kg, 2x HVI light en el exterior 179 km/h
Normativa DIN IEC/TS 62561-8 (VDE V 0185-561-8)

Se ha añadido el artículo 819385 a favoritos.

El artículo 819385 ha sido añadido a la cesta de compra.


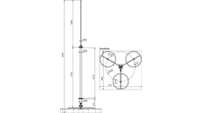
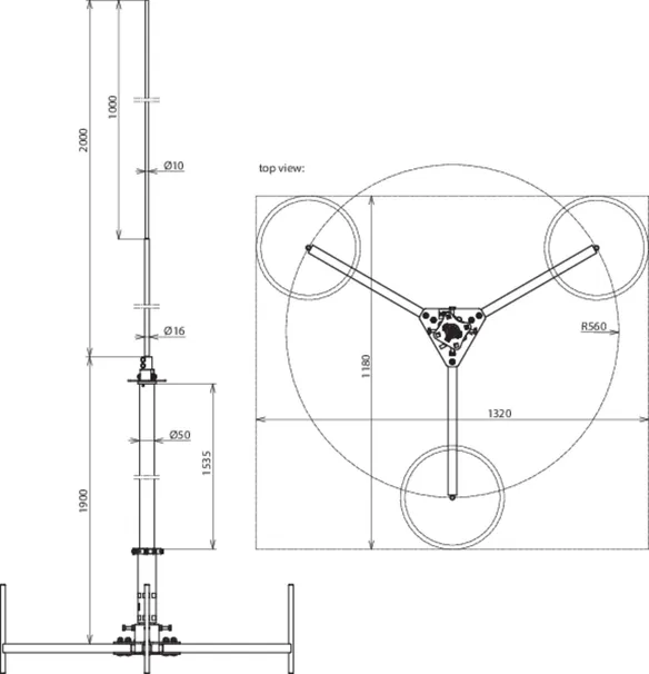
Mástil captador 50 para el cable HVI light SET III altura total 4900 mm

1 Producto

N.º art. 819390 FM D50 22 16 10 4900 GFK AL DBS KB STTZN

GTIN 4013364241930, N.º de arancel aduanero (EU): 85389099, Peso bruto: 13.27 kg, Empaquetado: 1.00 unidad(es)


Figuras

Más información

Mástiles captadores para cable HVI light en cubiertas planas
completos con placa de conexión de 4 orificios para el
cable HVI light y set de fijación para el montaje
del cable al mástil captador.
Para asegurar la distancia de separación de componentes
conductores según EN 62305-3 (VDE 0185-305-3).
Distancia de aislamiento de poliéster reforzado con fibra de vidrio (PRFV)
Tubo de Ø50 mm
Factor de material km = 0,7
Color gris alba, estabilizado a rayos ultravioleta
Los mástiles captadores se dimensionan según el
Eurocódigo 1 (DIN EN 1991-1-4 + DIN EN 1991-1-4/NA) para una
máx. velocidad de rachas de viento de 147 km/h.
Adaptación a una pendiente de cubierta de máx. 10 grados
Mástil captador 50 para cable HVI light SET III
Altura total 4900 mm
El zócalo de hormigón apilable (Art. Nr. 102 010) y la
placa protectora (ref. 102 050) deben pedirse por separado
Altura: 4900 mm
Material del trípode: St/tZn
Radio del trípode: 560 mm
Material del tubo autosoportado: poliéster reforzado con fibra de vidrio / Al
Longitud del tubo autosoportado: 1900 mm
Distancia de aislamiento: 1535 mm
Lungitud de la punta captadora: 3000 mm
Material de la punta captadora: Al
Máx. velocidad de rachas de viento con 3 zócalos de 17 kg, 2x HVI light en el exterior: 97 km/h
Máx. velocidad de rachas de viento con 6 zócalos de 17 kg, 2x HVI light en el exterior: 124 km/h
Máx. velocidad de rachas de viento con 9 zócalos de 17 kg, 2x HVI light en el exterior: 147 km/h
Normativa: DIN IEC/TS 62561-8 (VDE V 0185-561-8)

Producto DEHN
Tipo: FM D50 22 16 10 4900 GFK AL DBS KB STTZN
art. no.: 819390
o equivalente

Certificados

 

Datos técnicos

Material del trípode St/tZn
Radio del trípode 560 mm
Material del tubo autosoportado poliéster reforzado con fibra de vidrio / Al
Longitud del tubo autosoportado 1900 mm
Distancia de aislamiento 1535 mm
Lungitud de la punta captadora 3000 mm
Material de la punta captadora Al
Máx. velocidad de rachas de viento con 3 zócalos de 17 kg, 2x HVI light en el exterior 97 km/h
Máx. velocidad de rachas de viento con 6 zócalos de 17 kg, 2x HVI light en el exterior 124 km/h
Máx. velocidad de rachas de viento con 9 zócalos de 17 kg, 2x HVI light en el exterior 147 km/h
Normativa DIN IEC/TS 62561-8 (VDE V 0185-561-8)

Se ha añadido el artículo 819390 a favoritos.

El artículo 819390 ha sido añadido a la cesta de compra.


back to top