DEHNguard modular YPV ... FM

  • Unidad completa precableada para instalaciones fotovoltaicas, que consta de base y módulos de protección enchufables
  • El circuito Y resistente a fallos con tres varistores de gran rendimiento evita daños a la protección contra sobretensiones en caso de fallos de aislamiento en el circuito de generación
  • Probado según EN 61643-31
  • Gran seguridad de monitorización gracias al dispositivo de separación "Thermo Dynamic Control"
  • Indicación de fallo mediante señalización roja en la ventanilla de inspección
  • Utilizable según IEC 60364-7-712 "Instalaciones eléctricas de baja tensión. Parte 7-712: Requisitos para instalaciones o emplazamientos especiales. Sistemas de alimentación solar fotovoltaica (FV)"

DEHNguard MP YPV ... FM

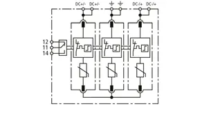
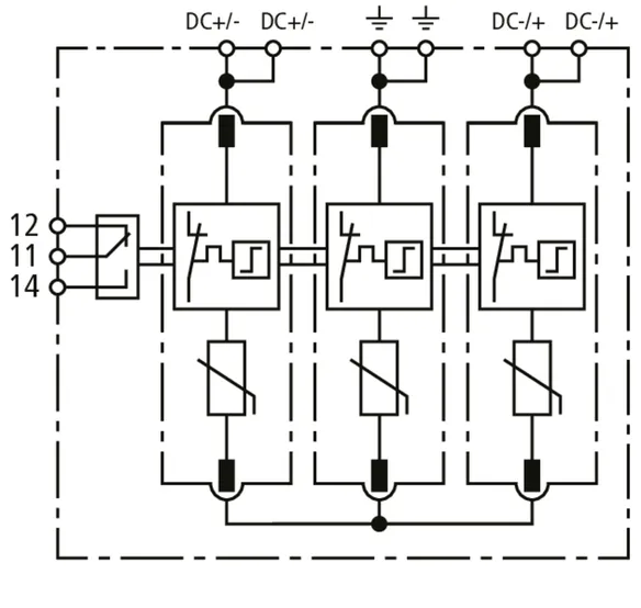
Descargador modular de sobretensiones multipolo para instalaciones PV con contacto de señalización remota para dispositivo de vigilancia (contacto conmutado libre de potencial).

2 Productos

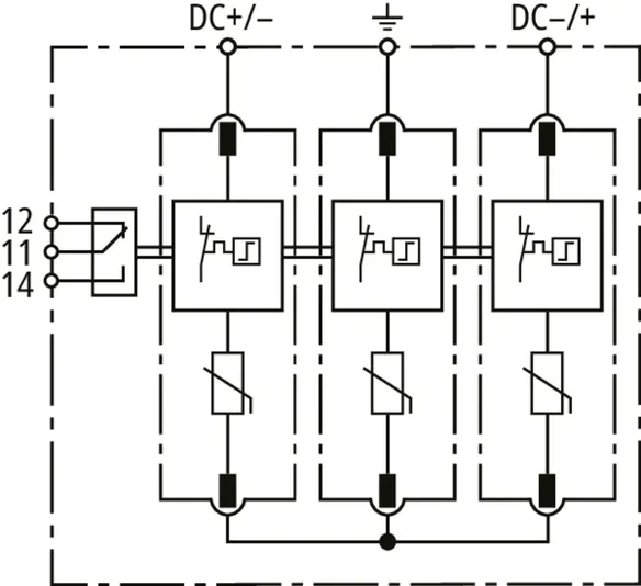
N.º art. 942565 DG MP YPV 1200 FM

GTIN 4013364495685, N.º de arancel aduanero (EU): 85354000, Peso bruto: 355.99 g, Empaquetado: 1.00 unidad(es)


Figuras

Más información

Descargador de sobretensiones DEHNguard MP YPV 1200 FM
Descargador fotovoltaico multipolo, modular y enchufable
con doble borne de conexión Push-in, adecuado para
conexión en paralelo y cableado de paso
hasta 1170 V CC, ancho de 3 módulos
Indicación de fallo
Con contacto de señalización remota
Descargador de tipo 2 según EN 61643-31
Utilizable según IEC 60364-7-712
Máxima tensión PV: <= 1170 V CC
Corriente de choque de rayo total: 40 kA
Nivel de protección: <= 4 kV
Resistencia a cortocircuito de la corriente de cortocircuito: 10 kA

Producto DEHN
Tipo: DG MP YPV 1200 FM
art. no.: 942565
o equivalente

Certificados

 

Datos técnicos

DPS según EN 61643-31 / ... IEC 61643-31 Tipo 2 / Clase II
Máxima tensión PV (UCPV ) 1170 V
Resistencia a cortocircuitos (ISCPV ) 10 kA
Corriente nominal de descarga (8/20 µs) [(DC+/DC-) --> PE] (In ) 20 kA
Corriente máxima de descarga (8/20 µs) [(DC+/DC-) --> PE] (Imax ) 40 kA
Nivel de protección (UP ) ≤ 4 kV
Contactos FM / Forma de los contactos contacto conmutado

Se ha añadido el artículo 942565 a favoritos.

El artículo 942565 ha sido añadido a la cesta de compra.

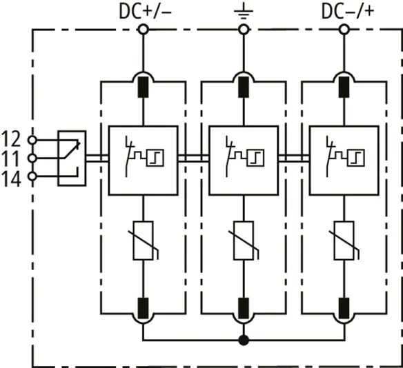
N.º art. 942567 DG MP YPV 1500 FM

GTIN 4013364495678, N.º de arancel aduanero (EU): 85354000, Peso bruto: 387.05 g, Empaquetado: 1.00 unidad(es)


Figuras

Más información

Descargador de sobretensiones DEHNguard MP YPV 1500 FM
Descargador fotovoltaico multipolo, modular y enchufable
con doble borne de conexión Push-in, adecuado para
conexión en paralelo y cableado de paso
hasta 1500 V CC, ancho de 3 módulos
Indicación de fallo
Con contacto de señalización remota
Descargador de tipo 2 según EN 61643-31
Utilizable según IEC 60364-7-712
Máxima tensión PV: <= 1500 V CC
Corriente de choque de rayo total: 40 kA
Nivel de protección: <= 5 kV
Resistencia a cortocircuito de la corriente de cortocircuito: 10 kA

Producto DEHN
Tipo: DG MP YPV 1500 FM
art. no.: 942567
o equivalente

Certificados

 

Datos técnicos

DPS según EN 61643-31 / ... IEC 61643-31 Tipo 2 / Clase II
Máxima tensión PV (UCPV ) 1500 V
Resistencia a cortocircuitos (ISCPV ) 10 kA
Corriente nominal de descarga (8/20 µs) [(DC+/DC-) --> PE] (In ) 15 kA
Corriente máxima de descarga (8/20 µs) [(DC+/DC-) --> PE] (Imax ) 40 kA
Nivel de protección (UP ) ≤ 5 kV
Contactos FM / Forma de los contactos contacto conmutado

Se ha añadido el artículo 942567 a favoritos.

El artículo 942567 ha sido añadido a la cesta de compra.


DEHNguard M YPV ... FM

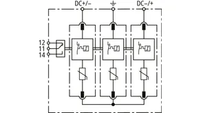
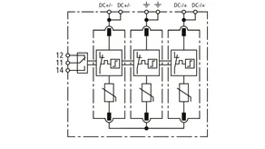
Descargador de sobretensiones multipolar y modular para instalaciones fotovoltaicas con contacto de señalización remota para el dispositivo de vigilancia (contacto conmutado libre de potencial).

2 Productos

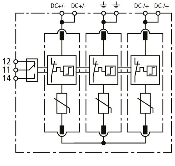
N.º art. 952565 DG M YPV 1200 FM

GTIN 4013364327719, N.º de arancel aduanero (EU): 85354000, Peso bruto: 382.00 g, Empaquetado: 1.00 unidad(es)


Figuras

Más información

Descargador de sobretensiones DEHNguard M YPV 1200 FM
Descargador fotovoltaico multipolo, modular y enchufable
Hasta 1170 V CC, ancho de 3 módulos
Indicación de fallo
Descargador de tipo 2 según EN 61643-31
Utilizable según IEC 60364-7-712
Tensión PV máxima: <= 1170 V CC
Corriente de choque de rayo total: 40 kA
Nivel de protección: <= 4 kV
Resistencia a cortocircuito de la corriente de cortocircuito: 10 kA

Producto DEHN
Tipo: DG M YPV 1200 FM
art. no.: 952565
o equivalente

Certificados

 

Datos técnicos

DPS según EN 61643-31 / ... IEC 61643-31 Tipo 2 / Clase II
Máxima tensión PV (UCPV ) 1170 V
Resistencia a cortocircuitos (ISCPV ) 10 kA
Corriente nominal de descarga (8/20 µs) [(DC+/DC-) --> PE] (In ) 20 kA
Corriente máxima de descarga (8/20 µs) [(DC+/DC-) --> PE] (Imax ) 40 kA
Nivel de protección (UP ) ≤ 4 kV
Certificaciones UL, KEMA
Contactos FM / Forma de los contactos contacto conmutado

Se ha añadido el artículo 952565 a favoritos.

El artículo 952565 ha sido añadido a la cesta de compra.

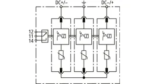
N.º art. 952567 DG M YPV 1500 FM

GTIN 4013364327726, N.º de arancel aduanero (EU): 85354000, Peso bruto: 411.20 g, Empaquetado: 1.00 unidad(es)


Figuras

Más información

Descargador de sobretensiones DEHNguard M YPV 1500 FM
Descargador fotovoltaico multipolo, modular y enchufable
Hasta 1500 V CC, ancho de 3 módulos
Indicación de fallo
Con contacto de señalización remota
Descargador de tipo 2 según EN 61643-31
Utilizable según IEC 60364-7-712
Máxima tensión PV: <= 1500 V CC
Corriente de choque de rayo total: 40 kA
Nivel de protección: <= 5 kV
Resistencia a cortocircuito de la corriente de cortocircuito: 10 kA

Producto DEHN
Tipo: DG M YPV 1500 FM
art. no.: 952567
o equivalente

Certificados

 

Datos técnicos

DPS según EN 61643-31 / ... IEC 61643-31 Tipo 2 / Clase II
Máxima tensión PV (UCPV ) 1500 V
Resistencia a cortocircuitos (ISCPV ) 10 kA
Corriente nominal de descarga (8/20 µs) [(DC+/DC-) --> PE] (In ) 15 kA
Corriente máxima de descarga (8/20 µs) [(DC+/DC-) --> PE] (Imax ) 40 kA
Nivel de protección (UP ) ≤ 5 kV
Certificaciones UL, KEMA
Contactos FM / Forma de los contactos contacto conmutado

Se ha añadido el artículo 952567 a favoritos.

El artículo 952567 ha sido añadido a la cesta de compra.


back to top