DEHNventil modular

  • Descargador combinado precableado Tipo 1 + Tipo 2 + Tipo 3 basado en vías de chispas, consistiendo en base y un módulo de protección enchufable individual
  • Tecnología de vías de chispas RAC potente y protegiendo los equipos terminales
  • No disparo de fusibles 20 A gG hasta corrientes de cortocircuito de 50 kAeff
  • Capacidad de descarga hasta 100 kA (10/350 μs)
  • Permite la protección de equipos terminales
  • Indicación de estado operativo/fallo por marcación verde-roja en la ventanilla de inspección y vigilación de todos los circuitos de protección
  • Cambio sencillo de los módulos de protección sin herramientas por el sistema de desbloqueo con teclas de desbloqueo

Detalles

lorem ipsum

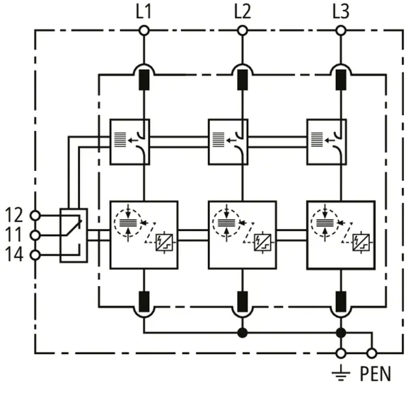
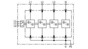
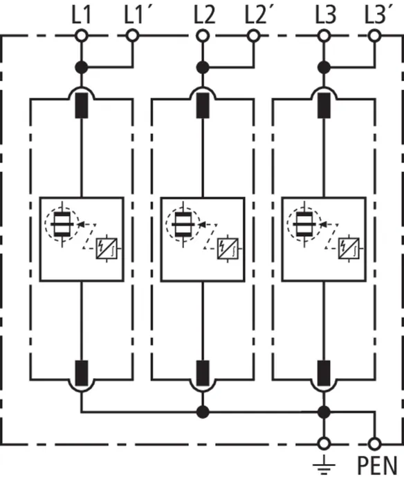
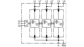
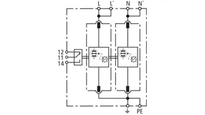
DEHNventil M2 TNC FM

Descargador combinado modular para los sistemas TN-C.

1 Producto

N.º art. 956305 DV M2 TNC 255 FM

GTIN 4013364510586, N.º de arancel aduanero (EU): 85363090, Peso bruto: 519.19 g, Empaquetado: 1.00 unidad(es)

Predecesor

Figuras

Más información

Descargador combinado DEHNventil M2 TNC 255 FM
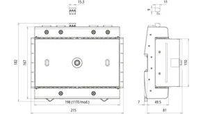
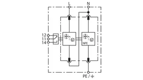
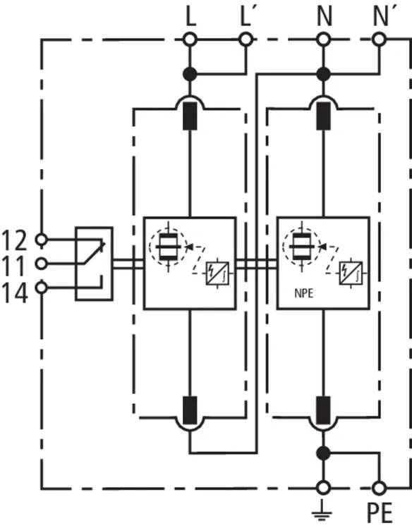
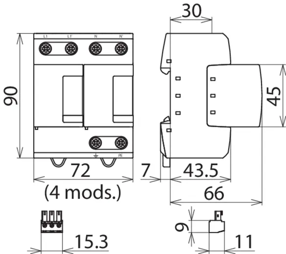
Descargador combinado de 3 polos, modular, enchufable
para redes TN-C de 230/400 V, ancho de 4 módulos
con contacto de señalización remota
Descargador de tipo 1 + tipo 2 + tipo 3 según EN 61643-11
Tecnología de vía de chispas RAC
para la limitación de la corriente consecutiva
Máxima tensión de servicio: 255 V CA
Nivel de protección: <= 1,5 kV
Corriente de choque de rayo (10/350): 75 kA
Capacidad de apagado de corriente consecutiva: hasta 100 kAef.
Certificado según VDE, KEMA
Coordinación energética según DIN CLC/TS 61643-12
Descargador de la familia Red/Line y directo para el equipo final

Producto DEHN
Tipo: DV M2 TNC 255 FM
art. no.: 956305
o equivalente

Certificados

 

Datos técnicos

DPS según EN 61643-11 / ... IEC 61643-11 Tipo 1 + Tipo 2 + Tipo 3 / Clase I + Clase II + Clase III
Corriente de impulso de rayo total (10/350 µs) [L1+L2+L3-PEN] (Itotal ) 75 kA
Corriente de impulso de rayo (10/350 µs) [L-PEN] (Iimp ) 25 kA
Nivel de protección (UP ) ≤ 1,5 kV
Fusible previo máximo (L) hasta IK = 50 kAeff 250 A gG
Certificaciones VDE, KEMA, UL
Contacto FM sí/contacto conmutado
Datos técnicos adicionales: Uso en instalaciones de conmutación con corrientes prospectivas de cortocircuito superiores a 50 kAeff
– Máx. corriente prospectiva de cortocircuito 100 kAeff (220 kApeak)

Se ha añadido el artículo 956305 a favoritos.

El artículo 956305 ha sido añadido a la cesta de compra.


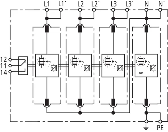
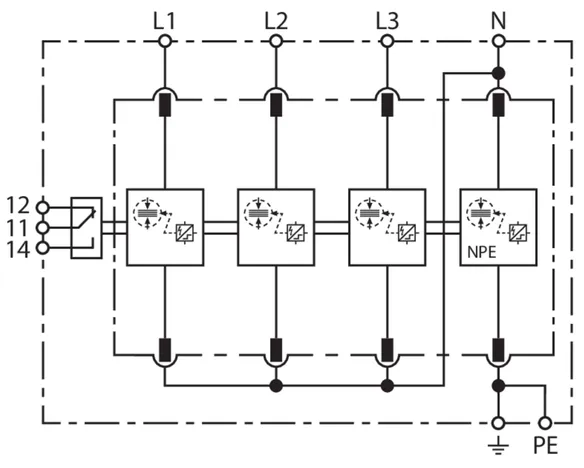
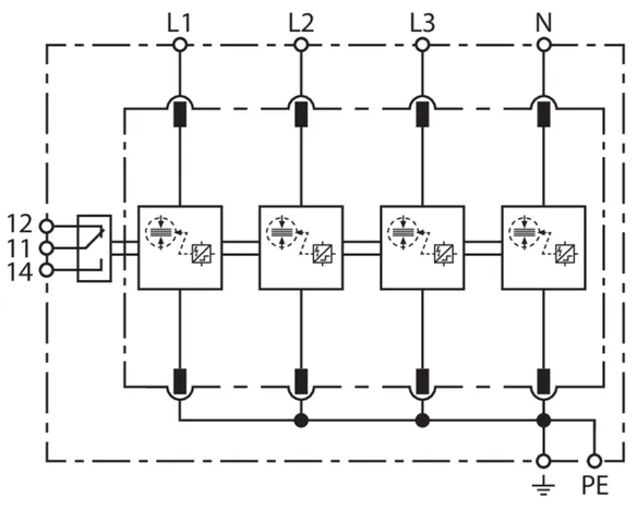
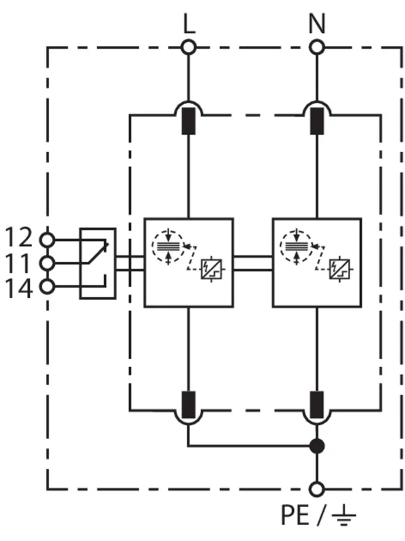
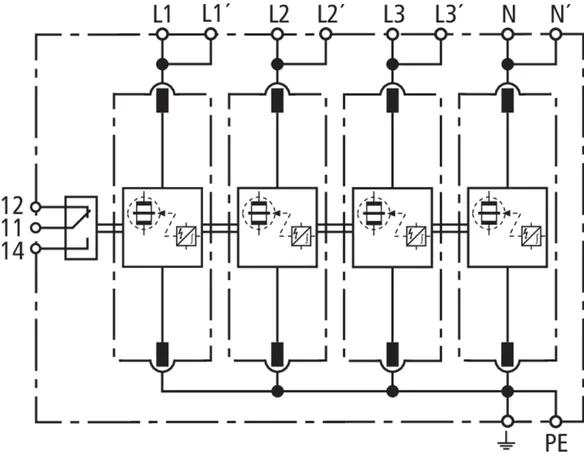
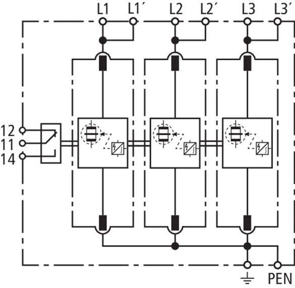
DEHNventil M2 TNS FM

Descargador combinado modular para los sistemas TN-S.

1 Producto

N.º art. 956405 DV M2 TNS 255 FM

GTIN 4013364510562, N.º de arancel aduanero (EU): 85363090, Peso bruto: 583.68 g, Empaquetado: 1.00 unidad(es)

Predecesor

Figuras

Más información

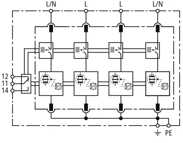
Descargador combinado DEHNventil M2 TNS 255 FM
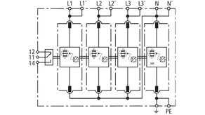
Descargador combinado de 4 polos, modular, enchufable
para redes TN(C)-S de 230/400 V, ancho de 4 módulos
con contacto de señalización remota
Descargador de tipo 1 + tipo 2 + tipo 3 según EN 61643-11
Tecnología de vía de chispas RAC
para la limitación de la corriente consecutiva
Máxima tensión de servicio: 255 V CA
Nivel de protección: <= 1,5 kV
Corriente de choque de rayo (10/350): 100 kA
Capacidad de apagado de corriente consecutiva: hasta 100 kAef.
Certificado según VDE, KEMA
Coordinación energética según DIN CLC/TS 61643-12
Descargador de la familia Red/Line y directo para el equipo final

Producto DEHN
Tipo: DV M2 TNS 255 FM
art. no.: 956405
o equivalente

Certificados

 

Datos técnicos

DPS según EN 61643-11 / ... IEC 61643-11 Tipo 1 + Tipo 2 + Tipo 3 / Clase I + Clase II + Clase III
Corriente de impulso de rayo total (10/350 µs) [L1+L2+L3+N-PE] (Itotal ) 100 kA
Corriente de impulso de rayo (10/350 µs) [L, N-PE] (Iimp ) 25 kA
Nivel de protección [L-PE]/[N-PE] (UP ) ≤ 1,5 / ≤ 1,5 kV
Fusible previo máximo (L) hasta IK = 50 kAeff 250 A gG
Certificaciones VDE, KEMA, UL
Contacto FM sí / contacto conmutado
Datos técnicos adicionales: Uso en instalaciones de conmutación con corrientes prospectivas de cortocircuito superiores a 50 kAeff
– Máx. corriente prospectiva de cortocircuito 100 kAeff (220 kApeak)

Se ha añadido el artículo 956405 a favoritos.

El artículo 956405 ha sido añadido a la cesta de compra.


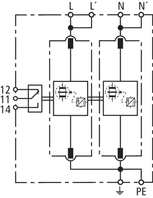
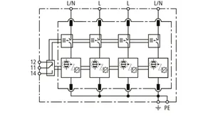
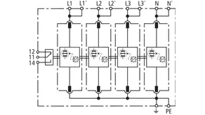
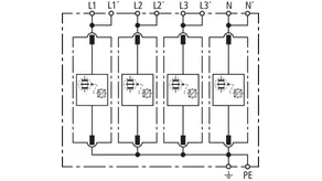
DEHNventil M2 TT FM

Descargador combinado modular de corriente de rayo y sobretensiones para protección de redes TT y TN-S (circuito 3+1).

1 Producto

N.º art. 956315 DV M2 TT 255 FM

GTIN 4013364528963, N.º de arancel aduanero (EU): 85363090, Peso bruto: 616.00 g, Empaquetado: 1.00 unidad(es)


Figuras

Más información

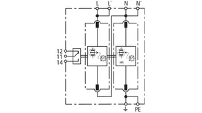
Descargador combinado DEHNventil M2 TT 255 FM
Descargador combinado de 4 polos, modular, enchufable
para redes TT y TN(C)-S de 230/400 V, ancho de 4 módulos
con contacto de señalización remota
Descargador de tipo 1 + tipo 2 + tipo 3 según EN 61643-11
Tecnología de vía de chispas RAC
para la limitación de la corriente consecutiva
Máxima tensión de servicio: 255 V CA
Nivel de protección: <= 1,5 kV
Corriente de choque de rayo (10/350): 100 kA
Capacidad de apagado de corriente consecutiva: hasta 100 kAef.
Certificado según VDE, KEMA
Coordinación energética según DIN CLC/TS 61643-12
Descargador de la familia Red/Line y directo para el equipo final

Producto DEHN
Tipo: DV M2 TT 255 FM
art. no.: 956315
o equivalente

Certificados

 

Datos técnicos

DPS según EN 61643-11 / ... IEC 61643-11 Tipo 1 + Tipo 2 + Tipo 3 / Clase I + Clase II + Clase III
Corriente de impulso de rayo total (10/350 µs) [L1+L2+L3+N-PE] (Itotal ) 100 kA
Corriente de impulso de rayo (10/350 µs) [L-N]/[N-PE] (Iimp ) 25 / 100 kA
Nivel de protección [L-N]/[N-PE] (UP ) ≤ 1,5 / ≤ 1,5 kV
Fusible previo máximo (L) hasta IK = 50 kAeff 250 A gG
Certificaciones VDE, KEMA, UL
Contacto FM sí / contacto conmutado
Datos técnicos adicionales: Uso en instalaciones de conmutación con corrientes prospectivas de cortocircuito superiores a 50 kAeff
– Máx. corriente prospectiva de cortocircuito 100 kAeff (220 kApeak)
Información adicional: ---------------------------------
– Nivel de protección [L-PE] (UP ) 1,8 kV

Se ha añadido el artículo 956315 a favoritos.

El artículo 956315 ha sido añadido a la cesta de compra.


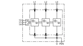
DEHNventil M2 TN FM

Descargador combinado modular para los sistemas TN monofásicos.

1 Producto

N.º art. 956205 DV M2 TN 255 FM

GTIN 4013364510579, N.º de arancel aduanero (EU): 85363090, Peso bruto: 311.29 g, Empaquetado: 1.00 unidad(es)

Predecesor

Figuras

Más información

Descargador combinado DEHNventil M2 TN 255 FM
Descargador combinado de 2 polos, modular, enchufable para
redes TN monofásicas, ancho de 2 módulos
con contacto de señalización remota
Descargador de tipo 1 + tipo 2 + tipo 3 según EN 61643-11
Tecnología de vía de chispas RAC
para la limitación de la corriente consecutiva
Máxima tensión de servicio: 255 V CA
Nivel de protección: <= 1,5 kV
Corriente de choque de rayo (10/350): 50 kA
Capacidad de apagado de corriente consecutiva: hasta 100 kAef.
Certificado según VDE, KEMA
Coordinación energética según DIN CLC/TS 61643-12
Descargador de la familia Red/Line y directo para el equipo final

Producto DEHN
Tipo: DV M2 TN 255 FM
art. no.: 956205
o equivalente

Certificados

 

Datos técnicos

DPS según EN 61643-11 / ... IEC 61643-11 Tipo 1 + Tipo 2 + Tipo 3 / Clase I + Clase II + Clase III
Corriente de impulso de rayo total (10/350 µs) [L+N-PE] (Itotal ) 50 kA
Corriente de impulso de rayo (10/350 µs) [L, N-PE] (Iimp ) 25 kA
Nivel de protección [L-PE]/[N-PE] (UP ) ≤ 1,5 / ≤ 1,5 kV
Fusible previo máximo (L) hasta IK = 50 kAeff 250 A gG
Certificaciones VDE, KEMA, UL
Contacto FM sí / contacto conmutado
Datos técnicos adicionales: Uso en instalaciones de conmutación con corrientes prospectivas de cortocircuito superiores a 50 kAeff
– Máx. corriente prospectiva de cortocircuito 100 kAeff (220 kApeak)

Se ha añadido el artículo 956205 a favoritos.

El artículo 956205 ha sido añadido a la cesta de compra.


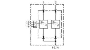
DEHNventil M2 TT 2P FM

Descargador combinado modular de corriente de rayo y sobretensiones para protección de redes monofásicas TT y TN (circuito 1+1) frente a sobretensiones.

1 Producto

N.º art. 956115 DV M2 TT 2P 255 FM

GTIN 4013364546929, N.º de arancel aduanero (EU): 85363090, Peso bruto: 327.00 g, Empaquetado: 1.00 unidad(es)


Figuras

Más información

Descargador combinado DEHNventil M2 TT 2P 255 FM
Descargador combinado de 2 polos, modular, enchufable para
redes TT y TN monofásicas, ancho de 2 módulos
con contacto de señalización remota
Descargador de tipo 1 + tipo 2 + tipo 3 según EN 61643-11
Tecnología de vía de chispas RAC
para la limitación de la corriente consecutiva
Máxima tensión de servicio: 255 V CA
Nivel de protección: <= 1,5 kV
Corriente de choque de rayo (10/350): 50 kA
Capacidad de apagado de corriente consecutiva: hasta 100 kAef.
Certificado según VDE, KEMA
Coordinación energética según DIN CLC/TS 61643-12
Descargador de la familia Red/Line y directo para el equipo final

Producto DEHN
Tipo: DV M2 TT 2P 255 FM
art. no.: 956115
o equivalente

Certificados

 

Datos técnicos

DPS según EN 61643-11 / ... IEC 61643-11 Tipo 1 + Tipo 2 + Tipo 3 / Clase I + Clase II + Clase III
Corriente de impulso de rayo total (10/350 µs) [L+N-PE] (Itotal ) 50 kA
Corriente de impulso de rayo (10/350 µs) [L-N]/[N-PE] (Iimp ) 25 / 50 kA
Nivel de protección [L-N]/[N-PE] (UP ) ≤ 1,5 / ≤ 1,5 kV
Fusible previo máximo (L) hasta IK = 50 kAeff 250 A gG
Certificaciones VDE, KEMA, UL
Contacto FM sí / contacto conmutado
Datos técnicos adicionales: Uso en instalaciones de conmutación con corrientes prospectivas de cortocircuito superiores a 50 kAeff
– Máx. corriente prospectiva de cortocircuito 100 kAeff (220 kApeak)
Información adicional: ---------------------------------
– Nivel de protección [L-PE] (UP ) 1,8 kV

Se ha añadido el artículo 956115 a favoritos.

El artículo 956115 ha sido añadido a la cesta de compra.


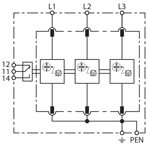
DEHNventil M TNC (FM)

Descargador combinado modular de corriente de rayo y sobretensiones para protección de redes TN-C frente a sobretensiones con una tensión nominal de 230/400 V (circuito 3+0); la versión FM incluye un contacto de señalización remota libre de potencial

2 Productos

N.º art. 951300 DV M TNC 255

GTIN 4013364108134, N.º de arancel aduanero (EU): 85363090, Peso bruto: 1004.00 g, Empaquetado: 1.00 unidad(es)

Predecesor

Figuras

Más información



Producto DEHN
Tipo: DV M TNC 255
art. no.: 951300
o equivalente

Certificados

 

Datos técnicos

DPS según EN 61643-11 / ... IEC 61643-11 Tipo 1 + Tipo 2 / Clase I + Clase II
Corriente de impulso de rayo total (10/350 µs) [L1+L2+L3-PEN] (Itotal ) 75 kA
Corriente de impulso de rayo (10/350 µs) [L-PEN] (Iimp ) 25 kA
Nivel de protección (UP ) ≤ 1.5 kV
Fusible previo máximo (L) hasta IK = 50 kAeff 315 A gG
Certificaciones KEMA, VDE, UL
Datos técnicos adicionales: Uso en instalaciones de conmutación con corrientes prospectivas de cortocircuito superiores a 50 kAeff
– Máx. corriente prospectiva de cortocircuito 100 kAeff (220 kApico)

Se ha añadido el artículo 951300 a favoritos.

El artículo 951300 ha sido añadido a la cesta de compra.

N.º art. 951305 DV M TNC 255 FM

GTIN 4013364108141, N.º de arancel aduanero (EU): 85363090, Peso bruto: 1020.00 g, Empaquetado: 1.00 unidad(es)

Predecesor

Figuras

Más información



Producto DEHN
Tipo: DV M TNC 255 FM
art. no.: 951305
o equivalente

Certificados

 

Datos técnicos

DPS según EN 61643-11 / ... IEC 61643-11 Tipo 1 + Tipo 2 / Clase I + Clase II
Corriente de impulso de rayo total (10/350 µs) [L1+L2+L3-PEN] (Itotal ) 75 kA
Corriente de impulso de rayo (10/350 µs) [L-PEN] (Iimp ) 25 kA
Nivel de protección (UP ) ≤ 1,5 kV
Fusible previo máximo (L) hasta IK = 50 kAeff 315 A gG
Certificaciones KEMA, VDE, UL
Contacto FM contacto libre de potencial
Datos técnicos adicionales: Uso en instalaciones de conmutación con corrientes prospectivas de cortocircuito superiores a 50 kAeff
– Máx. corriente prospectiva de cortocircuito 100 kAeff (220 kApico)

Se ha añadido el artículo 951305 a favoritos.

El artículo 951305 ha sido añadido a la cesta de compra.


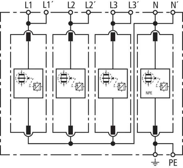
DEHNventil M TNS (FM)

Descargador combinado modular de corriente de rayo y sobretensiones para protección de redes TN-S frente a sobretensiones con una tensión nominal de 230/400 V (circuito 4+0); la versión FM incluye un contacto de señalización remota libre de potencial.

2 Productos

N.º art. 951400 DV M TNS 255

GTIN 4013364108158, N.º de arancel aduanero (EU): 85363090, Peso bruto: 1.40 kg, Empaquetado: 1.00 unidad(es)

Predecesor

Figuras

Más información

Descargador combinado de corrientes de rayo y sobretensiones modular DEHNventil M TNS 255
Descargador combinado de corrientes de rayo y sobretensiones, 4 polos, modular, enchufable
para los sistemas 230/400 V-TN(C)-S, ancho 8 móds.
Descargador Tipo 1 + Tipo 2 según la EN 61643-11
Tecnología de vía de chispas RADAX-Flow
para la limitación de corrientes consecutivas
Máx. tensión de servicio: 264 V ac
Nivel de protección: <= 1,5 kV
Corriente de choque de rayo (10/350): 100 kA
Capacidad de apagado de corrientes consecutivas: hasta 100 kAeff.
Coordinación energética según la DIN EN 62305-4
Descargador de la línea de productos Red/Line así como directamente al equipo final

Producto DEHN
Tipo: DV M TNS 255
art. no.: 951400
o equivalente

Certificados

 

Datos técnicos

DPS según EN 61643-11 / ... IEC 61643-11 Tipo 1 + Tipo 2 / Clase I + Clase II
Corriente de impulso de rayo total (10/350 µs) [L1+L2+L3+N-PE] (Itotal ) 100 kA
Corriente de impulso de rayo (10/350 µs) [L, N-PE] (Iimp ) 25 kA
Nivel de protección [L-PE]/[N-PE] (UP ) ≤ 1,5 / ≤ 1,5 kV
Fusible previo máximo (L) hasta IK = 50 kAeff 315 A gG
Certificaciones KEMA, VDE, UL
Datos técnicos adicionales: Uso en instalaciones de conmutación con corrientes prospectivas de cortocircuito superiores a 50 kAeff
– Máx. corriente prospectiva de cortocircuito 100 kAeff (220 kApico)

Se ha añadido el artículo 951400 a favoritos.

El artículo 951400 ha sido añadido a la cesta de compra.

N.º art. 951405 DV M TNS 255 FM

GTIN 4013364108165, N.º de arancel aduanero (EU): 85363090, Peso bruto: 1.40 kg, Empaquetado: 1.00 unidad(es)

Predecesor

Figuras

Más información



Producto DEHN
Tipo: DV M TNS 255 FM
art. no.: 951405
o equivalente

Certificados

 

Datos técnicos

DPS según EN 61643-11 / ... IEC 61643-11 Tipo 1 + Tipo 2 / Clase I + Clase II
Corriente de impulso de rayo total (10/350 µs) [L1+L2+L3+N-PE] (Itotal ) 100 kA
Corriente de impulso de rayo (10/350 µs) [L, N-PE] (Iimp ) 25 kA
Nivel de protección [L-PE]/[N-PE] (UP ) ≤ 1,5 / ≤ 1,5 kV
Fusible previo máximo (L) hasta IK = 50 kAeff 315 A gG
Certificaciones KEMA, VDE, UL
Contacto FM contacto libre de potencial
Datos técnicos adicionales: Uso en instalaciones de conmutación con corrientes prospectivas de cortocircuito superiores a 50 kAeff
– Máx. corriente prospectiva de cortocircuito 100 kAeff (220 kApico)

Se ha añadido el artículo 951405 a favoritos.

El artículo 951405 ha sido añadido a la cesta de compra.


DEHNventil M TT (FM)

Descargador combinado modular de corriente de rayo y sobretensiones para protección de redes TT y TN-S con una tensión nominal de 230/400 V (circuito 3+1); la versión FM incluye un contacto de señalización remota libre de potencial.

2 Productos

N.º art. 951310 DV M TT 255

GTIN 4013364108172, N.º de arancel aduanero (EU): 85363090, Peso bruto: 1.31 kg, Empaquetado: 1.00 unidad(es)

Predecesor

Figuras

Más información



Producto DEHN
Tipo: DV M TT 255
art. no.: 951310
o equivalente

Certificados

 

Datos técnicos

DPS según EN 61643-11 / ... IEC 61643-11 Tipo 1 + Tipo 2 / Clase I + Clase II
Corriente de impulso de rayo total (10/350 µs) [L1+L2+L3+N-PE] (Itotal ) 100 kA
Corriente de impulso de rayo (10/350 µs) [L-N]/[N-PE] (Iimp ) 25 / 100 kA
Nivel de protección [L-N]/[N-PE] (UP ) ≤ 1,5 / ≤ 1,5 kV
Fusible previo máximo (L) hasta IK = 50 kAeff 315 A gG
Certificaciones KEMA, VDE, UL
Datos técnicos adicionales: Uso en instalaciones de conmutación con corrientes prospectivas de cortocircuito superiores a 50 kAeff
– Máx. corriente prospectiva de cortocircuito 100 kAeff (220 kApico)
Información adicional: ---------------------------------
– Nivel de protección [L-PE] (UP ) 2,2 kV

Se ha añadido el artículo 951310 a favoritos.

El artículo 951310 ha sido añadido a la cesta de compra.

N.º art. 951315 DV M TT 255 FM

GTIN 4013364108189, N.º de arancel aduanero (EU): 85363090, Peso bruto: 1.32 kg, Empaquetado: 1.00 unidad(es)

Predecesor

Figuras

Más información



Producto DEHN
Tipo: DV M TT 255 FM
art. no.: 951315
o equivalente

Certificados

 

Datos técnicos

DPS según EN 61643-11 / ... IEC 61643-11 Tipo 1 + Tipo 2 / Clase I + Clase II
Corriente de impulso de rayo total (10/350 µs) [L1+L2+L3+N-PE] (Itotal ) 100 kA
Corriente de impulso de rayo (10/350 µs) [L-N]/[N-PE] (Iimp ) 25 / 100 kA
Nivel de protección [L-N]/[N-PE] (UP ) ≤ 1,5 / ≤ 1,5 kV
Fusible previo máximo (L) hasta IK = 50 kAeff 315 A gG
Certificaciones KEMA, VDE, UL
Contacto FM contacto libre de potencial
Datos técnicos adicionales: Uso en instalaciones de conmutación con corrientes prospectivas de cortocircuito superiores a 50 kAeff
– Máx. corriente prospectiva de cortocircuito 100 kAeff (220 kApico)
Información adicional: ---------------------------------
– Nivel de protección [L-PE] (UP ) 2,2 kV

Se ha añadido el artículo 951315 a favoritos.

El artículo 951315 ha sido añadido a la cesta de compra.


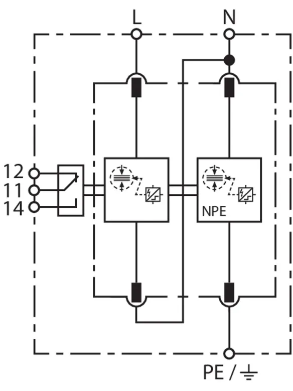
DEHNventil M TN (FM)

Descargador combinado modular de corriente de rayo y sobretensiones para protección de redes monofásicas TN frente a sobretensiones con una tensión nominal de 230/400 V (circuito 2+0); la versión FM incluye un contacto de señalización remota libre de potencial.

2 Productos

N.º art. 951200 DV M TN 255

GTIN 4013364108097, N.º de arancel aduanero (EU): 85363090, Peso bruto: 754.00 g, Empaquetado: 1.00 unidad(es)

Predecesor

Figuras

Más información



Producto DEHN
Tipo: DV M TN 255
art. no.: 951200
o equivalente

Certificados

 

Datos técnicos

DPS según EN 61643-11 / ... IEC 61643-11 Tipo 1 + Tipo 2 / Clase I + Clase II
Corriente de impulso de rayo total (10/350 µs) [L+N-PE] (Itotal ) 50 kA
Corriente de impulso de rayo (10/350 µs) [L, N-PE] (Iimp ) 25 kA
Nivel de protección [L-PE]/[N-PE] (UP ) ≤ 1,5 / ≤ 1,5 kV
Fusible previo máximo (L) hasta IK = 50 kAeff 315 A gG
Certificaciones KEMA, VDE, UL
Datos técnicos adicionales: Uso en instalaciones de conmutación con corrientes prospectivas de cortocircuito superiores a 50 kAeff
– Máx. corriente prospectiva de cortocircuito 100 kAeff (220 kApico)

Se ha añadido el artículo 951200 a favoritos.

El artículo 951200 ha sido añadido a la cesta de compra.

N.º art. 951205 DV M TN 255 FM

GTIN 4013364108103, N.º de arancel aduanero (EU): 85363090, Peso bruto: 698.50 g, Empaquetado: 1.00 unidad(es)

Predecesor

Figuras

Más información

Descargador combinado de corrientes de rayo y sobretensiones modular DEHNventil M TN 255 FM
Descargador combinado de corrientes de rayo y sobretensiones, 2 polos, modular, enchufable
para los sistemas monofásicos TN, ancho 4 móds.
con contacto de señalización a distancia
Descargador Tipo 1 + Tipo 2 según la EN 61643-11
Tecnología de vía de chispas RADAX-Flow
para la limitación de corrientes consecutivas
Máx. tensión de servicio: 264 V ac
Nivel de protección: <= 1,5 kV
Corriente de choque de rayo (10/350): 50 kA
Capacidad de apagado de corrientes consecutivas: hasta 100 kAeff.
Coordinación energética según la DIN EN 62305-4
Descargador de la línea de productos Red/Line así como directamente al equipo final

Producto DEHN
Tipo: DV M TN 255 FM
art. no.: 951205
o equivalente

Certificados

 

Datos técnicos

DPS según EN 61643-11 / ... IEC 61643-11 Tipo 1 + Tipo 2 / Clase I + Clase II
Corriente de impulso de rayo total (10/350 µs) [L+N-PE] (Itotal ) 50 kA
Corriente de impulso de rayo (10/350 µs) [L, N-PE] (Iimp ) 25 kA
Nivel de protección [L-PE]/[N-PE] (UP ) ≤ 1,5 / ≤ 1,5 kV
Fusible previo máximo (L) hasta IK = 50 kAeff 315 A gG
Certificaciones KEMA, VDE, UL
Contacto FM contacto libre de potencial
Datos técnicos adicionales: Uso en instalaciones de conmutación con corrientes prospectivas de cortocircuito superiores a 50 kAeff
– Máx. corriente prospectiva de cortocircuito 100 kAeff (220 kApico)

Se ha añadido el artículo 951205 a favoritos.

El artículo 951205 ha sido añadido a la cesta de compra.


DEHNventil M TT 2P (FM)

Descargador combinado modular de corriente de rayo y sobretensiones para protección de redes monofásicas TT y TN con una tensión nominal de 230 V (circuito 1+1) frente a sobretensiones; la versión FM incluye un contacto de señalización remota libre de potencial.

2 Productos

N.º art. 951110 DV M TT 2P 255

GTIN 4013364108110, N.º de arancel aduanero (EU): 85363090, Peso bruto: 688.59 g, Empaquetado: 1.00 unidad(es)

Predecesor

Figuras

Más información



Producto DEHN
Tipo: DV M TT 2P 255
art. no.: 951110
o equivalente

Certificados

 

Datos técnicos

DPS según EN 61643-11 / ... IEC 61643-11 Tipo 1 + Tipo 2 / Clase I + Clase II
Corriente de impulso de rayo total (10/350 µs) [L+N-PE] (Itotal ) 50 kA
Corriente de impulso de rayo (10/350 µs) [L-N]/[N-PE] (Iimp ) 25 / 50 kA
Nivel de protección [L-N]/[N-PE] (UP ) ≤ 1.5 / ≤ 1.5 kV
Fusible previo máximo (L) hasta IK = 50 kAeff 315 A gG
Certificaciones KEMA, VDE, UL
Datos técnicos adicionales: Uso en instalaciones de conmutación con corrientes prospectivas de cortocircuito superiores a 50 kAeff
– Máx. corriente prospectiva de cortocircuito 100 kAeff (220 kApico)
Información adicional: ---------------------------------
– Nivel de protección [L-PE] (UP ) 2,2 kV

Se ha añadido el artículo 951110 a favoritos.

El artículo 951110 ha sido añadido a la cesta de compra.

N.º art. 951115 DV M TT 2P 255 FM

GTIN 4013364108127, N.º de arancel aduanero (EU): 85363090, Peso bruto: 694.38 g, Empaquetado: 1.00 unidad(es)

Predecesor

Figuras

Más información



Producto DEHN
Tipo: DV M TT 2P 255 FM
art. no.: 951115
o equivalente

Certificados

 

Datos técnicos

DPS según EN 61643-11 / ... IEC 61643-11 Tipo 1 + Tipo 2 / Clase I + Clase II
Corriente de impulso de rayo total (10/350 µs) [L+N-PE] (Itotal ) 50 kA
Corriente de impulso de rayo (10/350 µs) [L-N]/[N-PE] (Iimp ) 25 / 50 kA
Nivel de protección [L-N]/[N-PE] (UP ) ≤ 1,5 / ≤ 1,5 kV
Fusible previo máximo (L) hasta IK = 50 kAeff 315 A gG
Certificaciones KEMA, VDE, UL
Contacto FM contacto libre de potencial
Datos técnicos adicionales: Uso en instalaciones de conmutación con corrientes prospectivas de cortocircuito superiores a 50 kAeff
– Máx. corriente prospectiva de cortocircuito 100 kAeff (220 kApico)
Información adicional: ---------------------------------
– Nivel de protección [L-PE] (UP ) 2,2 kV

Se ha añadido el artículo 951115 a favoritos.

El artículo 951115 ha sido añadido a la cesta de compra.


DEHNventil ACI TNC FM

Descargador combinado modular con Advanced-Circuit Interruption (ACI) para redes TN-C.

Disponible en breve.

1 Producto

N.º art. 961305 DV ACI M TNC 264 FM

GTIN 4013364513440, N.º de arancel aduanero (EU): 85363090, Peso bruto: 2.42 kg, Empaquetado: 1.00 unidad(es)


Figuras

Más información

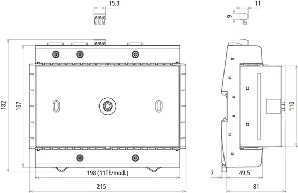
Descargador combinado modular DEHNventil ACI M TNC 264 FM
Descargador combinado de 3 polos, modular y enchufable
para redes TN-C de 230/400 V con
conmutador ACI/vía de chispas integrados, ancho 11TE
con contacto de señalización remota
Descargador de tipo 1 + tipo 2 + tipo 3 según EN 61643-11
Tecnología de vía de chispas RADAX-Flow
para la limitación de la corriente consecutiva
Máxima tensión de servicio: 264 V CA
Nivel de protección: <= 1,5 kV
Corriente de choque de rayo (10/350): 75 kA
Capacidad de apagado de corriente consecutiva: hasta 100 kAef.
Certificado según VDE, KEMA
Coordinación energética según IEC 61643-12
Descargador de la familia Red/Line
directo para el equipo final

Producto DEHN
Tipo: DV ACI M TNC 264 FM
art. no.: 961305
o equivalente

Certificados

 

Datos técnicos

DPS según EN 61643-11 / IEC 61643-11 Tipo 1 + Tipo 2 + Tipo 3 / Clase I + Clase II + Clase III
Corriente de impulso de rayo total (10/350 µs) [L1+L2+L3-PEN] (Itotal ) 75 kA
Corriente de impulso de rayo (10/350 µs) [L-PEN] (Iimp ) 25 kA
Nivel de protección (UP ) ≤ 1,5 kV
Datos técnicos adicionales: Uso en instalaciones de conmutación con corrientes prospectivas de cortocircuito superiores a 50 kAeff
– Máx. corriente prospectiva de cortocircuito 100 kAeff (220 kApeak)

Se ha añadido el artículo 961305 a favoritos.

El artículo 961305 ha sido añadido a la cesta de compra.


DEHNventil ACI TNS FM

Descargador combinado modular con Advanced-Circuit Interruption (ACI) para redes TN-S.

Disponible en breve.

1 Producto

N.º art. 961405 DV ACI M TNS 264 FM

GTIN 4013364513365, N.º de arancel aduanero (EU): 85363090, Peso bruto: 2.42 kg, Empaquetado: 1.00 unidad(es)


Figuras

Más información

Descargador combinado modular DEHNventil ACI M TNS 264 FM
Descargador combinado de 4 polos, modular y enchufable
para redes TN(C)-S de 230/400 V con
conmutador ACI/vía de chispas integrados
Ancho 11TE
con contacto de señalización remota
Descargador de tipo 1 + tipo 2 + tipo 3 según EN 61643-11
Tecnología de vía de chispas RADAX-Flow
para la limitación de la corriente consecutiva
Máxima tensión de servicio: 264 V CA
Nivel de protección: <= 1,5 kV
Corriente de choque de rayo (10/350): 100 kA
Capacidad de apagado de corriente consecutiva: hasta 100 kAef.
Certificado según VDE, KEMA
Coordinación energética según IEC 61643-12
Descargador de la familia Red/Line
directo para el equipo final

Producto DEHN
Tipo: DV ACI M TNS 264 FM
art. no.: 961405
o equivalente

Certificados

 

Datos técnicos

DPS según EN 61643-11 / IEC 61643-11 Tipo 1 + Tipo 2 + Tipo 3 / Clase I + Clase II + Clase III
Corriente de impulso de rayo total (10/350 µs) [L1+L2+L3+N-PE] (Itotal ) 100 kA
Corriente de impulso de rayo (10/350 µs) [L, N-PE] (Iimp ) 25 kA
Nivel de protección [L-PE]/[N-PE] (UP ) ≤ 1,5 kV
Datos técnicos adicionales: Uso en instalaciones de conmutación con corrientes prospectivas de cortocircuito superiores a 50 kAeff
– Máx. corriente prospectiva de cortocircuito 100 kAeff (220 kApeak)

Se ha añadido el artículo 961405 a favoritos.

El artículo 961405 ha sido añadido a la cesta de compra.


DEHNventil M2 880 FM

Kit compuesto por descargadores de corrientes de rayo y sobretensiones con raíl aislado de cableado de módulos para su uso en sistemas de inversor con anti PID activo con un desplazamiento de CC máximo de 750 V CC. Cableado de los sistemas de puesta a tierra de conformidad con la norma IEC 60364-4-44, tabla 44.A1 - RE y Z así como RE y RA conectados.

1 Producto

N.º art. 961151 DV M2 880 FM

GTIN 4013364532557, N.º de arancel aduanero (EU): 85363090, Peso bruto: 1.07 kg, Empaquetado: 1.00 unidad(es)


Figuras

Más información

Descargador combinado modular DEHNventil M2 880 FM
Descargador combinado de 3 polos, modular y enchufable para
sistemas trifásicos de 880 V no puestos a tierra, ancho 8TE
con contacto de señalización remota
Descargador Tipo 1 + Tipo 2 según EN 61643-11
Tecnología de vía de chispas RAC
Para limitación de la corriente consecutiva
Máxima tensión de servicio: 880 V CA
Nivel de protección: <= 4 kV
Corriente de choque de rayo (10/350): 12,5 kA
Capacidad de apagado de corriente consecutiva: hasta 50 kAeff

Producto DEHN
Tipo: DV M2 880 FM
art. no.: 961151
o equivalente

Certificados

 

Datos técnicos

DPS según EN 61643-11 / ... IEC 61643-11 Tipo 1 + Tipo 2 / Clase I + Clase II
Corriente de choque de rayo (10/350 µs) [1,2-3] (Iimp ) 12,5 kA
Fusible previo máximo (L) hasta IK = 50 kAeff 160 A gG
Contacto FM Sí / contacto conmutado
Información adicional: ---------------------------------
– Tensión anti PID (U1-3 + UPID ) 508 VCA + 750 VCC – Resistencia

Se ha añadido el artículo 961151 a favoritos.

El artículo 961151 ha sido añadido a la cesta de compra.


back to top