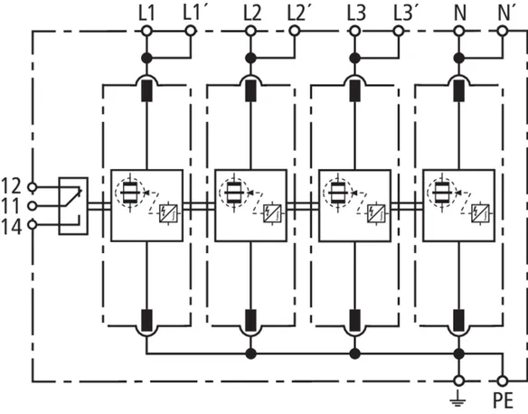
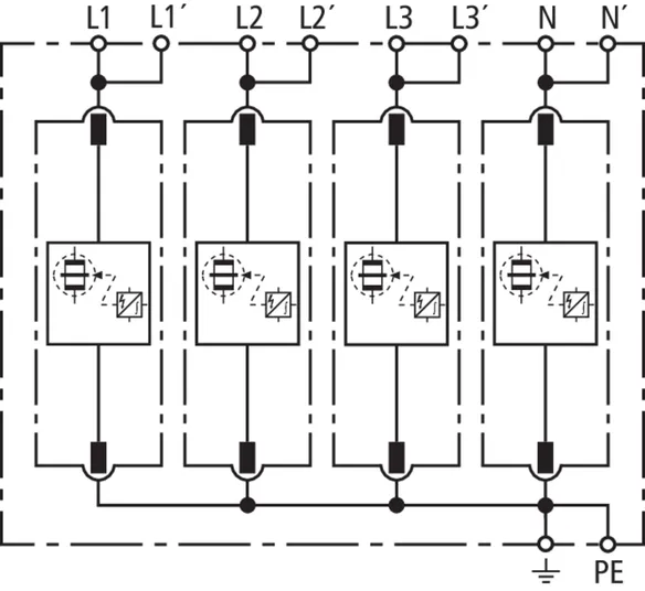
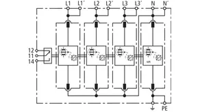
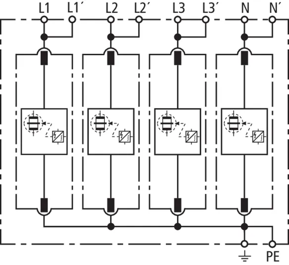
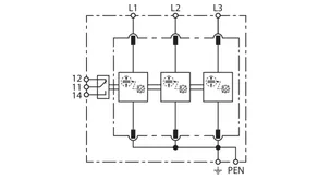
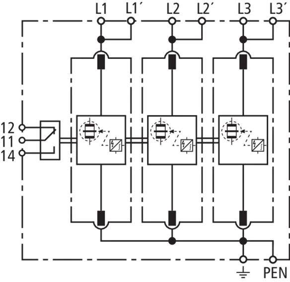
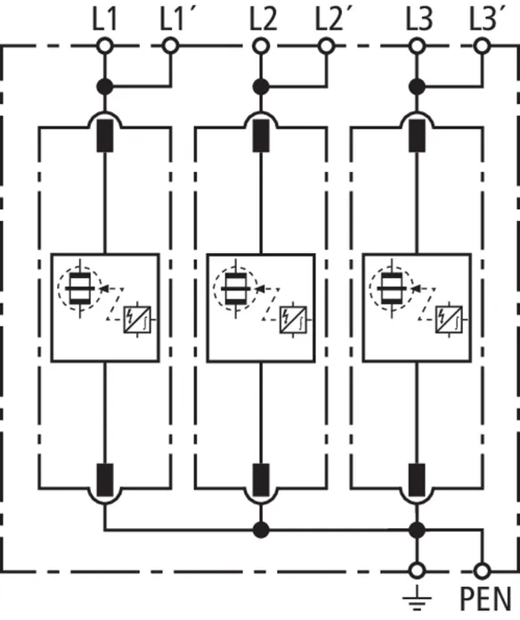
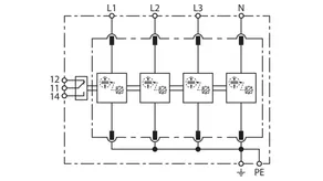
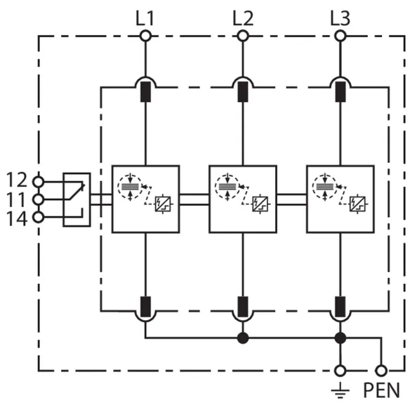
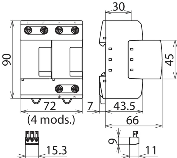
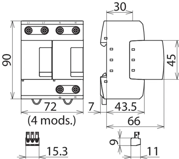
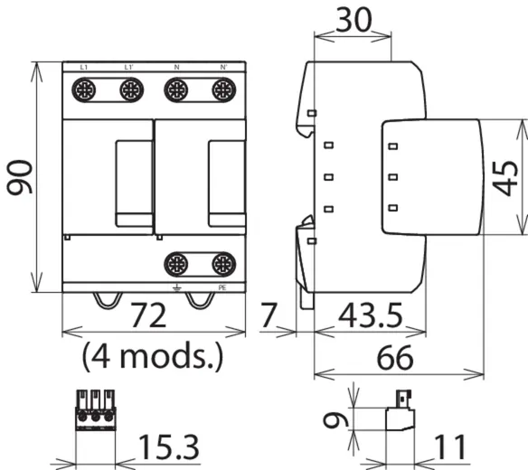
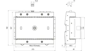
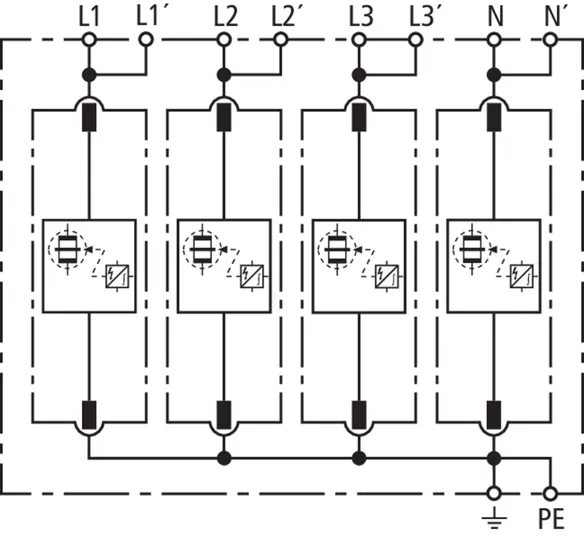
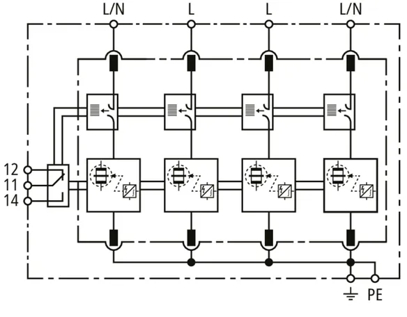
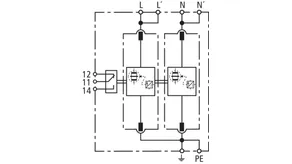
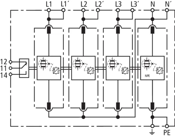
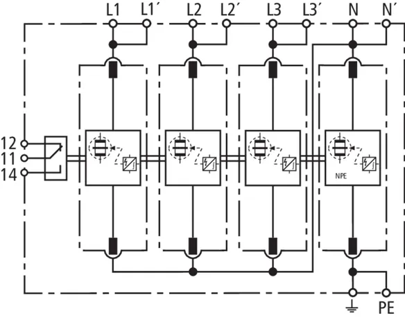
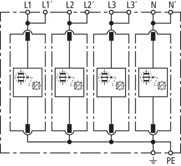
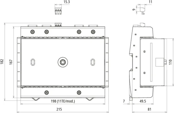
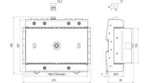
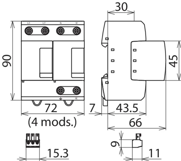
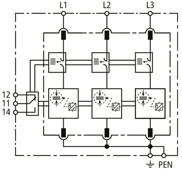
DEHNventil modular
:quality(98)/www.dehn.es/store/f/63208088/HDVORSCHAU/956315a0001_16-9.jpg)
:quality(98)/www.dehn.es/store/f/63208088/HDVORSCHAU/956315a0001_16-9.jpg)
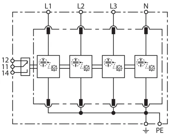
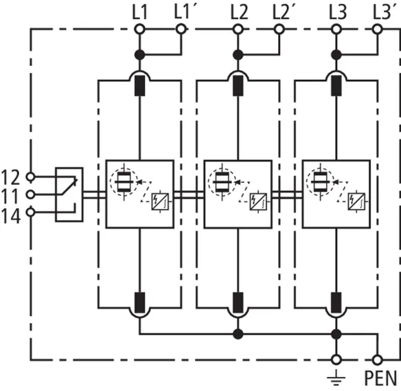
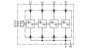
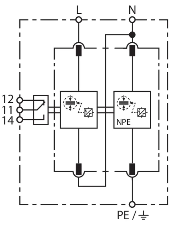
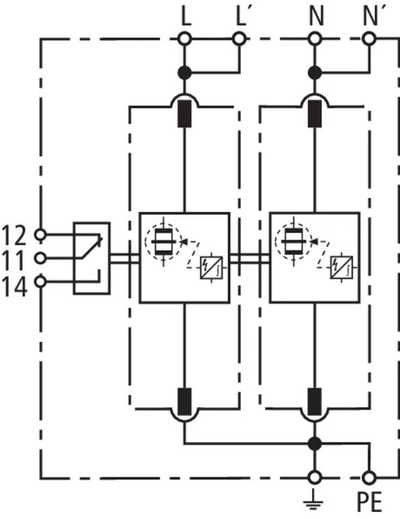
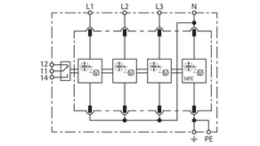
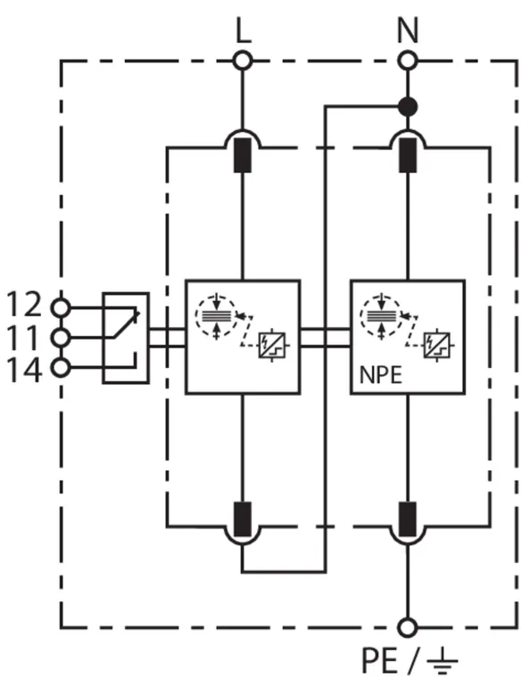
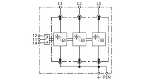
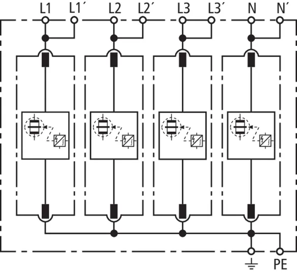
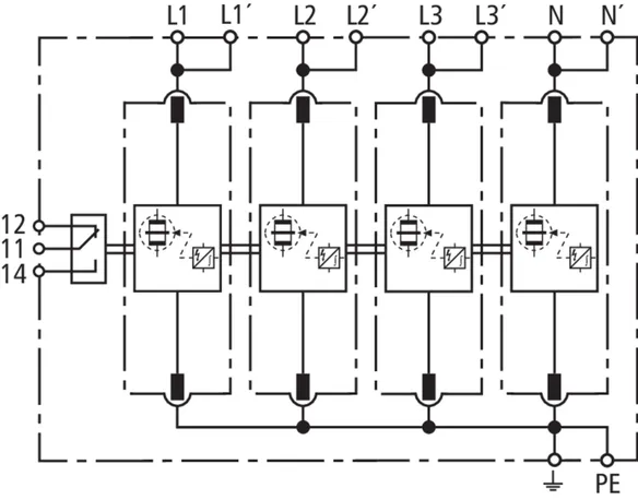
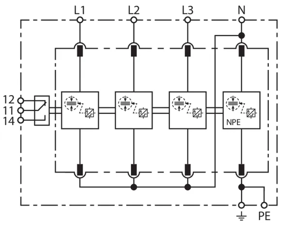
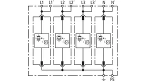
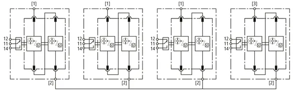
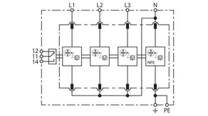
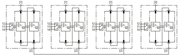
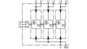
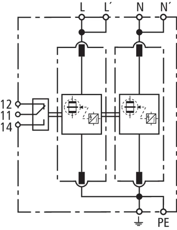
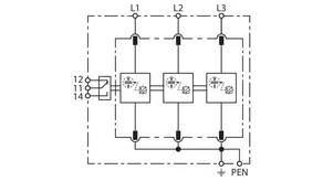
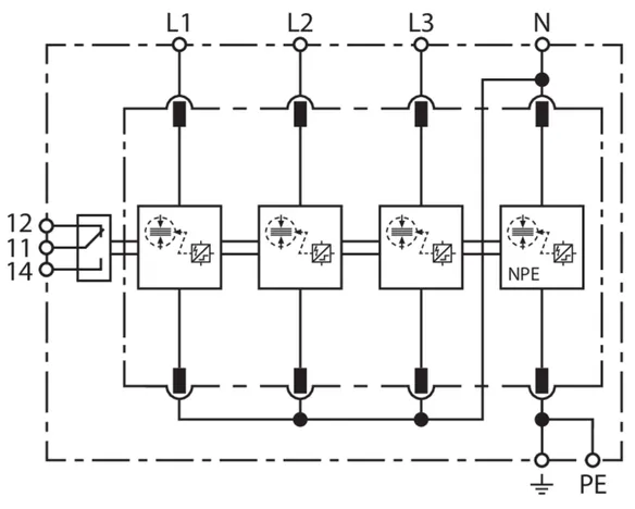
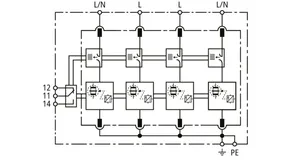
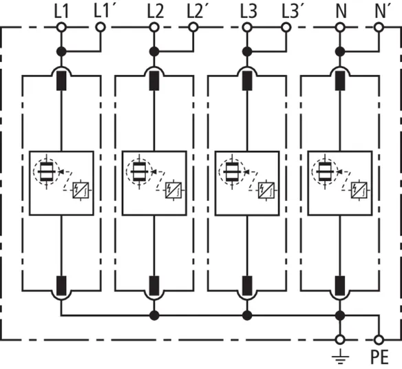
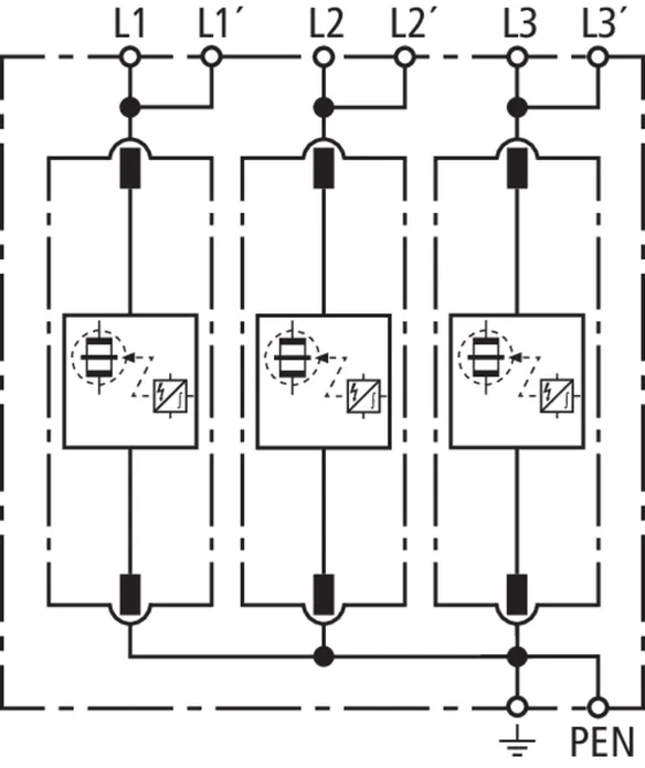
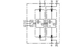
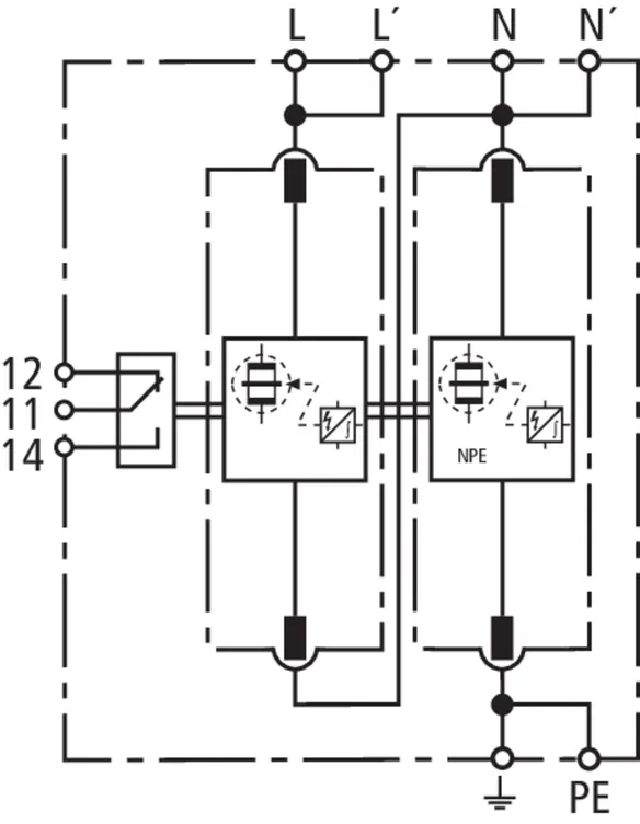
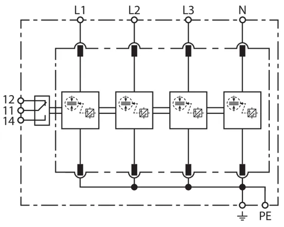
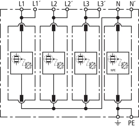
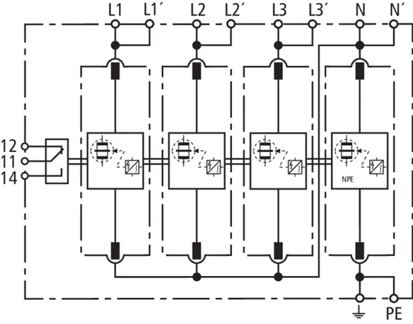
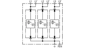
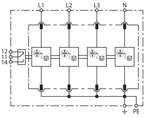
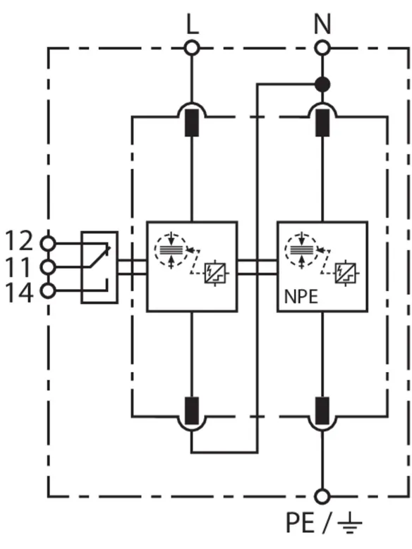
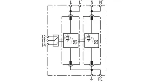
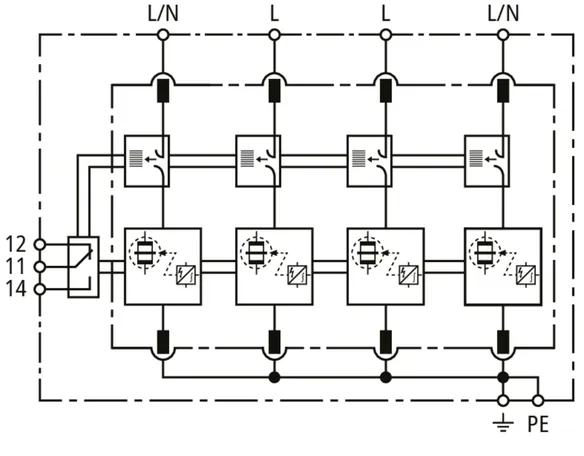
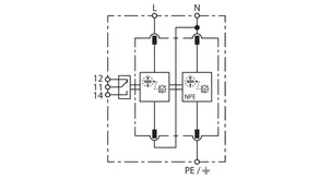
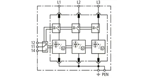
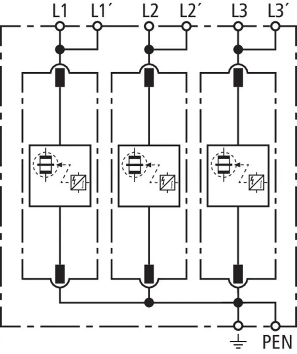
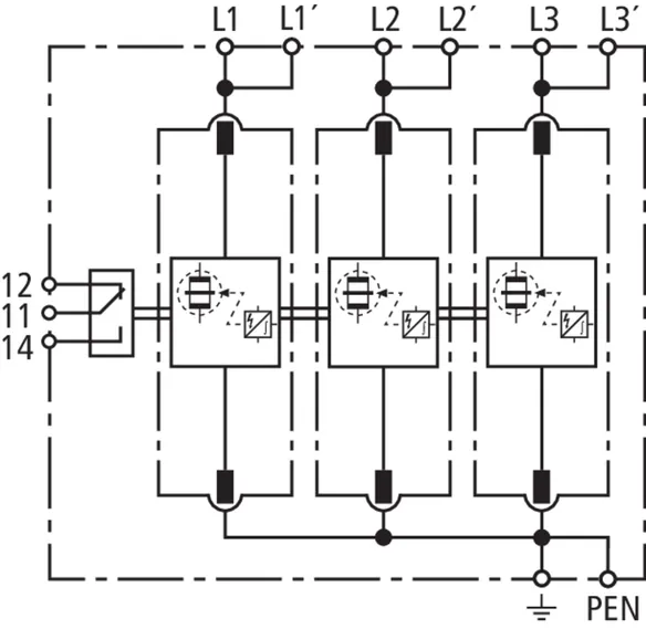
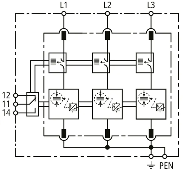
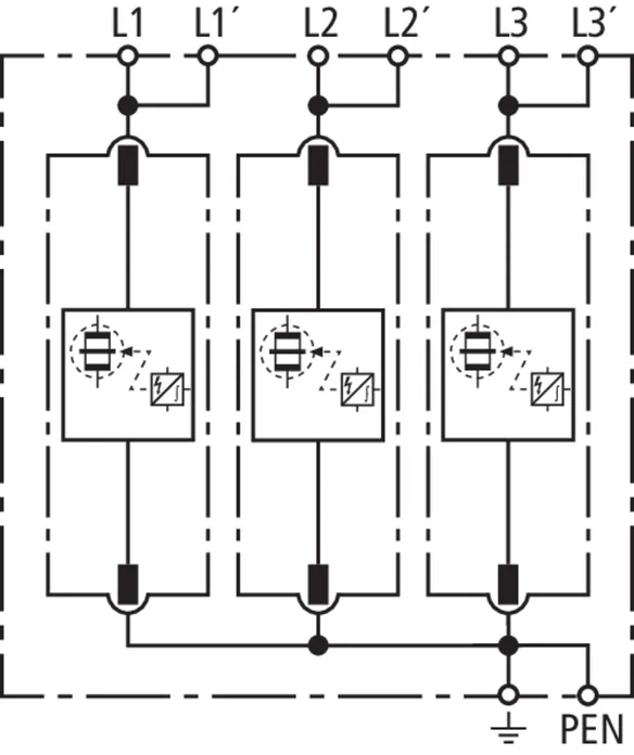
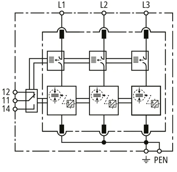
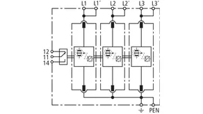
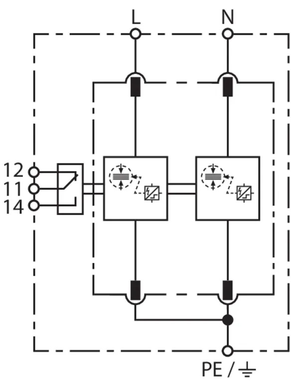
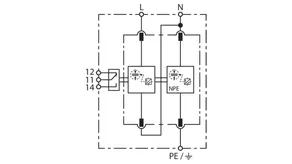
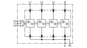
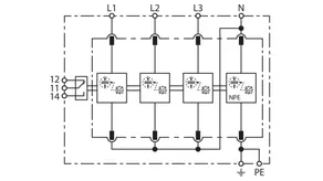
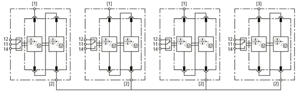
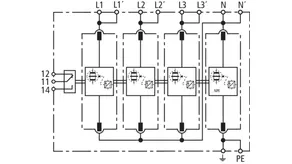
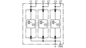
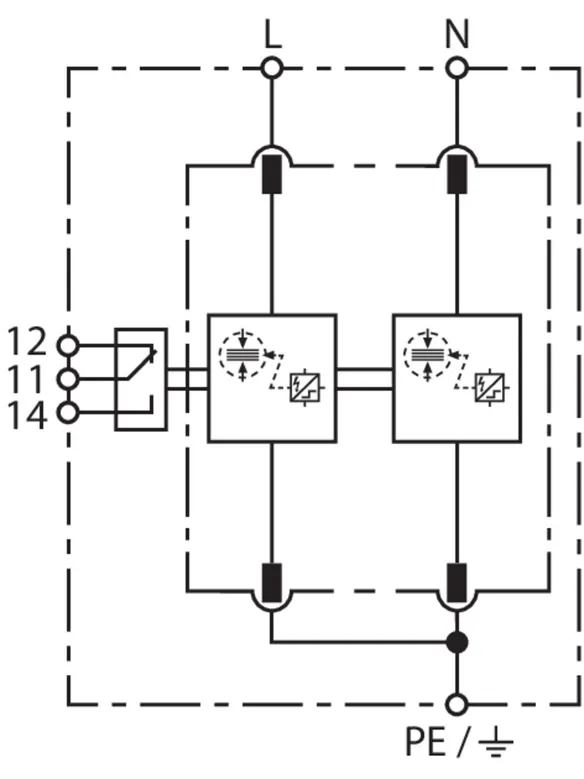
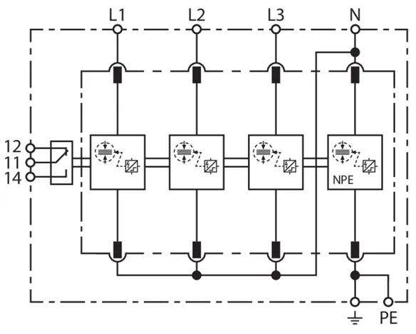
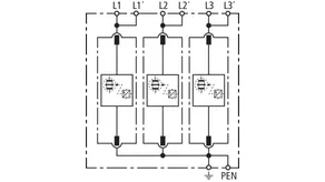
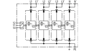
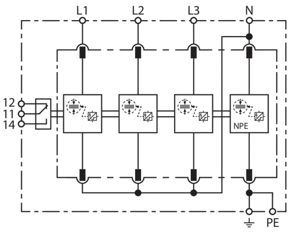
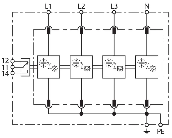
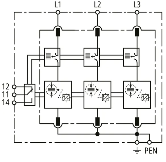
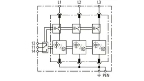
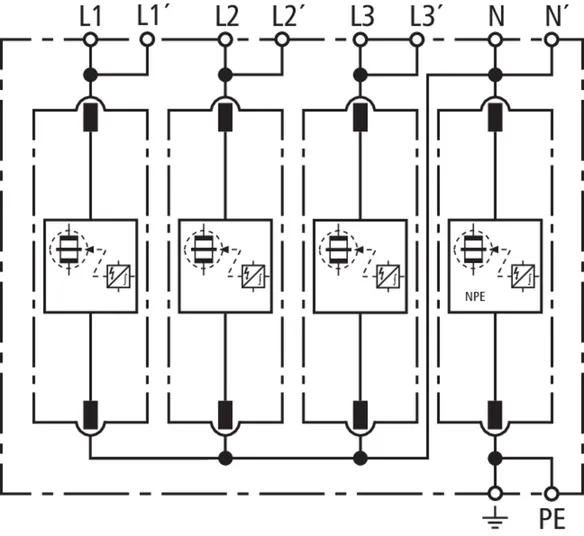
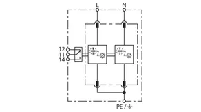
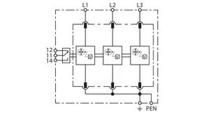
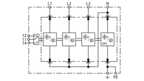
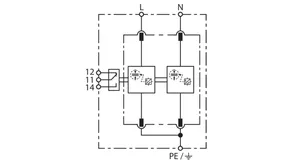
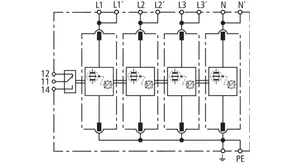
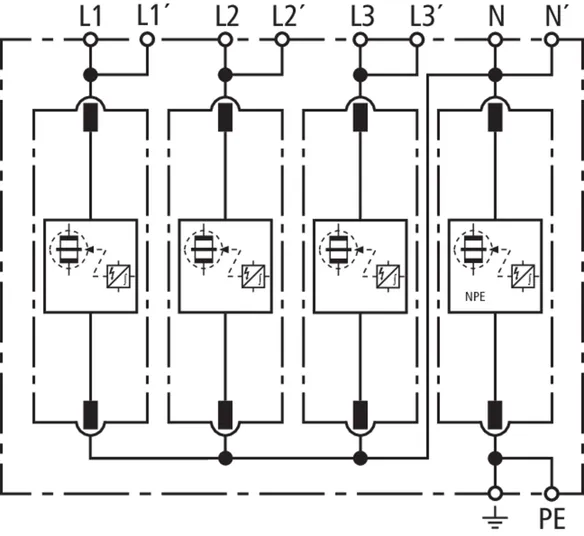
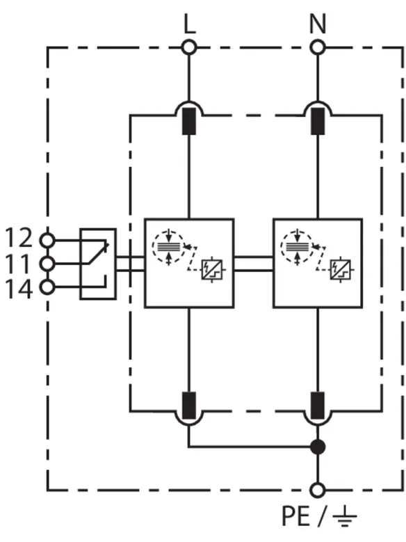
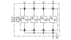
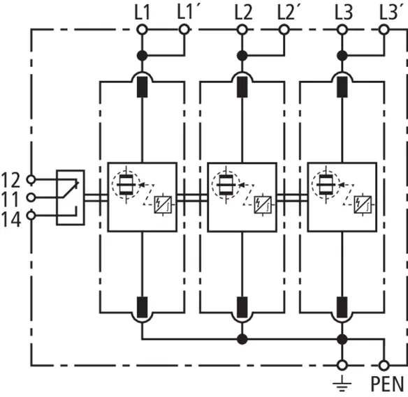
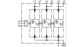
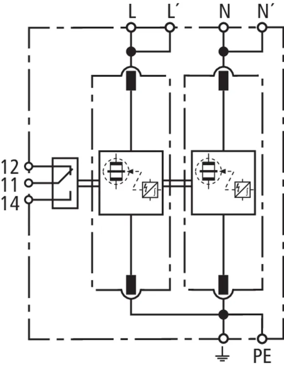
- Descargador combinado precableado Tipo 1 + Tipo 2 + Tipo 3 basado en vías de chispas, consistiendo en base y un módulo de protección enchufable individual
- Tecnología de vías de chispas RAC potente y protegiendo los equipos terminales
- No disparo de fusibles 20 A gG hasta corrientes de cortocircuito de 50 kAeff
- Capacidad de descarga hasta 100 kA (10/350 μs)
- Permite la protección de equipos terminales
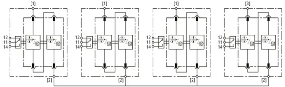
- Indicación de estado operativo/fallo por marcación verde-roja en la ventanilla de inspección y vigilación de todos los circuitos de protección
- Cambio sencillo de los módulos de protección sin herramientas por el sistema de desbloqueo con teclas de desbloqueo
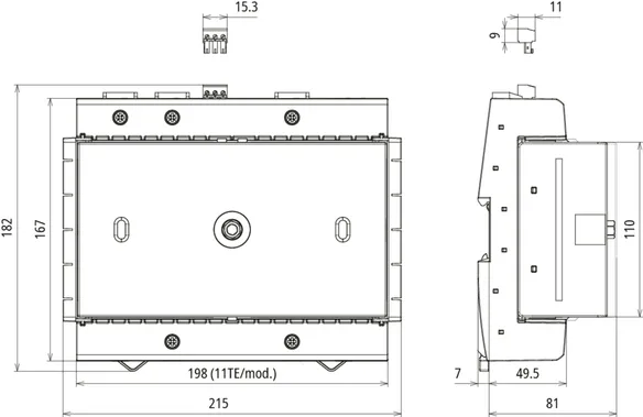
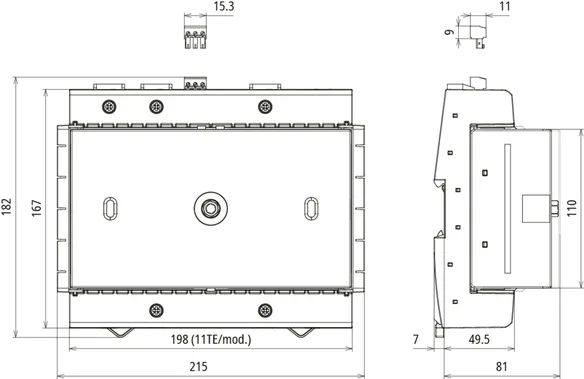
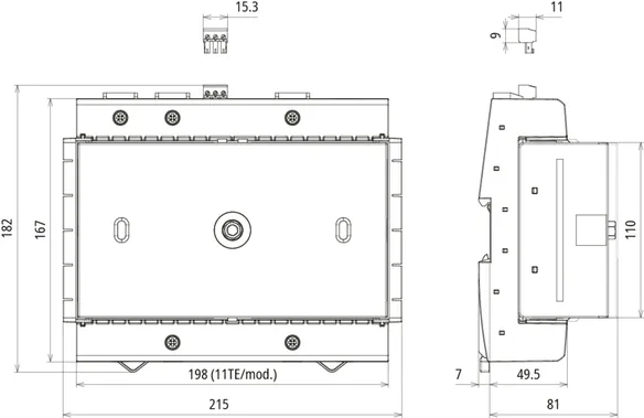
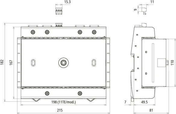
Detalles
:quality(98)/www.dehn.es/store/f/63208089/HDVORSCHAU/954315a0004.jpg)
:quality(98)/www.dehn.es/store/f/63208089/HDVORSCHAU/954315a0004.jpg)
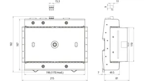
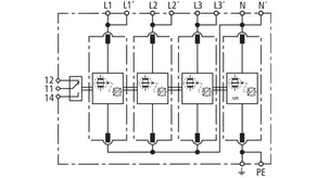
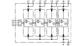
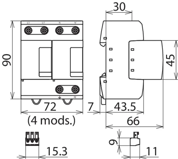
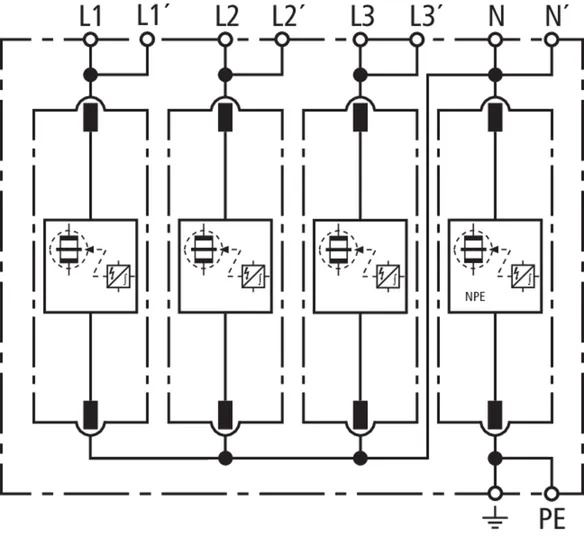
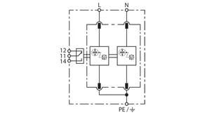
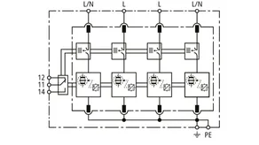
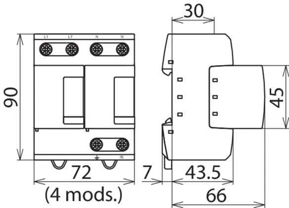
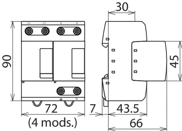
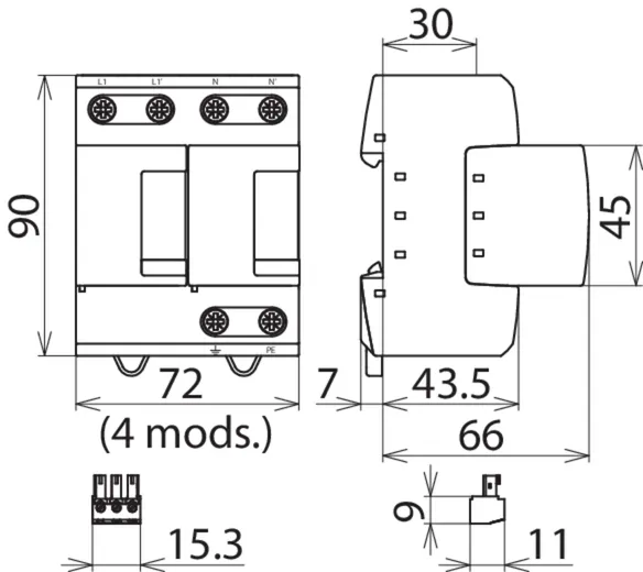
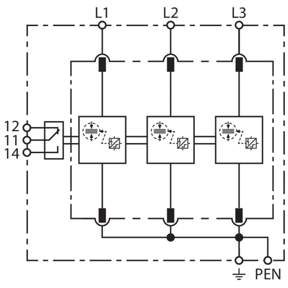
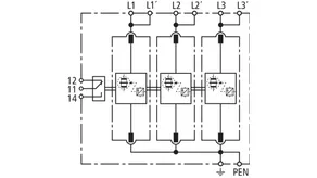
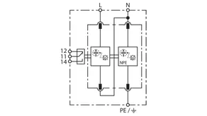
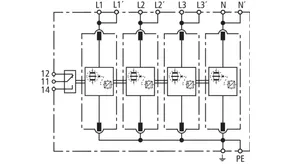
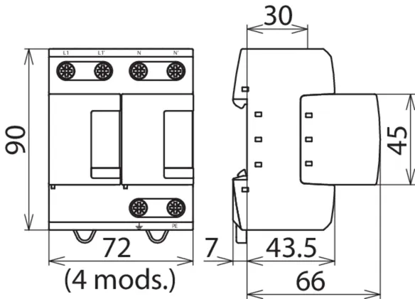
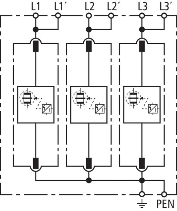
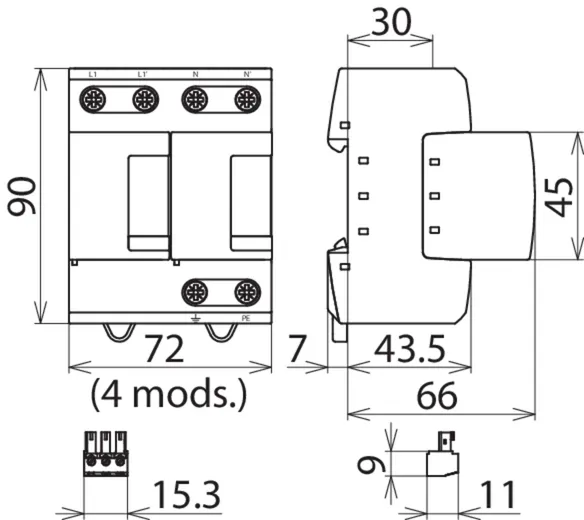
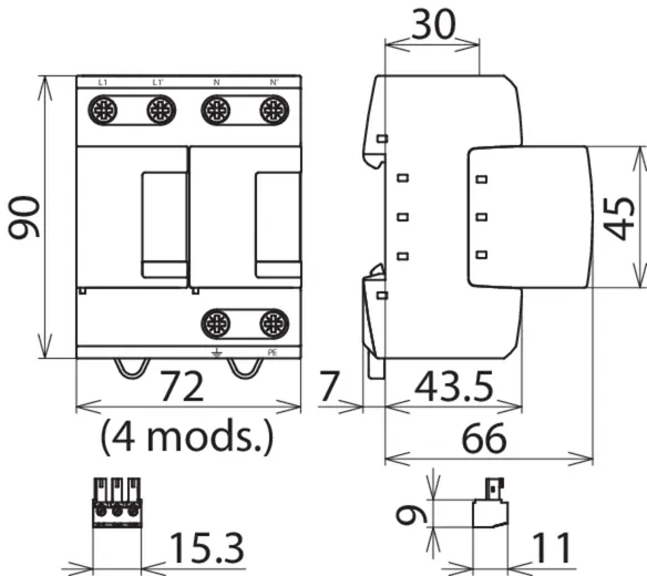
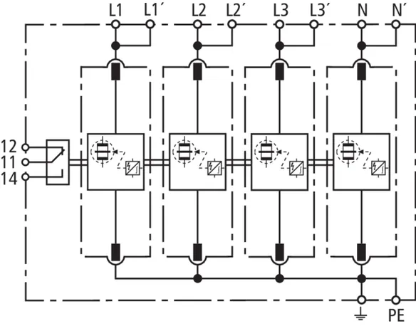
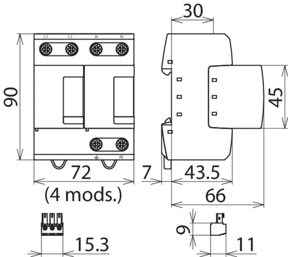
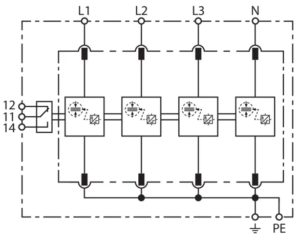
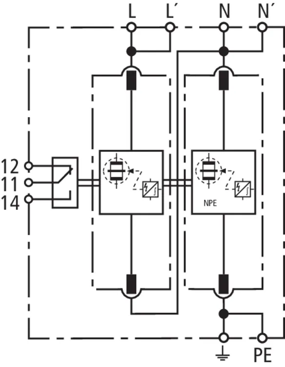
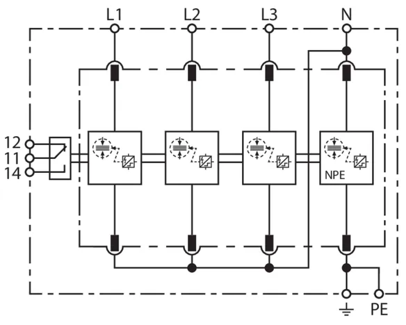
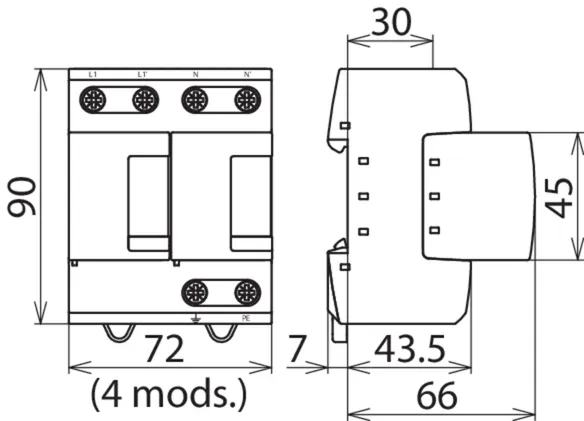
N.º art. 956305 DV M2 TNC 255 FM
GTIN 4013364510586, N.º de arancel aduanero (EU): 85363090, Peso bruto: 519.19 g, Empaquetado: 1.00 unidad(es)
PredecesorDatos técnicos
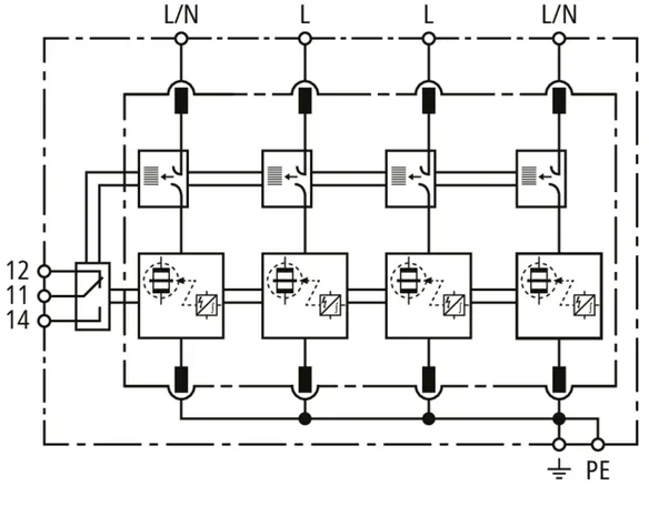
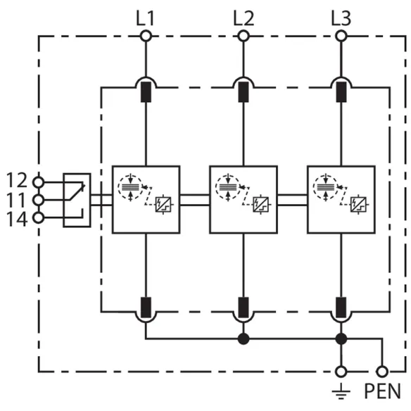
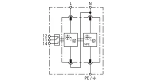
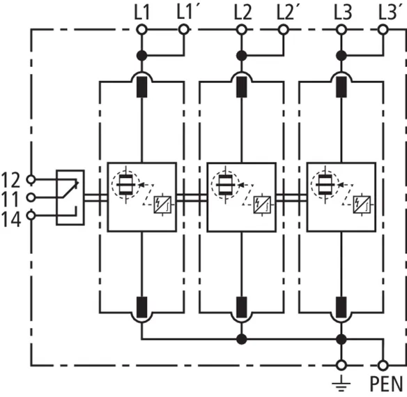
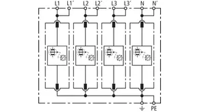
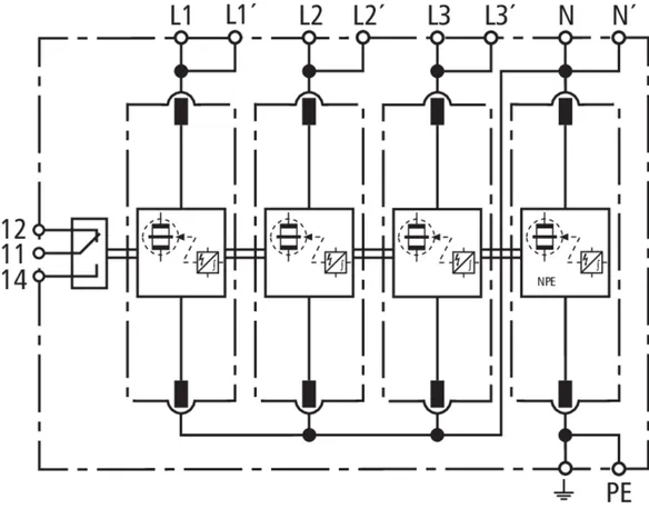
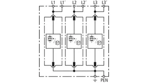
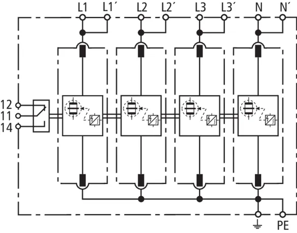
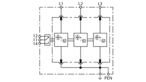
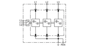
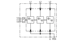
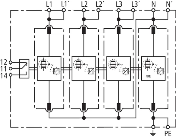
DPS según EN 61643-11 / ... IEC 61643-11 | Tipo 1 + Tipo 2 + Tipo 3 / Clase I + Clase II + Clase III |
Corriente de impulso de rayo total (10/350 µs) [L1+L2+L3-PEN] (Itotal ) | 75 kA |
Corriente de impulso de rayo (10/350 µs) [L-PEN] (Iimp ) | 25 kA |
Nivel de protección (UP ) | ≤ 1,5 kV |
Fusible previo máximo (L) hasta IK = 50 kAeff | 250 A gG |
Certificaciones | VDE, KEMA, UL |
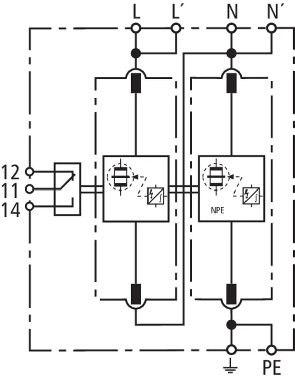
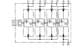
Contacto FM | sí/contacto conmutado |
Datos técnicos adicionales: | Uso en instalaciones de conmutación con corrientes prospectivas de cortocircuito superiores a 50 kAeff |
– Máx. corriente prospectiva de cortocircuito | 100 kAeff (220 kApeak) |
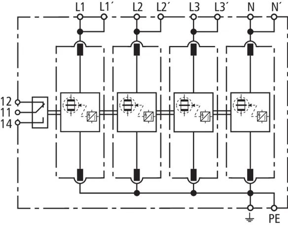
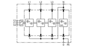
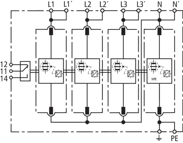
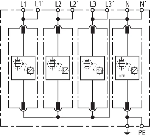
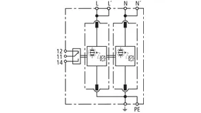
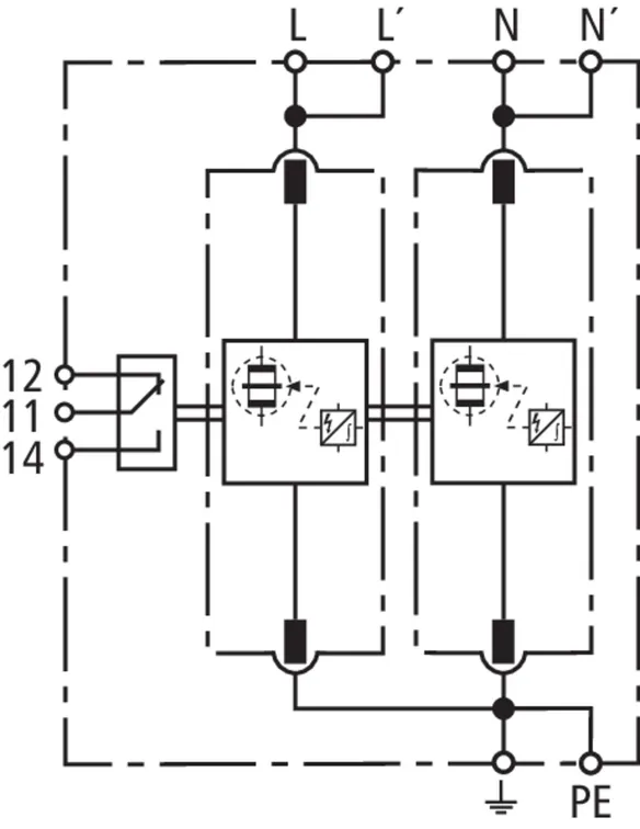
N.º art. 956405 DV M2 TNS 255 FM
GTIN 4013364510562, N.º de arancel aduanero (EU): 85363090, Peso bruto: 583.68 g, Empaquetado: 1.00 unidad(es)
PredecesorDatos técnicos
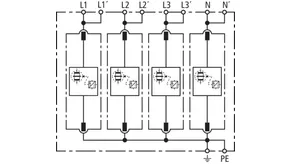
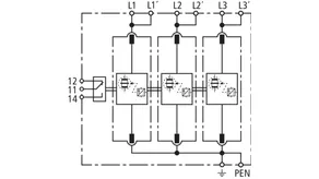
DPS según EN 61643-11 / ... IEC 61643-11 | Tipo 1 + Tipo 2 + Tipo 3 / Clase I + Clase II + Clase III |
Corriente de impulso de rayo total (10/350 µs) [L1+L2+L3+N-PE] (Itotal ) | 100 kA |
Corriente de impulso de rayo (10/350 µs) [L, N-PE] (Iimp ) | 25 kA |
Nivel de protección [L-PE]/[N-PE] (UP ) | ≤ 1,5 / ≤ 1,5 kV |
Fusible previo máximo (L) hasta IK = 50 kAeff | 250 A gG |
Certificaciones | VDE, KEMA, UL |
Contacto FM | sí / contacto conmutado |
Datos técnicos adicionales: | Uso en instalaciones de conmutación con corrientes prospectivas de cortocircuito superiores a 50 kAeff |
– Máx. corriente prospectiva de cortocircuito | 100 kAeff (220 kApeak) |
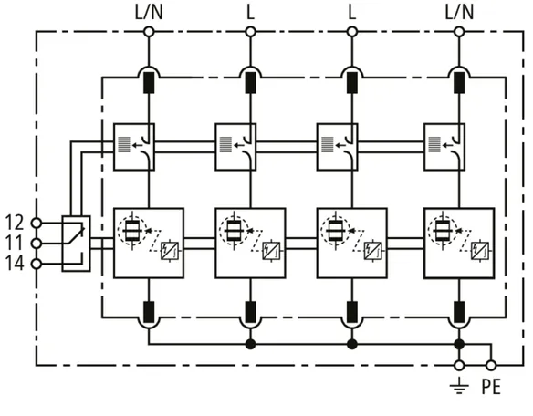
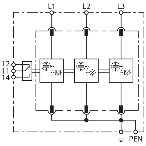
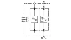
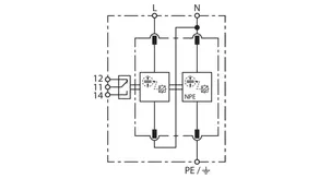
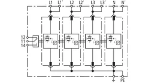
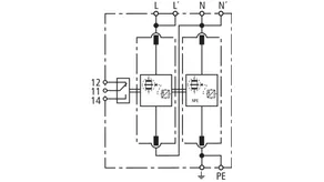
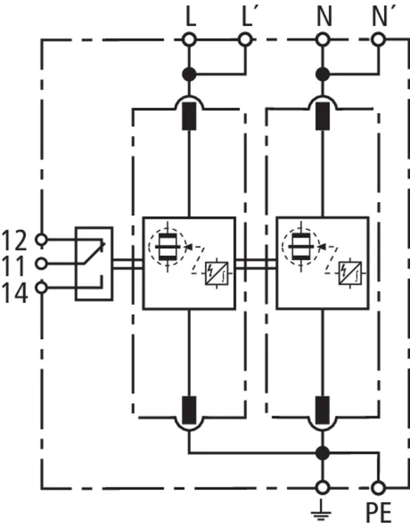
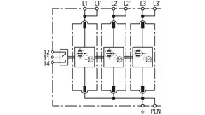
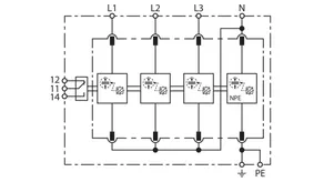
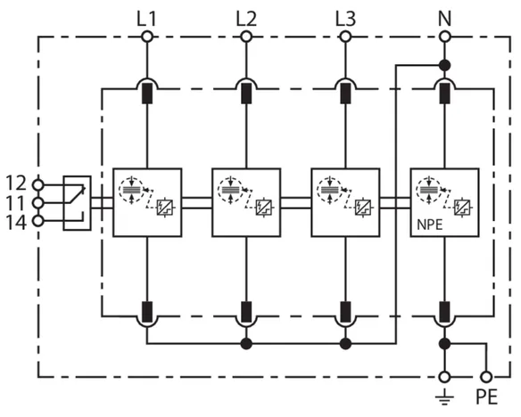
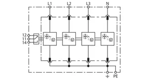
N.º art. 956315 DV M2 TT 255 FM
GTIN 4013364528963, N.º de arancel aduanero (EU): 85363090, Peso bruto: 616.00 g, Empaquetado: 1.00 unidad(es)
Datos técnicos
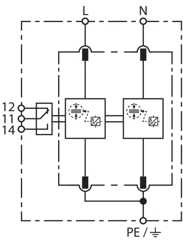
DPS según EN 61643-11 / ... IEC 61643-11 | Tipo 1 + Tipo 2 + Tipo 3 / Clase I + Clase II + Clase III |
Corriente de impulso de rayo total (10/350 µs) [L1+L2+L3+N-PE] (Itotal ) | 100 kA |
Corriente de impulso de rayo (10/350 µs) [L-N]/[N-PE] (Iimp ) | 25 / 100 kA |
Nivel de protección [L-N]/[N-PE] (UP ) | ≤ 1,5 / ≤ 1,5 kV |
Fusible previo máximo (L) hasta IK = 50 kAeff | 250 A gG |
Certificaciones | VDE, KEMA, UL |
Contacto FM | sí / contacto conmutado |
Datos técnicos adicionales: | Uso en instalaciones de conmutación con corrientes prospectivas de cortocircuito superiores a 50 kAeff |
– Máx. corriente prospectiva de cortocircuito | 100 kAeff (220 kApeak) |
Información adicional: | --------------------------------- |
– Nivel de protección [L-PE] (UP ) | 1,8 kV |
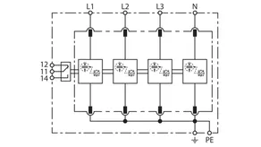
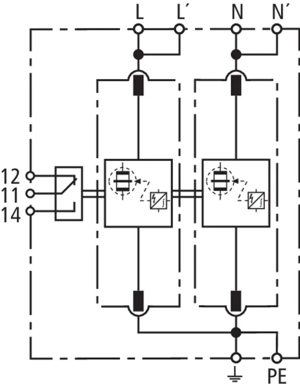
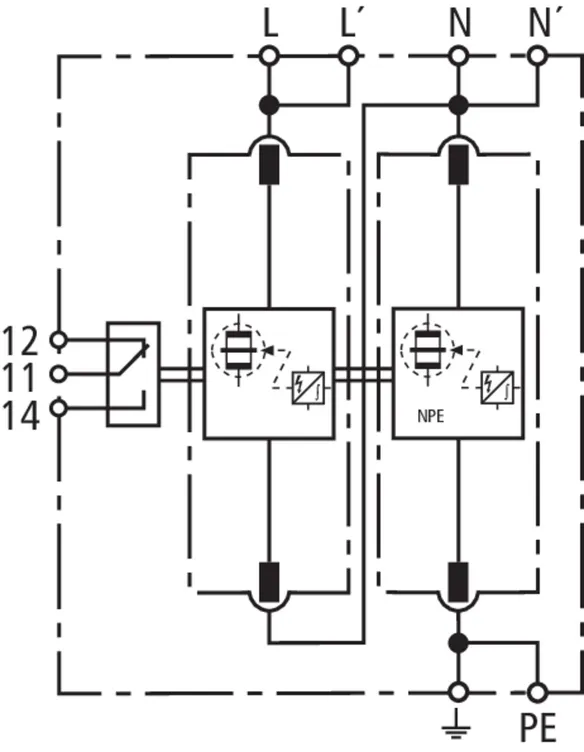
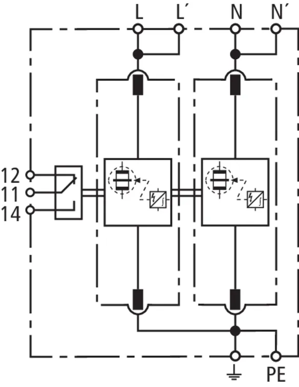
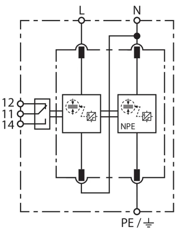
N.º art. 956205 DV M2 TN 255 FM
GTIN 4013364510579, N.º de arancel aduanero (EU): 85363090, Peso bruto: 311.29 g, Empaquetado: 1.00 unidad(es)
PredecesorDatos técnicos
DPS según EN 61643-11 / ... IEC 61643-11 | Tipo 1 + Tipo 2 + Tipo 3 / Clase I + Clase II + Clase III |
Corriente de impulso de rayo total (10/350 µs) [L+N-PE] (Itotal ) | 50 kA |
Corriente de impulso de rayo (10/350 µs) [L, N-PE] (Iimp ) | 25 kA |
Nivel de protección [L-PE]/[N-PE] (UP ) | ≤ 1,5 / ≤ 1,5 kV |
Fusible previo máximo (L) hasta IK = 50 kAeff | 250 A gG |
Certificaciones | VDE, KEMA, UL |
Contacto FM | sí / contacto conmutado |
Datos técnicos adicionales: | Uso en instalaciones de conmutación con corrientes prospectivas de cortocircuito superiores a 50 kAeff |
– Máx. corriente prospectiva de cortocircuito | 100 kAeff (220 kApeak) |
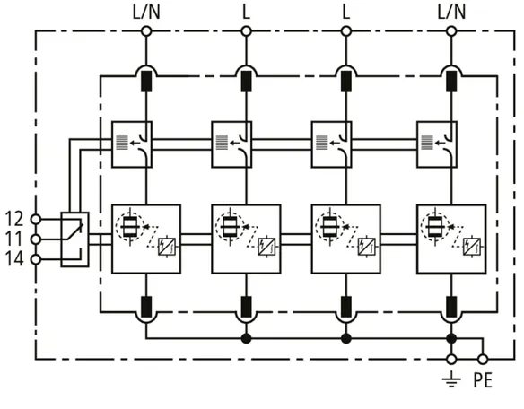
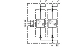
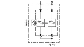
N.º art. 956115 DV M2 TT 2P 255 FM
GTIN 4013364546929, N.º de arancel aduanero (EU): 85363090, Peso bruto: 327.00 g, Empaquetado: 1.00 unidad(es)
Datos técnicos
DPS según EN 61643-11 / ... IEC 61643-11 | Tipo 1 + Tipo 2 + Tipo 3 / Clase I + Clase II + Clase III |
Corriente de impulso de rayo total (10/350 µs) [L+N-PE] (Itotal ) | 50 kA |
Corriente de impulso de rayo (10/350 µs) [L-N]/[N-PE] (Iimp ) | 25 / 50 kA |
Nivel de protección [L-N]/[N-PE] (UP ) | ≤ 1,5 / ≤ 1,5 kV |
Fusible previo máximo (L) hasta IK = 50 kAeff | 250 A gG |
Certificaciones | VDE, KEMA, UL |
Contacto FM | sí / contacto conmutado |
Datos técnicos adicionales: | Uso en instalaciones de conmutación con corrientes prospectivas de cortocircuito superiores a 50 kAeff |
– Máx. corriente prospectiva de cortocircuito | 100 kAeff (220 kApeak) |
Información adicional: | --------------------------------- |
– Nivel de protección [L-PE] (UP ) | 1,8 kV |
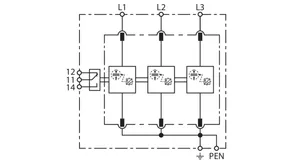
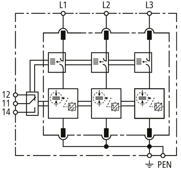
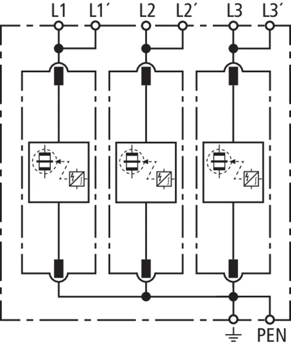
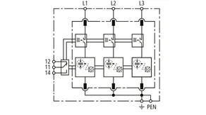
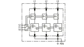
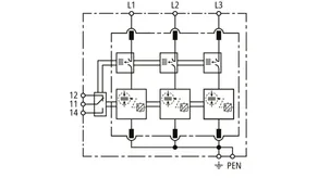
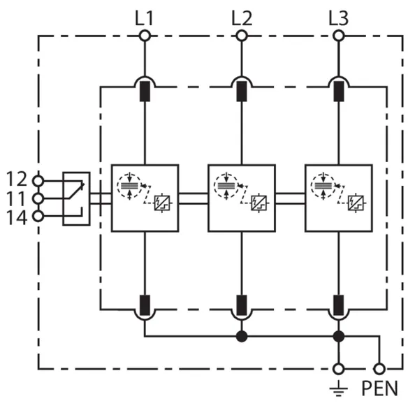
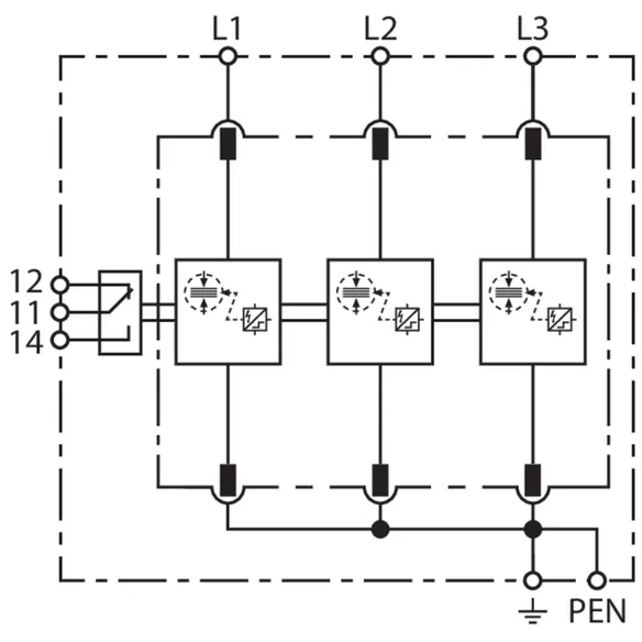
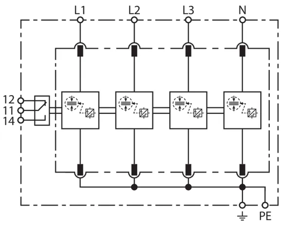
N.º art. 951300 DV M TNC 255
GTIN 4013364108134, N.º de arancel aduanero (EU): 85363090, Peso bruto: 1004.00 g, Empaquetado: 1.00 unidad(es)
PredecesorDatos técnicos
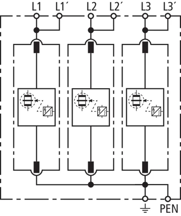
DPS según EN 61643-11 / ... IEC 61643-11 | Tipo 1 + Tipo 2 / Clase I + Clase II |
Corriente de impulso de rayo total (10/350 µs) [L1+L2+L3-PEN] (Itotal ) | 75 kA |
Corriente de impulso de rayo (10/350 µs) [L-PEN] (Iimp ) | 25 kA |
Nivel de protección (UP ) | ≤ 1.5 kV |
Fusible previo máximo (L) hasta IK = 50 kAeff | 315 A gG |
Certificaciones | KEMA, VDE, UL |
Datos técnicos adicionales: | Uso en instalaciones de conmutación con corrientes prospectivas de cortocircuito superiores a 50 kAeff |
– Máx. corriente prospectiva de cortocircuito | 100 kAeff (220 kApico) |
N.º art. 951305 DV M TNC 255 FM
GTIN 4013364108141, N.º de arancel aduanero (EU): 85363090, Peso bruto: 1020.00 g, Empaquetado: 1.00 unidad(es)
PredecesorDatos técnicos
DPS según EN 61643-11 / ... IEC 61643-11 | Tipo 1 + Tipo 2 / Clase I + Clase II |
Corriente de impulso de rayo total (10/350 µs) [L1+L2+L3-PEN] (Itotal ) | 75 kA |
Corriente de impulso de rayo (10/350 µs) [L-PEN] (Iimp ) | 25 kA |
Nivel de protección (UP ) | ≤ 1,5 kV |
Fusible previo máximo (L) hasta IK = 50 kAeff | 315 A gG |
Certificaciones | KEMA, VDE, UL |
Contacto FM | contacto libre de potencial |
Datos técnicos adicionales: | Uso en instalaciones de conmutación con corrientes prospectivas de cortocircuito superiores a 50 kAeff |
– Máx. corriente prospectiva de cortocircuito | 100 kAeff (220 kApico) |
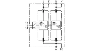
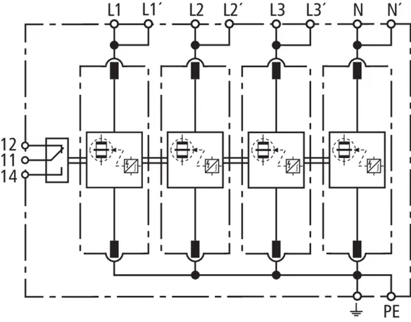
N.º art. 951400 DV M TNS 255
GTIN 4013364108158, N.º de arancel aduanero (EU): 85363090, Peso bruto: 1.40 kg, Empaquetado: 1.00 unidad(es)
PredecesorDatos técnicos
DPS según EN 61643-11 / ... IEC 61643-11 | Tipo 1 + Tipo 2 / Clase I + Clase II |
Corriente de impulso de rayo total (10/350 µs) [L1+L2+L3+N-PE] (Itotal ) | 100 kA |
Corriente de impulso de rayo (10/350 µs) [L, N-PE] (Iimp ) | 25 kA |
Nivel de protección [L-PE]/[N-PE] (UP ) | ≤ 1,5 / ≤ 1,5 kV |
Fusible previo máximo (L) hasta IK = 50 kAeff | 315 A gG |
Certificaciones | KEMA, VDE, UL |
Datos técnicos adicionales: | Uso en instalaciones de conmutación con corrientes prospectivas de cortocircuito superiores a 50 kAeff |
– Máx. corriente prospectiva de cortocircuito | 100 kAeff (220 kApico) |
N.º art. 951405 DV M TNS 255 FM
GTIN 4013364108165, N.º de arancel aduanero (EU): 85363090, Peso bruto: 1.40 kg, Empaquetado: 1.00 unidad(es)
PredecesorDatos técnicos
DPS según EN 61643-11 / ... IEC 61643-11 | Tipo 1 + Tipo 2 / Clase I + Clase II |
Corriente de impulso de rayo total (10/350 µs) [L1+L2+L3+N-PE] (Itotal ) | 100 kA |
Corriente de impulso de rayo (10/350 µs) [L, N-PE] (Iimp ) | 25 kA |
Nivel de protección [L-PE]/[N-PE] (UP ) | ≤ 1,5 / ≤ 1,5 kV |
Fusible previo máximo (L) hasta IK = 50 kAeff | 315 A gG |
Certificaciones | KEMA, VDE, UL |
Contacto FM | contacto libre de potencial |
Datos técnicos adicionales: | Uso en instalaciones de conmutación con corrientes prospectivas de cortocircuito superiores a 50 kAeff |
– Máx. corriente prospectiva de cortocircuito | 100 kAeff (220 kApico) |
N.º art. 951310 DV M TT 255
GTIN 4013364108172, N.º de arancel aduanero (EU): 85363090, Peso bruto: 1.31 kg, Empaquetado: 1.00 unidad(es)
PredecesorDatos técnicos
DPS según EN 61643-11 / ... IEC 61643-11 | Tipo 1 + Tipo 2 / Clase I + Clase II |
Corriente de impulso de rayo total (10/350 µs) [L1+L2+L3+N-PE] (Itotal ) | 100 kA |
Corriente de impulso de rayo (10/350 µs) [L-N]/[N-PE] (Iimp ) | 25 / 100 kA |
Nivel de protección [L-N]/[N-PE] (UP ) | ≤ 1,5 / ≤ 1,5 kV |
Fusible previo máximo (L) hasta IK = 50 kAeff | 315 A gG |
Certificaciones | KEMA, VDE, UL |
Datos técnicos adicionales: | Uso en instalaciones de conmutación con corrientes prospectivas de cortocircuito superiores a 50 kAeff |
– Máx. corriente prospectiva de cortocircuito | 100 kAeff (220 kApico) |
Información adicional: | --------------------------------- |
– Nivel de protección [L-PE] (UP ) | 2,2 kV |
N.º art. 951315 DV M TT 255 FM
GTIN 4013364108189, N.º de arancel aduanero (EU): 85363090, Peso bruto: 1.32 kg, Empaquetado: 1.00 unidad(es)
PredecesorDatos técnicos
DPS según EN 61643-11 / ... IEC 61643-11 | Tipo 1 + Tipo 2 / Clase I + Clase II |
Corriente de impulso de rayo total (10/350 µs) [L1+L2+L3+N-PE] (Itotal ) | 100 kA |
Corriente de impulso de rayo (10/350 µs) [L-N]/[N-PE] (Iimp ) | 25 / 100 kA |
Nivel de protección [L-N]/[N-PE] (UP ) | ≤ 1,5 / ≤ 1,5 kV |
Fusible previo máximo (L) hasta IK = 50 kAeff | 315 A gG |
Certificaciones | KEMA, VDE, UL |
Contacto FM | contacto libre de potencial |
Datos técnicos adicionales: | Uso en instalaciones de conmutación con corrientes prospectivas de cortocircuito superiores a 50 kAeff |
– Máx. corriente prospectiva de cortocircuito | 100 kAeff (220 kApico) |
Información adicional: | --------------------------------- |
– Nivel de protección [L-PE] (UP ) | 2,2 kV |
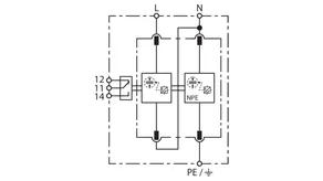
N.º art. 951200 DV M TN 255
GTIN 4013364108097, N.º de arancel aduanero (EU): 85363090, Peso bruto: 754.00 g, Empaquetado: 1.00 unidad(es)
PredecesorDatos técnicos
DPS según EN 61643-11 / ... IEC 61643-11 | Tipo 1 + Tipo 2 / Clase I + Clase II |
Corriente de impulso de rayo total (10/350 µs) [L+N-PE] (Itotal ) | 50 kA |
Corriente de impulso de rayo (10/350 µs) [L, N-PE] (Iimp ) | 25 kA |
Nivel de protección [L-PE]/[N-PE] (UP ) | ≤ 1,5 / ≤ 1,5 kV |
Fusible previo máximo (L) hasta IK = 50 kAeff | 315 A gG |
Certificaciones | KEMA, VDE, UL |
Datos técnicos adicionales: | Uso en instalaciones de conmutación con corrientes prospectivas de cortocircuito superiores a 50 kAeff |
– Máx. corriente prospectiva de cortocircuito | 100 kAeff (220 kApico) |
N.º art. 951205 DV M TN 255 FM
GTIN 4013364108103, N.º de arancel aduanero (EU): 85363090, Peso bruto: 698.50 g, Empaquetado: 1.00 unidad(es)
PredecesorDatos técnicos
DPS según EN 61643-11 / ... IEC 61643-11 | Tipo 1 + Tipo 2 / Clase I + Clase II |
Corriente de impulso de rayo total (10/350 µs) [L+N-PE] (Itotal ) | 50 kA |
Corriente de impulso de rayo (10/350 µs) [L, N-PE] (Iimp ) | 25 kA |
Nivel de protección [L-PE]/[N-PE] (UP ) | ≤ 1,5 / ≤ 1,5 kV |
Fusible previo máximo (L) hasta IK = 50 kAeff | 315 A gG |
Certificaciones | KEMA, VDE, UL |
Contacto FM | contacto libre de potencial |
Datos técnicos adicionales: | Uso en instalaciones de conmutación con corrientes prospectivas de cortocircuito superiores a 50 kAeff |
– Máx. corriente prospectiva de cortocircuito | 100 kAeff (220 kApico) |
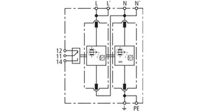
N.º art. 951110 DV M TT 2P 255
GTIN 4013364108110, N.º de arancel aduanero (EU): 85363090, Peso bruto: 688.59 g, Empaquetado: 1.00 unidad(es)
PredecesorDatos técnicos
DPS según EN 61643-11 / ... IEC 61643-11 | Tipo 1 + Tipo 2 / Clase I + Clase II |
Corriente de impulso de rayo total (10/350 µs) [L+N-PE] (Itotal ) | 50 kA |
Corriente de impulso de rayo (10/350 µs) [L-N]/[N-PE] (Iimp ) | 25 / 50 kA |
Nivel de protección [L-N]/[N-PE] (UP ) | ≤ 1.5 / ≤ 1.5 kV |
Fusible previo máximo (L) hasta IK = 50 kAeff | 315 A gG |
Certificaciones | KEMA, VDE, UL |
Datos técnicos adicionales: | Uso en instalaciones de conmutación con corrientes prospectivas de cortocircuito superiores a 50 kAeff |
– Máx. corriente prospectiva de cortocircuito | 100 kAeff (220 kApico) |
Información adicional: | --------------------------------- |
– Nivel de protección [L-PE] (UP ) | 2,2 kV |
N.º art. 951115 DV M TT 2P 255 FM
GTIN 4013364108127, N.º de arancel aduanero (EU): 85363090, Peso bruto: 694.38 g, Empaquetado: 1.00 unidad(es)
PredecesorDatos técnicos
DPS según EN 61643-11 / ... IEC 61643-11 | Tipo 1 + Tipo 2 / Clase I + Clase II |
Corriente de impulso de rayo total (10/350 µs) [L+N-PE] (Itotal ) | 50 kA |
Corriente de impulso de rayo (10/350 µs) [L-N]/[N-PE] (Iimp ) | 25 / 50 kA |
Nivel de protección [L-N]/[N-PE] (UP ) | ≤ 1,5 / ≤ 1,5 kV |
Fusible previo máximo (L) hasta IK = 50 kAeff | 315 A gG |
Certificaciones | KEMA, VDE, UL |
Contacto FM | contacto libre de potencial |
Datos técnicos adicionales: | Uso en instalaciones de conmutación con corrientes prospectivas de cortocircuito superiores a 50 kAeff |
– Máx. corriente prospectiva de cortocircuito | 100 kAeff (220 kApico) |
Información adicional: | --------------------------------- |
– Nivel de protección [L-PE] (UP ) | 2,2 kV |
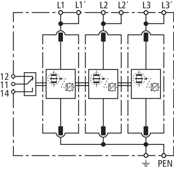
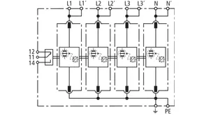
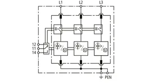
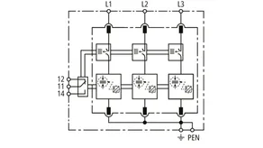
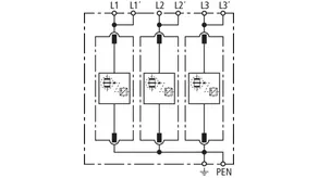
N.º art. 961305 DV ACI M TNC 264 FM
GTIN 4013364513440, N.º de arancel aduanero (EU): 85363090, Peso bruto: 2.42 kg, Empaquetado: 1.00 unidad(es)
Datos técnicos
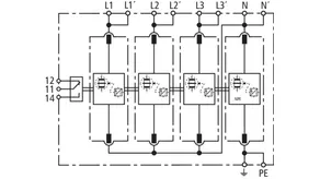
DPS según EN 61673-11 / IEC 61643-11 | Tipo 1 + Tipo 2 + Tipo 3 / Clase I + Clase II + Clase III |
Corriente de impulso de rayo total (10/350 µs) [L1+L2+L3-PEN] (Itotal ) | 75 kA |
Corriente de impulso de rayo (10/350 µs) [L-PEN] (Iimp ) | 25 kA |
Nivel de protección (UP ) | ≤ 1,5 kV |
Datos técnicos adicionales: | Uso en instalaciones de conmutación con corrientes prospectivas de cortocircuito superiores a 50 kAeff |
– Máx. corriente prospectiva de cortocircuito | 100 kAeff (220 kApeak) |
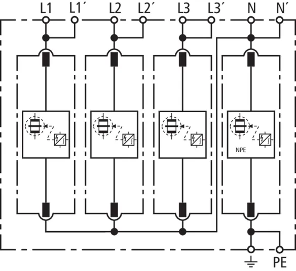
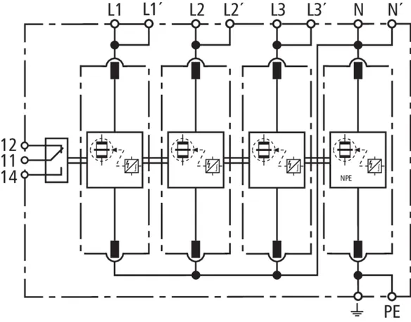
N.º art. 961405 DV ACI M TNS 264 FM
GTIN 4013364513365, N.º de arancel aduanero (EU): 85363090, Peso bruto: 2.42 kg, Empaquetado: 1.00 unidad(es)
Datos técnicos
DPS según EN 61673-11 / IEC 61643-11 | Tipo 1 + Tipo 2 + Tipo 3 / Clase I + Clase II + Clase III |
Corriente de impulso de rayo total (10/350 µs) [L1+L2+L3+N-PE] (Itotal ) | 100 kA |
Corriente de impulso de rayo (10/350 µs) [L, N-PE] (Iimp ) | 25 kA |
Nivel de protección [L-PE]/[N-PE] (UP ) | ≤ 1,5 kV |
Datos técnicos adicionales: | Uso en instalaciones de conmutación con corrientes prospectivas de cortocircuito superiores a 50 kAeff |
– Máx. corriente prospectiva de cortocircuito | 100 kAeff (220 kApeak) |
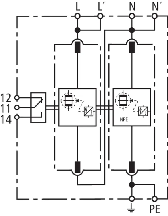
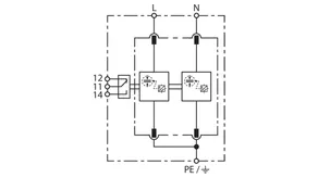
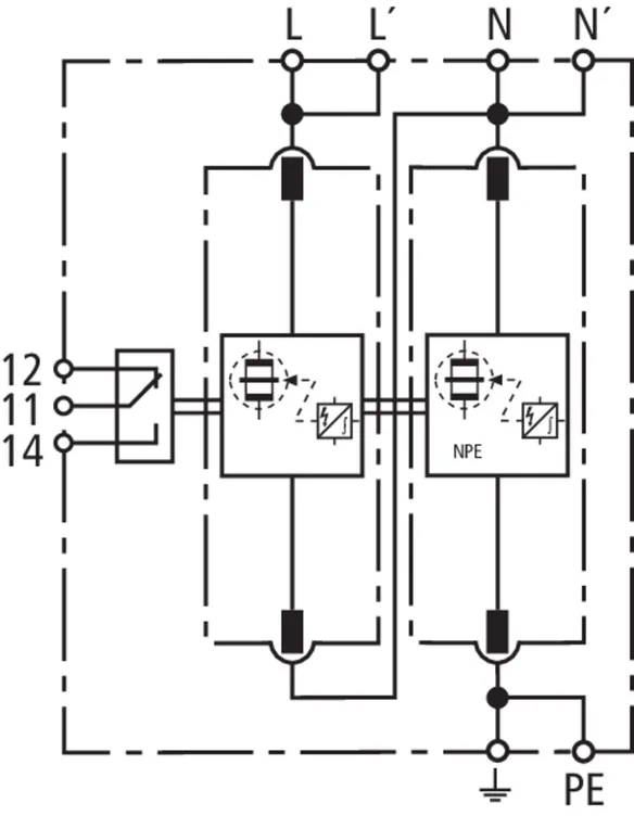
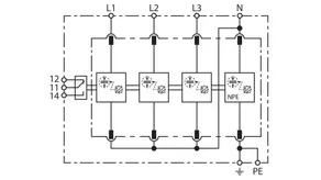
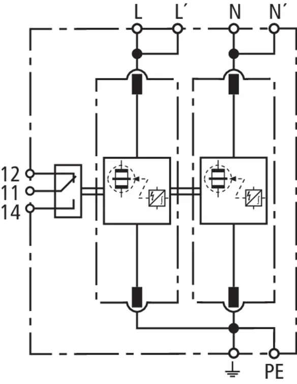
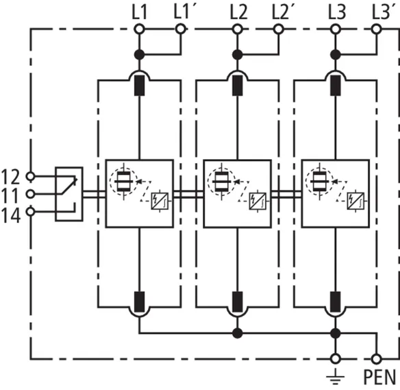
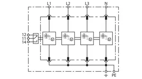
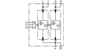
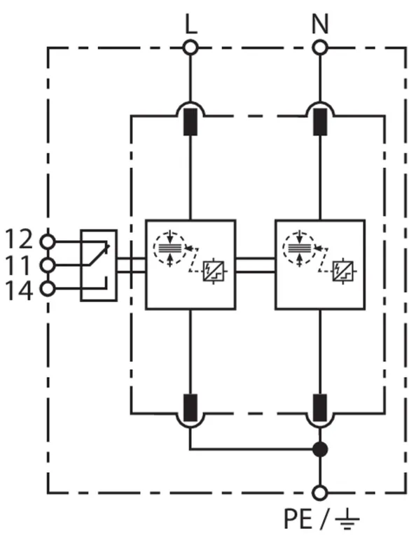
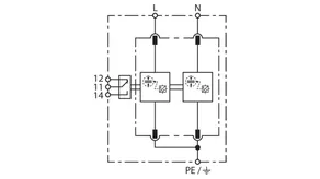
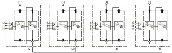
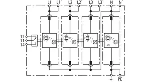
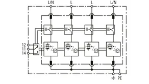
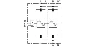
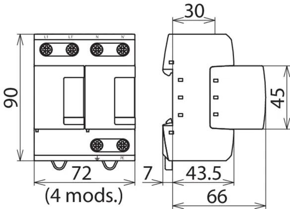
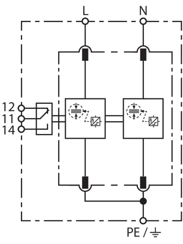
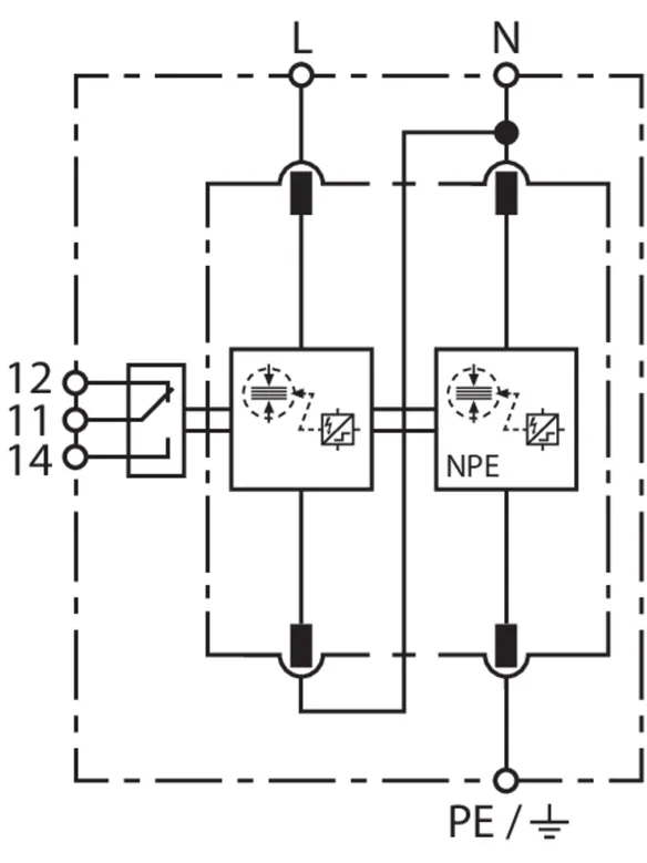
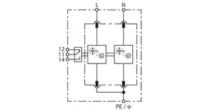
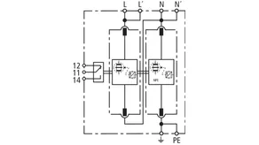
DEHNventil M2 880 FM
Kit compuesto por descargadores de corrientes de rayo y sobretensiones con raíl aislado de cableado de módulos para su uso en sistemas de inversor con anti PID activo con un desplazamiento de CC máximo de 750 V CC. Cableado de los sistemas de puesta a tierra de conformidad con la norma IEC 60364-4-44, tabla 44.A1 - RE y Z así como RE y RA conectados.
1 Producto
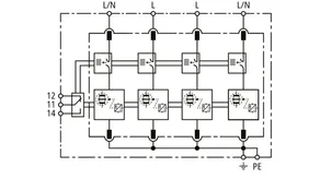
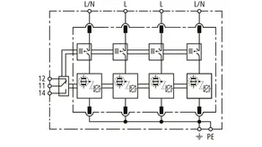
N.º art. 961151 DV M2 880 FM
GTIN 4013364532557, N.º de arancel aduanero (EU): 85363090, Peso bruto: 1.07 kg, Empaquetado: 1.00 unidad(es)
Datos técnicos
DPS según EN 61643-11 / ... IEC 61643-11 | Tipo 1 + Tipo 2 / Clase I + Clase II |
Corriente de choque de rayo (10/350 µs) [1,2-3] (Iimp ) | 12,5 kA |
Fusible previo máximo (L) hasta IK = 50 kAeff | 160 A gG |
Contacto FM | Sí / contacto conmutado |
Información adicional: | --------------------------------- |
– Tensión anti PID (U1-3 + UPID ) | 508 VCA + 750 VCC – Resistencia |