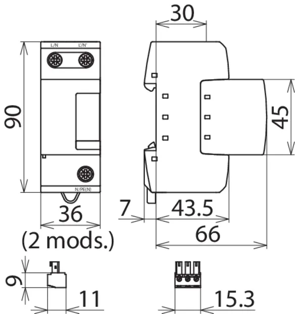
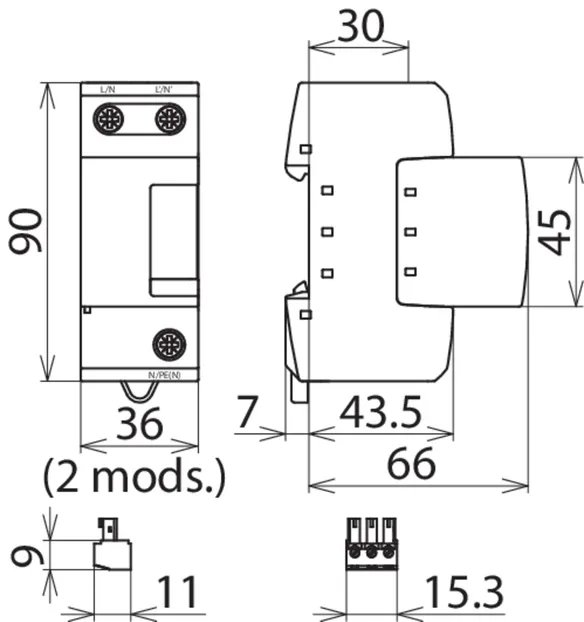
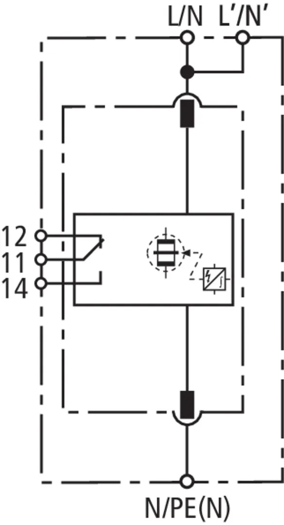
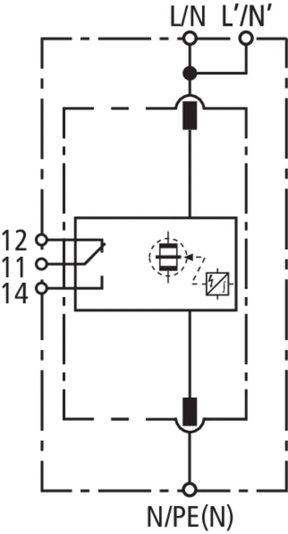
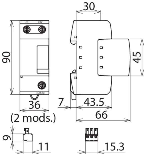
DEHNbloc modular
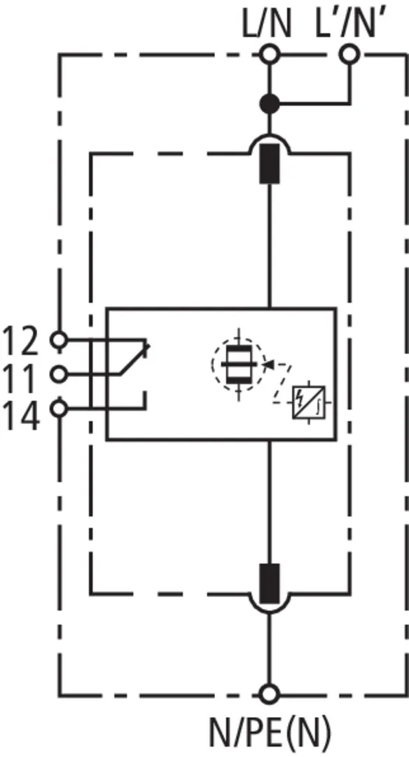
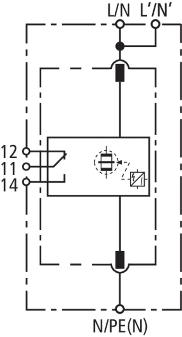
- Descargador coordinado de corriente de rayo, sobre la base de vías de chispas, compuesto por etapa de base y módulo de protección enchufable
- Máxima disponibilidad de la instalación gracias a la utilización de la tecnología RADAX FLOW que proporciona una alta limitación de corrientes consecutivas de red
- Selectivo con fusibles de 35 A gG, para corrientes de cortocircuito hasta 50 kAeff
- Capacidad de derivación hasta 50 kA (10/350 µs)
- Coordinado directamente con el descargador de protección contra sobretensiones DEHNguard, sin longitud de cableado adicional
- Bajo nivel de protección
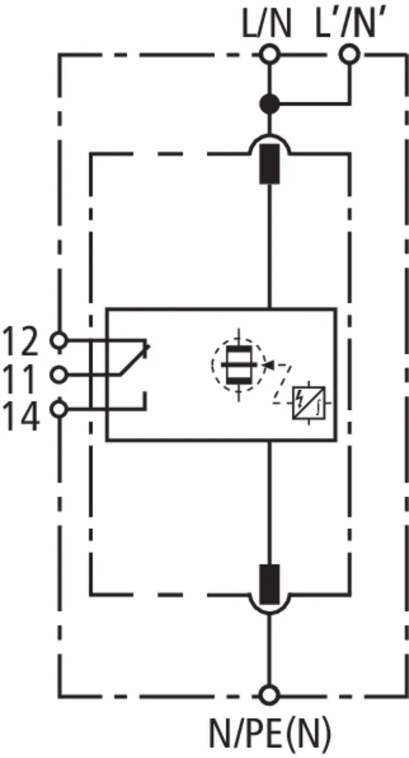
- Indicación de servicio mediante señal verde-roja en la ventanilla de inspección
- Sustitución sencilla, sin necesidad de herramientas, del módulo de protección, gracias a su tecla de desbloqueo
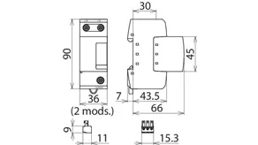
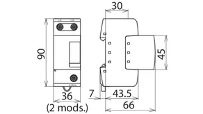
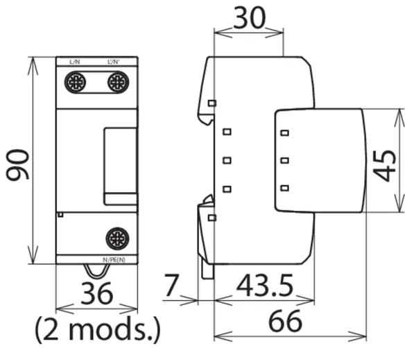
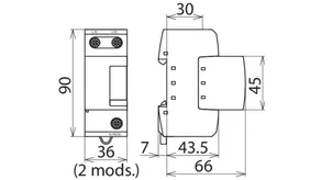
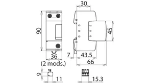
Detalles
N.º art. 961110 DB M 1 150
GTIN 4013364118560, N.º de arancel aduanero (EU): 85363090, Peso bruto: 333.40 g, Empaquetado: 1.00 unidad(es)
PredecesorDatos técnicos
| DPS según EN 61643-11 / ... IEC 61643-11 | Tipo 1 + Clase I |
| Máxima tensión permisible de servicio AC (UC ) | 150 V (50 / 60 Hz) |
| Corriente de choque de rayo (10/350 μs) (Iimp ) | 35 kA |
| Nivel de protección (UP ) | ≤ 1,5 kV |
| Fusible previo máx. (L) hasta IK = 35 kAeff (ta ≤ 0,2 s) | 500 A gG |
| Fusible previo máx. (L) hasta IK = 35 kAeff (ta ≤ 5 s) | 315 A gG |
| Certificaciones | UL, CSA |
N.º art. 961120 DB M 1 255
GTIN 4013364118614, N.º de arancel aduanero (EU): 85363090, Peso bruto: 355.80 g, Empaquetado: 1.00 unidad(es)
PredecesorDatos técnicos
| DPS según EN 61643-11 / ... IEC 61643-11 | Tipo 1 / Clase I |
| Máxima tensión permisible de servicio AC (UC ) | 255 V (50 / 60 Hz) |
| Corriente de choque de rayo (10/350 μs) (Iimp ) | 50 kA |
| Nivel de protección (UP ) | ≤ 2,5 kV |
| Fusible previo máx. (L) hasta IK = 50 kAeff (ta ≤ 0.2 s) | 500 A gG |
| Fusible previo máx. (L) hasta IK = 50 kAeff (ta ≤ 5 s) | 315 A gG |
| Certificaciones | VDE, KEMA, UL |
N.º art. 961130 DB M 1 320
GTIN 4013364118638, N.º de arancel aduanero (EU): 85363090, Peso bruto: 341.00 g, Empaquetado: 1.00 unidad(es)
PredecesorDatos técnicos
| DPS según EN 61643-11 / ... IEC 61643-11 | Tipo 1 + Clase I |
| Máxima tensión permisible de servicio AC (UC ) | 320 V (50 / 60 Hz) |
| Corriente de choque de rayo (10/350 μs) (Iimp ) | 25 kA |
| Nivel de protección (UP ) | ≤ 2,5 kV |
| Fusible previo máx. (L) hasta IK = 50 kAeff (ta ≤ 0.2 s) | 315 A gG |
| Fusible previo máx. (L) hasta IK = 50 kAeff (ta ≤ 5 s) | 315 A gG |
| Certificaciones | UL |
N.º art. 961115 DB M 1 150 FM
GTIN 4013364118577, N.º de arancel aduanero (EU): 85363090, Peso bruto: 337.30 g, Empaquetado: 1.00 unidad(es)
PredecesorDatos técnicos
| DPS según EN 61643-11 / ... IEC 61643-11 | Tipo 1 / Clase I |
| Máxima tensión permisible de servicio AC (UC ) | 150 V (50 / 60 Hz) |
| Corriente de choque de rayo (10/350 μs) (Iimp ) | 35 kA |
| Nivel de protección (UP ) | ≤ 1,5 kV |
| Fusible previo máx. (L) hasta IK = 35 kAeff (ta ≤ 0,2 s) | 500 A gG |
| Fusible previo máx. (L) hasta IK = 35 kAeff (ta ≤ 5 s) | 315 A gG |
| Certificaciones | UL, CSA |
N.º art. 961125 DB M 1 255 FM
GTIN 4013364118621, N.º de arancel aduanero (EU): 85363090, Peso bruto: 359.30 g, Empaquetado: 1.00 unidad(es)
PredecesorDatos técnicos
| DPS según EN 61643-11 / ... IEC 61643-11 | Tipo 1 / Clase I |
| Máxima tensión permisible de servicio AC (UC ) | 255 V (50 / 60 Hz) |
| Corriente de choque de rayo (10/350 μs) (Iimp ) | 50 kA |
| Nivel de protección (UP ) | ≤ 2,5 kV |
| Fusible previo máx. (L) hasta IK = 50 kAeff (ta ≤ 0.2 s) | 500 A gG |
| Fusible previo máx. (L) hasta IK = 50 kAeff (ta ≤ 5 s) | 315 A gG |
| Certificaciones | VDE, KEMA, UL |
N.º art. 961135 DB M 1 320 FM
GTIN 4013364118645, N.º de arancel aduanero (EU): 85363090, Peso bruto: 346.00 g, Empaquetado: 1.00 unidad(es)
PredecesorDatos técnicos
| DPS según EN 61643-11 / ... IEC 61643-11 | Tipo 1 / Clase I |
| Máxima tensión permisible de servicio AC (UC ) | 320 V (50 / 60 Hz) |
| Corriente de choque de rayo (10/350 μs) (Iimp ) | 25 kA |
| Nivel de protección (UP ) | ≤ 2,5 kV |
| Fusible previo máx. (L) hasta IK = 50 kAeff (ta ≤ 0.2 s) | 315 A gG |
| Fusible previo máx. (L) hasta IK = 50 kAeff (ta ≤ 5 s) | 315 A gG |
| Certificaciones | UL |
