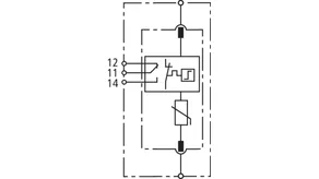
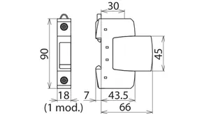
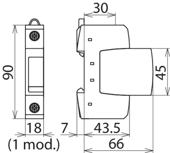
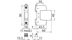
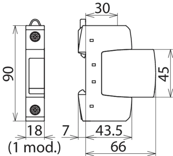
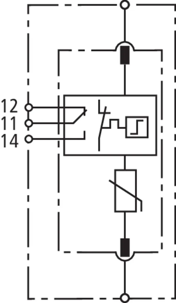
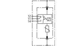
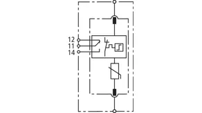
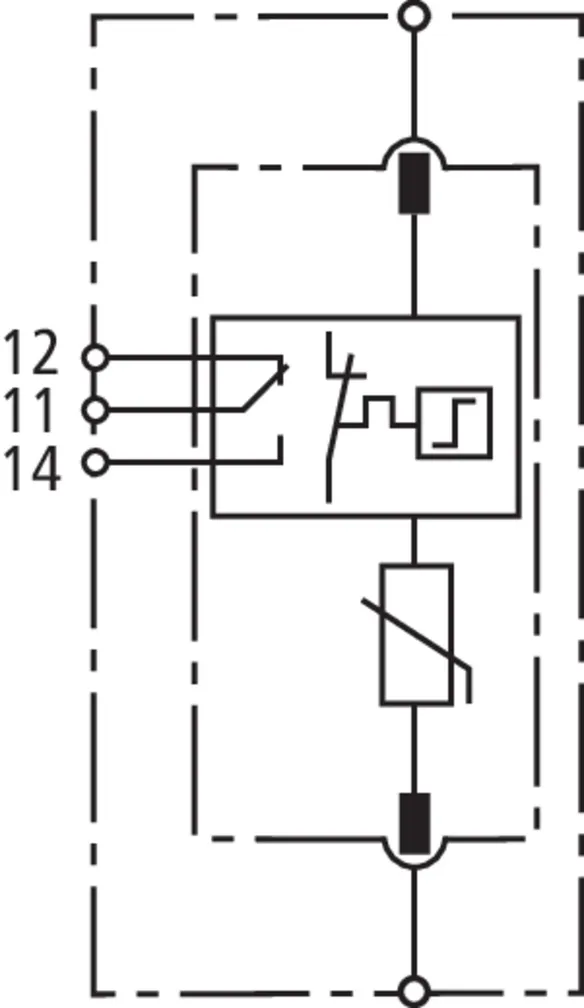
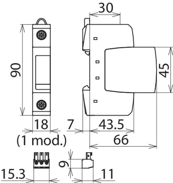
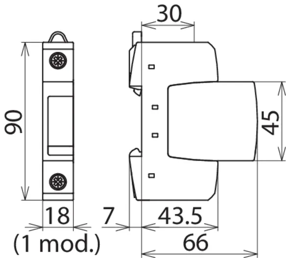
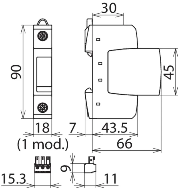
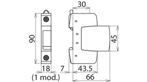
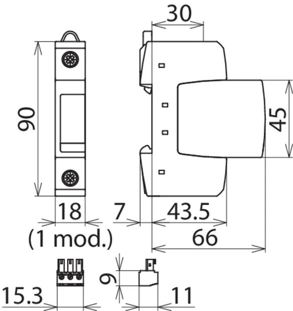
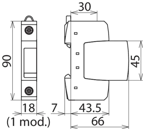
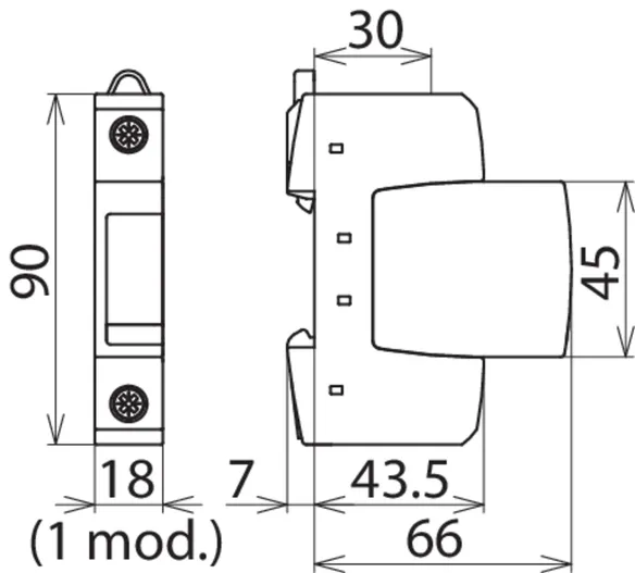
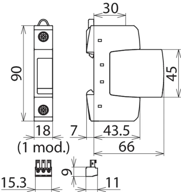
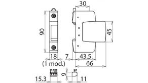
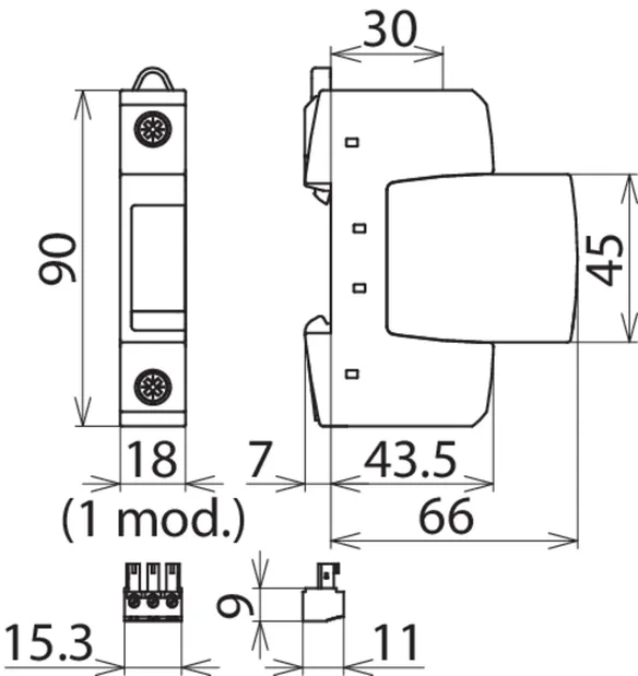
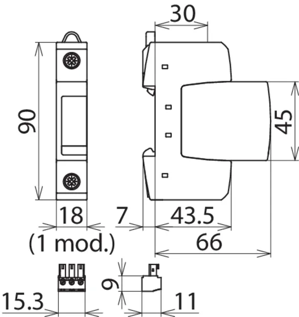
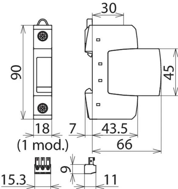
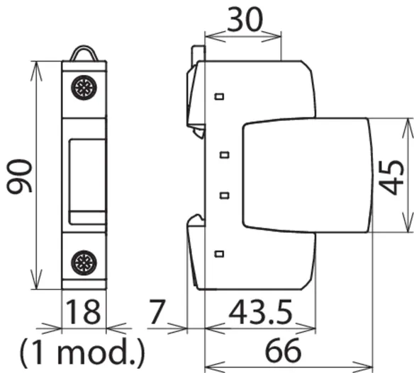
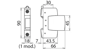
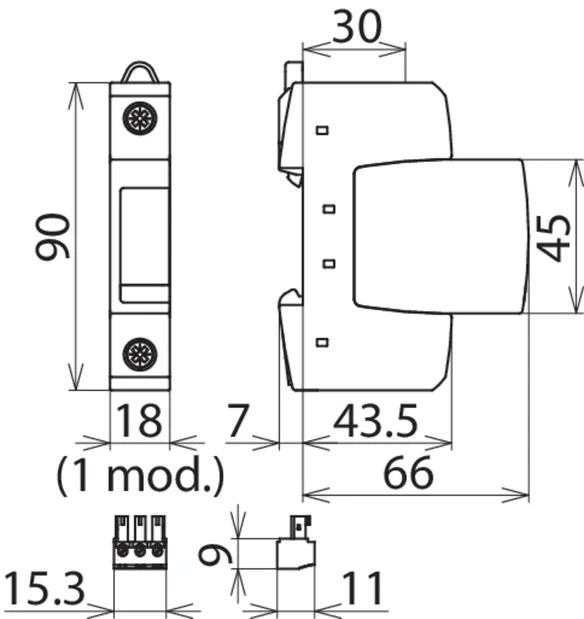
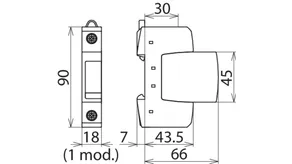
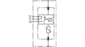
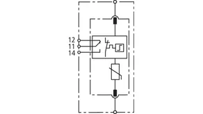
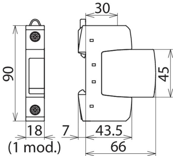
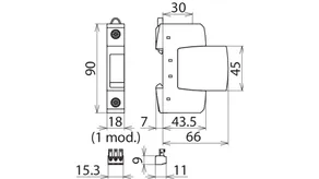
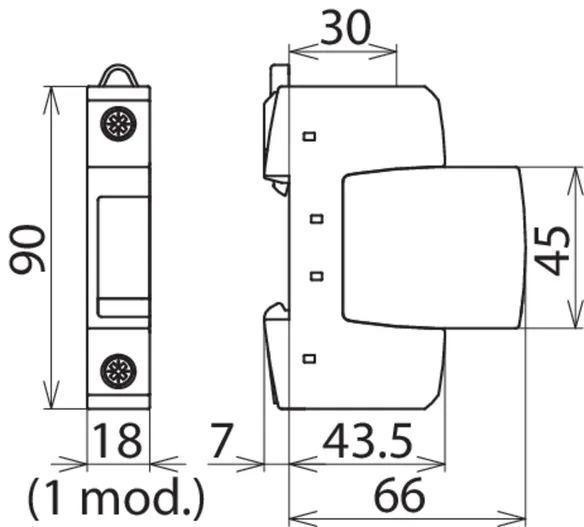
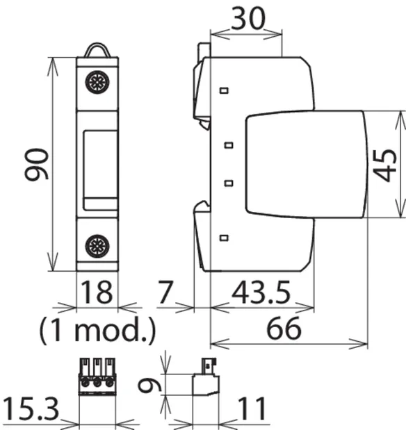
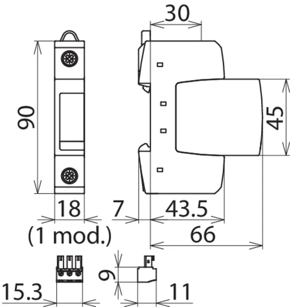
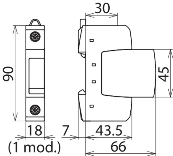
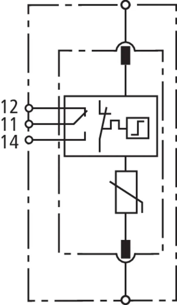
DEHNguard S

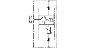
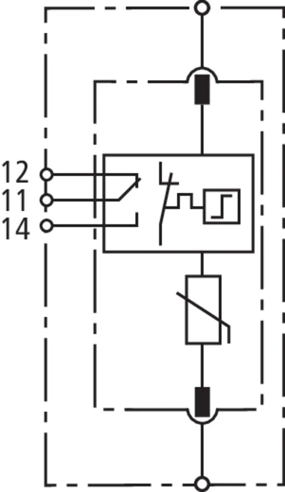
  • Descargador modular de sobretensiones de aplicación universal compuesto por etapa de base y módulo de protección enchufable
  • Elevada capacidad de derivación gracias a los varistores de óxido de zinc de gran potencia
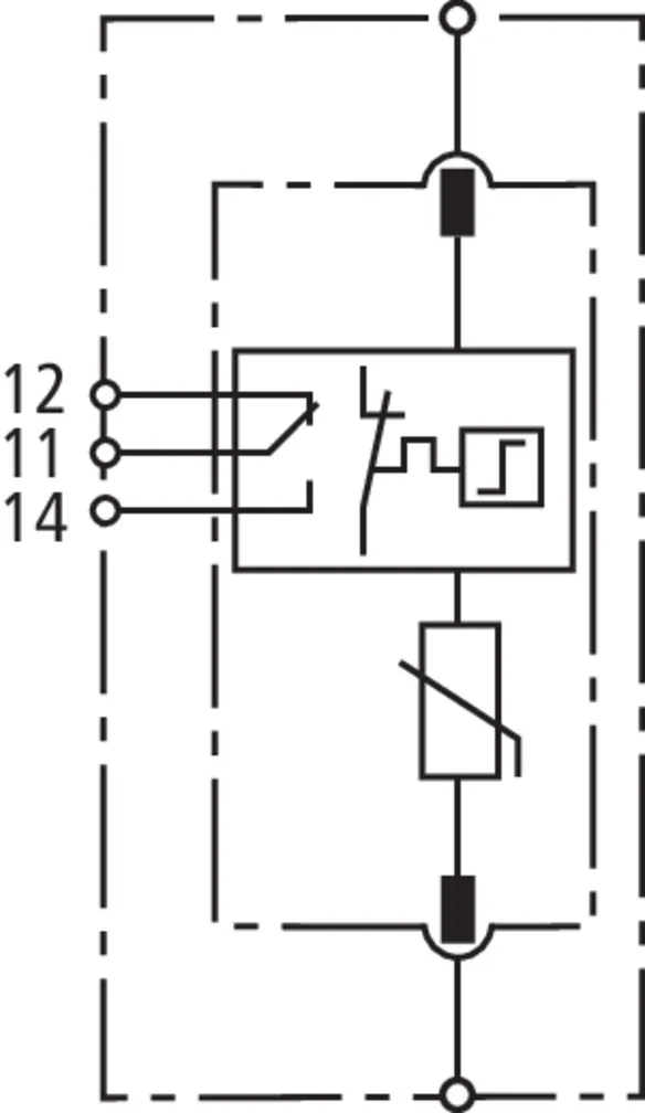
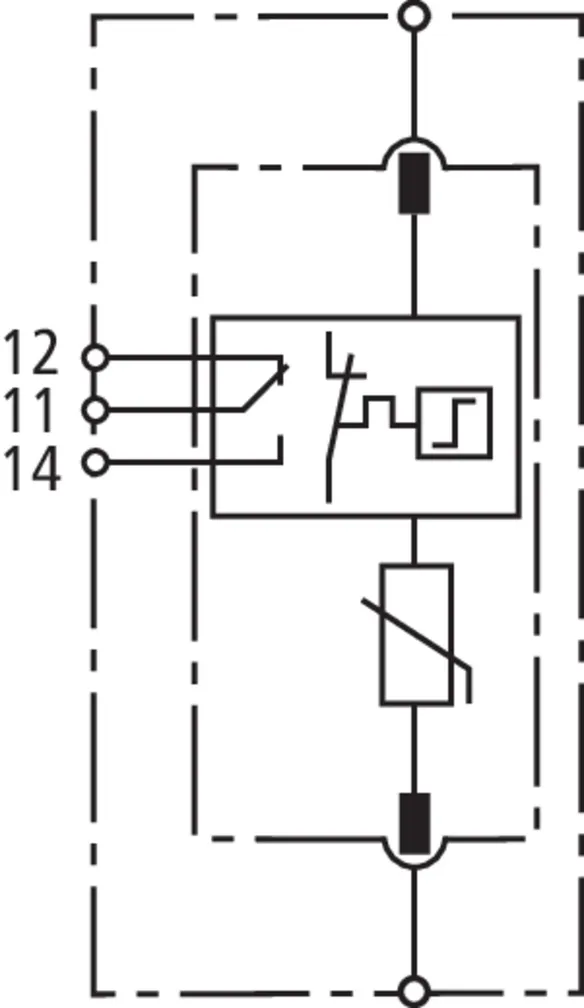
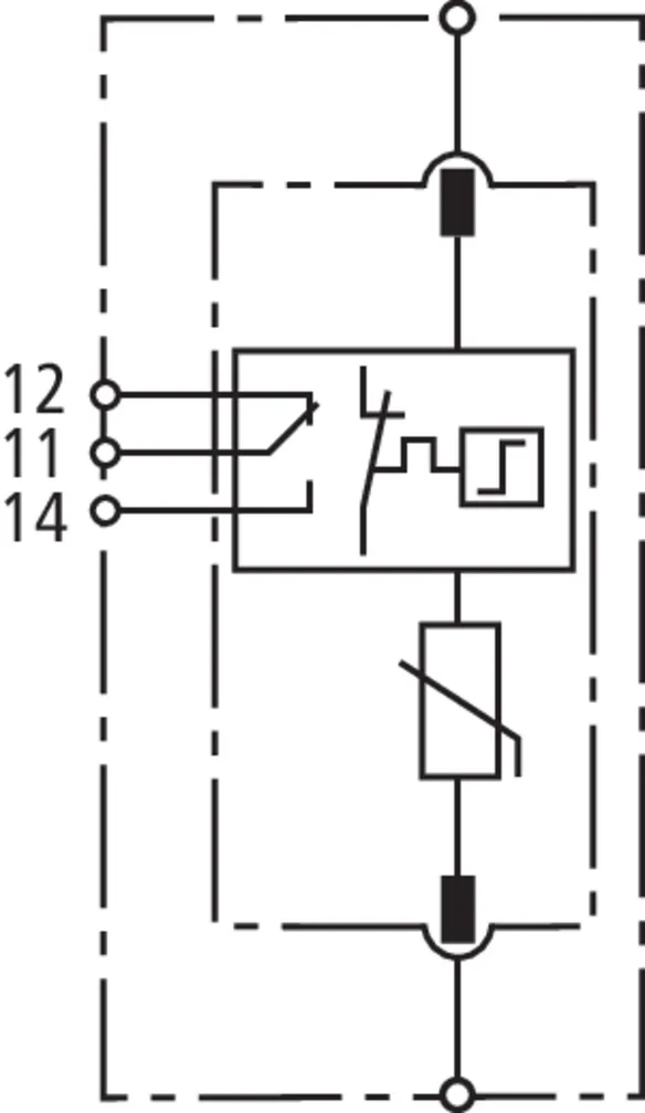
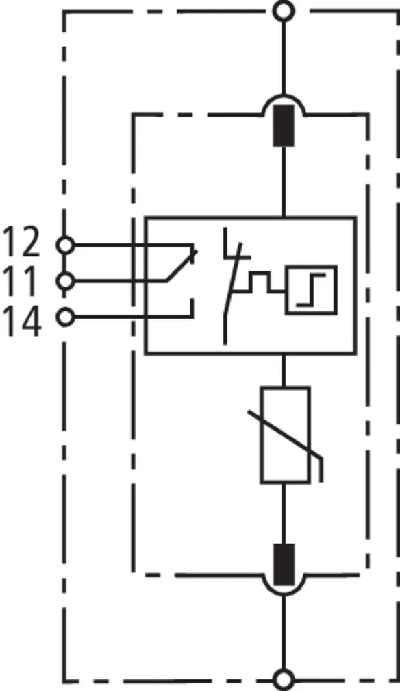
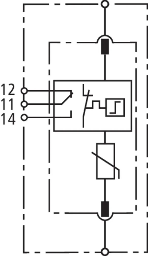
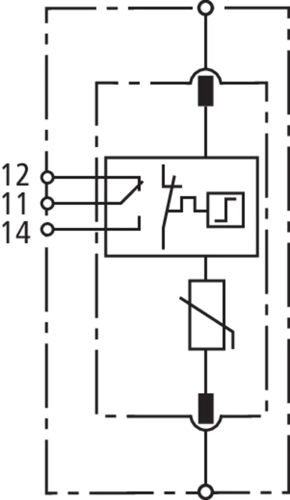
  • Gran seguridad de vigilancia mediante el dispositivo de separación "Thermo-Dynamic-Control"
  • Coordinación energética con la familia de productos Red/Line
  • Indicación del estado de funcionamiento / fallo mediante indicador verde/rojo en la ventana de inspección
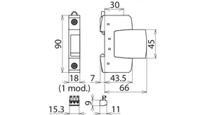
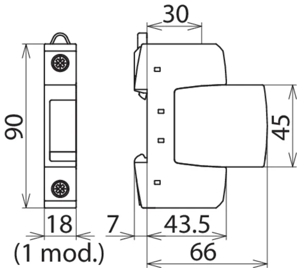
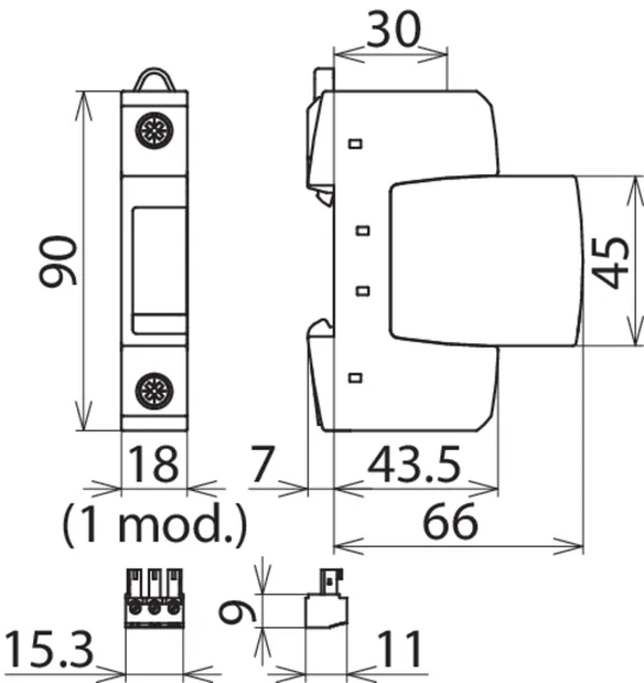
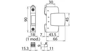
  • Ejecución modular según DIN 43880
  • Bornas de conexión multifunción para conexión de conductores y de regletas de peine
  • Sustitución de los módulos de protección más sencilla sin necesidad de herramientas gracias al botón de desbloqueo
  • Prueba de vibración y choque según EN 60068-2

DEHNguard S ...

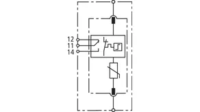
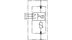
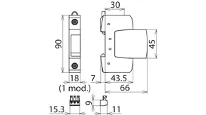
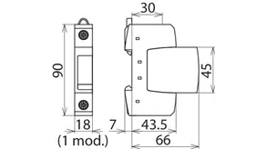
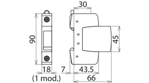
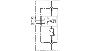
Descargador de sobretensiones unipolar modular compuesto por etapa de base y módulo de protección enchufable.

8 Productos

N.º art. 952078 DG S 48

GTIN 4013364119468, N.º de arancel aduanero (EU): 85363030, Peso bruto: 120.10 g, Empaquetado: 1.00 unidad(es)

Predecesor

Figuras

Más información

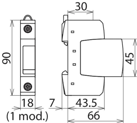
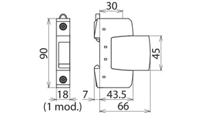
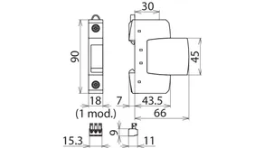
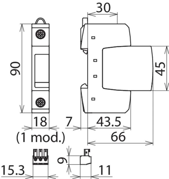
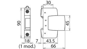
Descargador de sobretensiones DEHNguard S 48
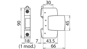
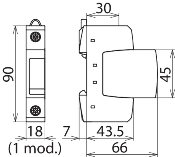
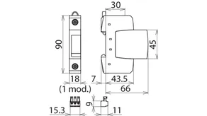
Descargador de sobretensiones, 1 polo, modular, enchufable
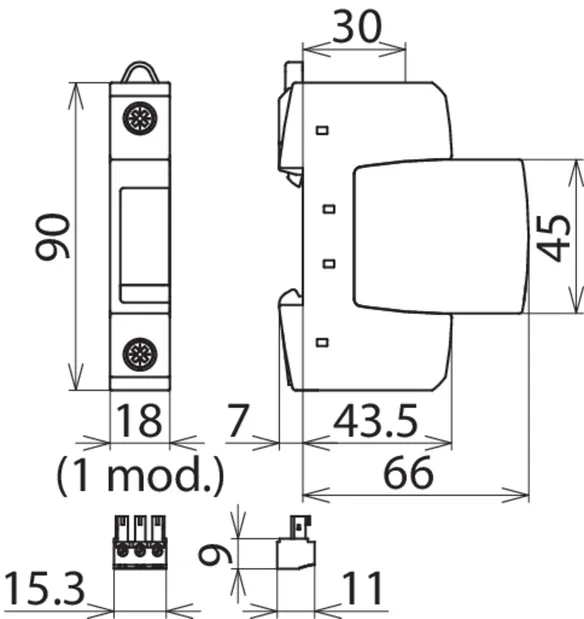
Ancho 1 mód., indicación de fallo
Descargador Tipo 2 según la EN 61643-11
Máx. tensión de servicio: 48 V ac/60 V dc
Nivel de protección: <= 0,33 kV
Corriente nominal de descarga: 7,5 kA
Resistencia a cortocircuito: 50 kAeff
Coordinación energética según la DIN EN 62305-4
Descargador de la línea Red/Line

Producto DEHN
Tipo: DG S 48
art. no.: 952078
o equivalente

Certificados

 

Datos técnicos

DPS según EN 61643-11 / ... IEC 61643-11 Tipo 2 / Clase II
Máx. tensión permisible de servicio AC (UC ) 48 V (50 / 60 Hz)
Corriente nominal de descarga (8/20 µs) (In ) 7,5 kA
Corriente máx. de descarga (8/20 µs) (Imax ) 25 kA
Nivel de protección (UP ) ≤ 0,33 kV
Máx. protección contra sobrecorrientes sector primario 125 A gG

Se ha añadido el artículo 952078 a favoritos.

El artículo 952078 ha sido añadido a la cesta de compra.

N.º art. 952071 DG S 75

GTIN 4013364109834, N.º de arancel aduanero (EU): 85363030, Peso bruto: 117.60 g, Empaquetado: 1.00 unidad(es)

Predecesor

Figuras

Más información

Descargador de sobretensiones DEHNguard S 75
Descargador de sobretensiones, 1 polo, modular, enchufable
Ancho 1 mód., indicación de fallo
Descargador Tipo 2 según la EN 61643-11
Máx. tensión de servicio: 75 V ac/100 V dc
Nivel de protección: <= 0,4 kV
Corriente nominal de descarga: 10 kA
Resistencia a cortocircuito: 50 kAeff
Coordinación energética según la DIN EN 62305-4
Descargador de la línea Red/Line

Producto DEHN
Tipo: DG S 75
art. no.: 952071
o equivalente

Certificados

 

Datos técnicos

DPS según EN 61643-11 / ... IEC 61643-11 Tipo 2 / Clase II
Máx. tensión permisible de servicio AC (UC ) 75 V (50 / 60 Hz)
Corriente nominal de descarga (8/20 µs) (In ) 10 kA
Corriente máx. de descarga (8/20 µs) (Imax ) 40 kA
Nivel de protección (UP ) ≤ 0,4 kV
Máx. protección contra sobrecorrientes sector primario 125 A gG
Certificaciones KEMA, VDE, UL, CSA

Se ha añadido el artículo 952071 a favoritos.

El artículo 952071 ha sido añadido a la cesta de compra.

N.º art. 952072 DG S 150

GTIN 4013364109858, N.º de arancel aduanero (EU): 85363030, Peso bruto: 119.60 g, Empaquetado: 1.00 unidad(es)

Predecesor

Figuras

Más información

Descargador de sobretensiones DEHNguard S 150
Descargador de sobretensiones, 1 polo, modular, enchufable
Ancho 1 mód., indicación de fallo
Descargador Tipo 2 según la EN 61643-11
Máx. tensión de servicio: 150 V ac/200 V dc
Nivel de protección: <= 0,7 kV
Corriente nominal de descarga: 15 kA
Resistencia a cortocircuito: 50 kAeff
Coordinación energética según la DIN EN 62305-4
Descargador de la línea Red/Line

Producto DEHN
Tipo: DG S 150
art. no.: 952072
o equivalente

Certificados

 

Datos técnicos

DPS según EN 61643-11 / ... IEC 61643-11 Tipo 2 / Clase II
Máx. tensión permisible de servicio AC (UC ) 150 V (50 / 60 Hz)
Corriente nominal de descarga (8/20 µs) (In ) 15 kA
Corriente máx. de descarga (8/20 µs) (Imax ) 40 kA
Nivel de protección (UP ) ≤ 0,7 kV
Máx. protección contra sobrecorrientes sector primario 125 A gG
Certificaciones KEMA, VDE, UL, CSA

Se ha añadido el artículo 952072 a favoritos.

El artículo 952072 ha sido añadido a la cesta de compra.

N.º art. 952070 DG S 275

GTIN 4013364108493, N.º de arancel aduanero (EU): 85363030, Peso bruto: 140.40 g, Empaquetado: 1.00 unidad(es)

Predecesor

Figuras

Más información

Descargador de sobretensiones DEHNguard S 275
Descargador de sobretensiones, 1 polo, modular, enchufable
Ancho 1 mód., indicación de fallo
Descargador Tipo 2 según la EN 61643-11
Máx. tensión de servicio: 275 V ac/350 V dc
Nivel de protección: <= 1,5 kV
Corriente nominal de descarga: 20 kA
Resistencia a cortocircuito: 50 kAeff
Coordinación energética según la DIN EN 62305-4
Descargador de la línea Red/Line

Producto DEHN
Tipo: DG S 275
art. no.: 952070
o equivalente

Certificados

 

Datos técnicos

DPS según EN 61643-11 / ... IEC 61643-11 Tipo 2 / Clase II
Máx. tensión permisible de servicio AC (UC ) 275 V (50 / 60 Hz)
Corriente nominal de descarga (8/20 µs) (In ) 20 kA
Corriente máx. de descarga (8/20 µs) (Imax ) 40 kA
Nivel de protección (UP ) ≤ 1,5 kV
Máx. protección contra sobrecorrientes sector primario 125 A gG
Certificaciones KEMA, VDE, UL, CSA

Se ha añadido el artículo 952070 a favoritos.

El artículo 952070 ha sido añadido a la cesta de compra.

N.º art. 952073 DG S 320

GTIN 4013364109872, N.º de arancel aduanero (EU): 85363030, Peso bruto: 129.90 g, Empaquetado: 1.00 unidad(es)

Predecesor

Figuras

Más información

Descargador de sobretensiones DEHNguard S 320
Descargador de sobretensiones, 1 polo, modular, enchufable
Ancho 1 mód., indicación de fallo
Descargador Tipo 2 según la EN 61643-11
Máx. tensión de servicio: 320 V ac/420 V dc
Nivel de protección: <= 1,5 kV
Corriente nominal de descarga: 20 kA
Resistencia a cortocircuito: 25 kAeff
Coordinación energética según la DIN EN 62305-4
Descargador de la línea Red/Line

Producto DEHN
Tipo: DG S 320
art. no.: 952073
o equivalente

Certificados

 

Datos técnicos

DPS según EN 61643-11 / ... IEC 61643-11 Tipo 2 / Clase II
Máx. tensión permisible de servicio AC (UC ) 320 V (50 / 60 Hz)
Corriente nominal de descarga (8/20 µs) (In ) 20 kA
Corriente máx. de descarga (8/20 µs) (Imax ) 40 kA
Nivel de protección (UP ) ≤ 1,5 kV
Máx. protección contra sobrecorrientes sector primario 125 A gG
Certificaciones KEMA, VDE, UL, CSA

Se ha añadido el artículo 952073 a favoritos.

El artículo 952073 ha sido añadido a la cesta de compra.

N.º art. 952074 DG S 385

GTIN 4013364108516, N.º de arancel aduanero (EU): 85363030, Peso bruto: 133.50 g, Empaquetado: 1.00 unidad(es)

Predecesor

Figuras

Más información

Descargador de sobretensiones DEHNguard S 385
Descargador de sobretensiones, 1 polo, modular, enchufable
Ancho 1 mód., indicación de fallo
Descargador Tipo 2 según la EN 61643-11
Máx. tensión de servicio: 385 V ac/500 V dc
Nivel de protección: <= 1,75 kV
Corriente nominal de descarga: 20 kA
Resistencia a cortocircuito: 25 kAeff
Coordinación energética según la DIN EN 62305-4
Descargador de la línea Red/Line

Producto DEHN
Tipo: DG S 385
art. no.: 952074
o equivalente

Certificados

 

Datos técnicos

DPS según EN 61643-11 / ... IEC 61643-11 Tipo 2 / Clase II
Máx. tensión permisible de servicio AC (UC ) 385 V (50 / 60 Hz)
Corriente nominal de descarga (8/20 µs) (In ) 20 kA
Corriente máx. de descarga (8/20 µs) (Imax ) 40 kA
Nivel de protección (UP ) ≤ 1,75 kV
Máx. protección contra sobrecorrientes sector primario 125 A gG
Certificaciones KEMA, VDE, UL, CSA

Se ha añadido el artículo 952074 a favoritos.

El artículo 952074 ha sido añadido a la cesta de compra.

N.º art. 952075 DG S 440

GTIN 4013364109896, N.º de arancel aduanero (EU): 85363030, Peso bruto: 152.70 g, Empaquetado: 1.00 unidad(es)

Predecesor

Figuras

Más información

Descargador de sobretensiones DEHNguard S 440
Descargador de sobretensiones, 1 polo, modular, enchufable
Ancho 1 mód., indicación de fallo
Descargador Tipo 2 según la EN 61643-11
Máx. tensión de servicio: 440 V ac/585 V dc
Nivel de protección: <= 2 kV
Corriente nominal de descarga: 20 kA
Resistencia a cortocircuito: 25 kAeff
Coordinación energética según la DIN EN 62305-4
Descargador de la línea Red/Line

Producto DEHN
Tipo: DG S 440
art. no.: 952075
o equivalente

Certificados

 

Datos técnicos

DPS según EN 61643-11 / ... IEC 61643-11 Tipo 2 / Clase II
Máx. tensión permisible de servicio AC (UC ) 440 V (50 / 60 Hz)
Corriente nominal de descarga (8/20 µs) (In ) 20 kA
Corriente máx. de descarga (8/20 µs) (Imax ) 40 kA
Nivel de protección (UP ) ≤ 2 kV
Máx. protección contra sobrecorrientes sector primario 125 A gG
Certificaciones KEMA, VDE, UL, CSA

Se ha añadido el artículo 952075 a favoritos.

El artículo 952075 ha sido añadido a la cesta de compra.

N.º art. 952076 DG S 600

GTIN 4013364109919, N.º de arancel aduanero (EU): 85363030, Peso bruto: 146.90 g, Empaquetado: 1.00 unidad(es)

Predecesor

Figuras

Más información

Descargador de sobretensiones DEHNguard S 600
Descargador de sobretensiones, 1 polo, modular, enchufable
Ancho 1 mód., indicación de fallo
Descargador Tipo 2 según la EN 61643-11
Máx. tensión de servicio: 600 V ac/600 V dc
Nivel de protección: <= 2,5 kV
Corriente nominal de descarga: 15 kA
Resistencia a cortocircuito: 25 kAeff
Coordinación energética según la DIN EN 62305-4
Descargador de la línea Red/Line

Producto DEHN
Tipo: DG S 600
art. no.: 952076
o equivalente

Certificados

 

Datos técnicos

DPS según EN 61643-11 / ... IEC 61643-11 Tipo 2 / Clase II
Máx. tensión permisible de servicio AC (UC ) 600 V (50 / 60 Hz)
Corriente nominal de descarga (8/20 µs) (In ) 15 kA
Corriente máx. de descarga (8/20 µs) (Imax ) 30 kA
Nivel de protección (UP ) ≤ 2,5 kV
Máx. protección contra sobrecorrientes sector primario 100 A gG
Certificaciones KEMA, VDE, UL, CSA

Se ha añadido el artículo 952076 a favoritos.

El artículo 952076 ha sido añadido a la cesta de compra.


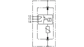
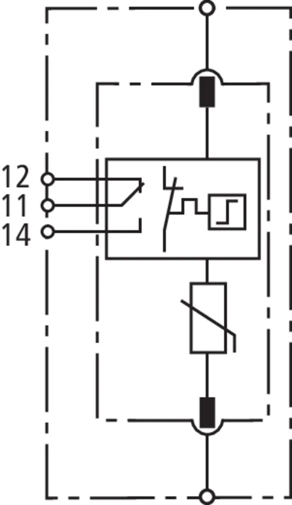
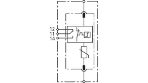
DEHNguard S ... FM

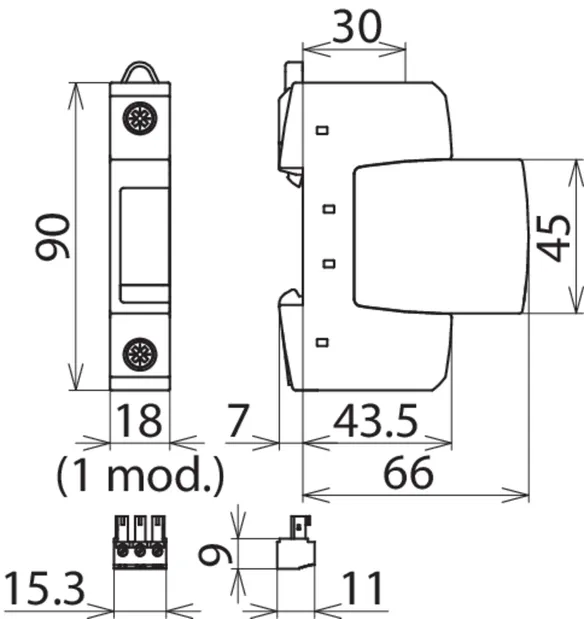
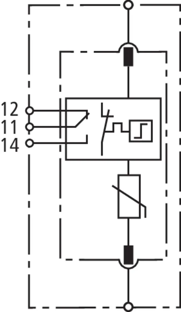
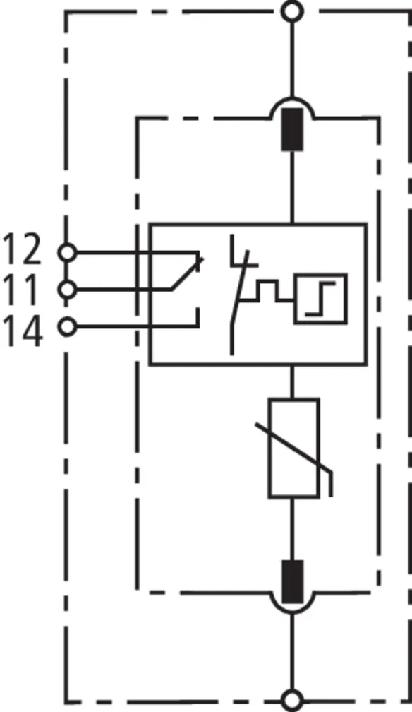
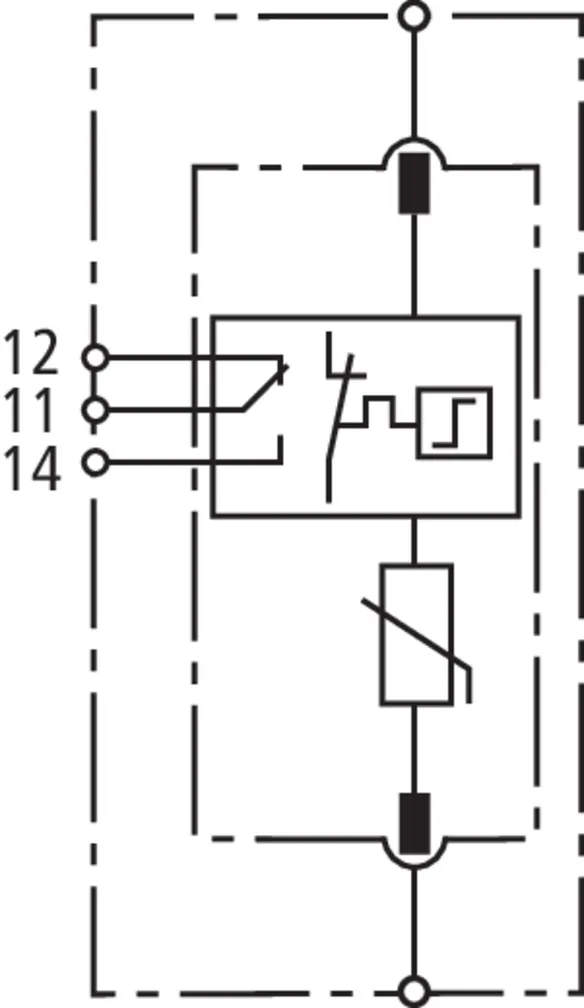
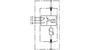
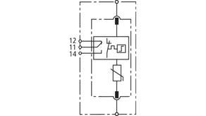
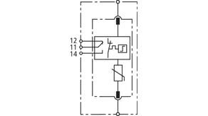
Descargador de sobretensiones unipolar compuesto por dos partes: un elemento de base y un módulo de protección enchufable con contacto para señalización a distancia.

8 Productos

N.º art. 952098 DG S 48 FM

GTIN 4013364119475, N.º de arancel aduanero (EU): 85363030, Peso bruto: 133.86 g, Empaquetado: 1.00 unidad(es)

Predecesor

Figuras

Más información

Descargador de sobretensiones DEHNguard S 48 FM
Descargador de sobretensiones, 1 polo, modular, enchufable
Ancho 1 mód., indicación de fallo
con contacto de señalización a distancia
Descargador Tipo 2 según la EN 61643-11
Máx. tensión de servicio: 48 V ac/60 V dc
Nivel de protección: <= 0,33 kV
Corriente nominal de descarga: 7,5 kA
Resistencia a cortocircuito: 50 kAeff
Coordinación energética según la DIN EN 62305-4
Descargador de la línea Red/Line

Producto DEHN
Tipo: DG S 48 FM
art. no.: 952098
o equivalente

Certificados

 

Datos técnicos

DPS según EN 61643-11 / ... IEC 61643-11 Tipo 2, Clase II
Máx. tensión permisible de servicio AC (UC ) 48 V (50 / 60 Hz)
Corriente nominal de descarga (8/20 µs) (In ) 7,5 kA
Corriente máx. de descarga (8/20 µs) (Imax ) 25 kA
Nivel de protección (UP ) ≤ 0,3 kV
Máx. protección contra sobrecorrientes sector primario 125 A gG
Contacto FM contacto conmutado

Se ha añadido el artículo 952098 a favoritos.

El artículo 952098 ha sido añadido a la cesta de compra.

N.º art. 952091 DG S 75 FM

GTIN 4013364109841, N.º de arancel aduanero (EU): 85363030, Peso bruto: 120.40 g, Empaquetado: 1.00 unidad(es)

Predecesor

Figuras

Más información

Descargador de sobretensiones DEHNguard S 75 FM
Descargador de sobretensiones, 1 polo, modular, enchufable
Ancho 1 mód., indicación de fallo
con contacto de señalización a distancia
Descargador Tipo 2 según la EN 61643-11
Máx. tensión de servicio: 75 V ac/100 V dc
Nivel de protección: <= 0,4 kV
Corriente nominal de descarga: 10 kA
Resistencia a cortocircuito: 50 kAeff
Coordinación energética según la DIN EN 62305-4
Descargador de la línea Red/Line

Producto DEHN
Tipo: DG S 75 FM
art. no.: 952091
o equivalente

Certificados

 

Datos técnicos

DPS según EN 61643-11 / ... IEC 61643-11 Tipo 2 / Clase II
Máx. tensión permisible de servicio AC (UC ) 75 V (50 / 60 Hz)
Corriente nominal de descarga (8/20 µs) (In ) 10 kA
Corriente máx. de descarga (8/20 µs) (Imax ) 40 kA
Nivel de protección (UP ) ≤ 0,4 kV
Máx. protección contra sobrecorrientes sector primario 125 A gG
Certificaciones KEMA, VDE, UL, CSA
Contacto FM contacto conmutado

Se ha añadido el artículo 952091 a favoritos.

El artículo 952091 ha sido añadido a la cesta de compra.

N.º art. 952092 DG S 150 FM

GTIN 4013364109865, N.º de arancel aduanero (EU): 85363030, Peso bruto: 123.50 g, Empaquetado: 1.00 unidad(es)

Predecesor

Figuras

Más información

Descargador de sobretensiones DEHNguard S 150 FM
Descargador de sobretensiones, 1 polo, modular, enchufable
Ancho 1 mód., indicación de fallo
con contacto de señalización a distancia
Descargador Tipo 2 según la EN 61643-11
Máx. tensión de servicio: 150 V ac/60 V dc
Nivel de protección: <= 0,7 kV
Corriente nominal de descarga: 15 kA
Resistencia a cortocircuito: 50 kAeff
Coordinación energética según la DIN EN 62305-4
Descargador de la línea Red/Line

Producto DEHN
Tipo: DG S 150 FM
art. no.: 952092
o equivalente

Certificados

 

Datos técnicos

DPS según EN 61643-11 / ... IEC 61643-11 Tipo 2 / Clase II
Máx. tensión permisible de servicio AC (UC ) 150 V (50 / 60 Hz)
Corriente nominal de descarga (8/20 µs) (In ) 15 kA
Corriente máx. de descarga (8/20 µs) (Imax ) 40 kA
Nivel de protección (UP ) ≤ 0,7 kV
Máx. protección contra sobrecorrientes sector primario 125 A gG
Certificaciones KEMA, VDE, UL, CSA
Contacto FM contacto conmutado

Se ha añadido el artículo 952092 a favoritos.

El artículo 952092 ha sido añadido a la cesta de compra.

N.º art. 952090 DG S 275 FM

GTIN 4013364108509, N.º de arancel aduanero (EU): 85363030, Peso bruto: 133.00 g, Empaquetado: 1.00 unidad(es)

Predecesor

Figuras

Más información

Descargador de sobretensiones DEHNguard S 275 FM
Descargador de sobretensiones, 1 polo, modular, enchufable
Ancho 1 mód., indicación de fallo
con contacto de señalización a distancia
Descargador Tipo 2 según la EN 61643-11
Máx. tensión de servicio: 275 V ac/350 V dc
Nivel de protección: <= 1,5 kV
Corriente nominal de descarga: 20 kA
Resistencia a cortocircuito: 50 kAeff
Coordinación energética según la DIN EN 62305-4
Descargador de la línea Red/Line

Producto DEHN
Tipo: DG S 275 FM
art. no.: 952090
o equivalente

Certificados

 

Datos técnicos

DPS según EN 61643-11 / ... IEC 61643-11 Tipo 2 / Clase II
Máx. tensión permisible de servicio AC (UC ) 275 V (50 / 60 Hz)
Corriente nominal de descarga (8/20 µs) (In ) 20 kA
Corriente máx. de descarga (8/20 µs) (Imax ) 40 kA
Nivel de protección (UP ) ≤ 1,5 kV
Máx. protección contra sobrecorrientes sector primario 125 A gG
Certificaciones KEMA, VDE, UL, CSA
Contacto FM contacto conmutado

Se ha añadido el artículo 952090 a favoritos.

El artículo 952090 ha sido añadido a la cesta de compra.

N.º art. 952093 DG S 320 FM

GTIN 4013364109889, N.º de arancel aduanero (EU): 85363030, Peso bruto: 147.70 g, Empaquetado: 1.00 unidad(es)

Predecesor

Figuras

Más información

Descargador de sobretensiones DEHNguard S 320 FM
Descargador de sobretensiones, 1 polo, modular, enchufable
Ancho 1 mód., indicación de fallo
con contacto de señalización a distancia
Descargador Tipo 2 según la EN 61643-11
Máx. tensión de servicio: 320 V ac/420 V dc
Nivel de protección: <= 1,5 kV
Corriente nominal de descarga: 20 kA
Resistencia a cortocircuito: 25 kAeff
Coordinación energética según la DIN EN 62305-4
Descargador de la línea Red/Line

Producto DEHN
Tipo: DG S 320 FM
art. no.: 952093
o equivalente

Certificados

 

Datos técnicos

DPS según EN 61643-11 / ... IEC 61643-11 Tipo 2 / Clase II
Máx. tensión permisible de servicio AC (UC ) 320 V (50 / 60 Hz)
Corriente nominal de descarga (8/20 µs) (In ) 20 kA
Corriente máx. de descarga (8/20 µs) (Imax ) 40 kA
Nivel de protección (UP ) ≤ 1,5 kV
Máx. protección contra sobrecorrientes sector primario 125 A gG
Certificaciones KEMA, VDE, UL, CSA
Contacto FM contacto conmutado

Se ha añadido el artículo 952093 a favoritos.

El artículo 952093 ha sido añadido a la cesta de compra.

N.º art. 952094 DG S 385 FM

GTIN 4013364108523, N.º de arancel aduanero (EU): 85363030, Peso bruto: 150.40 g, Empaquetado: 1.00 unidad(es)

Predecesor

Figuras

Más información

Descargador de sobretensiones DEHNguard S 385 FM
Descargador de sobretensiones, 1 polo, modular, enchufable
Ancho 1 mód., indicación de fallo
con contacto de señalización a distancia
Descargador Tipo 2 según la EN 61643-11
Máx. tensión de servicio: 385 V ac/500 V dc
Nivel de protección: <= 1,75 kV
Corriente nominal de descarga: 20 kA
Resistencia a cortocircuito: 25 kAeff
Coordinación energética según la DIN EN 62305-4
Descargador de la línea Red/Line

Producto DEHN
Tipo: DG S 385 FM
art. no.: 952094
o equivalente

Certificados

 

Datos técnicos

DPS según EN 61643-11 / ... IEC 61643-11 Tipo 2 / Clase II
Máx. tensión permisible de servicio AC (UC ) 385 V (50 / 60 Hz)
Corriente nominal de descarga (8/20 µs) (In ) 20 kA
Corriente máx. de descarga (8/20 µs) (Imax ) 40 kA
Nivel de protección (UP ) ≤ 1,75 kV
Máx. protección contra sobrecorrientes sector primario 125 A gG
Certificaciones KEMA, VDE, UL, CSA
Contacto FM contacto conmutado

Se ha añadido el artículo 952094 a favoritos.

El artículo 952094 ha sido añadido a la cesta de compra.

N.º art. 952095 DG S 440 FM

GTIN 4013364109902, N.º de arancel aduanero (EU): 85363030, Peso bruto: 150.70 g, Empaquetado: 1.00 unidad(es)

Predecesor

Figuras

Más información

Descargador de sobretensiones DEHNguard S 440 FM
Descargador de sobretensiones, 1 polo, modular, enchufable
Ancho 1 mód., indicación de fallo
con contacto de señalización a distancia
Descargador Tipo 2 según la EN 61643-11
Máx. tensión de servicio: 440 V ac/585 V dc
Nivel de protección: <= 2 kV
Corriente nominal de descarga: 20 kA
Resistencia a cortocircuito: 25 kAeff
Coordinación energética según la DIN EN 62305-4
Descargador de la línea Red/Line

Producto DEHN
Tipo: DG S 440 FM
art. no.: 952095
o equivalente

Certificados

 

Datos técnicos

DPS según EN 61643-11 / ... IEC 61643-11 Tipo 2 / Class II
Máx. tensión permisible de servicio AC (UC ) 440 V (50 / 60 Hz)
Corriente nominal de descarga (8/20 µs) (In ) 20 kA
Corriente máx. de descarga (8/20 µs) (Imax ) 40 kA
Nivel de protección (UP ) ≤ 2 kV
Máx. protección contra sobrecorrientes sector primario 125 A gG
Certificaciones KEMA, VDE, UL, CSA
Contacto FM contacto conmutado

Se ha añadido el artículo 952095 a favoritos.

El artículo 952095 ha sido añadido a la cesta de compra.

N.º art. 952096 DG S 600 FM

GTIN 4013364109926, N.º de arancel aduanero (EU): 85363030, Peso bruto: 170.70 g, Empaquetado: 1.00 unidad(es)

Predecesor

Figuras

Más información

Descargador de sobretensiones DEHNguard S 600 FM
Descargador de sobretensiones, 1 polo, modular, enchufable
Ancho 1 mód., indicación de fallo
con contacto de señalización a distancia
Descargador Tipo 2 según la EN 61643-11
Máx. tensión de servicio: 600 V ac/600 V dc
Nivel de protección: <= 2,5 kV
Corriente nominal de descarga: 15 kA
Resistencia a cortocircuito: 25 kAeff
Coordinación energética según la DIN EN 62305-4
Descargador de la línea Red/Line

Producto DEHN
Tipo: DG S 600 FM
art. no.: 952096
o equivalente

Certificados

 

Datos técnicos

DPS según EN 61643-11 / ... IEC 61643-11 Tipo 2 / Clase II
Máx. tensión permisible de servicio AC (UC ) 600 V (50 / 60 Hz)
Corriente nominal de descarga (8/20 µs) (In ) 15 kA
Corriente máx. de descarga (8/20 µs) (Imax ) 30 kA
Nivel de protección (UP ) ≤ 2,5 kV
Máx. protección contra sobrecorrientes sector primario 100 A gG
Certificaciones KEMA, VDE, UL, CSA
Contacto FM contacto conmutado

Se ha añadido el artículo 952096 a favoritos.

El artículo 952096 ha sido añadido a la cesta de compra.


DEHNguard S WE 600 (FM)

Compuesto por dos piezas: un elemento de base y un módulo de protección enchufable. En la variante FM, con contacto de señalización a distancia (contacto conmutado libre de potencial).

2 Productos

N.º art. 952077 DG S WE 600

GTIN 4013364119680, N.º de arancel aduanero (EU): 85363030, Peso bruto: 147.40 g, Empaquetado: 1.00 unidad(es)


Figuras

Más información

Descargador de sobretensiones DEHNguard S WE 600
Descargador de sobretensiones, 1 polo, modular, enchufable
ancho 1 mód., indicación de fallo
Descargador Tipo 2 según la EN 61643-11
Máx. tensión de servicio: 600 V ac/600 V dc
Tensión asignada del varistor: 750 V ac
Nivel de protección: <= 3 kV
Corriente nominal de descarga: 15 kA
Resistencia a cortocircuito: 50 kAeff
Coordinación energética según la DIN EN 62305-4
Descargador de la línea Red/Line

Producto DEHN
Tipo: DG S WE 600
art. no.: 952077
o equivalente

Certificados

 

Datos técnicos

DPS según EN 61643-11 / ... IEC 61643-11 Tipo 2 / Clase II
Máx. tensión permisible de servicio AC (UC ) 600
Corriente nominal de descarga (8/20 µs) (In ) 15 kA
Corriente máx. de descarga (8/20 µs) (Imax ) 25 kA
Nivel de protección (UP ) ≤ 3 kV
Máx. protección contra sobrecorrientes sector primario 100 A gG
Certificaciones KEMA, UL, CSA,

Se ha añadido el artículo 952077 a favoritos.

El artículo 952077 ha sido añadido a la cesta de compra.

N.º art. 952097 DG S WE 600 FM

GTIN 4013364119697, N.º de arancel aduanero (EU): 85363030, Peso bruto: 150.50 g, Empaquetado: 1.00 unidad(es)


Figuras

Más información

Descargador de sobretensiones DEHNguard S WE 600 FM
Descargador de sobretensiones, 1 polo, modular, enchufable
ancho 1 mód., indicación de fallo
con contacto de señalización a distancia
Descargador Tipo 2 según la EN 61643-11
Máx. tensión de servicio: 600 V ac/600 V dc
Tensión asignada del varistor: 750 V ac
Nivel de protección: <= 3 kV
Corriente nominal de descarga: 15 kA
Resistencia a cortocircuito: 50 kAeff
Coordinación energética según la DIN EN 62305-4
Descargador de la línea Red/Line

Producto DEHN
Tipo: DG S WE 600 FM
art. no.: 952097
o equivalente

Certificados

 

Datos técnicos

DPS según EN 61643-11 / ... IEC 61643-11 Tipo 2 / Clase II
Máx. tensión permisible de servicio AC (UC ) 600
Corriente nominal de descarga (8/20 µs) (In ) 15 kA
Corriente máx. de descarga (8/20 µs) (Imax ) 25 kA
Nivel de protección (UP ) ≤ 3 kV
Máx. protección contra sobrecorrientes sector primario 100 A gG
Certificaciones KEMA, UL, CSA,
Contacto FM contacto conmutado

Se ha añadido el artículo 952097 a favoritos.

El artículo 952097 ha sido añadido a la cesta de compra.


back to top