DEHNrail modular, multipolo

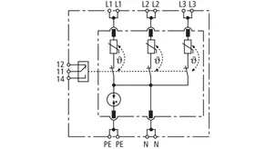
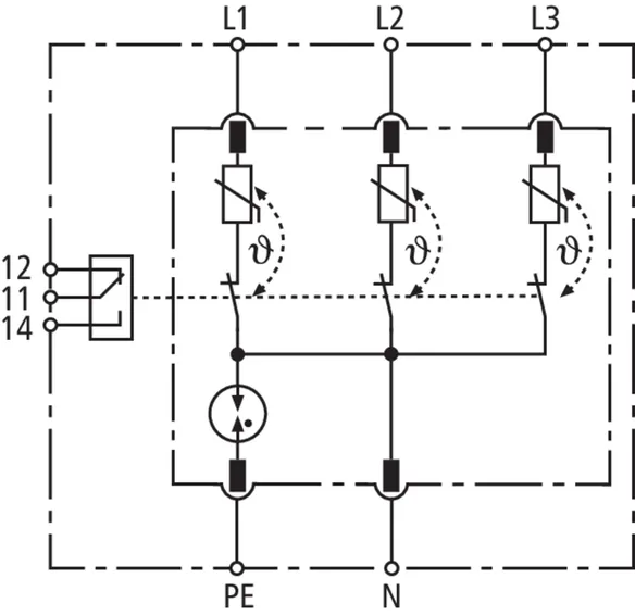
  • Descargador de sobretensiones trifásico, compuesto por elemento de base y módulo de protección enchufable
  • Elevada capacidad de derivación mediante combinación de varistores de óxido de zinc y vías de chispas de gran potencia
  • Coordinado energéticamente con la familia de productos Red/Line
  • Indicación local de estado (verde/rojo) mediante la ventanilla de inspección
  • Sustitución sencilla del módulo de protección gracias a su tecla de desbloqueo
  • Intensidad nominal 25 A
  • Test de vibración y choque según EN 60068-2

Detalles

lorem ipsum

DEHNrail M 4P ... (FM)

Descargador de sobretensiones trifásico compuesto por un elemento de base y módulo de protección enchufable para sistemas 230 / 400 V. Ejecución FM con contacto de señalización a distancia (contacto conmutado libre de potencial).

2 Productos

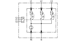
N.º art. 953400 DR M 4P 255

GTIN 4013364115767, N.º de arancel aduanero (EU): 85363030, Peso bruto: 168.20 g, Empaquetado: 1.00 unidad(es)

Predecesor

Figuras

Más información

Descargador modular de sobretensiones DEHNrail M 4P 255
Descargador modular de sobretensiones, tetrapolar, enchufable, para la protección de equipos finales de electrónica industrial
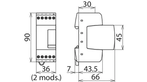
Ancho 2 móds., indicación de fallo
Máx. tensión de servicio: 255/440 V ac
Corriente total de descarga: 8 kA
Nivel de protección (L-N): <= 1 kV
Máx. protección contra sobrecorrientes sector primario:
25 A gG o B 25 A
Coordinación energética según la DIN EN 62305-4
Descargador de la línea de productos Red/Line

Producto DEHN
Tipo: DR M 4P 255
art. no.: 953400
o equivalente

Certificados

 

Datos técnicos

DPS según EN 61643-11 / ... IEC 61643-11 Tipo 3 / Clase III
Tensión máxima permanente AC (UC ) 255 / 440 V (50 / 60 Hz)
Corriente nominal de descarga (8/20 µs) (In ) 3 kA
Corriente total de descarga (8/20 µs) [L1+L2+L3+N-PE] (Itotal ) 8 kA
Nivel de protección [L-N] / [L/N-PE] (UP ) ≤ 1000 / ≤ 1500 V
Fusible previo max. 25 A gG o B 25 A
Certificaciones KEMA, VDE

Se ha añadido el artículo 953400 a favoritos.

El artículo 953400 ha sido añadido a la cesta de compra.

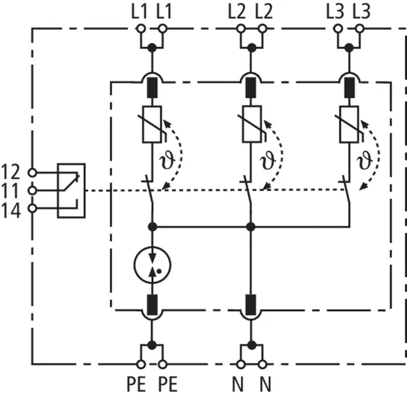
N.º art. 953405 DR M 4P 255 FM

GTIN 4013364115774, N.º de arancel aduanero (EU): 85363030, Peso bruto: 171.90 g, Empaquetado: 1.00 unidad(es)

Predecesor

Figuras

Más información

Descargador modular de sobretensiones DEHNrail M 4P 255 FM
Descargador modular de sobretensiones, tetrapolar, enchufable, para la protección de equipos finales de electrónica industrial
Ancho 2 móds., indicación de fallo
con contacto de señalización a distancia
Descargador Tipo 3 según la EN 62643-11
Máx. tensión de servicio: 255/440 V ac
Corriente total de descarga: 8 kA
Nivel de protección (L-N): <= 1 kV
Máx. protección contra sobrecorrientes sector primario:
25 A gG o B 25 A
Coordinación energética según la DIN EN 62305-4
Descargador de la línea de productos Red/Line

Producto DEHN
Tipo: DR M 4P 255 FM
art. no.: 953405
o equivalente

Certificados

 

Datos técnicos

DPS según EN 61643-11 / ... IEC 61643-11 Tipo 3 / Clase III
Tensión máxima permanente AC (UC ) 255 / 440 V (50 / 60 Hz)
Corriente nominal de descarga (8/20 µs) (In ) 3 kA
Corriente total de descarga (8/20 µs) [L1+L2+L3+N-PE] (Itotal ) 8 kA
Nivel de protección [L-N] / [L/N-PE] (UP ) ≤ 1000 / ≤ 1500 V
Fusible previo max. 25 A gG o B 25 A
Certificaciones KEMA, VDE
Contactos FM/Forma de los contactos conmutado

Se ha añadido el artículo 953405 a favoritos.

El artículo 953405 ha sido añadido a la cesta de compra.


DEHNrail M 4P SN1872 FM

Descargador de sobretensiones tetrapolar compuesto por un elemento básico y módulo de protección enchufable; con contacto de señalización remota libre de potencial. Empleable en instalaciones aseguradas hasta corrientes de 32 A.

1 Producto

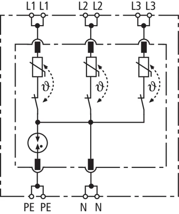
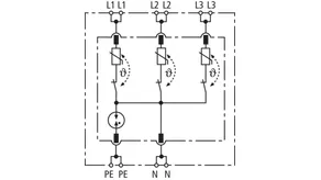
N.º art. 953406 DR M 4P 255 SN1872 FM

GTIN 4013364353060, N.º de arancel aduanero (EU): 85363030, Peso bruto: 171.90 g, Empaquetado: 1.00 unidad(es)


Figuras

Más información

Descargador de sobretensiones DEHNrail DR M 4P 255 SN1872 FM
Descargador de sobretensiones 4 polos, modular, enchufable
para la protección de equipos finales de la electrónica industrial,
ancho 2 móds., indicación de fallo
con contacto de señalización a distancia
Descargador Tipo 3 según la EN 61643-11
Máx. tensión de servicio: 255/440 V ac
Corriente total de descarga: 8 kA
Nivel de protección (L-N): <= 1 kV
Máx. protección contra sobrecorrientes sector primario:
32 A gG o B 32 A
Coordinación energética según la DIN EN 62305-4
Descargador de la línea de productos Red/Line

Producto DEHN
Tipo: DR M 4P 255 SN1872 FM
art. no.: 953406
o equivalente

Certificados

 

Datos técnicos

DPS según EN 61643-11 / ... IEC 61643-11 Tipo 3 / Clase III
Tensión máxima permanente AC (UC ) 255 / 440 V (50 / 60 Hz)
Corriente nominal de descarga (8/20 µs) (In ) 3 kA
Corriente total de descarga (8/20 µs) [L1+L2+L3+N-PE] (Itotal ) 8 kA
Nivel de protección [L-N] / [L/N-PE] (UP ) ≤ 1000 / ≤ 1500 V
Fusible previo max. 32 A gG o B 32 A
Contactos FM/Forma de los contactos conmutado

Se ha añadido el artículo 953406 a favoritos.

El artículo 953406 ha sido añadido a la cesta de compra.


back to top