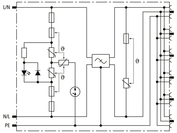
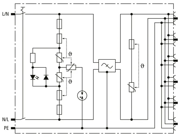
SFL-Protector
:quality(98)/www.dehn.es/store/f/58796502/HDVORSCHAU/909250a1_16-9.jpg)
:quality(98)/www.dehn.es/store/f/58796502/HDVORSCHAU/909250a1_16-9.jpg)
- Protección contra sobretensiones con dispositivo de vigilancia y de separación
- Filtro para supresión de interferencias
- Mayor seguridad gracias al circuito de protección en Y seguro contra errores de conexión
- Interruptor de red con indicación de estado (solo SFL PRO 6X)
- Cable de conexión de 2 m para uso flexible en diferentes aplicaciones
- Indicación visual de estado (verde) e indicación visual de fallo (roja)
Detalles
:quality(98)/www.dehn.es/store/f/58796503/HDVORSCHAU/909251a1_Kat.jpg)
:quality(98)/www.dehn.es/store/f/58796503/HDVORSCHAU/909251a1_Kat.jpg)
N.º art. 909250 SFL PRO 6X
GTIN 4013364132566, N.º de arancel aduanero (EU): 85363010, Peso bruto: 970.00 g, Empaquetado: 1.00 unidad(es)
PredecesorDatos técnicos
DPS según EN 61643-11 / ... IEC 61643-11 | Tipo 3 / Clase III |
Max. tensión permisible de servicio AC (UC ) | 255 V (50 / 60 Hz) |
Corriente nominal de descarga (8/20 µs) (In ) | 3 kA |
Corriente total de descarga (8/20 µs) [L+N-PE] (Itotal ) | 5 kA |
Nivel de protección (UP ) | ≤ 1.6 kV |
Fusible previo max. | B 16 A |
Número de tomas de corriente | 6 |
N.º art. 909251 SFL PRO 6X 19"
GTIN 4013364132573, N.º de arancel aduanero (EU): 85363010, Peso bruto: 877.00 g, Empaquetado: 1.00 unidad(es)
Datos técnicos
DPS según EN 61643-11 / ... IEC 61643-11 | Tipo 3 / Clase III |
Max. tensión permisible de servicio AC (UC ) | 255 V (50 / 60 Hz) |
Corriente nominal de descarga (8/20 µs) (In ) | 3 kA |
Corriente total de descarga (8/20 µs) [L+N-PE] (Itotal ) | 5 kA |
Nivel de protección (UP ) | ≤ 1.6 kV |
Fusible previo max. | B 16 A |
Número de tomas de corriente | 6 |