BLITZDUCTOR XT – Módulos de protección

Descargador combinado de corriente de rayo y sobretensiones
  • Máxima capacidad de derivación para interfaces de dos, tres o cuatro polos
  • Capacidad de derivación de corriente de rayo hasta 10 kA (10/350 µs)
  • Bajo nivel de protección, adecuado para la protección de dispositivos finales
Con vigilancia LifeCheck integrada
  • Permite la verificación del descargador durante el funcionamiento
  • Detecta una sobrecarga del descargador
  • Permite la verificación del descargador en servicio y reconoce incluso descargadores ya dañados previamente.
Descargador modular compuesto por base y módulo de protección
  • Resistente a vibración y choque para un funcionamiento seguro
  • Todos los componentes de protección están integrados en los módulos de protección
  • Disponibles dos elementos de bases universales con o sin interrupción de la señal
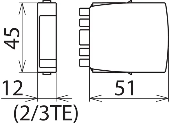
  • Mínimas necesidades de espacio: para un módulo de 2 pares o 4 hilos

Detalles

Ejecución en dos partes con base universal y módulo de protección específico de la aplicación.
lorem ipsum
Borna de contacto elástica EMC para su utilización como accesorio para el apantallamiento permanente, de baja impedancia.
lorem ipsum
Todos los elementos de protección y supervisión LifeCheck están integrados en el módulo enchufable.
lorem ipsum
Insercción del módulo protegido contra polaridad inversa y vibración.
lorem ipsum

BXT ML4 B 180

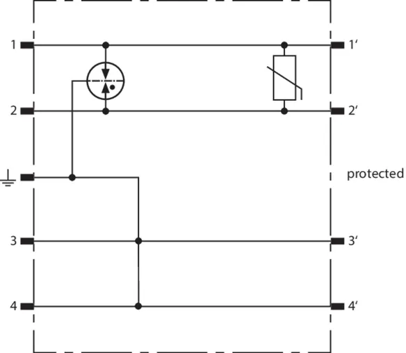
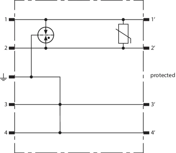
Módulo de descargador de corriente de para cuatro hilos, con función RFID-LifeCheck, para prácticamente todas las aplicaciones. Por lo general se utiliza junto con descargadores de sobretensiones subordinados Q con igual o inferior tensión de servicio. Si la función LifeCheck detecta sobrecarga eléctrica o témica el descargador ha de ser reemplazado. Este estado se indica por el lector DEHNrecord LC / SCM / MCM sin necesidad de contacto.

1 Producto

N.º art. 920310 BXT ML4 B 180

GTIN 4013364109124, N.º de arancel aduanero (EU): 85363010, Peso bruto: 31.60 g, Empaquetado: 1.00 unidad(es)

Predecesor

Figuras

Más información


Máx. tensión permisible de servicio DC: 180 V
Corriente nominal a 45 °C: 1,2 A
D1 Corriente de impulso de rayo (10/350 µs): 10 kA
D1 Corriente de impulso de rayo (10/350 µs) por hilo: 2,5 kA

Producto DEHN
Tipo: BXT ML4 B 180
art. no.: 920310
o equivalente

Certificados

 

Datos técnicos

Clase DPS H
Máx. tensión permisible de servicio DC (UC ) 180 V
Corriente nominal a 45 °C (IL ) 1,2 A
D1 Corriente de impulso de rayo (10/350 µs) (Iimp ) 10 kA
C2 Corriente nominal de descarga (8/20 µs) total (In ) 20 kA
Impedancia de serie por hilo 0,4 Ω
Certificaciones CSA, ATEX, IECEx, CSA & USA Hazloc, SIL
*) Para obtener información más detallada, por favor visite www.dehn.es

Se ha añadido el artículo 920310 a favoritos.

El artículo 920310 ha sido añadido a la cesta de compra.


BXT ML4 BE 5 – BE 180

Módulo descargador combinado de corrientes de rayo y sobretensiones de gran ahorro de espacio, con función RFID LifeCheck, para protección de cuatro hilos individuales con potencial de referencia común así como interfaces asimétricas. Si la función LifeCheck detecta sobrecarga eléctrica o térmica el descargador ha de ser reemplazado. Este estado se indica sin contacto por el lector DEHNrecord LC / SCM / MCM.

7 Productos

N.º art. 920320 BXT ML4 BE 5

GTIN 4013364109032, N.º de arancel aduanero (EU): 85363010, Peso bruto: 31.00 g, Empaquetado: 1.00 unidad(es)

Predecesor

Figuras

Más información


Máx. tensión permisible de servicio DC: 6 V
Corriente nominal a 45 °C: 1.0 A
D1 Corriente de impulso de rayo (10/350 µs): 10 kA
D1 Corriente de impulso de rayo (10/350 µs) por hilo: 2.5 kA

Producto DEHN
Tipo: BXT ML4 BE 5
art. no.: 920320
o equivalente

Certificados

 

Datos técnicos

Clase DPS M
Máx. tensión permisible de servicio DC (UC ) 6 V
Corriente nominal a 45 °C (IL ) 1.0 A
D1 Corriente de impulso de rayo (10/350 µs) (Iimp ) 10 kA
C2 Corriente nominal de descarga (8/20 µs) total (In ) 20 kA
Impedancia de serie por hilo 1.0 Ω
Frecuencia de corte hilo-PG (fG ) 1.0 MHz
Certificaciones CSA, UL 497B, ATEX, IECEx, CSA & USA Hazloc, SIL
*) Para obtener información más detallada, por favor visite www.dehn.es

Se ha añadido el artículo 920320 a favoritos.

El artículo 920320 ha sido añadido a la cesta de compra.

N.º art. 920322 BXT ML4 BE 12

GTIN 4013364109049, N.º de arancel aduanero (EU): 85363010, Peso bruto: 30.70 g, Empaquetado: 1.00 unidad(es)

Predecesor

Figuras

Más información


Máx. tensión permisible de servicio DC: 15 V
Corriente nominal a 45 °C: 0.75 A
D1 Corriente de impulso de rayo (10/350 µs): 10 kA
D1 Corriente de impulso de rayo (10/350 µs) por hilo: 2,5 kA

Producto DEHN
Tipo: BXT ML4 BE 12
art. no.: 920322
o equivalente

Certificados

 

Datos técnicos

Clase DPS M
Máx. tensión permisible de servicio DC (UC ) 15 V
Corriente nominal a 45 °C (IL ) 0.75 A
D1 Corriente de impulso de rayo (10/350 µs) (Iimp ) 10 kA
C2 Corriente nominal de descarga (8/20 µs) total (In ) 20 kA
Impedancia de serie por hilo 1.8 Ω
Frecuencia de corte hilo-PG (fG ) 2.7 MHz
Certificaciones CSA, UL 497B, ATEX, IECEx, CSA & USA Hazloc, SIL
*) Para obtener información más detallada, por favor visite www.dehn.es

Se ha añadido el artículo 920322 a favoritos.

El artículo 920322 ha sido añadido a la cesta de compra.

N.º art. 920324 BXT ML4 BE 24

GTIN 4013364109056, N.º de arancel aduanero (EU): 85363010, Peso bruto: 45.00 g, Empaquetado: 1.00 unidad(es)

Predecesor

Figuras

Más información


Máx. tensión permisible de servicio DC: 33 V
Corriente nominal a 45 °C: 0.75 A
D1 Corriente de impulso de rayo (10/350 µs): 10 kA
D1 Corriente de impulso de rayo (10/350 µs) por hilo: 2.5 kA

Producto DEHN
Tipo: BXT ML4 BE 24
art. no.: 920324
o equivalente

Certificados

 

Datos técnicos

Clase DPS M
Máx. tensión permisible de servicio DC (UC ) 33 V
Corriente nominal a 45 °C (IL ) 0.75 A
D1 Corriente de impulso de rayo (10/350 µs) (Iimp ) 10 kA
C2 Corriente nominal de descarga (8/20 µs) total (In ) 20 kA
Impedancia de serie por hilo 1.8 Ω
Frecuencia de corte hilo-PG (fG ) 6.8 MHz
Certificaciones CSA, UL 497B, ATEX, IECEx, CCC, CSA & USA Hazloc, SIL
*) Para obtener información más detallada, por favor visite www.dehn.es

Se ha añadido el artículo 920324 a favoritos.

El artículo 920324 ha sido añadido a la cesta de compra.

N.º art. 920336 BXT ML4 BE 36

GTIN 4013364118539, N.º de arancel aduanero (EU): 85363010, Peso bruto: 47.50 g, Empaquetado: 1.00 unidad(es)


Figuras

Más información


Máx. tensión permisible de servicio DC: 45 V
Corriente nominal a 45 °C: 1.8 A
D1 Corriente de impulso de rayo (10/350 µs): 10 kA
D1 Corriente de impulso de rayo (10/350 µs) por hilo: 2.5 kA

Producto DEHN
Tipo: BXT ML4 BE 36
art. no.: 920336
o equivalente

Certificados

 

Datos técnicos

Clase DPS M
Máx. tensión permisible de servicio DC (UC ) 45 V
Corriente nominal a 45 °C (IL ) 1.8 A
D1 Corriente de impulso de rayo (10/350 µs) (Iimp ) 10 kA
C2 Corriente nominal de descarga (8/20 µs) total (In ) 20 kA
Impedancia de serie por hilo 0.43 Ω
Frecuencia de corte hilo-PG (fG ) 3.8 MHz
Certificaciones UL 497B, ATEX, IECEx, CSA & USA Hazloc, SIL
*) Para obtener información más detallada, por favor visite www.dehn.es

Se ha añadido el artículo 920336 a favoritos.

El artículo 920336 ha sido añadido a la cesta de compra.

N.º art. 920325 BXT ML4 BE 48

GTIN 4013364109063, N.º de arancel aduanero (EU): 85363010, Peso bruto: 31.20 g, Empaquetado: 1.00 unidad(es)

Predecesor

Figuras

Más información


Máx. tensión permisible de servicio DC: 54 V
Corriente nominal a 45 °C: 0.75 A
D1 Corriente de impulso de rayo (10/350 µs): 10 kA
D1 Corriente de impulso de rayo (10/350 µs) por hilo: 2.5 kA

Producto DEHN
Tipo: BXT ML4 BE 48
art. no.: 920325
o equivalente

Certificados

 

Datos técnicos

Clase DPS M
Máx. tensión permisible de servicio DC (UC ) 54 V
Corriente nominal a 45 °C (IL ) 0.75 A
D1 Corriente de impulso de rayo (10/350 µs) (Iimp ) 10 kA
C2 Corriente nominal de descarga (8/20 µs) total (In ) 20 kA
Impedancia de serie por hilo 1.8 Ω
Frecuencia de corte hilo-PG (fG ) 8.7 MHz
Certificaciones CSA, UL 497B, ATEX, IECEx, CSA & USA Hazloc, SIL
*) Para obtener información más detallada, por favor visite www.dehn.es

Se ha añadido el artículo 920325 a favoritos.

El artículo 920325 ha sido añadido a la cesta de compra.

N.º art. 920326 BXT ML4 BE 60

GTIN 4013364109070, N.º de arancel aduanero (EU): 85363010, Peso bruto: 31.00 g, Empaquetado: 1.00 unidad(es)

Predecesor

Figuras

Más información


Máx. tensión permisible de servicio DC: 70 V
Corriente nominal a 45 °C: 1.0 A
D1 Corriente de impulso de rayo (10/350 µs): 10 kA
D1 Corriente de impulso de rayo (10/350 µs) por hilo: 2.5 kA

Producto DEHN
Tipo: BXT ML4 BE 60
art. no.: 920326
o equivalente

Certificados

 

Datos técnicos

Clase DPS M
Máx. tensión permisible de servicio DC (UC ) 70 V
Corriente nominal a 45 °C (IL ) 1.0 A
D1 Corriente de impulso de rayo (10/350 µs) (Iimp ) 10 kA
C2 Corriente nominal de descarga (8/20 µs) total (In ) 20 kA
Impedancia de serie por hilo 1.0 Ω
Frecuencia de corte hilo-PG (fG ) 9.0 MHz
Certificaciones CSA, UL 497B, ATEX, IECEx, CSA & USA Hazloc, SIL
*) Para obtener información más detallada, por favor visite www.dehn.es

Se ha añadido el artículo 920326 a favoritos.

El artículo 920326 ha sido añadido a la cesta de compra.

N.º art. 920327 BXT ML4 BE 180

GTIN 4013364109087, N.º de arancel aduanero (EU): 85363010, Peso bruto: 31.30 g, Empaquetado: 1.00 unidad(es)

Predecesor

Figuras

Más información


Máx. tensión permisible de servicio DC: 180 V
Corriente nominal a 45 °C: 1.0 A
D1 Corriente de impulso de rayo (10/350 µs): 10 kA
D1 Corriente de impulso de rayo (10/350 µs) por hilo: 2.5 kA

Producto DEHN
Tipo: BXT ML4 BE 180
art. no.: 920327
o equivalente

Certificados

 

Datos técnicos

Clase DPS L
Máx. tensión permisible de servicio DC (UC ) 180 V
Corriente nominal a 45 °C (IL ) 1.0 A
D1 Corriente de impulso de rayo (10/350 µs) (Iimp ) 10 kA
C2 Corriente nominal de descarga (8/20 µs) total (In ) 20 kA
Impedancia de serie por hilo 1.0 Ω
Frecuencia de corte hilo-PG (fG ) 25.0 MHz
Certificaciones CSA, UL 497B, ATEX, IECEx, CSA & USA Hazloc, SIL
*) Para obtener información más detallada, por favor visite www.dehn.es

Se ha añadido el artículo 920327 a favoritos.

El artículo 920327 ha sido añadido a la cesta de compra.


BXT ML4 BD 5 – BD 180

Módulo descargador combinado de corriente de rayo y sobretensiones con gran ahorro de espacio, con función RFID LifeCheck, para protección de dos pares de hilos de interfaces simétricas. Si la función LifeCheck detecta sobrecarga eléctrica o térmica el descargador ha de ser reemplazado. Este estado se indica sin contacto por el lector DEHNrecord LC / SCM / MCM.

6 Productos

N.º art. 920340 BXT ML4 BD 5

GTIN 4013364108967, N.º de arancel aduanero (EU): 85363010, Peso bruto: 30.10 g, Empaquetado: 1.00 unidad(es)

Predecesor

Figuras

Más información


Máx. tensión permisible de servicio DC: 6.0 V
Corriente nominal a 45 °C: 1.0 A
D1 Corriente de impulso de rayo (10/350 µs): 10 kA
D1 Corriente de impulso de rayo (10/350 µs) por hilo: 2.5 kA

Producto DEHN
Tipo: BXT ML4 BD 5
art. no.: 920340
o equivalente

Certificados

 

Datos técnicos

Clase DPS M
Máx. tensión permisible de servicio DC (UC ) 6.0 V
Corriente nominal a 45 °C (IL ) 1.0 A
D1 Corriente de impulso de rayo (10/350 µs) (Iimp ) 10 kA
C2 Corriente nominal de descarga (8/20 µs) total (In ) 20 kA
Impedancia de serie por hilo 1.0 Ω
Frecuencia de corte hilo-hilo (fG ) 1.0 MHz
Certificaciones CSA, UL 497B, ATEX, IECEx, CSA & USA Hazloc, SIL
*) Para obtener información más detallada, por favor visite www.dehn.es

Se ha añadido el artículo 920340 a favoritos.

El artículo 920340 ha sido añadido a la cesta de compra.

N.º art. 920342 BXT ML4 BD 12

GTIN 4013364108974, N.º de arancel aduanero (EU): 85363010, Peso bruto: 30.30 g, Empaquetado: 1.00 unidad(es)

Predecesor

Figuras

Más información


Máx. tensión permisible de servicio DC: 15 V
Corriente nominal a 45 °C: 1.0 A
D1 Corriente de impulso de rayo (10/350 µs): 10 kA
D1 Corriente de impulso de rayo (10/350 µs) por hilo: 2.5 kA

Producto DEHN
Tipo: BXT ML4 BD 12
art. no.: 920342
o equivalente

Certificados

 

Datos técnicos

Clase DPS M
Máx. tensión permisible de servicio DC (UC ) 15 V
Corriente nominal a 45 °C (IL ) 1.0 A
D1 Corriente de impulso de rayo (10/350 µs) (Iimp ) 10 kA
C2 Corriente nominal de descarga (8/20 µs) total (In ) 20 kA
Impedancia de serie por hilo 1.0 Ω
Frecuencia de corte hilo-hilo (fG ) 2.8 MHz
Certificaciones CSA, UL 497B, ATEX, IECEx, CSA & USA Hazloc, SIL
*) Para obtener información más detallada, por favor visite www.dehn.es

Se ha añadido el artículo 920342 a favoritos.

El artículo 920342 ha sido añadido a la cesta de compra.

N.º art. 920344 BXT ML4 BD 24

GTIN 4013364108981, N.º de arancel aduanero (EU): 85363010, Peso bruto: 45.30 g, Empaquetado: 1.00 unidad(es)

Predecesor

Figuras

Más información


Máx. tensión permisible de servicio DC: 33 V
Corriente nominal a 45 °C: 1.0 A
D1 Corriente de impulso de rayo (10/350 µs): 10 kA
D1 Corriente de impulso de rayo (10/350 µs) por hilo: 2.5 kA

Producto DEHN
Tipo: BXT ML4 BD 24
art. no.: 920344
o equivalente

Certificados

 

Datos técnicos

Clase DPS M
Máx. tensión permisible de servicio DC (UC ) 33 V
Corriente nominal a 45 °C (IL ) 1.0 A
D1 Corriente de impulso de rayo (10/350 µs) (Iimp ) 10 kA
C2 Corriente nominal de descarga (8/20 µs) total (In ) 20 kA
Impedancia de serie por hilo 1.0 Ω
Frecuencia de corte hilo-hilo (fG ) 7.8 MHz
Certificaciones CSA, UL 497B, ATEX, IECEx, CCC, CSA & USA Hazloc, SIL
*) Para obtener información más detallada, por favor visite www.dehn.es

Se ha añadido el artículo 920344 a favoritos.

El artículo 920344 ha sido añadido a la cesta de compra.

N.º art. 920345 BXT ML4 BD 48

GTIN 4013364108998, N.º de arancel aduanero (EU): 85363010, Peso bruto: 30.50 g, Empaquetado: 1.00 unidad(es)

Predecesor

Figuras

Más información


Máx. tensión permisible de servicio DC: 54 V
Corriente nominal a 45 °C: 1.0 A
D1 Corriente de impulso de rayo (10/350 µs): 10 kA
D1 Corriente de impulso de rayo (10/350 µs) por hilo: 2.5 kA

Producto DEHN
Tipo: BXT ML4 BD 48
art. no.: 920345
o equivalente

Certificados

 

Datos técnicos

Clase DPS M
Máx. tensión permisible de servicio DC (UC ) 54 V
Corriente nominal a 45 °C (IL ) 1.0 A
D1 Corriente de impulso de rayo (10/350 µs) (Iimp ) 10 kA
C2 Corriente nominal de descarga (8/20 µs) total (In ) 20 kA
Impedancia de serie por hilo 1.0 Ω
Frecuencia de corte hilo-hilo (fG ) 8.7 MHz
Certificaciones CSA, UL 497B, ATEX, IECEx, CSA & USA Hazloc, SIL
*) Para obtener información más detallada, por favor visite www.dehn.es

Se ha añadido el artículo 920345 a favoritos.

El artículo 920345 ha sido añadido a la cesta de compra.

N.º art. 920346 BXT ML4 BD 60

GTIN 4013364109001, N.º de arancel aduanero (EU): 85363010, Peso bruto: 30.70 g, Empaquetado: 1.00 unidad(es)

Predecesor

Figuras

Más información


Máx. tensión permisible de servicio DC: 70 V
Corriente nominal a 45 °C: 1.0 A
D1 Corriente de impulso de rayo (10/350 µs): 10 kA
D1 Corriente de impulso de rayo (10/350 µs) por hilo: 2.5 kA

Producto DEHN
Tipo: BXT ML4 BD 60
art. no.: 920346
o equivalente

Certificados

 

Datos técnicos

Clase DPS M
Máx. tensión permisible de servicio DC (UC ) 70 V
Corriente nominal a 45 °C (IL ) 1.0 A
D1 Corriente de impulso de rayo (10/350 µs) (Iimp ) 10 kA
C2 Corriente nominal de descarga (8/20 µs) total (In ) 20 kA
Impedancia de serie por hilo 1.0 Ω
Frecuencia de corte hilo-hilo (fG ) 11.0 MHz
Certificaciones CSA, UL 497B, ATEX, IECEx, CSA & USA Hazloc, SIL
*) Para obtener información más detallada, por favor visite www.dehn.es

Se ha añadido el artículo 920346 a favoritos.

El artículo 920346 ha sido añadido a la cesta de compra.

N.º art. 920347 BXT ML4 BD 180

GTIN 4013364109018, N.º de arancel aduanero (EU): 85363010, Peso bruto: 30.50 g, Empaquetado: 1.00 unidad(es)

Predecesor

Figuras

Más información


Máx. tensión permisible de servicio DC: 180 V
Corriente nominal a 45 °C: 0.75 A
D1 Corriente de impulso de rayo (10/350 µs): 10 kA
D1 Corriente de impulso de rayo (10/350 µs) por hilo: 2.5 kA

Producto DEHN
Tipo: BXT ML4 BD 180
art. no.: 920347
o equivalente

Certificados

 

Datos técnicos

Clase DPS L
Máx. tensión permisible de servicio DC (UC ) 180 V
Corriente nominal a 45 °C (IL ) 0.75 A
D1 Corriente de impulso de rayo (10/350 µs) (Iimp ) 10 kA
C2 Corriente nominal de descarga (8/20 µs) total (In ) 20 kA
Impedancia de serie por hilo 1.8 Ω
Frecuencia de corte hilo-hilo (fG ) 25.0 MHz
Certificaciones CSA, UL 497B, ATEX, IECEx, CSA & USA Hazloc, SIL
*) Para obtener información más detallada, por favor visite www.dehn.es

Se ha añadido el artículo 920347 a favoritos.

El artículo 920347 ha sido añadido a la cesta de compra.


BXT ML4 BPD 24

Módulo descargador combinado de corrientes de rayo y sobretensiones de gran ahorro de espacio, con función RFID LifeCheck, para protección de dos pares en sistemas de 24 V DC. Utilización apropiada también para polo negativo de tierra. Las resistencias PTC integradas permiten un reseteo seguro del descargador después de avería en el sistema con corriente de cortocircuito hasta 40 A.

1 Producto

N.º art. 920314 BXT ML4 BPD 24

GTIN 4013364261396, N.º de arancel aduanero (EU): 85363010, Peso bruto: 39.66 g, Empaquetado: 1.00 unidad(es)


Figuras

Más información


Máx. tensión permisible de servicio DC: 33 V
Corriente nominal a 70 °C: 0,1 A
D1 Corriente de impulso de rayo (10/350 µs): 10 kA
D1 Corriente de impulso de rayo (10/350 µs) por hilo: 2,5 kA

Producto DEHN
Tipo: BXT ML4 BPD 24
art. no.: 920314
o equivalente

Certificados

 

Datos técnicos

Clase DPS M
Máx. tensión permisible de servicio DC (UC ) 33 V
Corriente nominal a 70 °C (IL ) 0,1 A
D1 Corriente de impulso de rayo (10/350 µs) (Iimp ) 10 kA
C2 Corriente nominal de descarga (8/20 µs) total (In ) 20 kA
Impedancia de serie por hilo normalmente 10 Ω
Frecuencia de corte hilo-hilo (fG ) 4 MHz
Certificaciones SIL

Se ha añadido el artículo 920314 a favoritos.

El artículo 920314 ha sido añadido a la cesta de compra.


BXT ML4 BC 5 / 24

Módulo descargador combinado de corrientes de rayo y sobretensiones con gran ahorro de espacio, con función RFID LifeCheck, para protección de cuatro hilos individuales sin referencia a tierra pero con potencial de referencia común. Si la función LifeCheck detecta sobrecarga eléctrica o térmica el descargador ha de ser reemplazado. Este estado se indica sin contacto por el lector DEHNrecord LC / SCM / MCM.

2 Productos

N.º art. 920350 BXT ML4 BC 5

GTIN 4013364109131, N.º de arancel aduanero (EU): 85363010, Peso bruto: 30.60 g, Empaquetado: 1.00 unidad(es)


Figuras

Más información


Máx. tensión permisible de servicio DC: 6.0 V
Corriente nominal a 45 °C: 1.0 A
D1 Corriente de impulso de rayo (10/350 µs): 10 kA
D1 Corriente de impulso de rayo (10/350 µs) por hilo: 2.5 kA

Producto DEHN
Tipo: BXT ML4 BC 5
art. no.: 920350
o equivalente

Certificados

 

Datos técnicos

Clase DPS M
Máx. tensión permisible de servicio DC (UC ) 6.0 V
Corriente nominal a 45 °C (IL ) 1.0 A
D1 Corriente de impulso de rayo (10/350 µs) (Iimp ) 10 kA
C2 Corriente nominal de descarga (8/20 µs) total (In ) 20 kA
Impedancia de serie por hilo 1.0 Ω
Frecuencia de corte hilo-hilo (fG ) 1.0 MHz
Certificaciones CSA, ATEX, IECEx, CSA & USA Hazloc, SIL
*) Para obtener información más detallada, por favor visite www.dehn.es

Se ha añadido el artículo 920350 a favoritos.

El artículo 920350 ha sido añadido a la cesta de compra.

N.º art. 920354 BXT ML4 BC 24

GTIN 4013364109148, N.º de arancel aduanero (EU): 85363010, Peso bruto: 30.90 g, Empaquetado: 1.00 unidad(es)


Figuras

Más información


Máx. tensión permisible de servicio DC: 33 V
Corriente nominal a 45 °C: 0.75 A
D1 Corriente de impulso de rayo (10/350 µs): 10 kA
D1 Corriente de impulso de rayo (10/350 µs) por hilo: 2.5 kA

Producto DEHN
Tipo: BXT ML4 BC 24
art. no.: 920354
o equivalente

Certificados

 

Datos técnicos

Clase DPS M
Máx. tensión permisible de servicio DC (UC ) 33 V
Corriente nominal a 45 °C (IL ) 0.75 A
D1 Corriente de impulso de rayo (10/350 µs) (Iimp ) 10 kA
C2 Corriente nominal de descarga (8/20 µs) total (In ) 20 kA
Impedancia de serie por hilo 1.8 Ω
Frecuencia de corte hilo-hilo (fG ) 5.7 MHz
Certificaciones CSA, ATEX, IECEx, CSA & USA Hazloc, SIL
*) Para obtener información más detallada, por favor visite www.dehn.es

Se ha añadido el artículo 920354 a favoritos.

El artículo 920354 ha sido añadido a la cesta de compra.


BXT ML4 BE C 12 / 24

Módulo descargador combinado de corriente de rayo y sobretensiones con gran ahorro de espacio, con función RFID LifeCheck, para protección de dos pares de hilos de interfaces simétricas con circuito de diodos de protección en la entrada, lazos de corriente (TTY) y entradas optoacopladas. Si la función LifeCheck detecta sobrecarga eléctrica o térmica el descargador ha de ser reemplazado. Este estado se indica sin contacto por el lector DEHNrecord LC /SCM / MCM.

2 Productos

N.º art. 920362 BXT ML4 BE C 12

GTIN 4013364120587, N.º de arancel aduanero (EU): 85363010, Peso bruto: 31.20 g, Empaquetado: 1.00 unidad(es)

Predecesor

Figuras

Más información


Máx. tensión permisible de servicio DC: 15 V
Corriente nominal a 80 °C: 0.1 A
D1 Corriente de impulso de rayo (10/350 µs): 10 kA
D1 Corriente de impulso de rayo (10/350 µs) por hilo: 2.5 kA

Producto DEHN
Tipo: BXT ML4 BE C 12
art. no.: 920362
o equivalente

Certificados

 

Datos técnicos

Clase DPS M
Máx. tensión permisible de servicio DC (UC ) 15 V
Corriente nominal a 80 °C (IL ) 0.1 A
D1 Corriente de impulso de rayo (10/350 µs) (Iimp ) 10 kA
C2 Corriente nominal de descarga (8/20 µs) total (In ) 20 kA
Impedancia de serie por hilo 13.8 Ω
Frecuencia de corte hilo-PG (fG ) 0.85 MHz
Certificaciones ATEX, IECEx, CSA & USA Hazloc, SIL
*) Para obtener información más detallada, por favor visite www.dehn.es

Se ha añadido el artículo 920362 a favoritos.

El artículo 920362 ha sido añadido a la cesta de compra.

N.º art. 920364 BXT ML4 BE C 24

GTIN 4013364109155, N.º de arancel aduanero (EU): 85363010, Peso bruto: 31.70 g, Empaquetado: 1.00 unidad(es)

Predecesor

Figuras

Más información


Máx. tensión permisible de servicio DC: 33 V
Corriente nominal a 80 °C: 0.1 A
D1 Corriente de impulso de rayo (10/350 µs): 10 kA
D1 Corriente de impulso de rayo (10/350 µs) por hilo: 2.5 kA

Producto DEHN
Tipo: BXT ML4 BE C 24
art. no.: 920364
o equivalente

Certificados

 

Datos técnicos

Clase DPS M
Máx. tensión permisible de servicio DC (UC ) 33 V
Corriente nominal a 80 °C (IL ) 0.1 A
D1 Corriente de impulso de rayo (10/350 µs) (Iimp ) 10 kA
C2 Corriente nominal de descarga (8/20 µs) total (In ) 20 kA
Impedancia de serie por hilo 28.8 Ω
Frecuencia de corte hilo-PG (fG ) 1.7 MHz
Certificaciones CSA, ATEX, IECEx, CSA & USA Hazloc, SIL
*) Para obtener información más detallada, por favor visite www.dehn.es

Se ha añadido el artículo 920364 a favoritos.

El artículo 920364 ha sido añadido a la cesta de compra.


BXT ML4 BE HF 5

Módulo descargador combinado de corriente de rayo y sobretensiones con gran ahorro de espacio, con función RFID LifeCheck, para protección de cuatro hilos individuales con potencial de referencia común así como transmisiones de alta frecuencia sin aislamiento galvánico. Si la función LifeCheck detecta sobrecarga eléctrica o térmica el descargador ha de ser reemplazado. Este estado se indica sin contacto por el lector DEHNrecord LC / SCM / MCM.

1 Producto

N.º art. 920370 BXT ML4 BE HF 5

GTIN 4013364109117, N.º de arancel aduanero (EU): 85363010, Peso bruto: 31.00 g, Empaquetado: 1.00 unidad(es)

Predecesor

Figuras

Más información


Máx. tensión permisible de servicio DC: 6.0 V
Corriente nominal a 45 °C: 1.0 A
D1 Corriente de impulso de rayo (10/350 µs): 10 kA
D1 Corriente de impulso de rayo (10/350 µs) por hilo: 2.5 kA

Producto DEHN
Tipo: BXT ML4 BE HF 5
art. no.: 920370
o equivalente

Certificados

 

Datos técnicos

Clase DPS M
Máx. tensión permisible de servicio DC (UC ) 6.0 V
Corriente nominal a 45 °C (IL ) 1.0 A
D1 Corriente de impulso de rayo (10/350 µs) (Iimp ) 10 kA
C2 Corriente nominal de descarga (8/20 µs) total (In ) 20 kA
Impedancia de serie por hilo 1.0 Ω
Frecuencia de corte hilo-PG (fG ) 100.0 MHz
Certificaciones CSA, UL 497B, ATEX, IECEx, CCC, CSA & USA Hazloc, SIL
*) Para obtener información más detallada, por favor visite www.dehn.es

Se ha añadido el artículo 920370 a favoritos.

El artículo 920370 ha sido añadido a la cesta de compra.


BXT ML4 BD HF 5 / 24

Módulo descargador combinado de corrientes de rayo y sobretensiones de gran ahorro de espacio, con función RFID LifeCheck, para protección de dos pares en sistemas de bus de alta frecuencia sin potencial de tierra o sistemas de dos hilos de transmisión de video. Si la función LifeCheck detecta sobrecarga eléctrica o térmica el descargador ha de ser reemplazado. Este estado se indica sin contacto por el lector DEHNrecord LC / SCM / MCM.

2 Productos

N.º art. 920371 BXT ML4 BD HF 5

GTIN 4013364109094, N.º de arancel aduanero (EU): 85363010, Peso bruto: 30.80 g, Empaquetado: 1.00 unidad(es)

Predecesor

Figuras

Más información


Máx. tensión permisible de servicio DC: 6.0 V
Corriente nominal a 45 °C: 1.0 A
D1 Corriente de impulso de rayo (10/350 µs): 10 kA
D1 Corriente de impulso de rayo (10/350 µs) por hilo: 2.5 kA

Producto DEHN
Tipo: BXT ML4 BD HF 5
art. no.: 920371
o equivalente

Certificados

 

Datos técnicos

Clase DPS M
Máx. tensión permisible de servicio DC (UC ) 6.0 V
Corriente nominal a 45 °C (IL ) 1.0 A
D1 Corriente de impulso de rayo (10/350 µs) (Iimp ) 10 kA
C2 Corriente nominal de descarga (8/20 µs) total (In ) 20 kA
Impedancia de serie por hilo 1.0 Ω
Frecuencia de corte hilo-hilo (fG ) 100.0 MHz
Certificaciones CSA, UL 497B, ATEX, IECEx, CCC, CSA & USA Hazloc, SIL
*) Para obtener información más detallada, por favor visite www.dehn.es

Se ha añadido el artículo 920371 a favoritos.

El artículo 920371 ha sido añadido a la cesta de compra.

N.º art. 920375 BXT ML4 BD HF 24

GTIN 4013364109100, N.º de arancel aduanero (EU): 85363010, Peso bruto: 31.00 g, Empaquetado: 1.00 unidad(es)

Predecesor

Figuras

Más información


Máx. tensión permisible de servicio DC: 33 V
Corriente nominal a 45 °C: 1.0 A
D1 Corriente de impulso de rayo (10/350 µs): 10 kA
D1 Corriente de impulso de rayo (10/350 µs) por hilo: 2.5 kA

Producto DEHN
Tipo: BXT ML4 BD HF 24
art. no.: 920375
o equivalente

Certificados

 

Datos técnicos

Clase DPS M
Máx. tensión permisible de servicio DC (UC ) 33 V
Corriente nominal a 45 °C (IL ) 1.0 A
D1 Corriente de impulso de rayo (10/350 µs) (Iimp ) 10 kA
C2 Corriente nominal de descarga (8/20 µs) total (In ) 20 kA
Impedancia de serie por hilo 1.0 Ω
Frecuencia de corte hilo-hilo (fG ) 100.0 MHz
Certificaciones CSA, UL 497B, ATEX, IECEx, CSA & USA Hazloc, SIL
*) Para obtener información más detallada, por favor visite www.dehn.es

Se ha añadido el artículo 920375 a favoritos.

El artículo 920375 ha sido añadido a la cesta de compra.


BXT ML4 MY 110 / 250

Módulo descargador combinado de corrientes de rayo y sobretensiones de gran ahorro de espacio, con función RFID LifeCheck, para protección de cuatro hilos de señal trenzados. Si la función LifeCheck detecta sobrecarga eléctrica o térmica el descargador ha de ser reemplazado. Este estado se indica sin contacto por el lector DEHNrecord LC / SCM / MCM.

2 Productos

N.º art. 920388 BXT ML4 MY 110

GTIN 4013364137370, N.º de arancel aduanero (EU): 85363010, Peso bruto: 34.70 g, Empaquetado: 1.00 unidad(es)


Figuras

Más información


Corriente nominal a 80 °C: 3.0 A

Producto DEHN
Tipo: BXT ML4 MY 110
art. no.: 920388
o equivalente

Certificados

 

Datos técnicos

Clase DPS U
Máx. tensión permisible de servicio DC hilo-hilo (UC ) 170 V
Máx. tensión permisible de servicio DC hilo-PG (UC ) 85 V
Corriente nominal a 80 °C (IL ) 3.0 A
C2 Corriente nominal de descarga (8/20 µs) total (In ) 10 kA
Frecuencia de corte hilo-hilo (fG ) 4,5 MHz
Certificaciones SIL
*) Para obtener información más detallada, por favor visite www.dehn.es

Se ha añadido el artículo 920388 a favoritos.

El artículo 920388 ha sido añadido a la cesta de compra.

N.º art. 920389 BXT ML4 MY 250

GTIN 4013364118447, N.º de arancel aduanero (EU): 85363010, Peso bruto: 36.70 g, Empaquetado: 1.00 unidad(es)

Predecesor

Figuras

Más información


Corriente nominal a 80 °C: 3.0 A

Producto DEHN
Tipo: BXT ML4 MY 250
art. no.: 920389
o equivalente

Certificados

 

Datos técnicos

Clase DPS V
Máx. tensión permisible de servicio DC hilo-hilo (UC ) 620 V
Máx. tensión permisible de servicio DC hilo-PG (UC ) 320 V
Corriente nominal a 80 °C (IL ) 3.0 A
C2 Corriente nominal de descarga (8/20 µs) total (In ) 10 kA
Frecuencia de corte hilo-hilo (fG ) 20.0 MHz
Certificaciones SIL
*) Para obtener información más detallada, por favor visite www.dehn.es

Se ha añadido el artículo 920389 a favoritos.

El artículo 920389 ha sido añadido a la cesta de compra.


BXT ML4 BE BD 24

Módulo descargador combinado de corrientes de rayo y sobretensiones de gran ahorro de espacio, con función RFID LifeCheck, para protección de dos hilos individuales con potencial de referencia común así como interfaces asimétricas y un par de hilos de señal sin potencial de tierra. Si la función LifeCheck detecta sobrecarga eléctrica o térmica el descargador ha de ser reemplazado. Este estado se indica sin contacto por el lector DEHNrecord LC / MCM.

1 Producto

N.º art. 920334 BXT ML4 BE BD 24

GTIN 4013364152229, N.º de arancel aduanero (EU): 85363010, Peso bruto: 29.59 g, Empaquetado: 1.00 unidad(es)


Figuras

Más información

Módulo descargador combinado de corrientes de rayo
y sobretensiones con función LifeCheck
BLITZDUCTOR XT BXT ML4 BE BD 24
Módulo descargador de sobretensiones
tipo 1 / P1 BLITZDUCTOR XT,
comprobado según la EN 61643-21
y coordinado energéticamente según la
IEC 61643-22 para protección de dos hilos individuales
con potencial de referencia común así como
interfaces asimétricas y un par de hilos de señal
sin potencial de tierra de interfaces simétricas.
Con función LifeCheck integrada para la
comprobación de los descargadores sin contacto.
Enchufable en la base BXT BAS / BSP BAS 4.
Máx. tensión permisible de servicio DC: 33 V
Corriente nominal a 45 °C: 0,75 A
D1 Corriente de impulso de rayo (10/350 µs): 10 kA
D1 Corriente de impulso de rayo (10/350 µs) por hilo: 2,5 kA

Producto DEHN
Tipo: BXT ML4 BE BD 24
art. no.: 920334
o equivalente

Certificados

 

Datos técnicos

Clase DPS M
Máx. tensión permisible de servicio DC (UC ) 33 V
Corriente nominal a 45 °C (IL ) 0,75 A
D1 Corriente de impulso de rayo (10/350 µs) (Iimp ) 10 kA
C2 Corriente nominal de descarga (8/20 µs) total (In ) 20 kA

Se ha añadido el artículo 920334 a favoritos.

El artículo 920334 ha sido añadido a la cesta de compra.


BXT ML2 BD 180

Módulo de protección de descargador combinado de espacio reducido con función LifeCheck RFID para la protección de 1 par de hilos de interfaces simétricas sin referencia a tierra. Si el sistema LifeCheck detecta sobrecarga térmica o eléctrica, el descargador de sobretensiones se debe reemplazar. Este estado se indica sin contacto mediante DEHNrecord LC / SCM / MCM.

1 Producto

N.º art. 920247 BXT ML2 BD 180

GTIN 4013364116078, N.º de arancel aduanero (EU): 85363010, Peso bruto: 49.60 g, Empaquetado: 1.00 unidad(es)

Predecesor

Figuras

Más información


Máx. tensión permisible de servicio DC: 180 V
Corriente nominal a 45 °C: 0.75 A
D1 Corriente de impulso de rayo (10/350 µs): 5 kA
D1 Corriente de impulso de rayo (10/350 µs) por hilo: 2.5 kA

Producto DEHN
Tipo: BXT ML2 BD 180
art. no.: 920247
o equivalente

Certificados

 

Datos técnicos

Clase DPS L
Máx. tensión permisible de servicio DC (UC ) 180 V
Corriente nominal a 45 °C (IL ) 0.75 A
D1 Corriente de impulso de rayo (10/350 µs) (Iimp ) 5 kA
C2 Corriente nominal de descarga (8/20 µs) total (In ) 20 kA
Impedancia de serie por hilo 1.8 Ω
Frecuencia de corte hilo-hilo (fG ) 25.0 MHz
Certificaciones CSA, ATEX, IECEx, CSA & USA Hazloc, SIL
*) Para obtener información más detallada, por favor visite www.dehn.es

Se ha añadido el artículo 920247 a favoritos.

El artículo 920247 ha sido añadido a la cesta de compra.


BXT ML2 BD S 5 – BD S 48

Módulo de protección de descargador combinado de espacio reducido con función RFID LifeCheck para la protección de 1 par de hilos de interfaces simétricas sin referencia a tierra, con opción de puesta a tierra directa o indirecta del apantallamiento. Si el sistema LifeCheck detecta sobrecarga térmica o eléctrica, el descargador de sobretensiones se debe reemplazar. Este estado se indica sin contacto mediante DEHNrecord LC / SCM / MCM.

4 Productos

N.º art. 920240 BXT ML2 BD S 5

GTIN 4013364118348, N.º de arancel aduanero (EU): 85363010, Peso bruto: 27.50 g, Empaquetado: 1.00 unidad(es)

Predecesor

Figuras

Más información


Máx. tensión permisible de servicio DC: 6.0 V
Corriente nominal a 45 °C: 1.0 A
D1 Corriente de impulso de rayo (10/350 µs): 9 kA
D1 Corriente de impulso de rayo (10/350 µs) por hilo: 2.5 kA

Producto DEHN
Tipo: BXT ML2 BD S 5
art. no.: 920240
o equivalente

Certificados

 

Datos técnicos

Clase DPS M
Máx. tensión permisible de servicio DC (UC ) 6.0 V
Corriente nominal a 45 °C (IL ) 1.0 A
D1 Corriente de impulso de rayo (10/350 µs) (Iimp ) 9 kA
C2 Corriente nominal de descarga (8/20 µs) total (In ) 20 kA
Impedancia de serie por hilo 1.0 Ω
Frecuencia de corte hilo-hilo (fG ) 1.0 MHz
Certificaciones CSA, ATEX, IECEx, CSA & USA Hazloc, SIL
*) Para obtener información más detallada, por favor visite www.dehn.es

Se ha añadido el artículo 920240 a favoritos.

El artículo 920240 ha sido añadido a la cesta de compra.

N.º art. 920242 BXT ML2 BD S 12

GTIN 4013364118362, N.º de arancel aduanero (EU): 85363010, Peso bruto: 27.60 g, Empaquetado: 1.00 unidad(es)

Predecesor

Figuras

Más información


Máx. tensión permisible de servicio DC: 15 V
Corriente nominal a 45 °C: 1.0 A
D1 Corriente de impulso de rayo (10/350 µs): 9 kA
D1 Corriente de impulso de rayo (10/350 µs) por hilo: 2.5 kA

Producto DEHN
Tipo: BXT ML2 BD S 12
art. no.: 920242
o equivalente

Certificados

 

Datos técnicos

Clase DPS M
Máx. tensión permisible de servicio DC (UC ) 15 V
Corriente nominal a 45 °C (IL ) 1.0 A
D1 Corriente de impulso de rayo (10/350 µs) (Iimp ) 9 kA
C2 Corriente nominal de descarga (8/20 µs) total (In ) 20 kA
Impedancia de serie por hilo 1.0 Ω
Frecuencia de corte hilo-hilo (fG ) 2.8 MHz
Certificaciones CSA, ATEX, IECEx, CSA & USA Hazloc, SIL
*) Para obtener información más detallada, por favor visite www.dehn.es

Se ha añadido el artículo 920242 a favoritos.

El artículo 920242 ha sido añadido a la cesta de compra.

N.º art. 920244 BXT ML2 BD S 24

GTIN 4013364117792, N.º de arancel aduanero (EU): 85363010, Peso bruto: 27.80 g, Empaquetado: 1.00 unidad(es)

Predecesor

Figuras

Más información


Máx. tensión permisible de servicio DC: 33 V
Corriente nominal a 45 °C: 1.0 A
D1 Corriente de impulso de rayo (10/350 µs): 9 kA
D1 Corriente de impulso de rayo (10/350 µs) por hilo: 2.5 kA

Producto DEHN
Tipo: BXT ML2 BD S 24
art. no.: 920244
o equivalente

Certificados

 

Datos técnicos

Clase DPS M
Máx. tensión permisible de servicio DC (UC ) 33 V
Corriente nominal a 45 °C (IL ) 1.0 A
D1 Corriente de impulso de rayo (10/350 µs) (Iimp ) 9 kA
C2 Corriente nominal de descarga (8/20 µs) total (In ) 20 kA
Impedancia de serie por hilo 1.0 Ω
Frecuencia de corte hilo-hilo (fG ) 7.8 MHz
Certificaciones CSA, ATEX, IECEx, CCC, CSA & USA Hazloc, SIL
*) Para obtener información más detallada, por favor visite www.dehn.es

Se ha añadido el artículo 920244 a favoritos.

El artículo 920244 ha sido añadido a la cesta de compra.

N.º art. 920245 BXT ML2 BD S 48

GTIN 4013364118386, N.º de arancel aduanero (EU): 85363010, Peso bruto: 43.20 g, Empaquetado: 1.00 unidad(es)

Predecesor

Figuras

Más información


Máx. tensión permisible de servicio DC: 54 V
Corriente nominal a 45 °C: 1.0 A
D1 Corriente de impulso de rayo (10/350 µs): 9 kA
D1 Corriente de impulso de rayo (10/350 µs) por hilo: 2.5 kA

Producto DEHN
Tipo: BXT ML2 BD S 48
art. no.: 920245
o equivalente

Certificados

 

Datos técnicos

Clase DPS M
Máx. tensión permisible de servicio DC (UC ) 54 V
Corriente nominal a 45 °C (IL ) 1.0 A
D1 Corriente de impulso de rayo (10/350 µs) (Iimp ) 9 kA
C2 Corriente nominal de descarga (8/20 µs) total (In ) 20 kA
Impedancia de serie por hilo 1.0 Ω
Frecuencia de corte hilo-hilo (fG ) 8.7 MHz
Certificaciones CSA, ATEX, IECEx, CSA & USA Hazloc, SIL
*) Para obtener información más detallada, por favor visite www.dehn.es

Se ha añadido el artículo 920245 a favoritos.

El artículo 920245 ha sido añadido a la cesta de compra.


BXT ML2 BE S 5 – BE S 48

Módulo descargador combinado de corrientes de rayo y sobretensiones de gran ahorro de espacio, con función RFID LifeCheck, para protección de dos hilos individuales con potencial de referencia común así como interfaces asimétricas, con puesta a tierra del apantallamiento directa o indirectamente. Si la función LifeCheck detecta sobrecarga eléctrica o térmica el descargador ha de ser reemplazado. Este estado se indica sin contacto por el lector DEHNrecord LC / SCM / MCM.

5 Productos

N.º art. 920220 BXT ML2 BE S 5

GTIN 4013364118331, N.º de arancel aduanero (EU): 85363010, Peso bruto: 43.40 g, Empaquetado: 1.00 unidad(es)

Predecesor

Figuras

Más información


Máx. tensión permisible de servicio DC: 6.0 V
Corriente nominal a 45 °C: 1.0 A
D1 Corriente de impulso de rayo (10/350 µs): 9 kA
D1 Corriente de impulso de rayo (10/350 µs) por hilo: 2.5 kA

Producto DEHN
Tipo: BXT ML2 BE S 5
art. no.: 920220
o equivalente

Certificados

 

Datos técnicos

Clase DPS M
Máx. tensión permisible de servicio DC (UC ) 6.0 V
Corriente nominal a 45 °C (IL ) 1.0 A
D1 Corriente de impulso de rayo (10/350 µs) (Iimp ) 9 kA
C2 Corriente nominal de descarga (8/20 µs) total (In ) 20 kA
Impedancia de serie por hilo 1.0 Ω
Frecuencia de corte hilo-PG (fG ) 1.0 MHz
Certificaciones CSA, ATEX, IECEx, CSA & USA Hazloc, SIL
*) Para obtener información más detallada, por favor visite www.dehn.es

Se ha añadido el artículo 920220 a favoritos.

El artículo 920220 ha sido añadido a la cesta de compra.

N.º art. 920222 BXT ML2 BE S 12

GTIN 4013364118355, N.º de arancel aduanero (EU): 85363010, Peso bruto: 27.90 g, Empaquetado: 1.00 unidad(es)

Predecesor

Figuras

Más información


Máx. tensión permisible de servicio DC: 15 V
Corriente nominal a 45 °C: 0.75 A
D1 Corriente de impulso de rayo (10/350 µs): 9 kA
D1 Corriente de impulso de rayo (10/350 µs) por hilo: 2.5 kA

Producto DEHN
Tipo: BXT ML2 BE S 12
art. no.: 920222
o equivalente

Certificados

 

Datos técnicos

Clase DPS M
Máx. tensión permisible de servicio DC (UC ) 15 V
Corriente nominal a 45 °C (IL ) 0.75 A
D1 Corriente de impulso de rayo (10/350 µs) (Iimp ) 9 kA
C2 Corriente nominal de descarga (8/20 µs) total (In ) 20 kA
Impedancia de serie por hilo 1.8 Ω
Frecuencia de corte hilo-PG (fG ) 2.7 MHz
Certificaciones CSA, ATEX, IECEx, CCC, CSA & USA Hazloc, SIL
*) Para obtener información más detallada, por favor visite www.dehn.es

Se ha añadido el artículo 920222 a favoritos.

El artículo 920222 ha sido añadido a la cesta de compra.

N.º art. 920224 BXT ML2 BE S 24

GTIN 4013364117785, N.º de arancel aduanero (EU): 85363010, Peso bruto: 44.00 g, Empaquetado: 1.00 unidad(es)

Predecesor

Figuras

Más información


Máx. tensión permisible de servicio DC: 33 V
Corriente nominal a 45 °C: 0.75 A
D1 Corriente de impulso de rayo (10/350 µs): 9 kA
D1 Corriente de impulso de rayo (10/350 µs) por hilo: 2.5 kA

Producto DEHN
Tipo: BXT ML2 BE S 24
art. no.: 920224
o equivalente

Certificados

 

Datos técnicos

Clase DPS M
Máx. tensión permisible de servicio DC (UC ) 33 V
Corriente nominal a 45 °C (IL ) 0.75 A
D1 Corriente de impulso de rayo (10/350 µs) (Iimp ) 9 kA
C2 Corriente nominal de descarga (8/20 µs) total (In ) 20 kA
Impedancia de serie por hilo 1.8 Ω
Frecuencia de corte hilo-PG (fG ) 6.8 MHz
Certificaciones CSA, ATEX, IECEx, CCC, CSA & USA Hazloc, SIL
*) Para obtener información más detallada, por favor visite www.dehn.es

Se ha añadido el artículo 920224 a favoritos.

El artículo 920224 ha sido añadido a la cesta de compra.

N.º art. 920226 BXT ML2 BE S 36

GTIN 4013364142121, N.º de arancel aduanero (EU): 85363010, Peso bruto: 30.10 g, Empaquetado: 1.00 unidad(es)


Figuras

Más información


Máx. tensión permisible de servicio DC: 45 V
Corriente nominal a 45 °C: 1.8 A
D1 Corriente de impulso de rayo (10/350 µs): 9 kA
D1 Corriente de impulso de rayo (10/350 µs) por hilo: 2.5 kA

Producto DEHN
Tipo: BXT ML2 BE S 36
art. no.: 920226
o equivalente

Certificados

 

Datos técnicos

Clase DPS M
Máx. tensión permisible de servicio DC (UC ) 45 V
Corriente nominal a 45 °C (IL ) 1.8 A
D1 Corriente de impulso de rayo (10/350 µs) (Iimp ) 9 kA
C2 Corriente nominal de descarga (8/20 µs) total (In ) 20 kA
Impedancia de serie por hilo 0.43 Ω
Frecuencia de corte hilo-PG (fG ) 3.8 MHz
Certificaciones UL 497B, SIL
*) Para obtener información más detallada, por favor visite www.dehn.es

Se ha añadido el artículo 920226 a favoritos.

El artículo 920226 ha sido añadido a la cesta de compra.

N.º art. 920225 BXT ML2 BE S 48

GTIN 4013364118379, N.º de arancel aduanero (EU): 85363010, Peso bruto: 27.60 g, Empaquetado: 1.00 unidad(es)

Predecesor

Figuras

Más información


Máx. tensión permisible de servicio DC: 54 V
Corriente nominal a 45 °C: 0.75 A
D1 Corriente de impulso de rayo (10/350 µs): 9 kA
D1 Corriente de impulso de rayo (10/350 µs) por hilo: 2.5 kA

Producto DEHN
Tipo: BXT ML2 BE S 48
art. no.: 920225
o equivalente

Certificados

 

Datos técnicos

Clase DPS M
Máx. tensión permisible de servicio DC (UC ) 54 V
Corriente nominal a 45 °C (IL ) 0.75 A
D1 Corriente de impulso de rayo (10/350 µs) (Iimp ) 9 kA
C2 Corriente nominal de descarga (8/20 µs) total (In ) 20 kA
Impedancia de serie por hilo 1.8 Ω
Frecuencia de corte hilo-PG (fG ) 8.7 MHz
Certificaciones CSA, UL 497B, ATEX, IECEx, CSA & USA Hazloc, SIL
*) Para obtener información más detallada, por favor visite www.dehn.es

Se ha añadido el artículo 920225 a favoritos.

El artículo 920225 ha sido añadido a la cesta de compra.


BXT ML2 BE HFS 5

Módulo descargador combinado de corrientes de rayo y sobretensiones de gran ahorro de espacio, con función RFID LifeCheck, para protección de un par de hilos de transmisión de alta frecuencia sin aislamiento galvánico, con puesta a tierra del apantallamiento directa o indirectamente. Si la función LifeCheck detecta sobrecarga eléctrica o térmica el descargador ha de ser reemplazado. Este estado se indica sin contacto por el lector DEHNrecord LC / SCM / MCM.

1 Producto

N.º art. 920270 BXT ML2 BE HFS 5

GTIN 4013364117549, N.º de arancel aduanero (EU): 85363010, Peso bruto: 28.60 g, Empaquetado: 1.00 unidad(es)

Predecesor

Figuras

Más información


Máx. tensión permisible de servicio DC: 6.0 V
Corriente nominal a 45 °C: 1.0 A
D1 Corriente de impulso de rayo (10/350 µs): 9 kA
D1 Corriente de impulso de rayo (10/350 µs) por hilo: 2.5 kA

Producto DEHN
Tipo: BXT ML2 BE HFS 5
art. no.: 920270
o equivalente

Certificados

 

Datos técnicos

Clase DPS M
Máx. tensión permisible de servicio DC (UC ) 6.0 V
Corriente nominal a 45 °C (IL ) 1.0 A
D1 Corriente de impulso de rayo (10/350 µs) (Iimp ) 9 kA
C2 Corriente nominal de descarga (8/20 µs) total (In ) 20 kA
Impedancia de serie por hilo 1.0 Ω
Frecuencia de corte hilo-PG (fG ) 100.0 MHz
Certificaciones CSA, UL 497B, ATEX, IECEx, CCC, CSA & USA Hazloc, SIL
*) Para obtener información más detallada, por favor visite www.dehn.es

Se ha añadido el artículo 920270 a favoritos.

El artículo 920270 ha sido añadido a la cesta de compra.


BXT ML2 BD HFS 5

Módulo descargador combinado de corriente de rayo y sobretensiones con gran ahorro de espacio, con función RFID LifeCheck, para protección de un par de hilos en sistemas de bus de alta frecuencia sin potencial de tierra o sistemas de transmisión de video, con puesta a tierra del apantallamiento directa o indirectamente. Si la función LifeCheck detecta sobrecarga eléctrica o térmica el descargador ha de ser reemplazado. Este estado se indica sin contacto por el lector DEHNrecord LC / SCM / MCM.

1 Producto

N.º art. 920271 BXT ML2 BD HFS 5

GTIN 4013364117556, N.º de arancel aduanero (EU): 85363010, Peso bruto: 28.60 g, Empaquetado: 1.00 unidad(es)

Predecesor

Figuras

Más información


Máx. tensión permisible de servicio DC: 6.0 V
Corriente nominal a 45 °C: 1.0 A
D1 Corriente de impulso de rayo (10/350 µs): 9 kA
D1 Corriente de impulso de rayo (10/350 µs) por hilo: 2.5 kA

Producto DEHN
Tipo: BXT ML2 BD HFS 5
art. no.: 920271
o equivalente

Certificados

 

Datos técnicos

Clase DPS M
Máx. tensión permisible de servicio DC (UC ) 6.0 V
Corriente nominal a 45 °C (IL ) 1.0 A
D1 Corriente de impulso de rayo (10/350 µs) (Iimp ) 9 kA
C2 Corriente nominal de descarga (8/20 µs) total (In ) 20 kA
Impedancia de serie por hilo 1.0 Ω
Frecuencia de corte hilo-hilo (fG ) 100.0 MHz
Certificaciones CSA, UL 497B, ATEX, IECEx, CCC, CSA & USA Hazloc, SIL
*) Para obtener información más detallada, por favor visite www.dehn.es

Se ha añadido el artículo 920271 a favoritos.

El artículo 920271 ha sido añadido a la cesta de compra.


BXT ML2 B 180

Módulo descargador de corrientes de rayo de gran ahorro de espacio, con función RFID LifeCheck, para protección de dos hilos y puesta a tierra del apantallamiento para todas las aplicaciones. Para utilizar en conjunto con descargadores de sobretensiones Q o descargadores combinados de corrientes de rayo y sobretensiones con un nivel de tensión igual o inferior. Si la función LifeCheck detecta sobrecarga eléctrica o térmica el descargador ha de ser reemplazado. Este estado se indica sin contacto por el lector DEHNrecord LC / SCM / MCM.

1 Producto

N.º art. 920211 BXT ML2 B 180

GTIN 4013364120570, N.º de arancel aduanero (EU): 85363010, Peso bruto: 30.40 g, Empaquetado: 1.00 unidad(es)

Predecesor

Figuras

Más información


Máx. tensión permisible de servicio DC: 180 V
Corriente nominal a 45 °C: 1.2 A
D1 Corriente de impulso de rayo (10/350 µs): 10 kA
D1 Corriente de impulso de rayo (10/350 µs) por hilo: 2.5 kA

Producto DEHN
Tipo: BXT ML2 B 180
art. no.: 920211
o equivalente

Certificados

 

Datos técnicos

Clase DPS H
Máx. tensión permisible de servicio DC (UC ) 180 V
Corriente nominal a 45 °C (IL ) 1.2 A
D1 Corriente de impulso de rayo (10/350 µs) (Iimp ) 10 kA
C2 Corriente nominal de descarga (8/20 µs) total (In ) 20 kA
Impedancia de serie por hilo 0.4 Ω
Certificaciones CSA, ATEX, IECEx, CSA & USA Hazloc, SIL
Para obtener información más detallada, por favor visite www.dehn.es

Se ha añadido el artículo 920211 a favoritos.

El artículo 920211 ha sido añadido a la cesta de compra.


BXT ML2 BD DL S 15

Módulo descargador combinado de corriente de rayo y sobretensiones con gran ahorro de espacio, con función RFID LifeCheck, para protección de un par de hilos de interfaces simétrica sin referencia a tierra, cumpliendo específicamente los requisitos de buses de campo Dupline, con puesta a tierra del apantallamiento directa o indirectamente. Si la función LifeCheck detecta sobrecarga eléctrica o térmica el descargador ha de ser reemplazado. Este estado se indica sin contacto por el lector DEHNrecord LC / SCM / MCM.

1 Producto

N.º art. 920243 BXT ML2 BD DL S 15

GTIN 4013364126732, N.º de arancel aduanero (EU): 85363010, Peso bruto: 28.30 g, Empaquetado: 1.00 unidad(es)


Figuras

Más información


Máx. tensión permisible de servicio DC: 17 V
Corriente nominal a 70 °C: 0.4 A
D1 Corriente de impulso de rayo (10/350 µs): 9 kA
D1 Corriente de impulso de rayo (10/350 µs) por hilo: 2.5 kA

Producto DEHN
Tipo: BXT ML2 BD DL S 15
art. no.: 920243
o equivalente

Certificados

 

Datos técnicos

Clase DPS M
Máx. tensión permisible de servicio DC (UC ) 17 V
Corriente nominal a 70 °C (IL ) 0.4 A
D1 Corriente de impulso de rayo (10/350 µs) (Iimp ) 9 kA
C2 Corriente nominal de descarga (8/20 µs) total (In ) 20 kA
Impedancia de serie por hilo 2.2 Ω
Frecuencia de corte hilo-hilo (fG ) 2.7 MHz
Certificaciones ATEX, IECEx, CSA & USA Hazloc, SIL
*) Para obtener información más detallada, por favor visite www.dehn.es

Se ha añadido el artículo 920243 a favoritos.

El artículo 920243 ha sido añadido a la cesta de compra.


BXT ML2 MY 250

Módulo descargador de sobretensiones de gran ahorro de espacio, con función RFID LifeCheck, para protección de dos hilos de señal independiente hasta 250 V a.c. Si la función LifeCheck detecta sobrecarga eléctrica o térmica el descargador ha de ser reemplazado. Este estado se indica sin contacto por el lector DEHNrecord LC / SCM / MCM.

1 Producto

N.º art. 920289 BXT ML2 MY 250

GTIN 4013364135840, N.º de arancel aduanero (EU): 85363010, Peso bruto: 29.20 g, Empaquetado: 1.00 unidad(es)

Predecesor

Figuras

Más información


Corriente nominal a 80 °C: 3.0 A

Producto DEHN
Tipo: BXT ML2 MY 250
art. no.: 920289
o equivalente

Certificados

 

Datos técnicos

Clase DPS V
Máx. tensión permisible de servicio DC hilo-hilo (UC ) 620 V
Máx. tensión permisible de servicio DC hilo-PG (UC ) 320 V
Corriente nominal a 80 °C (IL ) 3.0 A
C2 Corriente nominal de descarga (8/20 µs) total (In ) 5 kA
Frecuencia de corte hilo-hilo (fG ) 20.0 MHz
Certificaciones SIL
*) Para obtener información más detallada, por favor visite www.dehn.es

Se ha añadido el artículo 920289 a favoritos.

El artículo 920289 ha sido añadido a la cesta de compra.


BXT ML2 MY E 110

Módulo descargador de sobretensiones de gran ahorro de espacio, con función RFID LifeCheck, para protección de dos hilos de señal independiente. Si la función LifeCheck detecta sobrecarga eléctrica o térmica el descargador ha de ser reemplazado. Este estado se indica sin contacto por el lector DEHNrecord LC / SCM / MCM.

1 Producto

N.º art. 920288 BXT ML2 MY E 110

GTIN 4013364137363, N.º de arancel aduanero (EU): 85363010, Peso bruto: 31.60 g, Empaquetado: 1.00 unidad(es)


Figuras

Más información


Corriente nominal a 80 °C: 3.0 A

Producto DEHN
Tipo: BXT ML2 MY E 110
art. no.: 920288
o equivalente

Certificados

 

Datos técnicos

Clase DPS U
Máx. tensión permisible de servicio DC hilo-hilo (UC ) 170 V
Máx. tensión permisible de servicio DC hilo-PG (UC ) 85 V
Corriente nominal a 80 °C (IL ) 3.0 A
C2 Corriente nominal de descarga (8/20 µs) total (In ) 5 kA
Impedancia de serie por hilo 0 Ω
Frecuencia de corte hilo-hilo (fG ) 4.5 MHz
Certificaciones SIL
*) Para obtener información más detallada, por favor visite www.dehn.es

Se ha añadido el artículo 920288 a favoritos.

El artículo 920288 ha sido añadido a la cesta de compra.


BXT M2 BD HC5A 24

Módulo de protección de descargador combinado de espacio reducido para la protección de 1 par de hilos de interfaces simétricas sin referencia a tierra. El módulo está coordinado a las interfaces con corrientes de CC de hasta 5 A, por ejemplo, para controlar mecanismos de accionamiento accionados por motor con corrientes de arranque y funcionamiento elevadas.

1 Producto

N.º art. 920296 BXT M2 BD HC5A 24

GTIN 4013364340015, N.º de arancel aduanero (EU): 85363010, Peso bruto: 28.00 g, Empaquetado: 1.00 unidad(es)


Figuras

Más información

Módulo de descargador combinado contra corrientes de rayo y sobretensiones
BLITZDUCTOR XT BXT M2 BD HC5A 24
Módulo de descargador combinado contra corrientes de rayo y sobretensiones
Tipo 1 / P1 BLITZDUCTOR XT,
Comprobado según la EN 61643-21 y energéticamente coordinado según la
IEC 61643-22 para la protección de un par de hilos.
Enchufable en la base BXT BAS / BSP BAS 4.
Máx. tensión permisible de servicio DC: 36 V
Corriente nominal: 5 A
D1 Corriente de impulso de rayo (10/350 µs): 5 kA
D1 Corriente de impulso de rayo (10/350 µs) por hilo: 2.5 kA

Producto DEHN
Tipo: BXT M2 BD HC5A 24
art. no.: 920296
o equivalente

Certificados

 

Datos técnicos

Clase DPS M
Máx. tensión permisible de servicio DC (UC ) 36 V
Corriente nominal (IL ) 5 A
D1 Corriente de impulso de rayo (10/350 µs) (Iimp ) 5 kA
C2 Corriente nominal de descarga (8/20 µs) total (In ) 20 kA
Impedancia de serie por hilo 0 Ω
Frecuencia de corte hilo-hilo (fG ) 1,56 MHz
Certificaciones SIL
*) Para más detalles por favor véase www.dehn.de

Se ha añadido el artículo 920296 a favoritos.

El artículo 920296 ha sido añadido a la cesta de compra.


back to top