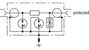
DEHNgate descargador para la conexión coaxial

  • Descargadores combinados de sobretensiones universales
  • Elevada capacidad de derivación de corriente de rayo para sistemas coaxiales
  • Nivel bajo de protección apropiado también para protección de equipos finales
  • Materiales extremadamente resistentes y gran durabilidad.

Detalles

Tecnología Lambda/4 libre de mantenimiento para proteger aplicaciones da alta frecuencia (p. ej. LTE)
lorem ipsum
Conexión F para sistemas de 75 Ω
lorem ipsum
Descargador de sobretensiones para sistemas CCTV e instalaciones de antenas.
lorem ipsum
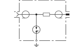
Descargadores coaxiales con capsula de gas sustituible.
lorem ipsum

DGA BNC VC

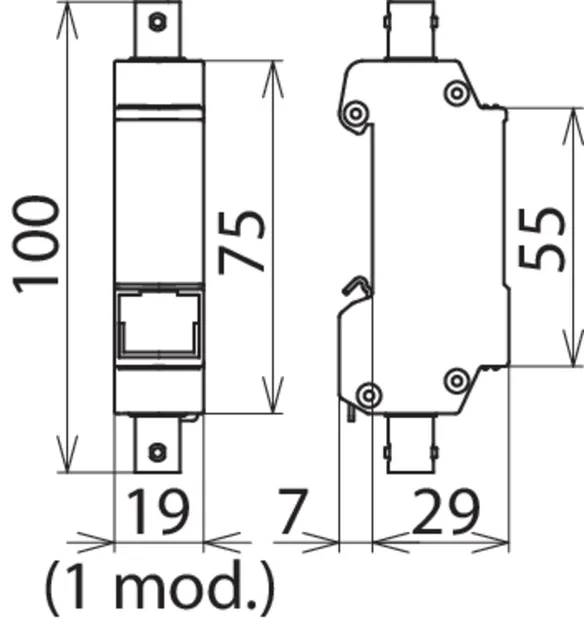
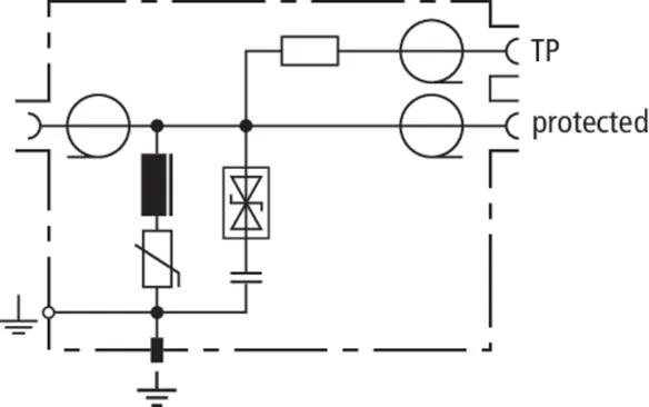
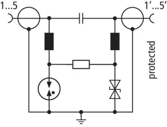
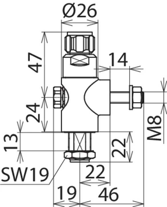
Descargador de sobretensiones, de gran ahorro de espacio con conectores BNC para montaje en carril DIN, para protección de sistemas de vídeo y de cámaras. Dependiendo del tipo, con unión directa (VCD) o indirecta (VCID) del blindaje, para evitar bucles de zumbido.

2 Productos

N.º art. 909710 DGA BNC VCD

GTIN 4013364118942, N.º de arancel aduanero (EU): 85363010, Peso bruto: 126.00 g, Empaquetado: 1.00 unidad(es)


Figuras

Más información


D1 Corriente de impulso de rayo (10/350): 1 kA
Margen de frecuencia: 0-300 MHz

Producto DEHN
Tipo: DGA BNC VCD
art. no.: 909710
o equivalente

Certificados

 

Datos técnicos

Clase de descargador T
Corriente nominal (IL ) 0.1 A
D1 Corriente de impulso de rayo (10/350) (Iimp ) 1 kA
C2 Corriente nominal de derivación (8/20 µs) hilo-pantalla (In ) 5 kA
Margen de frecuencia 0-300 MHz
Conexión entrada/salida BNC conector / BNC conector
Certificaciones CSA, UL

Se ha añadido el artículo 909710 a favoritos.

El artículo 909710 ha sido añadido a la cesta de compra.

N.º art. 909711 DGA BNC VCID

GTIN 4013364118980, N.º de arancel aduanero (EU): 85363010, Peso bruto: 127.50 g, Empaquetado: 1.00 unidad(es)


Figuras

Más información


Tensión máxima permanente DC: 6.4 V
D1 Corriente de impulso de rayo (10/350): 1 kA
Margen de frecuencia: 0-300 MHz

Producto DEHN
Tipo: DGA BNC VCID
art. no.: 909711
o equivalente

Certificados

 

Datos técnicos

Clase de descargador T
Tensión máxima permanente DC (UC ) 6.4 V
Corriente nominal (IL ) 0.1 A
D1 Corriente de impulso de rayo (10/350) (Iimp ) 1 kA
C2 Corriente nominal de derivación (8/20 µs) hilo-pantalla (In ) 5 kA
Margen de frecuencia 0-300 MHz
Conexión entrada/salida BNC conector / BNC conector
Certificaciones CSA, UL

Se ha añadido el artículo 909711 a favoritos.

El artículo 909711 ha sido añadido a la cesta de compra.


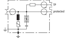
DGA TV

Los DGA … TV son descargadores con posibilidad de alimentación a distancia con conexión –F para instalaciones SAT y BK de 75 Ω. Los descargadores cumplen con los elevados requisitos del blindaje de Clase A según EN 50083-2. Apropiados para instalación, con ahorro de espacio, en todas las aplicaciones más usuales de TV y SAT. Los descargadores están disponibles, tanto como descargadores de corriente de rayo, como descargadores de sobretensiones, o bien como set de descargadores combinados con salida de medida integrada para verificación y comprobación de la instalación.

3 Productos

N.º art. 909703 DGA FF TV

GTIN 4013364085664, N.º de arancel aduanero (EU): 85363010, Peso bruto: 233.00 g, Empaquetado: 1.00 unidad(es)


Figuras

Más información


Tensión máxima permanente DC: 24 V
D1 Corriente de impulso de rayo (10/350): 0.2 kA
C2 Corriente nominal de derivación (80/20 µs): 1.5 kA
Margen de frecuencia: DC / 5 - 3000 MHz

Producto DEHN
Tipo: DGA FF TV
art. no.: 909703
o equivalente

Certificados

 

Datos técnicos

Clase de descargador {
Tensión máxima permanente DC (UC ) 24 V
Corriente nominal (IL ) 2 A
D1 Corriente de impulso de rayo (10/350) (Iimp ) 0.2 kA
C2 Corriente nominal de derivación (80/20 µs) (In ) 1.5 kA
Margen de frecuencia DC / 5 - 3000 MHz
Conexión entrada/salida casquillo F / casquillo F

Se ha añadido el artículo 909703 a favoritos.

El artículo 909703 ha sido añadido a la cesta de compra.

N.º art. 909704 DGA GF TV

GTIN 4013364105690, N.º de arancel aduanero (EU): 85363010, Peso bruto: 85.50 g, Empaquetado: 1.00 unidad(es)


Figuras

Más información


Tensión máxima permanente DC: 60 V
D1 Corriente de impulso de rayo (10/350): 2.5 kA
C2 Corriente nominal de derivación (80/20 µs): 10 kA
Margen de frecuencia: 0-2400 MHz

Producto DEHN
Tipo: DGA GF TV
art. no.: 909704
o equivalente

Certificados

 

Datos técnicos

Clase de descargador H
Tensión máxima permanente DC (UC ) 60 V
Corriente nominal (IL ) 2 A
D1 Corriente de impulso de rayo (10/350) (Iimp ) 2.5 kA
C2 Corriente nominal de derivación (80/20 µs) (In ) 10 kA
Margen de frecuencia 0-2400 MHz
Conexión entrada/salida casquillo F / clavija F

Se ha añadido el artículo 909704 a favoritos.

El artículo 909704 ha sido añadido a la cesta de compra.

N.º art. 909705 DGA GFF TV

GTIN 4013364105706, N.º de arancel aduanero (EU): 85363010, Peso bruto: 282.70 g, Empaquetado: 1.00 unidad(es)


Figuras

Más información


Tensión máxima permanente DC: 24 V
D1 Corriente de impulso de rayo (10/350): 2.5 kA
C2 Corriente nominal de derivación (80/20 µs): 10 kA
Margen de frecuencia: DC / 5-2400 MHz

Producto DEHN
Tipo: DGA GFF TV
art. no.: 909705
o equivalente

Certificados

 

Datos técnicos

Clase de descargador H{
Tensión máxima permanente DC (UC ) 24 V
Corriente nominal (IL ) 2 A
D1 Corriente de impulso de rayo (10/350) (Iimp ) 2.5 kA
C2 Corriente nominal de derivación (80/20 µs) (In ) 10 kA
Margen de frecuencia DC / 5-2400 MHz
Conexión entrada/salida casquillo F /casquillo F

Se ha añadido el artículo 909705 a favoritos.

El artículo 909705 ha sido añadido a la cesta de compra.


DGA FF5 TV

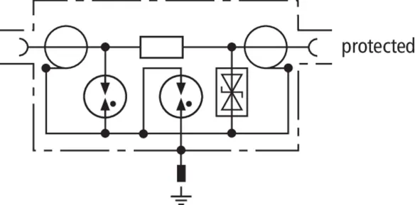
Descargador de sobretensiones quíntuple para los sistemas de antenas de 75 Ohm. Diseño especial para los distribuidores de antenas parabólocas y conmutadores múltiples. El descargador corresponde a las exigencias de apantallamiento de clase A según la EN 50083-2.
El suministro incluye el material de fijación y el cable de compensación de potencial.

1 Producto

N.º art. 909706 DGA FF5 TV

GTIN 4013364362437, N.º de arancel aduanero (EU): 85363010, Peso bruto: 284.00 g, Empaquetado: 1.00 unidad(es)


Figuras

Más información

DEHNgate DGA FF5 TV
Descargador de sobretensiones
Descargador tipo 2 / P1
DEHNgate con 5 canales para
los sistemas coaxiales de televisión y satélite
de 75 Ohm, comprobado según laS EN 61643-21.
Accesorios para el montaje incluidos.
Conexión para la compensación de potencial
al exterior de la carcasa,
Producto de clase A.
Tensión máxima permanente DC: 20 V
D1 Corriente de impulso de rayo (10/350): 0,5 kA
D1 Corriente de choque de rayo total (10/350 µs): 2,5 kA
C2 Corriente nominal de derivación (80/20 µs): 2,5 kA
C2 Corriente nominal de descarga (8/20 µs) total: 10 kA
Margen de frecuencia: 47-2200 MHz

Producto DEHN
Tipo: DGA FF5 TV
art. no.: 909706
o equivalente

Certificados

 

Datos técnicos

Clase de descargador T
Tensión máxima permanente DC (UC ) 20 V
Corriente nominal (IL ) 0,4 A
D1 Corriente de impulso de rayo (10/350) (Iimp ) 0,5 kA
D1 Corriente de choque de rayo total (10/350 µs) (Iimp ) 2,5 kA
C2 Corriente nominal de derivación (80/20 µs) (In ) 2,5 kA
C2 Corriente nominal de descarga (8/20 µs) total (In ) 10 kA
Margen de frecuencia 47-2200 MHz
Conexión entrada/salida casquillo F / casquillo F

Se ha añadido el artículo 909706 a favoritos.

El artículo 909706 ha sido añadido a la cesta de compra.


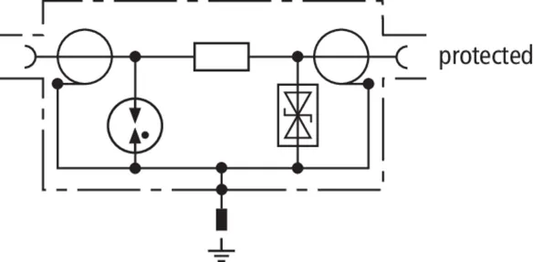
DGA G

Descargador de sobretensiones con posibilidad de alimentación a distancia con descargador de gas integrado. Diseñado especialmente para las aplicaciones Wireless LAN y Wireless Local Loop, para interfaces de dispositivos y antenas con técnica de conexión coaxial.
Disponible con conexión BNC, N o SMA para montaje en serie.

3 Productos

N.º art. 929039 DGA G SMA

GTIN 4013364135185, N.º de arancel aduanero (EU): 85363010, Peso bruto: 24.00 g, Empaquetado: 1.00 unidad(es)


Figuras

Más información


Tensión máxima permanente DC: 135 V
D1 Corriente de impulso de rayo (10/350): 1 kA
C2 Corriente nominal de derivación (80/20 µs): 5 kA
Margen de frecuencia: 0 - 5.8 GHz

Producto DEHN
Tipo: DGA G SMA
art. no.: 929039
o equivalente

Certificados

 

Datos técnicos

Clase de descargador B
Tensión máxima permanente DC (UC ) 135 V
Corriente nominal (IL ) 2 A
Potencia máxima de transmisión 60 W
D1 Corriente de impulso de rayo (10/350) (Iimp ) 1 kA
C2 Corriente nominal de derivación (80/20 µs) (In ) 5 kA
Margen de frecuencia 0 - 5.8 GHz
Conexión conector SMA / clavija SMA

Se ha añadido el artículo 929039 a favoritos.

El artículo 929039 ha sido añadido a la cesta de compra.

N.º art. 929042 DGA G BNC

GTIN 4013364091030, N.º de arancel aduanero (EU): 85363010, Peso bruto: 39.20 g, Empaquetado: 1.00 unidad(es)


Figuras

Más información


Tensión máxima permanente DC: 135 V
D1 Corriente de impulso de rayo (10/350): 1 kA
C2 Corriente nominal de derivación (80/20 µs): 5 kA
Margen de frecuencia: 0-4 GHz

Producto DEHN
Tipo: DGA G BNC
art. no.: 929042
o equivalente

Certificados

 

Datos técnicos

Clase de descargador B
Tensión máxima permanente DC (UC ) 135 V
Corriente nominal (IL ) 3.5 A
Potencia máxima de transmisión 25 W
D1 Corriente de impulso de rayo (10/350) (Iimp ) 1 kA
C2 Corriente nominal de derivación (80/20 µs) (In ) 5 kA
Margen de frecuencia 0-4 GHz
Conexión conector BNC / clavija BNC

Se ha añadido el artículo 929042 a favoritos.

El artículo 929042 ha sido añadido a la cesta de compra.

N.º art. 929044 DGA G N

GTIN 4013364091054, N.º de arancel aduanero (EU): 85363010, Peso bruto: 86.30 g, Empaquetado: 1.00 unidad(es)

Predecesor

Figuras

Más información


Tensión máxima permanente DC: 135 V
D1 Corriente de impulso de rayo (10/350): 1 kA
C2 Corriente nominal de derivación (80/20 µs): 5 kA
Margen de frecuencia: 0-5.8 G Hz

Producto DEHN
Tipo: DGA G N
art. no.: 929044
o equivalente

Certificados

 

Datos técnicos

Clase de descargador B
Tensión máxima permanente DC (UC ) 135 V
Corriente nominal (IL ) 6 A
Potencia máxima de transmisión 60 W
D1 Corriente de impulso de rayo (10/350) (Iimp ) 1 kA
C2 Corriente nominal de derivación (80/20 µs) (In ) 5 kA
Margen de frecuencia 0-5.8 G Hz
Conexión conector N / clavija N

Se ha añadido el artículo 929044 a favoritos.

El artículo 929044 ha sido añadido a la cesta de compra.


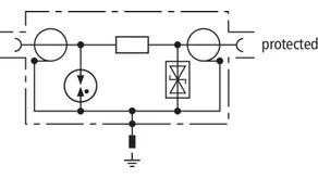
DGA AG

Descargador con posibilidad de alimentación a distancia con descargador de gas recambiable. Excelente comportamiento HF de largo tiempo gracias a las pérdidas mínimas por quemadura a través del contacto de gran superficie del descargador de gas.

2 Productos

N.º art. 929043 DGA AG BNC

GTIN 4013364091047, N.º de arancel aduanero (EU): 85363010, Peso bruto: 89.60 g, Empaquetado: 1.00 unidad(es)


Figuras

Más información


Tensión máxima permanente DC: 180 V
D1 Corriente de impulso de rayo (10/350): 5 kA
C2 Corriente nominal de derivación (80/20 µs): 20 kA
Margen de frecuencia: 0-1 GHz

Producto DEHN
Tipo: DGA AG BNC
art. no.: 929043
o equivalente

Certificados

 

Datos técnicos

Clase de descargador A
Tensión máxima permanente DC (UC ) 180 V
Corriente nominal (IL ) 3.5 A
Potencia máxima de transmisión 150 W
D1 Corriente de impulso de rayo (10/350) (Iimp ) 5 kA
C2 Corriente nominal de derivación (80/20 µs) (In ) 20 kA
Margen de frecuencia 0-1 GHz
Conexión conector BNC / clavija BNC

Se ha añadido el artículo 929043 a favoritos.

El artículo 929043 ha sido añadido a la cesta de compra.

N.º art. 929045 DGA AG N

GTIN 4013364091061, N.º de arancel aduanero (EU): 85363010, Peso bruto: 266.00 g, Empaquetado: 1.00 unidad(es)


Figuras

Más información


Tensión máxima permanente DC: 180 V
D1 Corriente de impulso de rayo (10/350): 5 kA
C2 Corriente nominal de derivación (80/20 µs): 20 kA
Margen de frecuencia: 0-2.5 GHz

Producto DEHN
Tipo: DGA AG N
art. no.: 929045
o equivalente

Certificados

 

Datos técnicos

Clase de descargador A
Tensión máxima permanente DC (UC ) 180 V
Corriente nominal (IL ) 6 A
Potencia máxima de transmisión 150 W
D1 Corriente de impulso de rayo (10/350) (Iimp ) 5 kA
C2 Corriente nominal de derivación (80/20 µs) (In ) 20 kA
Margen de frecuencia 0-2.5 GHz
Conexión conector N / casquillo N

Se ha añadido el artículo 929045 a favoritos.

El artículo 929045 ha sido añadido a la cesta de compra.


DGA LG

Descargador con posibilidad de alimentación a distancia en técnica combinada de vías de chispas-Lambda/4, para aplicaciones de multifrecuencia (Sistema multicarrier), ya que la intermodulación es mínima. De banda ancha para todos los servicios 4+3G y LTE.

1 Producto

N.º art. 929146 DGA LG 7 16 MFA

GTIN 4013364157156, N.º de arancel aduanero (EU): 85363010, Peso bruto: 493.00 g, Empaquetado: 1.00 unidad(es)

Predecesor

Figuras

Más información


Tensión máxima permanente DC: 65 V
D1 Corriente de impulso de rayo (10/350): 5 kA
C2 Corriente nominal de derivación (80/20 µs): 20 kA
Margen de frecuencia: 690 MHz - 2,7 GHz

Producto DEHN
Tipo: DGA LG 7 16 MFA
art. no.: 929146
o equivalente

Certificados

 

Datos técnicos

Clase de descargador A
Tensión máxima permanente DC (UC ) 65 V
Corriente nominal (IL ) 13 A
Potencia máxima de transmisión 1500 W
D1 Corriente de impulso de rayo (10/350) (Iimp ) 5 kA
C2 Corriente nominal de derivación (80/20 µs) (In ) 20 kA
Margen de frecuencia 690 MHz - 2,7 GHz
Conexión 7/16 conector / 7/16 calvija

Se ha añadido el artículo 929146 a favoritos.

El artículo 929146 ha sido añadido a la cesta de compra.


DGA L4

Descargador combinado en técnica Lambda/4, libre de mantenimiento para aplicaciones de multifrecuencia (Sistema multicarrier). Pueden descargar elevadas corrientes parciales de rayo. No es posible la alimentación a distancia, ya que el descargador constituye un cortocircuito galvánico para señales de baja frecuencia. De banda ancha para todos los servicios 4+3G y LTE.

2 Productos

N.º art. 929047 DGA L4 7 16 S

GTIN 4013364091085, N.º de arancel aduanero (EU): 85363010, Peso bruto: 467.00 g, Empaquetado: 1.00 unidad(es)


Figuras

Más información


Tensión máxima permanente DC: 0 V
D1 Corriente de impulso de rayo (10/350): 25 kA
C2 Corriente nominal de derivación (80/20 µs): 50 kA
Margen de frecuencia: 380-512 MHz

Producto DEHN
Tipo: DGA L4 7 16 S
art. no.: 929047
o equivalente

Certificados

 

Datos técnicos

Clase de descargador M
Tensión máxima permanente DC (UC ) 0 V
Corriente nominal (IL ) 0 A
Potencia máxima de transmisión 3000 W
D1 Corriente de impulso de rayo (10/350) (Iimp ) 25 kA
C2 Corriente nominal de derivación (80/20 µs) (In ) 50 kA
Margen de frecuencia 380-512 MHz
Conexión conector 7/16 / casquillo 7/16

Se ha añadido el artículo 929047 a favoritos.

El artículo 929047 ha sido añadido a la cesta de compra.

N.º art. 929148 DGA L4 7 16 MFA

GTIN 4013364157163, N.º de arancel aduanero (EU): 85363010, Peso bruto: 476.00 g, Empaquetado: 1.00 unidad(es)

Predecesor

Figuras

Más información


Tensión máxima permanente DC: 0 V
D1 Corriente de impulso de rayo (10/350): 40 kA
C2 Corriente nominal de derivación (80/20 µs): 80 kA
Margen de frecuencia: 690 MHz - 2,7 GHz

Producto DEHN
Tipo: DGA L4 7 16 MFA
art. no.: 929148
o equivalente

Certificados

 

Datos técnicos

Clase de descargador M
Tensión máxima permanente DC (UC ) 0 V
Corriente nominal (IL ) 0 A
Potencia máxima de transmisión 1500 W
D1 Corriente de impulso de rayo (10/350) (Iimp ) 40 kA
C2 Corriente nominal de derivación (80/20 µs) (In ) 80 kA
Margen de frecuencia 690 MHz - 2,7 GHz
Conexión 7/16 conector / 7/16 clavija

Se ha añadido el artículo 929148 a favoritos.

El artículo 929148 ha sido añadido a la cesta de compra.


back to top