DEHNprotector – Adaptador combinado
:quality(98)/www.dehn.es/store/f/61742949/HDVORSCHAU/909320a0001_16-9.jpg)
:quality(98)/www.dehn.es/store/f/61742949/HDVORSCHAU/909320a0001_16-9.jpg)
- Adaptador combinado de protección contra sobretensiones del lado de energía y de datos de un equipo final
- Protección de aparatos de TV y SAT, telefonía y componentes Ethernet
- Indicación óptica del estado de funcionamiento / fallo
- Fácil instalación a posteriori
Detalles
:quality(98)/www.dehn.es/store/f/61742952/HDVORSCHAU/909310a3_Kat.jpg)
:quality(98)/www.dehn.es/store/f/61742952/HDVORSCHAU/909310a3_Kat.jpg)
:quality(98)/www.dehn.es/store/f/61742951/HDVORSCHAU/909320_Kat.jpg)
:quality(98)/www.dehn.es/store/f/61742951/HDVORSCHAU/909320_Kat.jpg)
:quality(98)/www.dehn.es/store/f/61742950/HDVORSCHAU/909300_Kat.jpg)
:quality(98)/www.dehn.es/store/f/61742950/HDVORSCHAU/909300_Kat.jpg)
:quality(98)/www.dehn.es/store/f/61742953/HDVORSCHAU/909310a4_Kat.jpg)
:quality(98)/www.dehn.es/store/f/61742953/HDVORSCHAU/909310a4_Kat.jpg)
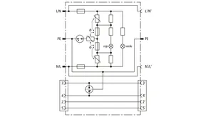
N.º art. 909300 DPRO 230 TV
GTIN 4013364117723, N.º de arancel aduanero (EU): 85363010, Peso bruto: 241.20 g, Empaquetado: 1.00 unidad(es)
PredecesorDatos técnicos
Protección del lado de datos | |
Clase de descargador | B |
Máx. tensión permisible de servicio DC (UC ) | 60 V |
C2 Corriente nominal de descarga (8/20 µs) hilo-blindaje (PE) (In ) | 5 kA |
Pérdida de inserción 0-2400 MHz | ≤ 1.5 dB |
Conexión (entrada/salida) | clavija F / clavija F |
Protección del lado de energía | |
DPS según EN 61643-11 / IEC 61643-11 | Tipo 3 / Clase III |
Max. tensión permisible de servicio AC (UC ) | 255 V (50 / 60 Hz) |
Corrinte total de descarga (8/20 µs) [L+N-PE] (Itotal ) | 5 kA |
Nivel de protección [L-N] (UP ) | ≤ 1.35 kV |
Protección contra sobrecorriente máxima lado de red | 16 A gL/gG o B 16 A |
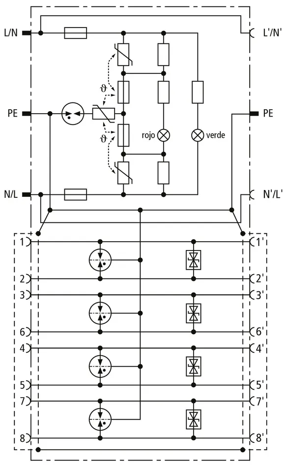
DPRO 230 NT
Protección combinada contra sobretensiones para el lado de energía y datos de un terminal de red NT (telefonía IP), especialmente para las interfaces de telecomunicación hasta VVDSL y G.fast (hasta 1 Gbit/s). Válido también para teléfonos y equipos de fax. Con indicación óptica de servicio y de averías y seguro a prueba de niños integrado al lado de energía.
1 Producto
N.º art. 909310 DPRO 230 NT
GTIN 4013364117747, N.º de arancel aduanero (EU): 85363010, Peso bruto: 258.60 g, Empaquetado: 1.00 unidad(es)
PredecesorDatos técnicos
Protección del lado de datos | |
Clase de descargador | Q |
Máx. tensión permisible de servicio DC (UC ) | 180 V |
D1 Corriente de impulso de rayo (10/350 µs) por hilo D1 (Iimp ) | 1 kA |
C2 Corriente nominal de descarga (8/20 µs) por hilo (In ) | 2.5 kA |
Frecuencia límite (fG ) | 220 MHz |
Conexión (entrada/salida) | conector RJ12 / conector RJ12 |
Protección del lado de energía | |
DPS según EN 61643-11 / IEC 61643-11 | Tipo 3 / Clase III |
Max. tensión permisible de servicio AC (UC ) | 255 V (50 / 60 Hz) |
Corrinte total de descarga (8/20 µs) [L+N-PE] (Itotal ) | 5 kA |
Nivel de protección [L-N] (UP ) | ≤ 1.35 kV |
Protección contra sobrecorriente máxima lado de red | B 16 A |
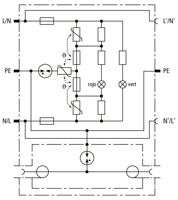
DPRO 230 LAN100
Protección combinada contra sobretensiones para el lado de energía y de datos para la protección de componentes LAN. Circuito de protección para todos los pares para la asignación de pines Ethernet. Cumple los requerimientos para canales de clase D de acuerdo con la norma EN 50173 y es también válido para 1000 Base-T (Gigabit Ethernet).
Con indicación óptica de servicio y averías y seguro a prueba de niños integrado.
1 Producto
N.º art. 909321 DPRO 230 LAN100
GTIN 4013364126152, N.º de arancel aduanero (EU): 85363010, Peso bruto: 271.00 g, Empaquetado: 1.00 unidad(es)
PredecesorDatos técnicos
Protección del lado de datos | |
Clase de descargador | Q |
Máx. tensión permisible de servicio DC (UC ) | 3,3 V |
D1 Corriente de impulso de rayo (10/350 µs) por hilo D1 (Iimp ) | 0,5 kA |
C2 Corriente nominal de descarga (8/20 µs) total (In ) | 10 kA |
Frecuencia límite (fG ) | 180 MHz |
Conexión (entrada/salida) | conector RJ45 / conector RJ45 |
Protección del lado de energía | |
DPS según EN 61643-11 / IEC 61643-11 | Tipo 3 / Clase III |
Max. tensión permisible de servicio AC (UC ) | 255 V (50 / 60 Hz) |
Corrinte total de descarga (8/20 µs) [L+N-PE] (Itotal ) | 5 kA |
Nivel de protección [L-N] (UP ) | ≤ 1,25 kV |
Protección contra sobrecorriente máxima lado de red | B 16 A |