DEHNcombo

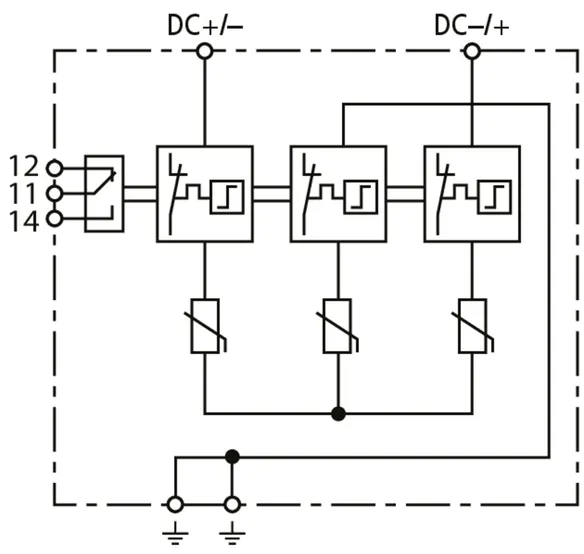
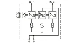
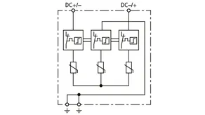
  • Descargador combinado contra rayos y sobretensiones precableado tipo 1 y tipo 2 para aplicación en circuitos de generación fotovoltaica
  • Circuito Y probado, que evita los posibles daños en el dispositivo de protección contra sobretensiones, en caso de fallos de aislamiento en el circuito del generador
  • Tensión de dimensionamiento igual para todos los circuitos de protección; así también aplicable para los sistemas puestos a tierra
  • Optimización del espacio de la carcasa con un ancho de solo 4 módulos para tensiones hasta 1500 V d.c.
  • Probado según EN 50539-11
  • Utilizable en todos los sistemas PV según IEC 60364-7-712
  • Indicación del estado de funcionamiento mediante cambio de color en la ventana de inspección

DEHNcombo YPV ...

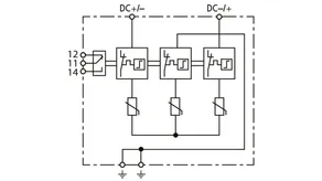
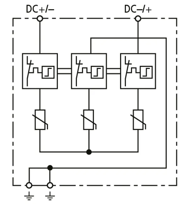
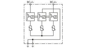
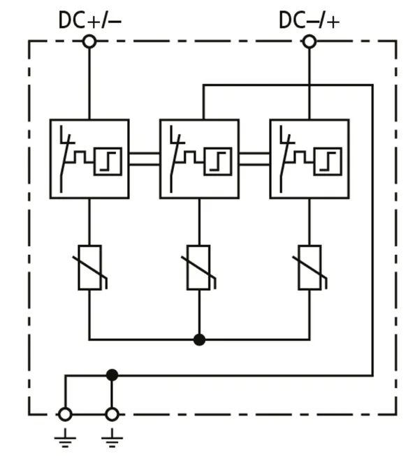
Descargador combinado de corrientes de rayo y sobretensiones para los sistemas de alimentación fotovoltaicos hasta 1500 V DC.

2 Productos

N.º art. 900070 DCB YPV 1200

GTIN 6942299504521, N.º de arancel aduanero (EU): 85354000, Peso bruto: 639.16 g, Empaquetado: 1.00 unidad(es)

Predecesor

Figuras

Más información

Descargador combinado de corrientes de rayos
y sobretensiones DEHNcombo YPV 1200
Descargador combinado multipolar de
corrientes de rayos y sobretensiones Tipo 1 + Tipo 2
para su aplicación en circuitos de
generación fotovoltaica hasta 1200 V DC
con dispositivo de conmutación en DC
en tres etapas, ancho 4 móds.
Descargador Tipo 1 + Tipo 2 según la EN 50539-11
Empleable según la IEC 60364-7-712
Dispositivo combinado de desconexión y cortocircuito
Indicación de fallo
Máx. tensión fotovoltaica: <= 1200 V dc
Corriente total de descarga: 12,5 kA
Nivel de protección: <= 3,8 kV
Resistencia a cortocircuito Iscpv: 10 kA

Producto DEHN
Tipo: DCB YPV 1200
art. no.: 900070
o equivalente

Certificados

 

Datos técnicos

DPS según EN 61643-31 / ... IEC 61643-31 Tipo 1 + Tipo 2 / Clase I + Clase II
Máx. tensión PV [DC+ -> DC-] (UCPV ) ≤ 1200 V
Kurzschlussfestigkeit (ISCPV ) 10 kA
Corriente total de descarga (10/350 µs) [DC+/DC- -> PE] (Itotal ) 12,5 kA
Corriente de impulso de rayo (10/350 µs) [DC+ -> PE/DC- -> PE] (Iimp ) 6,25 kA
Nivel de protección [(DC+/DC-) -> PE] (UP ) < 3,8 kV
Certificaciones KEMA, UL

Se ha añadido el artículo 900070 a favoritos.

El artículo 900070 ha sido añadido a la cesta de compra.

N.º art. 900071 DCB YPV 1500

GTIN 6942299504545, N.º de arancel aduanero (EU): 85354000, Peso bruto: 636.22 g, Empaquetado: 1.00 unidad(es)

Predecesor

Figuras

Más información

Descargador combinado de corrientes de rayos
y sobretensiones DEHNcombo YPV 1500
Descargador combinado multipolar de
corrientes de rayos y sobretensiones Tipo 1 + Tipo 2
para su aplicación en circuitos de
generación fotovoltaica hasta 1500 V DC
con dispositivo de conmutación en DC
en tres etapas, ancho 4 móds.
Descargador Tipo 1 + Tipo 2 según la EN 50539-11
Empleable según la IEC 60364-7-712
Dispositivo combinado de desconexión y cortocircuito
Indicación de fallo
Máx. tensión fotovoltaica: <= 1500 V dc
Corriente total de descarga: 12,5 kA
Nivel de protección: <= 4,5 kV
Resistencia a cortocircuito Iscpv: 10 kA

Producto DEHN
Tipo: DCB YPV 1500
art. no.: 900071
o equivalente

Certificados

 

Datos técnicos

DPS según EN 61643-31 / ... IEC 61643-31 Tipo 1 + Tipo 2 / Clase I + Clase II
Máx. tensión PV [DC+ -> DC-] (UCPV ) ≤ 1500 V
Kurzschlussfestigkeit (ISCPV ) 10 kA
Corriente total de descarga (10/350 µs) [DC+/DC- -> PE] (Itotal ) 12,5 kA
Corriente de impulso de rayo (10/350 µs) [DC+ -> PE/DC- -> PE] (Iimp ) 6,25 kA
Nivel de protección [(DC+/DC-) -> PE] (UP ) < 4,5 kV
Certificaciones KEMA, UL

Se ha añadido el artículo 900071 a favoritos.

El artículo 900071 ha sido añadido a la cesta de compra.


DEHNcombo YPV ... FM

Descargador combinado de corrientes de rayo y sobretensiones para los sistemas de alimentación fotovoltaicos hasta 1500 V DC; con contacto de señalización a distancia libre de potencial.

2 Productos

N.º art. 900075 DCB YPV 1200 FM

GTIN 6942299504538, N.º de arancel aduanero (EU): 85354000, Peso bruto: 587.94 g, Empaquetado: 1.00 unidad(es)

Predecesor

Figuras

Más información

Descargador combinado de corrientes de rayos
y sobretensiones DEHNcombo YPV 1200 FM
Descargador combinado multipolar de
corrientes de rayos y sobretensiones Tipo 1 + Tipo 2
para su aplicación en circuitos de
generación fotovoltaica hasta 1200 V DC
con dispositivo de conmutación en DC
en tres etapas, ancho 4 móds.
Descargador Tipo 1 + Tipo 2 según la EN 50539-11
Empleable según la IEC 60364-7-712
Dispositivo combinado de desconexión y cortocircuito
con contacto de señalización a distancia
Indicación de fallo
Máx. tensión fotovoltaica: <= 1200 V dc
Corriente total de descarga: 12,5 kA
Nivel de protección: <= 3,8 kV
Resistencia a cortocircuito Iscpv: 10 kA

Producto DEHN
Tipo: DCB YPV 1200 FM
art. no.: 900075
o equivalente

Certificados

 

Datos técnicos

DPS según EN 61643-31 / ... IEC 61643-31 Tipo 1 + Tipo 2 / Clase I + Clase II
Máx. tensión PV [DC+ -> DC-] (UCPV ) ≤ 1200 V
Kurzschlussfestigkeit (ISCPV ) 10 kA
Corriente total de descarga (10/350 µs) [DC+/DC- -> PE] (Itotal ) 12,5 kA
Corriente de impulso de rayo (10/350 µs) [DC+ -> PE/DC- -> PE] (Iimp ) 6,25 kA
Nivel de protección [(DC+/DC-) -> PE] (UP ) < 3,8 kV
Certificaciones KEMA, UL
Contacto de señalización a distancia conmutado

Se ha añadido el artículo 900075 a favoritos.

El artículo 900075 ha sido añadido a la cesta de compra.

N.º art. 900076 DCB YPV 1500 FM

GTIN 6942299504552, N.º de arancel aduanero (EU): 85354000, Peso bruto: 638.51 g, Empaquetado: 1.00 unidad(es)

Predecesor

Figuras

Más información

Descargador combinado de corrientes de rayos
y sobretensiones DEHNcombo YPV 1500 FM
Descargador combinado multipolar de
corrientes de rayos y sobretensiones Tipo 1 + Tipo 2
para su aplicación en circuitos de
generación fotovoltaica hasta 1500 V DC
con dispositivo de conmutación en DC
en tres etapas, ancho 4 móds.
Descargador Tipo 1 + Tipo 2 según la EN 50539-11
Empleable según la IEC 60364-7-712
Dispositivo combinado de desconexión y cortocircuito
Con contacto de señalización a distancia
Indicación de fallo
Máx. tensión fotovoltaica: <= 1500 V dc
Corriente total de descarga: 12,5 kA
Nivel de protección: <= 4,5 kV
Resistencia a cortocircuito Iscpv: 10 kA

Producto DEHN
Tipo: DCB YPV 1500 FM
art. no.: 900076
o equivalente

Certificados

 

Datos técnicos

DPS según EN 61643-31 / ... IEC 61643-31 Tipo 1 + Tipo 2 / Clase I + Clase II
Máx. tensión PV [DC+ -> DC-] (UCPV ) ≤ 1500 V
Kurzschlussfestigkeit (ISCPV ) 10 kA
Corriente total de descarga (10/350 µs) [DC+/DC- -> PE] (Itotal ) 12,5 kA
Corriente de impulso de rayo (10/350 µs) [DC+ -> PE/DC- -> PE] (Iimp ) 6,25 kA
Nivel de protección [(DC+/DC-) -> PE] (UP ) < 4,5 kV
Certificaciones KEMA, UL
Contacto de señalización a distancia conmutado

Se ha añadido el artículo 900076 a favoritos.

El artículo 900076 ha sido añadido a la cesta de compra.


back to top