DEHNcord
:quality(98)/www.dehn.es/store/f/62361975/HDVORSCHAU/900445a1_16-9.jpg)
:quality(98)/www.dehn.es/store/f/62361975/HDVORSCHAU/900445a1_16-9.jpg)
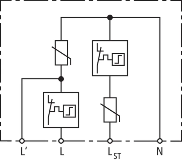
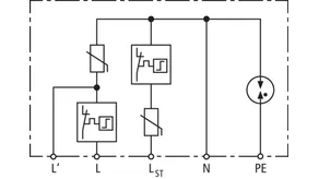
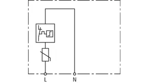
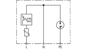
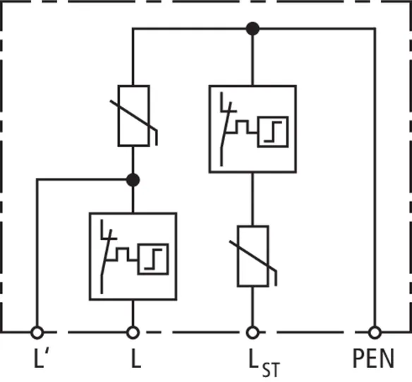
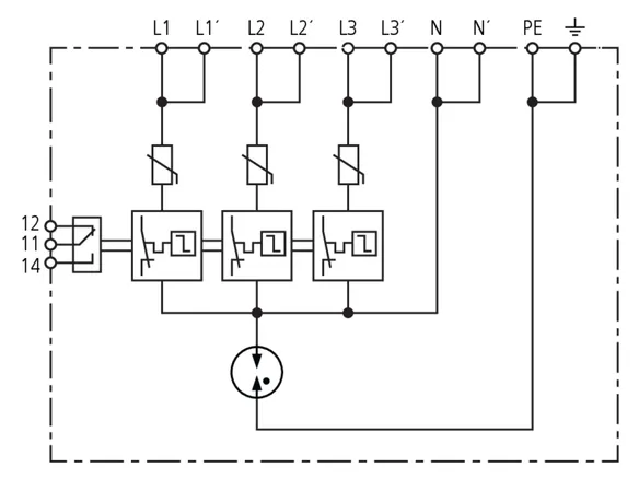
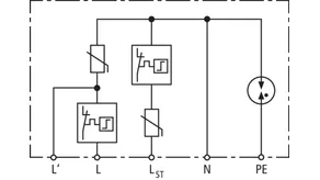
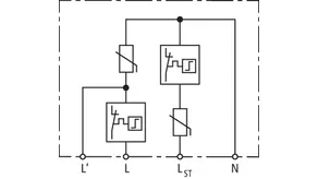
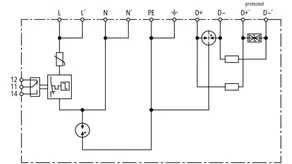
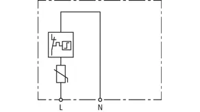
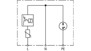
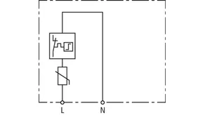
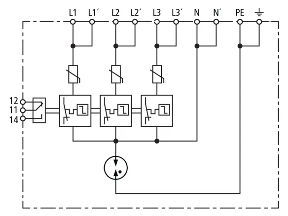
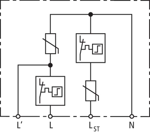
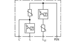
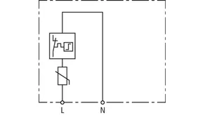
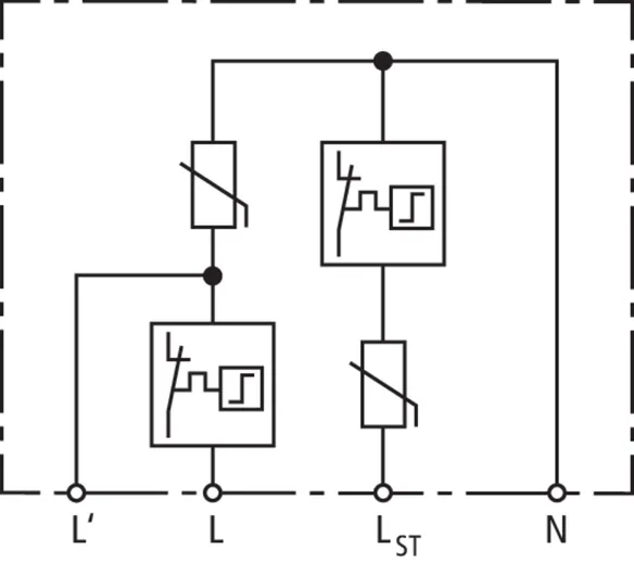
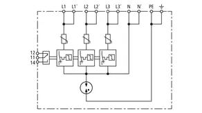
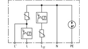
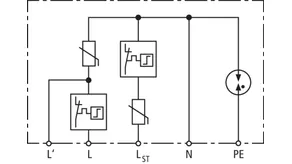
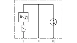
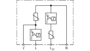
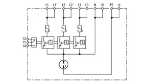
- Protección contra sobretensiones unipolar, bipolar o tripolar con dispositivo de vigilancia y desconexión
- Indicación óptica de fallo
- Versiones disponibles con función de desconexión del circuito de carga en caso de fallo y protección de la fase de control
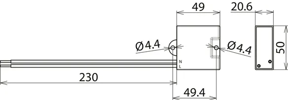
- Diseño compacto, también para zonas de exterior
- Para su utilización en cajas de interconexión, sistemas de empotrar, canaletas de cables y cajas de montaje
Detalles
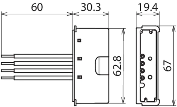
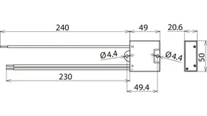
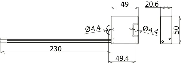
:quality(98)/www.dehn.es/store/f/62361976/HDVORSCHAU/900447a2.jpg)
:quality(98)/www.dehn.es/store/f/62361976/HDVORSCHAU/900447a2.jpg)
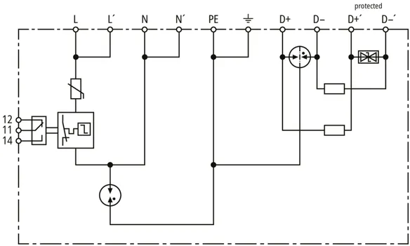
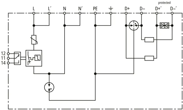
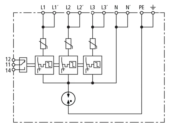
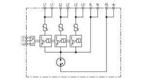
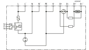
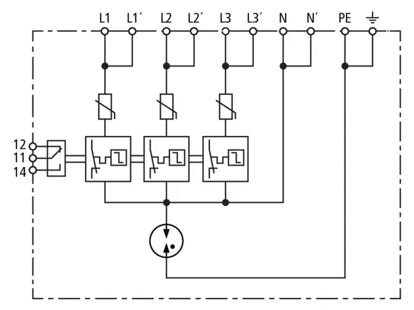
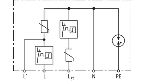
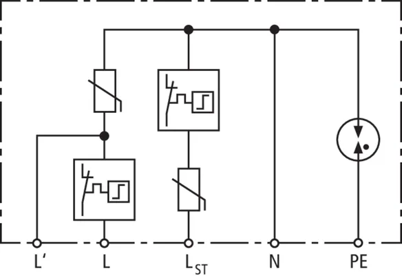
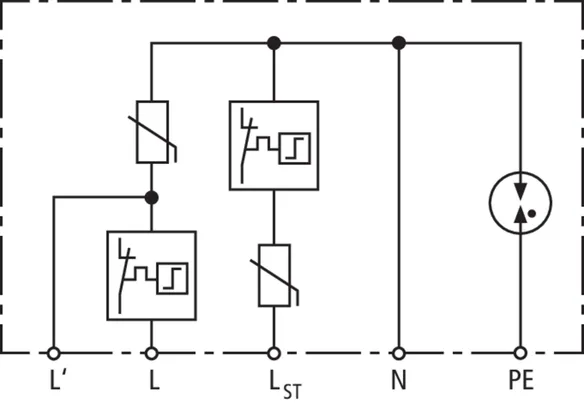
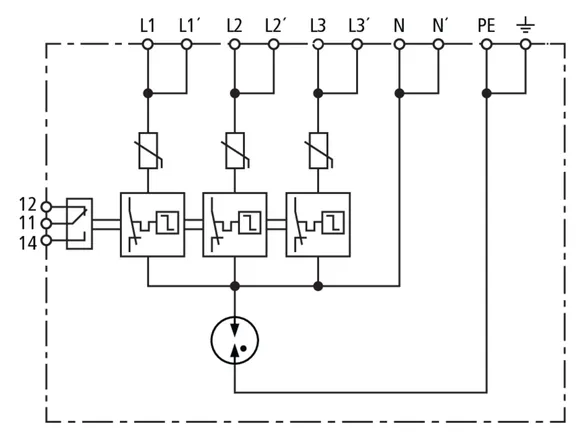
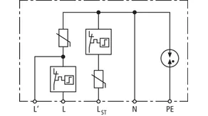
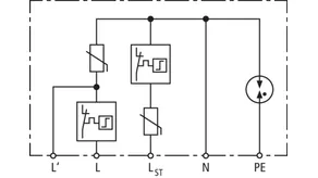
N.º art. 900439 DCOR 3P TT 275 FM
GTIN 4013364436053, N.º de arancel aduanero (EU): 85363030, Peso bruto: 129.38 g, Empaquetado: 1.00 unidad(es)
Datos técnicos
DPS según EN 61643-11 / ... IEC 61643-11 | Tipo 2 + Tipo 3 / Clase II + Clase III |
Máxima tensión permisible de servicio AC (UC ) | 275 V (50 / 60 Hz) |
Máxima tensión permisible de servicio DC (UC ) | 350 V |
Corriente nominal de descarga (8/20 µs) [L-N] (In ) | 10 kA |
Máx. corriente de descarga (8/20 µs) [L-N] (Imax ) | 20 kA |
Corriente nominal de descarga (8/20 µs) [N-PE] (In ) | 10 kA |
Máx. corriente de descarga (8/20 µs) [N-PE] (Imax ) | 40 kA |
Nivel de protección [L-N] (UP ) | ≤ 1,5 kV |
Nivel de protección [N-PE] (UP ) | ≤ 1,5 kV |
Certificaciones | KEMA |
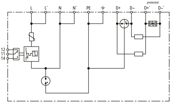
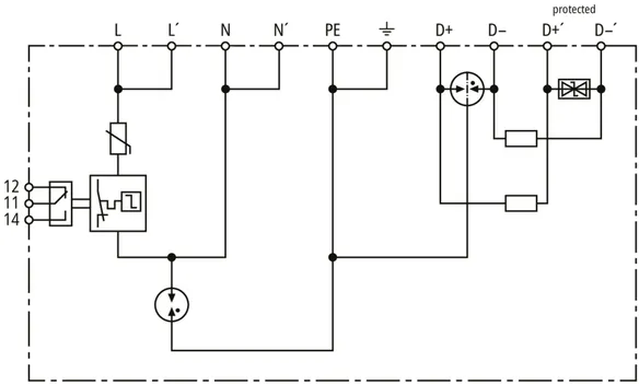
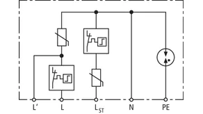
N.º art. 900438 DCOR 1P 275 D FM
GTIN 4013364526891, N.º de arancel aduanero (EU): 85363030, Peso bruto: 86.27 g, Empaquetado: 1.00 unidad(es)
Datos técnicos
Datos técnicos | |
DPS según EN 61643-11 / ... IEC 61643-11 | Tipo 2 + Tipo 3 / Clase II + Clase III |
Máxima tensión permisible de servicio AC (UC ) | 275 V (50 / 60 Hz) |
Máxima tensión permisible de servicio DC (UC ) | 350 V |
Corriente nominal de descarga (8/20 µs) [L-N] (In ) | 10 kA |
Máx. corriente de descarga (8/20 µs) [L-N] (Imax ) | 20 kA |
Corriente nominal de descarga (8/20 µs) [N-PE] (In ) | 10 kA |
Máx. corriente de descarga (8/20 µs) [N-PE] (Imax ) | 40 kA |
Nivel de protección [L-N] (UP ) | ≤ 1,5 kV |
Nivel de protección [N-PE] (UP ) | ≤ 1,5 kV |
Certificaciones | KEMA |
Datos técnicos del lado de señal | |
Tipo de descargador | U |
Tensión nominal CC (UN ) | 24 V |
Máx. tensión permisible de servicio CC (UC ) | 28 V |
C2 Corriente nominal de descarga (8/20 µs) total (In ) | 10 kA |
Impedancia en serie por hilo | 1,8 Ohmios |
Frecuencia de corte hilo-hilo (100 Ω) (fG ) | 10 MHz |
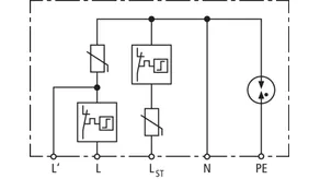
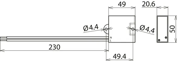
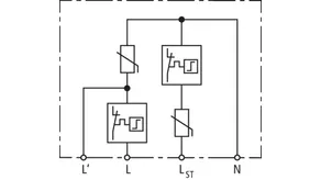
N.º art. 900430 DCOR L 2P 275
GTIN 4013364157286, N.º de arancel aduanero (EU): 85363030, Peso bruto: 73.00 g, Empaquetado: 1.00 unidad(es)
Datos técnicos
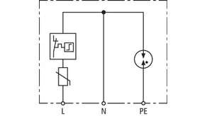
DPS según EN 61643-11 / ... IEC 61643-11 | Tipo 2 / Clase II |
Máxima tensión permisible de servicio AC (UC ) | 275 V (50 / 60 Hz) |
Corriente nominal de descarga (8/20 µs) (In ) | 5 kA |
Corriente max. de descarga (8/20 µs) (Imax ) | 10 kA |
Nivel de protección [L-N] (UP ) | ≤ 1,5 kV |
Nivel de protección [N-PE] (UP ) | ≤ 1,5 kV |
Fusible previo máximo | 25 A gG |
Certificaciones | KEMA |
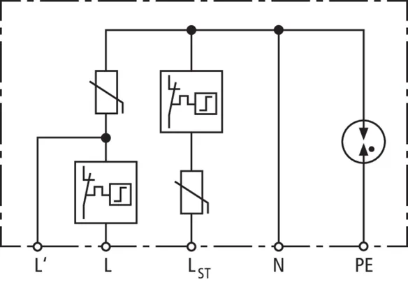
N.º art. 900432 DCOR L 2P 320
GTIN 4013364157309, N.º de arancel aduanero (EU): 85363030, Peso bruto: 74.00 g, Empaquetado: 1.00 unidad(es)
Datos técnicos
DPS según EN 61643-11 / ... IEC 61643-11 | Tipo 2 / Clase II |
Máxima tensión permisible de servicio AC (UC ) | 320 V (50 / 60 Hz) |
Corriente nominal de descarga (8/20 µs) (In ) | 5 kA |
Corriente max. de descarga (8/20 µs) (Imax ) | 10 kA |
Nivel de protección [L-N] (UP ) | ≤ 1,75 kV |
Nivel de protección [N-PE] (UP ) | ≤ 1,5 kV |
Fusible previo máximo | 25 A gG |
Certificaciones | KEMA |
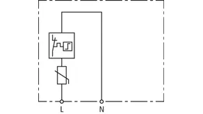
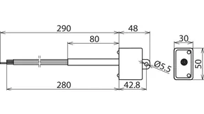
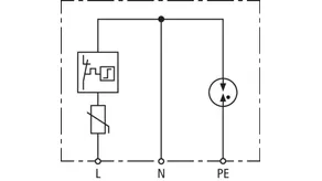
N.º art. 900431 DCOR L 1P 275
GTIN 4013364310827, N.º de arancel aduanero (EU): 85363030, Peso bruto: 60.00 g, Empaquetado: 1.00 unidad(es)
Datos técnicos
DPS según EN 61643-11 / ... IEC 61643-11 | Tipo 2 / Clase II |
Máxima tensión permisible de servicio AC (UC ) | 275 V (50 / 60 Hz) |
Corriente nominal de descarga (8/20 µs) (In ) | 5 kA |
Corriente max. de descarga (8/20 µs) (Imax ) | 10 kA |
Nivel de protección [L-N] (UP ) | ≤ 1,5 kV |
Fusible previo máximo | 25 A gG |
Certificaciones | KEMA |
N.º art. 900433 DCOR L 1P 320
GTIN 4013364157316, N.º de arancel aduanero (EU): 85363030, Peso bruto: 61.00 g, Empaquetado: 1.00 unidad(es)
Datos técnicos
DPS según EN 61643-11 / ... IEC 61643-11 | Tipo 2 / Clase II |
Máxima tensión permisible de servicio AC (UC ) | 320 V (50 / 60 Hz) |
Corriente nominal de descarga (8/20 µs) (In ) | 5 kA |
Corriente max. de descarga (8/20 µs) (Imax ) | 10 kA |
Nivel de protección [L-N] (UP ) | ≤ 1,75 kV |
Fusible previo máximo | 25 A gG |
Certificaciones | KEMA |
N.º art. 999906 DCOR L 2P SN1864
GTIN 4013364310926, N.º de arancel aduanero (EU): 85363030, Peso bruto: 70.50 g, Empaquetado: 1.00 unidad(es)
Datos técnicos
DPS según EN 61643-11 / ... IEC 61643-11 | Tipo 2 / Clase II |
Máxima tensión permisible de servicio AC (UC ) | 275 V (50 / 60 Hz) |
Corriente nominal de descarga (8/20 µs) (In ) | 5 kA |
Corriente max. de descarga (8/20 µs) (Imax ) | 10 kA |
Nivel de protección [L-N] (UP ) | ≤ 1,5 kV |
Protección contra sobrecorriente máxima lado de red | B 16 A |
N.º art. 999937 DCOR L 2P SN1860
GTIN 4013364303195, N.º de arancel aduanero (EU): 85363030, Peso bruto: 86.00 g, Empaquetado: 1.00 unidad(es)
Datos técnicos
DPS según EN 61643-11 / ... IEC 61643-11 | Tipo 2 / Clase II |
Máxima tensión permisible de servicio AC (UC ) | 275 V (50 / 60 Hz) |
Corriente nominal de descarga (8/20 µs) (In ) | 5 kA |
Corriente max. de descarga (8/20 µs) (Imax ) | 10 kA |
Nivel de protección [L-N] (UP ) | ≤ 1,5 kV |
Nivel de protección [N-PE] (UP ) | ≤ 1,5 kV |
Protección contra sobrecorriente máxima lado de red | B 16 A |
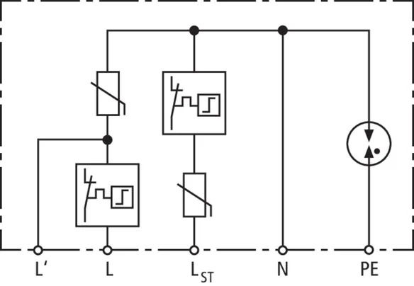
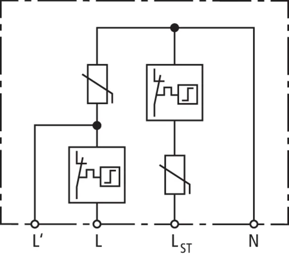
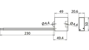
N.º art. 900446 DCOR L 2P 275 SO LTG
GTIN 4013364292970, N.º de arancel aduanero (EU): 85363030, Peso bruto: 62.50 g, Empaquetado: 1.00 unidad(es)
Datos técnicos
DPS según EN 61643-11 / ... IEC 61643-11 | Tipo 2 / Clase II |
Máxima tensión permisible de servicio AC (UC ) | 275 V (50 / 60 Hz) |
Corriente nominal de descarga (8/20 µs) (In ) | 5 kA |
Corriente max. de descarga (8/20 µs) (Imax ) | 10 kA |
Nivel de protección [L-N] (UP ) | ≤ 1,5 kV |
Nivel de protección [N-PE] (UP ) | ≤ 1,5 kV |
Protección contra sobrecorriente máxima lado de red | B 16 A |
Certificaciones | KEMA |
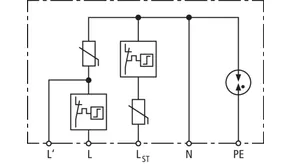
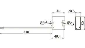
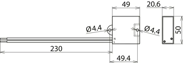
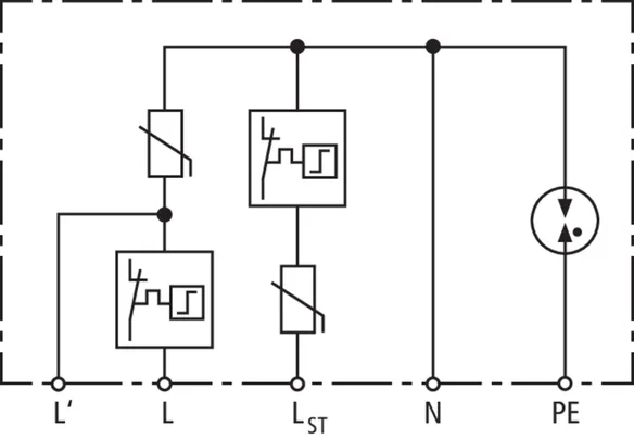
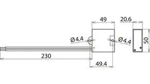
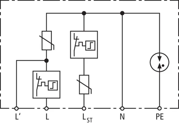
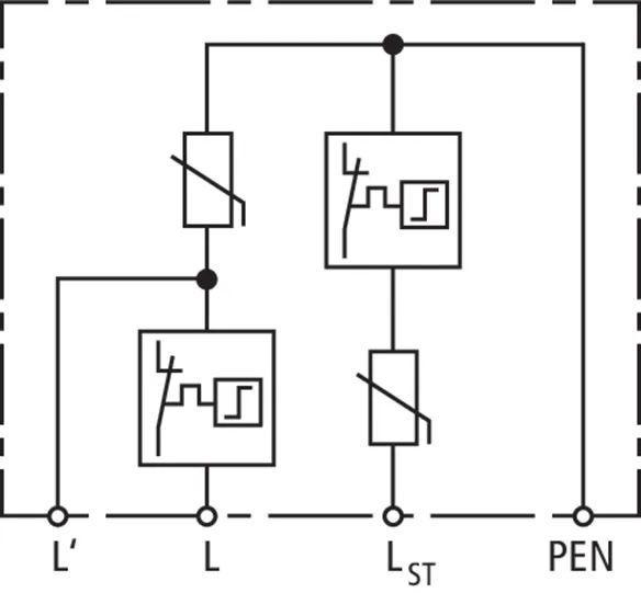
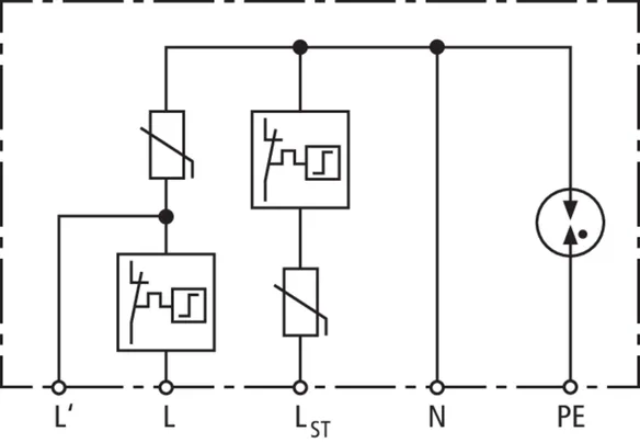
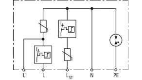
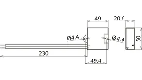
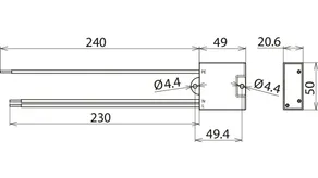
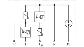
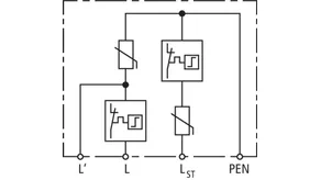
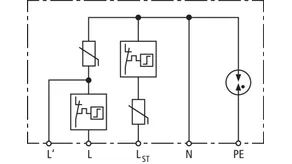
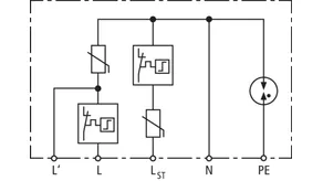
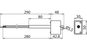
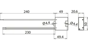
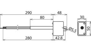
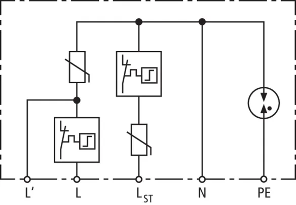
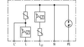
N.º art. 900445 DCOR L 3P 275 SO LTG
GTIN 4013364280380, N.º de arancel aduanero (EU): 85363030, Peso bruto: 71.50 g, Empaquetado: 1.00 unidad(es)
Datos técnicos
DPS según EN 61643-11 / ... IEC 61643-11 | Tipo 2 / Clase II |
Máxima tensión permisible de servicio AC (UC ) | 275 V (50 / 60 Hz) |
Corriente nominal de descarga (8/20 µs) (In ) | 5 kA |
Corriente max. de descarga (8/20 µs) (Imax ) | 10 kA |
Nivel de protección [L-N] (UP ) | ≤ 1,5 kV |
Nivel de protección [N-PE] (UP ) | ≤ 1,5 kV |
Protección contra sobrecorriente máxima lado de red | B 16 A |
Certificaciones | KEMA |
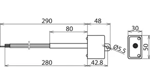
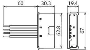
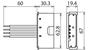
SK EK480 G2S-2d LM DCOR
La caja de fusibles EK480 es un producto de alta calidad y prestaciones fabricado por la compañía Langmatz. La gama de productos EK480
cumple todos los requerimientos mecánicos y eléctricos exigidos por las normativas. Así, las luminarias con sistemas electrónicos de alta calidad
que incorporan esta caja de fusibles quedan protegidas eficientemente contra las sobretensiones causadas por procesos de conmutación o
descargas cercanas de rayo.
1 Producto
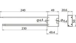
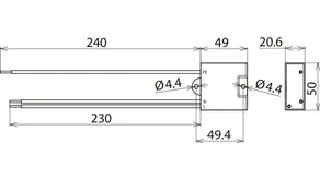
N.º art. 900443 SK EK480 G2S-2d LM DCOR
GTIN 4013364394322, N.º de arancel aduanero (EU): 85362010, Peso bruto: 788.00 g, Empaquetado: 20.00 unidad(es)
Datos técnicos
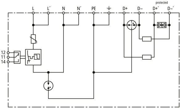
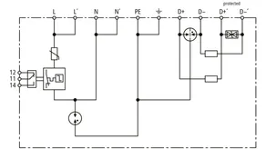
Datos del descargador de sobretensiones DEHNcord L 3P 275 SO LTG | |
DPS según la EN 61643-11 / ... IEC 61643-11 | tipo 2 / clase II |
Máx. tensión permisible de servicio AC [L-N] (UC ) | 275 V (50 / 60 Hz) |
Corriente nominal de descarga (8/20 µs) (In ) | 5 kA |
Corriente máxima de descarga (8/20 µs) (Imax ) | 10 kA |
Nivel de protección [L-N] (UP ) | ≤ 1,5 kV |
Nivel de protección [N-PE] (UP ) | ≤ 1,5 kV |
Máx. protección contra sobrecorrientes de lado de red | B 16 A |
Datos de la caja de fusibles | |
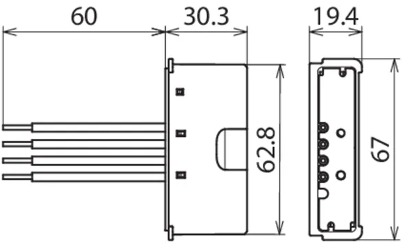
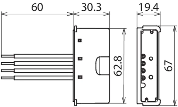
Dimensiones | 276 x 81 x 70 mm |
Desde el diámetro interior del mástil | 89 mm |
Técnica de apriete | entrada: técnica de fijación con borna deslizante/salida: muelle elástico de tracción |
Máx. sección de apriete | 1-3 cables (4 y/o 5 x 16 mm²) |
Bornas de salida | máx. 2,5 mm² |
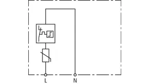
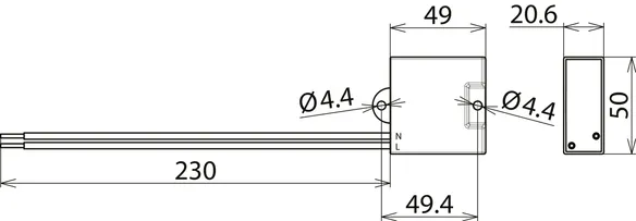
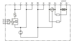
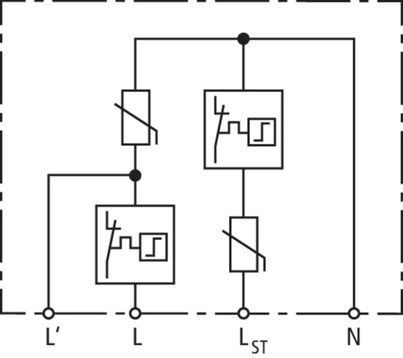
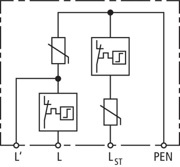
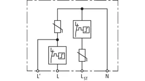
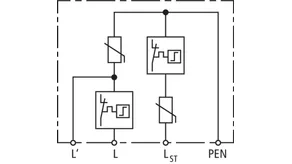
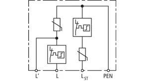
N.º art. 900435 DCOR L 2P 275 SO LT
GTIN 4013364292963, N.º de arancel aduanero (EU): 85363030, Peso bruto: 70.00 g, Empaquetado: 1.00 unidad(es)
Datos técnicos
DPS según EN 61643-11 / ... IEC 61643-11 | Tipo 2 / Clase II |
Máx. tensión permisible de servicio AC [L-PEN] (UC ) | 275 V (50 / 60 Hz) |
Corriente nominal de descarga (8/20 µs) (In ) | 5 kA |
Corriente max. de descarga (8/20 µs) (Imax ) | 10 kA |
Nivel de protección [L-PEN] (UP ) | ≤ 1,5 kV |
Protección contra sobrecorriente máxima lado de red | B 16 A |
Certificaciones | KEMA |
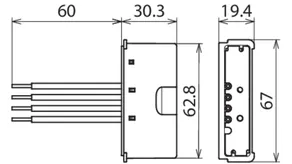
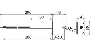
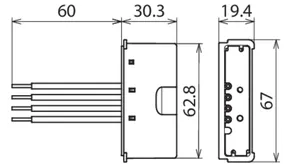
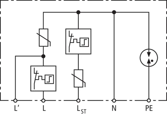
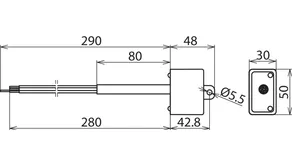
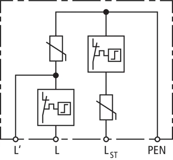
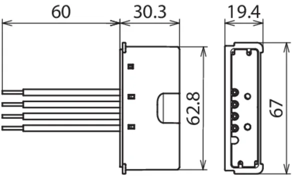
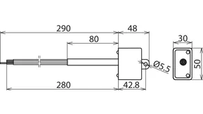
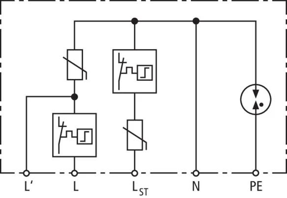
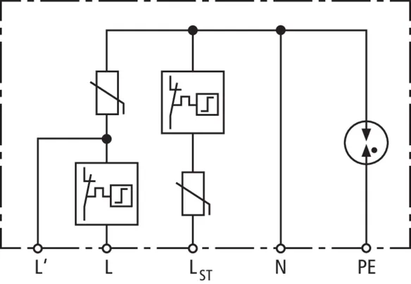
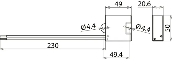
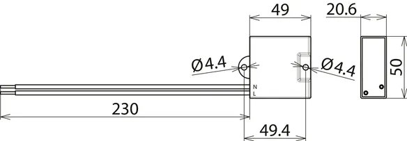
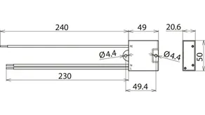
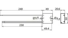
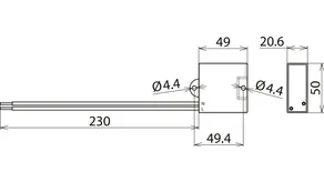
N.º art. 900447 DCOR L 3P 275 SO IP
GTIN 4013364282216, N.º de arancel aduanero (EU): 85363030, Peso bruto: 146.60 g, Empaquetado: 1.00 unidad(es)
Datos técnicos
DPS según EN 61643-11 / ... IEC 61643-11 | Tipo 2 / Clase II |
Máxima tensión permisible de servicio AC (UC ) | 275 V (50 / 60 Hz) |
Corriente nominal de descarga (8/20 µs) (In ) | 5 kA |
Corriente max. de descarga (8/20 µs) (Imax ) | 10 kA |
Nivel de protección [L-N] (UP ) | ≤ 1,5 kV |
Nivel de protección [N-PE] (UP ) | ≤ 1,5 kV |
Protección contra sobrecorriente máxima lado de red | B 16 A |
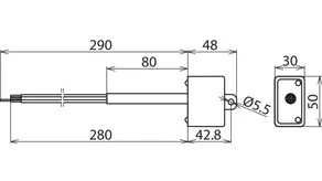
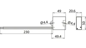
N.º art. 900448 DCOR L 2P 275 SO IP
GTIN 4013364293007, N.º de arancel aduanero (EU): 85363030, Peso bruto: 139.90 g, Empaquetado: 1.00 unidad(es)
Datos técnicos
DPS según EN 61643-11 / ... IEC 61643-11 | Tipo 2 / Clase II |
Máxima tensión permisible de servicio AC (UC ) | 275 V (50 / 60 Hz) |
Corriente nominal de descarga (8/20 µs) (In ) | 5 kA |
Corriente max. de descarga (8/20 µs) (Imax ) | 10 kA |
Nivel de protección [L-N] (UP ) | ≤ 1,5 kV |
Nivel de protección [N-PE] (UP ) | ≤ 1,5 kV |
Protección contra sobrecorriente máxima lado de red | B 16 A |
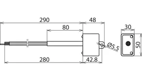
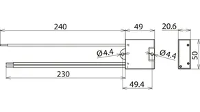
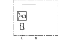
N.º art. 900449 DCOR R 3P 275
GTIN 4013364320031, N.º de arancel aduanero (EU): 85363030, Peso bruto: 151.00 g, Empaquetado: 1.00 unidad(es)
Datos técnicos
DPS según EN 61643-11 / ... IEC 61643-11 | Tipo 2 / Clase II |
Máxima tensión permisible de servicio AC (UC ) | 275 V (50 / 60 Hz) |
Corriente nominal de descarga (8/20 µs) (In ) | 2,5 kA |
Corriente max. de descarga (8/20 µs) (Imax ) | 5 kA |
Nivel de protección [L-N] (UP ) | ≤ 1,5 kV |
Conexión | Hirschmann STAK 3 / STAS 3 |