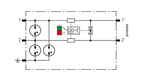
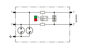
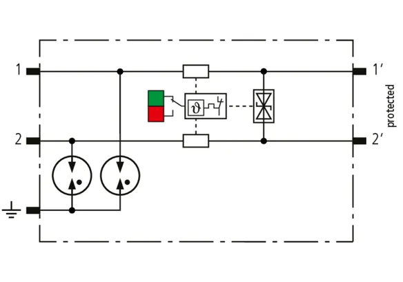
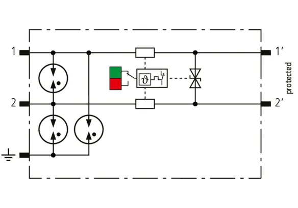
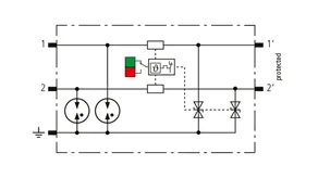
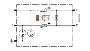
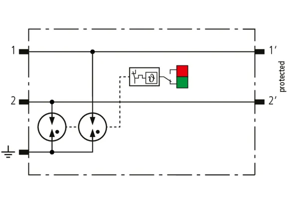
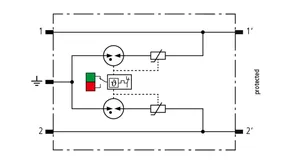
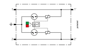
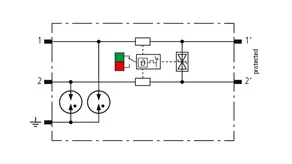
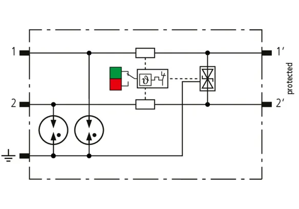
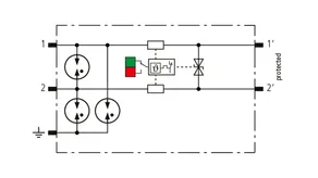
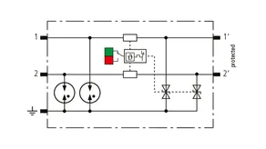
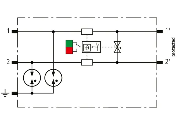
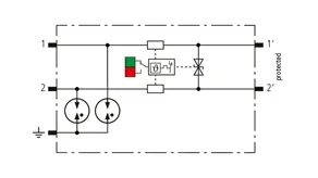
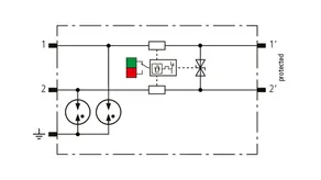
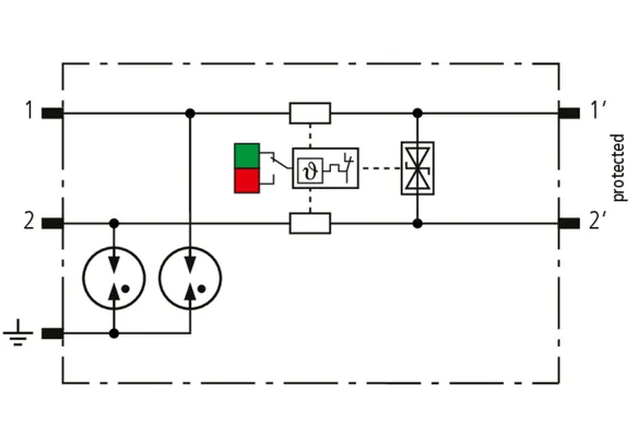
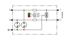
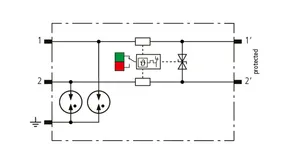
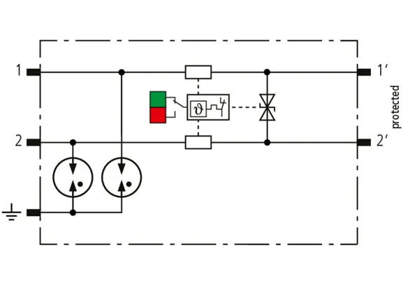
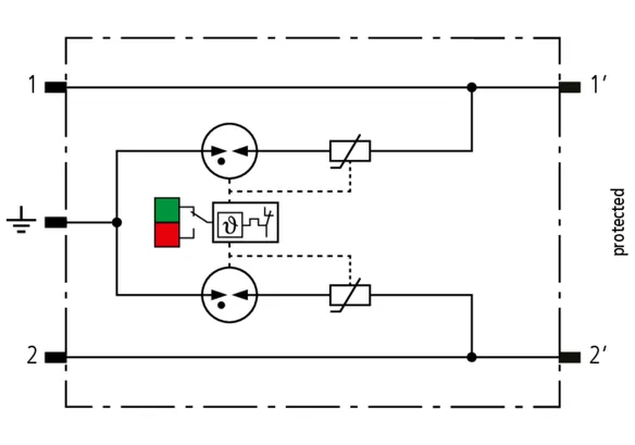
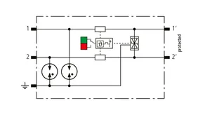
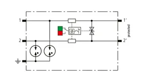
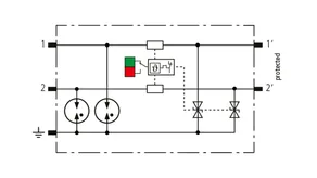
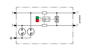
BLITZDUCTORconnect – Modular

Descargador de corrientes de rayo y sobretensiones para uso universal
  • Para la protección de circuitos de medida y control y sistemas de bus y telecomunicaciones
  • Alta capacidad de derivación total 3 kA (10/350 µs), 10 kA (8/20 µs)
  • Resistencia máxima a la corriente de impulso de rayo (8/20 µs) Imáx hasta 20 kA
  • Bajo umbral de protección, también apto para protección de equipo final
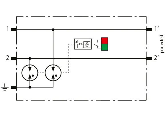
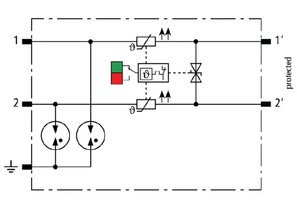
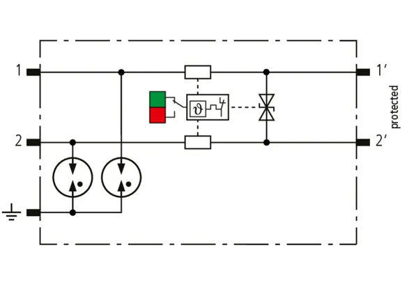
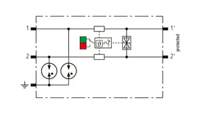
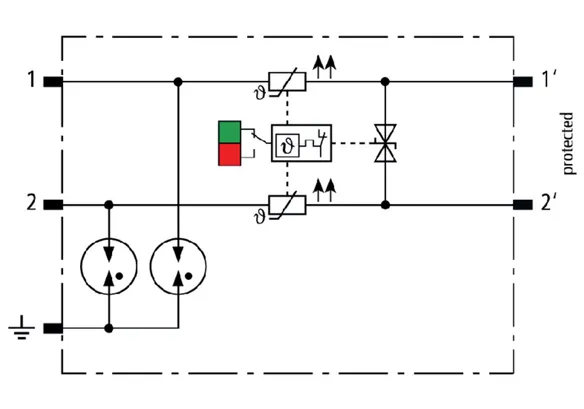
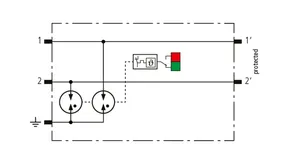
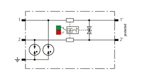
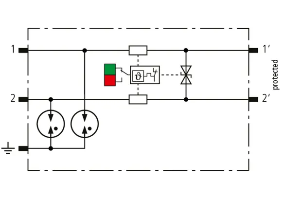
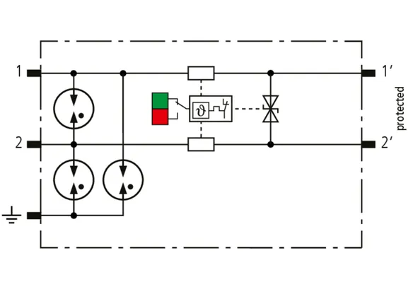
Descargador desmontable en módulo y base
  • Conexión de conductores rápida y sencilla con la técnica de conexión Push-in
  • Todos los componentes de protección integrados en el módulo
  • Botones de desbloqueo secR en ambos lados para el cambio seguro de los módulos
  • Alta disponibilidad de las instalaciones gracias al comportamiento a prueba de fallos
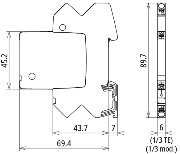
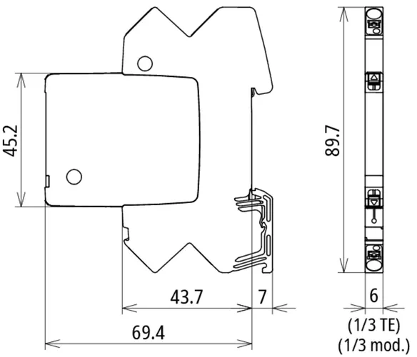
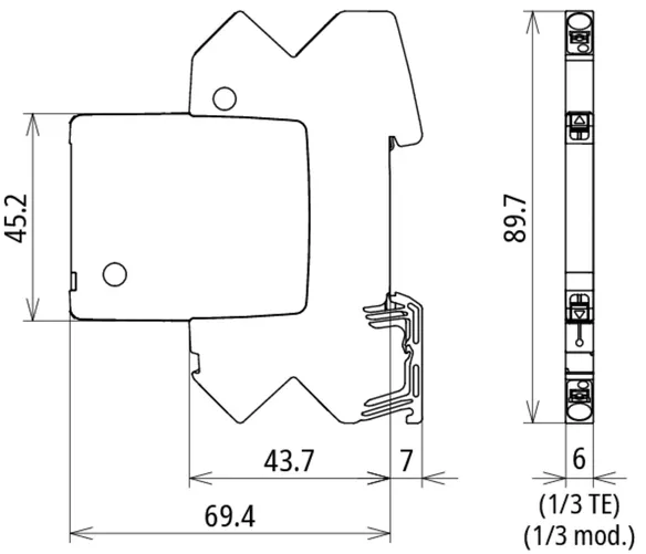
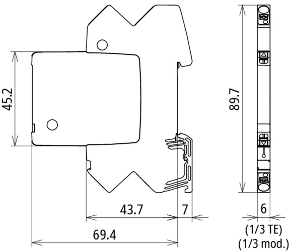
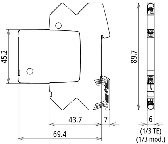
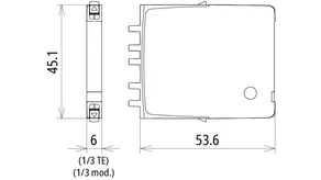
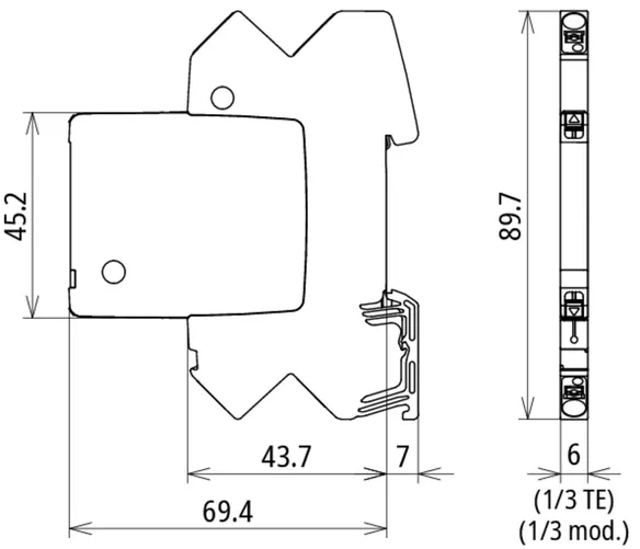
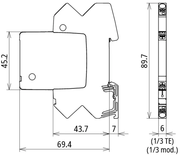
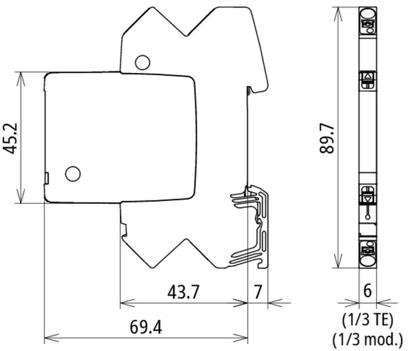
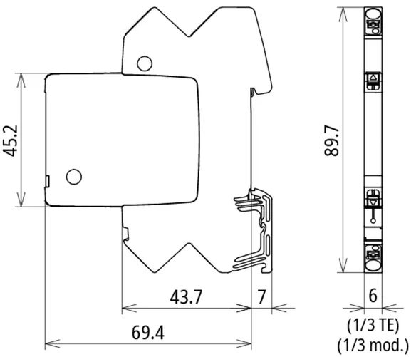
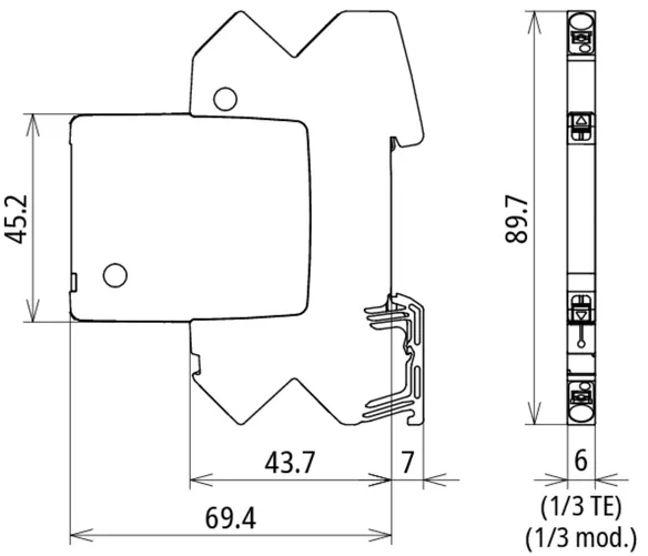
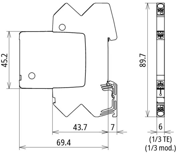
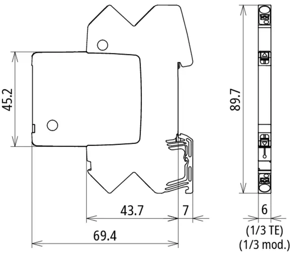
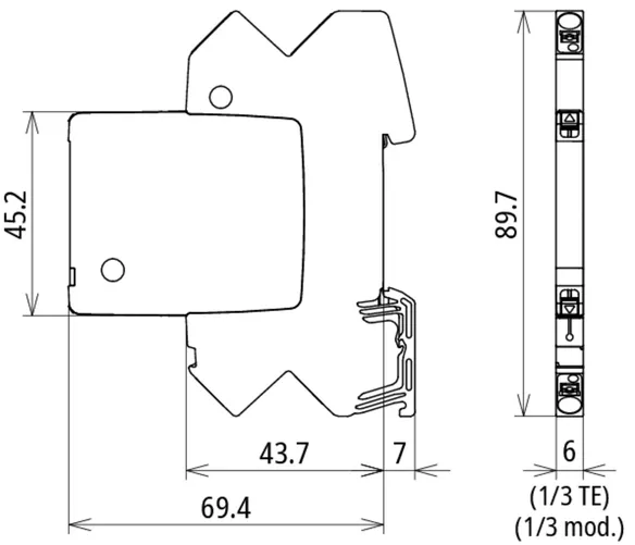
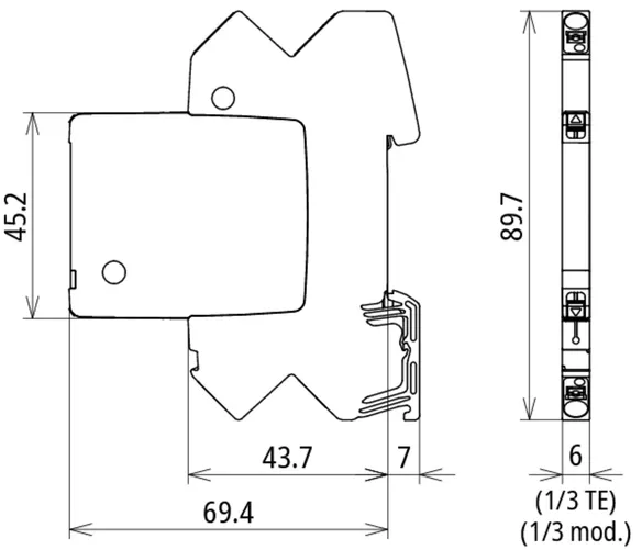
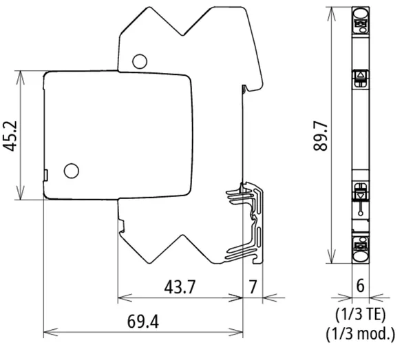
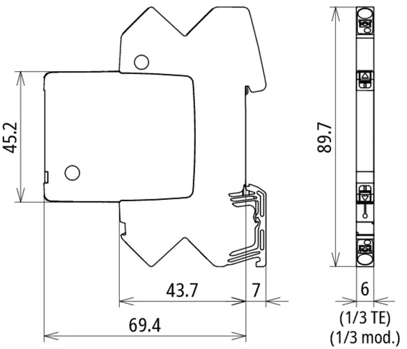
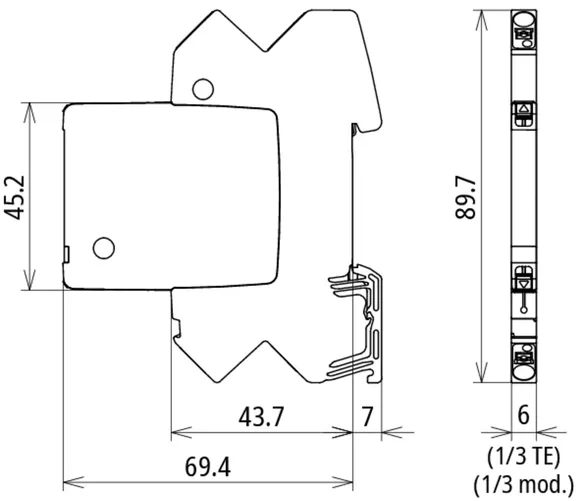
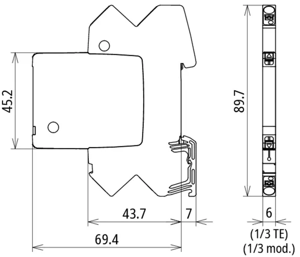
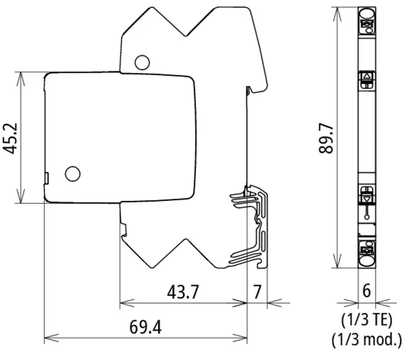
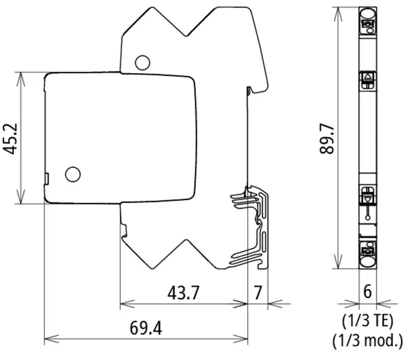
Diseño del equipo con función optimizada con un ancho de 6 mm
  • LifeCheck e indicación de estado visual integrados en el módulo
  • Señalización a distancia del estado operativo con dispositivo de señalización a distancia opcional
  • Desconexión sin herramientas del circuito de señal para fines de mantenimiento
  • Probado contra vibraciones y choques para un funcionamiento seguro

Detalles

Probado rápidamente - de un vistazo
Pantalla integrada para un mantenimiento fácil y rápido
lorem ipsum
Máxima disponibilidad de la instalación
Certificados para su empleo en circuitos de medida autoprotegidos
lorem ipsum
Bloquear seguramente - Sacar exactamente
Botones de desbloqueo secR en ambos lados para su aplicación segura
lorem ipsum
Conectar = Proteger
Un simple aviso de estado con una unidad de control para grupos de descargadores
lorem ipsum

BCO ML2 B 180

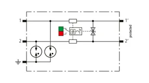
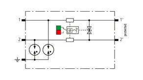
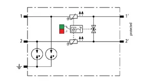
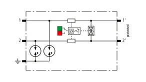
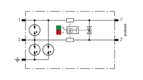
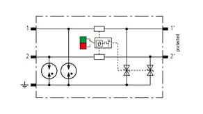
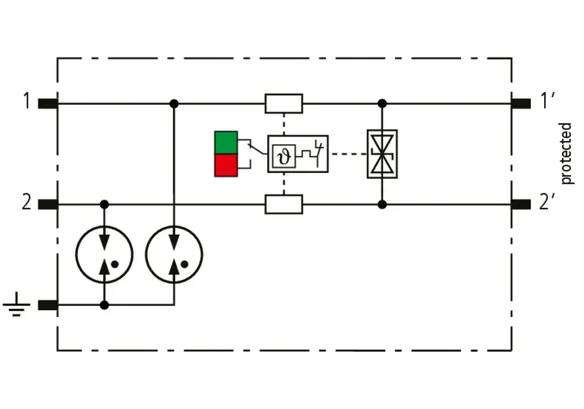
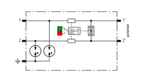
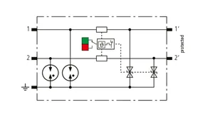
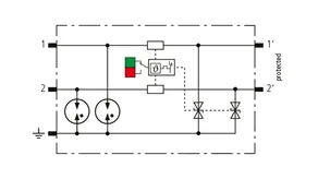
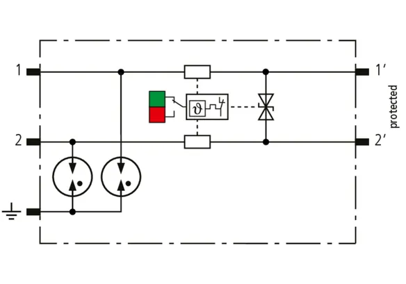
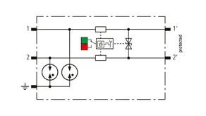
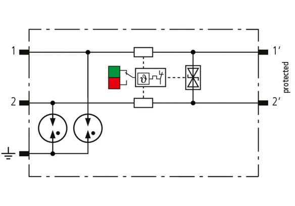
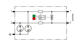
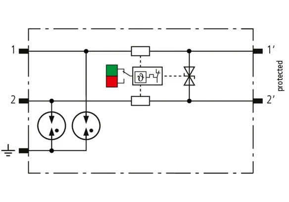
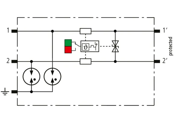
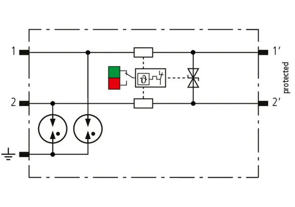
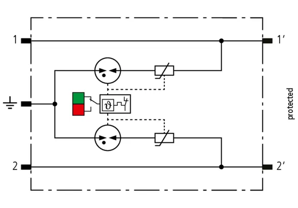
Descargador de corrientes de rayo modular, con ahorro de espacio, con 6 mm de ancho y técnica de conexión Push-in con indicación del estado operativo para la protección de 2 hilos para la equipotencialidad contra el rayo así como la realización de una puesta a tierra indirecta de conductores apantallados. Con interrupción de la señal para trabajos de mantenimiento.

1 Producto

N.º art. 927210 BCO ML2 B 180

GTIN 4013364405585, N.º de arancel aduanero (EU): 85363010, Peso bruto: 57.75 g, Empaquetado: 1.00 unidad(es)


Figuras

Más información

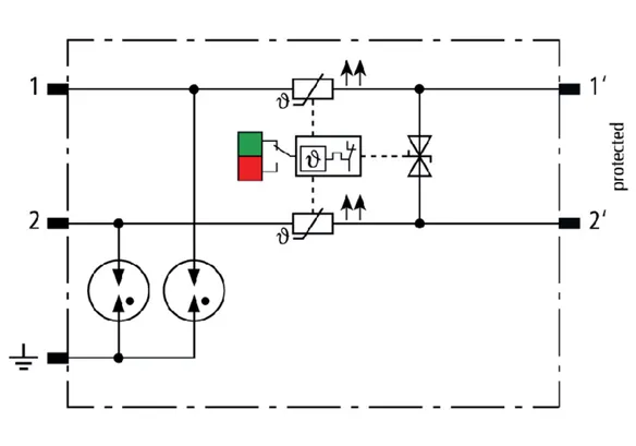
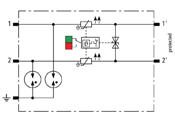
Descargador de corriente de rayo BLITZDUCTORconnect ML2 B 180
Descargador de corriente de rayo modular y enchufable
para la protección de 2 hilos individuales con
equipotencialidad contra el rayo, así como la realización
de puesta a tierra indirecta de líneas apantalladas
probado según EN/IEC 61643-21 y coordinado
energéticamente según IEC 61643-22
Tipo de descargador 1
Categoría de impulsos: C2, C3, B2, D1
Indicación de estado, 6 mm de ancho
Máxima tensión de servicio: 180,0 V CC / 127,0 V CA
Corriente nominal a 80 °C: 1,2 A
C2 Corriente nominal de descarga por hilo (8/20): 5 kA
C2 Corriente nominal de descarga total (8/20): 10 kA
D1 Corriente de choque de rayo (10/350 µs) por hilo: 1,5 kA
D1 Corriente de choque de rayo (10/350 µs) total: 3 kA
con interrupción de la señal para fines de mantenimiento
Conexión de conductores: Push-in

Producto DEHN
Tipo: BCO ML2 B 180
art. no.: 927210
o equivalente

Certificados

 

Datos técnicos

Clase de descargador A
Tensión nominal (UN ) 180 V
Máx. tensión permisible de servicio DC (UC ) 180 V
D1 Corriente de choque de rayo (10/350 µs) por hilo (Iimp ) 1,5 kA
C2 Corriente nominal de descarga total (8/20 µs) (In ) 10 kA
Impedancia de serie por hilo 0 Ohm
Certificaciones UL 497B, CSA, ATEX, IECEx, CCC, SIL
*) Para más detalles, visite: www.dehn.de

Se ha añadido el artículo 927210 a favoritos.

El artículo 927210 ha sido añadido a la cesta de compra.


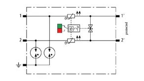
BCO ML2 BE

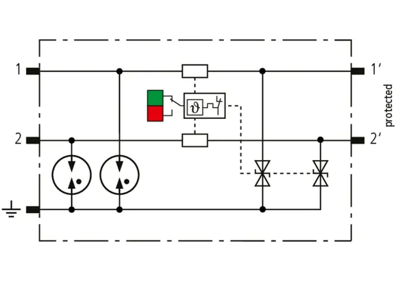
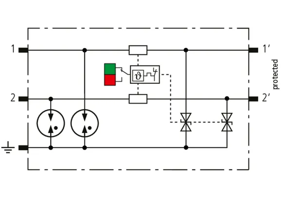
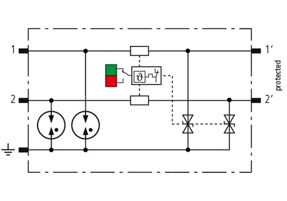
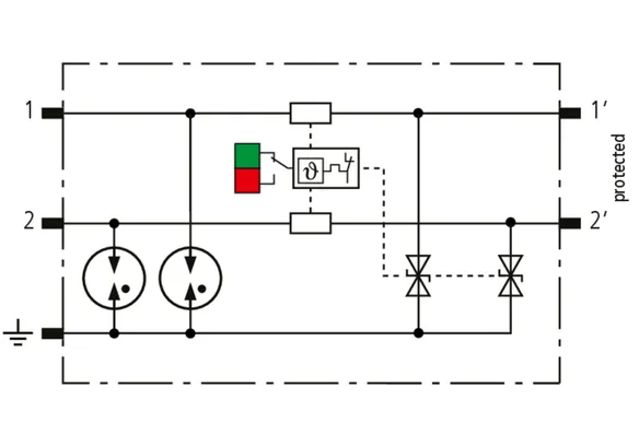
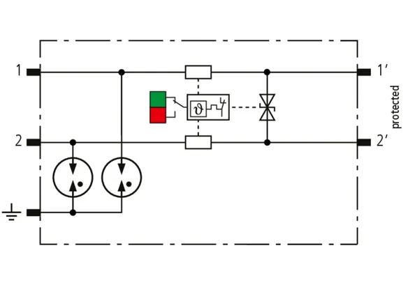
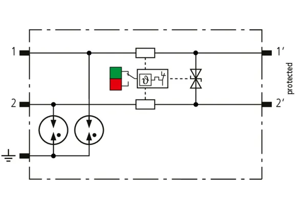
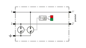
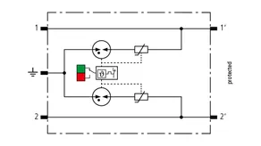
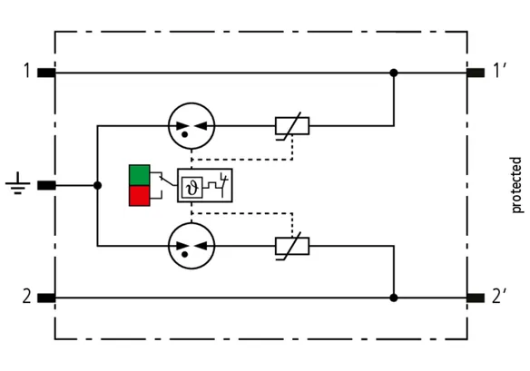
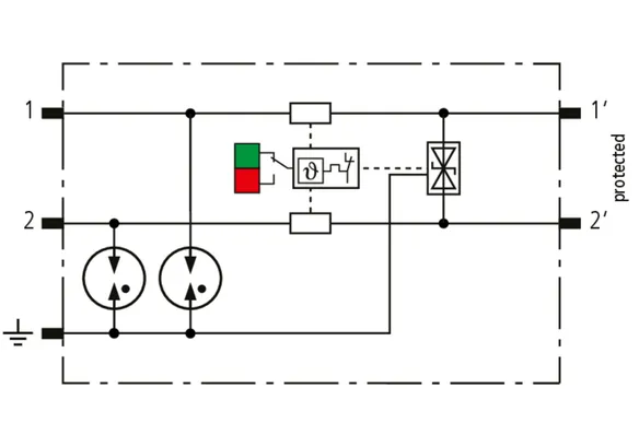
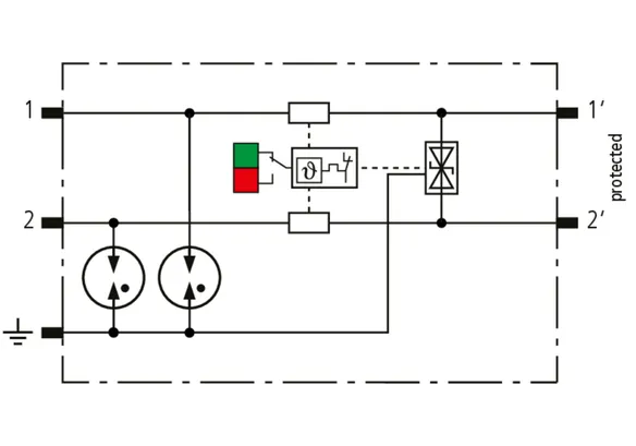
Descargador combinado de corrientes de rayo y sobretensiones, modular, ahorra espacio por solo 6 mm de ancho y técnica de conexión Push-in, con indicación del estado operativo para la protección de 2 hilos individuales con potencial de referencia común así como interfaces asimétricas. Con interrupción de la señal para fines de mantenimiento.

4 Productos

N.º art. 927222 BCO ML2 BE 12

GTIN 4013364405592, N.º de arancel aduanero (EU): 85363010, Peso bruto: 59.19 g, Empaquetado: 1.00 unidad(es)

Predecesor

Figuras

Más información

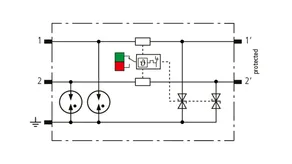
Descargador combinado BLITZDUCTORconnect ML2 BE 12
Descargador combinado modular y enchufable
para la protección de 2 hilos individuales con
potencial de referencia común, así como interfaces asimétricas
probado según EN/IEC 61643-21 y coordinado
energéticamente según IEC 61643-22
Tipo de descargador 1 / P1
Categoría de impulsos: C1, C2, C3, B2, D1
Indicación de estado, 6 mm de ancho
Máxima tensión de servicio: 15,0 V CC / 10,6 V CA
Corriente nominal a 70 °C: 0,75 A
C2 Corriente nominal de descarga por hilo (8/20): 5 kA
C2 Corriente nominal de descarga total (8/20): 10 kA
D1 Corriente de choque de rayo (10/350 µs) por hilo: 1,5 kA
D1 Corriente de choque de rayo (10/350 µs) total: 3 kA
con interrupción de la señal para fines de mantenimiento
Conexión de conductores: Push-in

Producto DEHN
Tipo: BCO ML2 BE 12
art. no.: 927222
o equivalente

Certificados

 

Datos técnicos

Clase de descargador M
Tensión nominal (UN ) 12 V
Máx. tensión permisible de servicio DC (UC ) 15 V
Corriente nominal a 70° C (IL ) 0,75 A
D1 Corriente de choque de rayo (10/350 µs) por hilo (Iimp ) 1,5 kA
C2 Corriente nominal de descarga total (8/20 µs) (In ) 10 kA
Impedancia de serie por hilo 1 Ohm
Frecuencia de corte hilo-hilo (fG ) 1,4 MHz
Certificaciones UL 479B, CSA, ATEX, IECEx, CCC, SIL
*) Para más detalles, visite: www.dehn.de

Se ha añadido el artículo 927222 a favoritos.

El artículo 927222 ha sido añadido a la cesta de compra.

N.º art. 927224 BCO ML2 BE 24

GTIN 4013364405608, N.º de arancel aduanero (EU): 85363010, Peso bruto: 59.68 g, Empaquetado: 1.00 unidad(es)

Predecesor

Figuras

Más información

Descargador combinado BLITZDUCTORconnect ML2 BE 24
Descargador combinado modular y enchufable
para la protección de 2 hilos individuales con
potencial de referencia común, así como interfaces asimétricas
probado según EN/IEC 61643-21 y coordinado
energéticamente según IEC 61643-22
Tipo de descargador 1 / P1
Categoría de impulsos: C1, C2, C3, B2, D1
Indicación de estado, 6 mm de ancho
Máxima tensión de servicio: 33,0 V CC / 23,3 V CA
Corriente nominal a 70 °C: 0,75 A
C2 Corriente nominal de descarga por hilo (8/20): 5 kA
C2 Corriente nominal de descarga total (8/20): 10 kA
D1 Corriente de choque de rayo (10/350 µs) por hilo: 1,5 kA
D1 Corriente de choque de rayo (10/350 µs) total: 3 kA
con interrupción de la señal para fines de mantenimiento
Conexión de conductores: Push-in

Producto DEHN
Tipo: BCO ML2 BE 24
art. no.: 927224
o equivalente

Certificados

 

Datos técnicos

Clase de descargador M
Tensión nominal (UN ) 24 V
Máx. tensión permisible de servicio DC (UC ) 33 V
Corriente nominal a 70° C (IL ) 0,75 A
D1 Corriente de choque de rayo (10/350 µs) por hilo (Iimp ) 1,5 kA
C2 Corriente nominal de descarga total (8/20 µs) (In ) 10 kA
Impedancia de serie por hilo 1 Ohm
Frecuencia de corte hilo-hilo (fG ) 3,4 MHz
Certificaciones UL 497B, CSA, ATEX, IECEx, CCC, SIL
*) Para más detalles, visite: www.dehn.de

Se ha añadido el artículo 927224 a favoritos.

El artículo 927224 ha sido añadido a la cesta de compra.

N.º art. 927225 BCO ML2 BE 48

GTIN 4013364405615, N.º de arancel aduanero (EU): 85363010, Peso bruto: 58.22 g, Empaquetado: 1.00 unidad(es)

Predecesor

Figuras

Más información

Descargador combinado BLITZDUCTORconnect ML2 BE 48
Descargador combinado modular y enchufable
para la protección de 2 hilos individuales con
potencial de referencia común, así como interfaces asimétricas
probado según EN/IEC 61643-21 y coordinado
energéticamente según IEC 61643-22
Tipo de descargador 1 / P1
Categoría de impulsos: C1, C2, C3, B2, D1
Indicación de estado, 6 mm de ancho
Máxima tensión de servicio: 54,0 V CC / 38,1 V CA
Corriente nominal a 70 °C: 0,75 A
C2 Corriente nominal de descarga por hilo (8/20): 5 kA
C2 Corriente nominal de descarga total (8/20): 10 kA
D1 Corriente de choque de rayo (10/350 µs) por hilo: 1,5 kA
D1 Corriente de choque de rayo (10/350 µs) total: 3 kA
con interrupción de la señal para fines de mantenimiento
Conexión de conductores: Push-in

Producto DEHN
Tipo: BCO ML2 BE 48
art. no.: 927225
o equivalente

Certificados

 

Datos técnicos

Clase de descargador M
Tensión nominal (UN ) 48 V
Máx. tensión permisible de servicio DC (UC ) 54 V
Corriente nominal a 70° C (IL ) 0,75 A
D1 Corriente de choque de rayo (10/350 µs) por hilo (Iimp ) 1,5 kA
C2 Corriente nominal de descarga total (8/20 µs) (In ) 10 kA
Impedancia de serie por hilo 1 Ohm
Frecuencia de corte hilo-hilo (fG ) 5 MHz
Certificaciones UL 497B, CSA, ATEX, IECEx, CCC, SIL
*) Para más detalles, visite: www.dehn.de

Se ha añadido el artículo 927225 a favoritos.

El artículo 927225 ha sido añadido a la cesta de compra.

N.º art. 927227 BCO ML2 BE 180

GTIN 4013364468658, N.º de arancel aduanero (EU): 85363010, Peso bruto: 58.85 g, Empaquetado: 1.00 unidad(es)

Predecesor

Figuras

Más información

Descargador combinado BLITZDUCTORconnect ML2 BE 180
Descargador combinado modular y enchufable
para la protección de 2 hilos individuales con
potencial de referencia común, así como interfaces asimétricas
probado según EN/IEC 61643-21 y coordinado
energéticamente según IEC 61643-22
Tipo de descargador 1 / P1
Categoría de impulsos: C1, C2, C3, B2, D1
Indicación de estado, 6 mm de ancho
Máxima tensión de servicio: 180 V CC / 127 V CA
Corriente nominal a 70 °C: 0,5 A
C2 Corriente nominal de descarga por hilo (8/20): 5 kA
C2 Corriente nominal de descarga total (8/20): 10 kA
D1 Corriente de choque de rayo (10/350 µs) por hilo: 1,5 kA
D1 Corriente de choque de rayo (10/350 µs) total: 3 kA
con interrupción de la señal para fines de mantenimiento
Conexión de conductores: Push-in

Producto DEHN
Tipo: BCO ML2 BE 180
art. no.: 927227
o equivalente

Certificados

 

Datos técnicos

Clase de descargador M
Tensión nominal (UN ) 180 V
Máx. tensión permisible de servicio DC (UC ) 180 V
Corriente nominal a 70° C (IL ) 0,5 A
D1 Corriente de choque de rayo (10/350 µs) por hilo (Iimp ) 1,5 kA
C2 Corriente nominal de descarga total (8/20 µs) (In ) 10 kA
Impedancia de serie por hilo 1,8 Ohm
Frecuencia de corte hilo-hilo (fG ) 10 MHz
Certificaciones UL 497B, SIL
*) Para más detalles, visite: www.dehn.de

Se ha añadido el artículo 927227 a favoritos.

El artículo 927227 ha sido añadido a la cesta de compra.


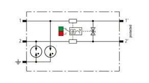
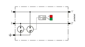
BCO ML2 BD

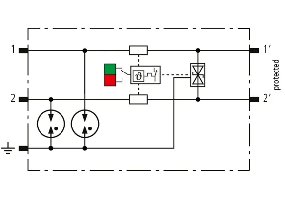
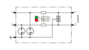
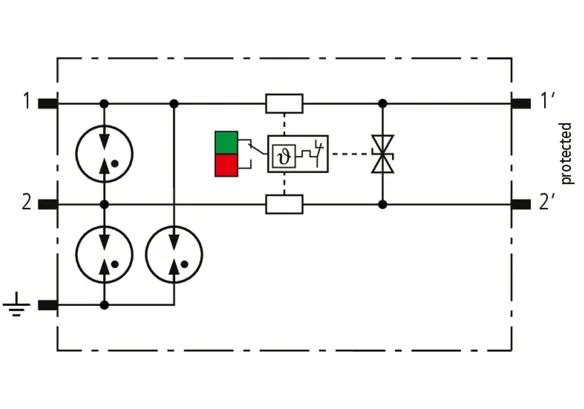
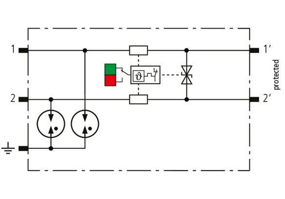
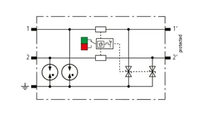
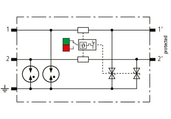
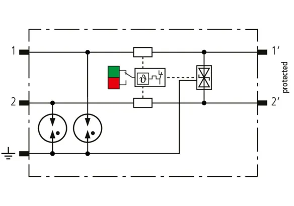
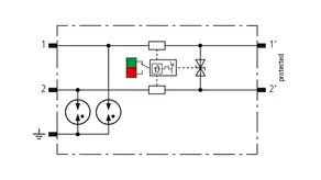
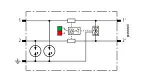
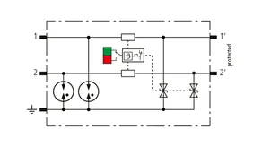
Descargador combinado de corrientes de rayo y sobretensiones, modular, ahorra espacio por solo 6 mm de ancho y técnica de conexión Push-in, con indicación del estado operativo para la protección de 1 par de hilos de interfaces simétricas libres de potencial de referencia. Con interrupción de la señal para fines de mantenimiento.

4 Productos

N.º art. 927242 BCO ML2 BD 12

GTIN 4013364405622, N.º de arancel aduanero (EU): 85363010, Peso bruto: 58.35 g, Empaquetado: 1.00 unidad(es)

Predecesor

Figuras

Más información

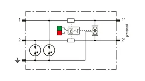
Descargador combinado BLITZDUCTORconnect ML2 BD 12
Descargador combinado modular y enchufable
para la protección de un par de hilos de interfaces simétricas
y sin referencia a tierra
probado según EN/IEC 61643-21 y
coordinado energéticamente según IEC 61643-22
Tipo de descargador 1 / P2
Categoría de impulsos: C1, C2, C3, B2, D1
Indicación de estado, 6 mm de ancho
Máxima tensión de servicio: 15,0 V CC / 10,6 V CA
Corriente nominal a 70 °C: 0,75 A
C2 Corriente nominal de descarga por hilo (8/20): 5 kA
C2 Corriente nominal de descarga total (8/20): 10 kA
D1 Corriente de choque de rayo (10/350 µs) por hilo: 1,5 kA
D1 Corriente de choque de rayo (10/350 µs) total: 3 kA
con interrupción de la señal para fines de mantenimiento
Conexión de conductores: Push-in

Producto DEHN
Tipo: BCO ML2 BD 12
art. no.: 927242
o equivalente

Certificados

 

Datos técnicos

Clase de descargador L
Tensión nominal (UN ) 12 V
Máx. tensión permisible de servicio DC (UC ) 15 V
Corriente nominal a 70° C (IL ) 0,75 A
D1 Corriente de choque de rayo (10/350 µs) por hilo (Iimp ) 1,5 kA
C2 Corriente nominal de descarga total (8/20 µs) (In ) 10 kA
Impedancia de serie por hilo 1 Ohm
Frecuencia de corte hilo-hilo (fG ) 2,6 MHz
Certificaciones UL 497B, CSA, ATEX, IECEx, CCC, SIL
*) Para más detalles, visite: www.dehn.de

Se ha añadido el artículo 927242 a favoritos.

El artículo 927242 ha sido añadido a la cesta de compra.

N.º art. 927244 BCO ML2 BD 24

GTIN 4013364405639, N.º de arancel aduanero (EU): 85363010, Peso bruto: 58.64 g, Empaquetado: 1.00 unidad(es)

Predecesor

Figuras

Más información

Descargador combinado BLITZDUCTORconnect ML2 BD 24
Descargador combinado modular y enchufable
para la protección de un par de hilos de interfaces simétricas
y sin referencia a tierra
probado según EN/IEC 61643-21 y
coordinado energéticamente según IEC 61643-22
Tipo de descargador 1 / P2
Categoría de impulsos: C1, C2, C3, B2, D1
Indicación de estado, 6 mm de ancho
Máxima tensión de servicio: 36,0 V CC / 25,4 V CA
Corriente nominal a 70 °C: 0,75 A
C2 Corriente nominal de descarga por hilo (8/20): 5 kA
C2 Corriente nominal de descarga total (8/20): 10 kA
D1 Corriente de choque de rayo (10/350 µs) por hilo: 1,5 kA
D1 Corriente de choque de rayo (10/350 µs) total: 3 kA
con interrupción de la señal para fines de mantenimiento
Conexión de conductores: Push-in

Producto DEHN
Tipo: BCO ML2 BD 24
art. no.: 927244
o equivalente

Certificados

 

Datos técnicos

Clase de descargador L
Tensión nominal (UN ) 24 V
Máx. tensión permisible de servicio DC (UC ) 36 V
Corriente nominal a 70° C (IL ) 0,75 A
D1 Corriente de choque de rayo (10/350 µs) por hilo (Iimp ) 1,5 kA
C2 Corriente nominal de descarga total (8/20 µs) (In ) 10 kA
Impedancia de serie por hilo 1 Ohm
Frecuencia de corte hilo-hilo (fG ) 5,8 MHz
Certificaciones UL 497B, CSA, ATEX, IECEx, CCC, SIL
*) Para más detalles, visite: www.dehn.de

Se ha añadido el artículo 927244 a favoritos.

El artículo 927244 ha sido añadido a la cesta de compra.

N.º art. 927245 BCO ML2 BD 48

GTIN 4013364405646, N.º de arancel aduanero (EU): 85363010, Peso bruto: 58.49 g, Empaquetado: 1.00 unidad(es)

Predecesor

Figuras

Más información

Descargador combinado BLITZDUCTORconnect ML2 BD 48
Descargador combinado modular y enchufable
para la protección de un par de hilos de interfaces simétricas
y sin referencia a tierra
probado según EN/IEC 61643-21 y
coordinado energéticamente según IEC 61643-22
Tipo de descargador 1 / P2
Categoría de impulsos: C1, C2, C3, B2, D1
Indicación de estado, 6 mm de ancho
Máxima tensión de servicio: 56,0 V CC / 39,6 V CA
Corriente nominal a 70 °C: 0,75 A
C2 Corriente nominal de descarga por hilo (8/20): 5 kA
C2 Corriente nominal de descarga total (8/20): 10 kA
D1 Corriente de choque de rayo (10/350 µs) por hilo: 1,5 kA
D1 Corriente de choque de rayo (10/350 µs) total: 3 kA
con interrupción de la señal para fines de mantenimiento
Conexión de conductores: Push-in

Producto DEHN
Tipo: BCO ML2 BD 48
art. no.: 927245
o equivalente

Certificados

 

Datos técnicos

Clase de descargador L
Tensión nominal (UN ) 48 V
Máx. tensión permisible de servicio DC (UC ) 56 V
Corriente nominal a 70° C (IL ) 0,75 A
D1 Corriente de choque de rayo (10/350 µs) por hilo (Iimp ) 1,5 kA
C2 Corriente nominal de descarga total (8/20 µs) (In ) 10 kA
Impedancia de serie por hilo 1 Ohm
Frecuencia de corte hilo-hilo (fG ) 7,2 MHz
Certificaciones UL 497B, CSA, ATEX, IECEx, CCC, SIL
*) Para más detalles, visite: www.dehn.de

Se ha añadido el artículo 927245 a favoritos.

El artículo 927245 ha sido añadido a la cesta de compra.

N.º art. 927247 BCO ML2 BD 180

GTIN 4013364468665, N.º de arancel aduanero (EU): 85363010, Peso bruto: 58.92 g, Empaquetado: 1.00 unidad(es)

Predecesor

Figuras

Más información

Descargador combinado BLITZDUCTORconnect ML2 BD 180
Descargador combinado modular y enchufable
para la protección de un par de hilos de interfaces simétricas
y sin referencia a tierra
probado según EN/IEC 61643-21 y
coordinado energéticamente según IEC 61643-22
Tipo de descargador 1 / P2
Categoría de impulsos: C1, C2, C3, B2, D1
Indicación de estado, 6 mm de ancho
Máxima tensión de servicio: 180 V CC / 127 V CA
Corriente nominal a 70 °C: 0,5 A
C2 Corriente nominal de descarga por hilo (8/20): 5 kA
C2 Corriente nominal de descarga total (8/20): 10 kA
D1 Corriente de choque de rayo (10/350 µs) por hilo: 1,5 kA
D1 Corriente de choque de rayo (10/350 µs) total: 3 kA
con interrupción de la señal para fines de mantenimiento
Conexión de conductores: Push-in

Producto DEHN
Tipo: BCO ML2 BD 180
art. no.: 927247
o equivalente

Certificados

 

Datos técnicos

Clase de descargador L
Tensión nominal (UN ) 180 V
Máx. tensión permisible de servicio DC (UC ) 180 V
Corriente nominal a 70° C (IL ) 0,5 A
D1 Corriente de choque de rayo (10/350 µs) por hilo (Iimp ) 1,5 kA
C2 Corriente nominal de descarga total (8/20 µs) (In ) 10 kA
Impedancia de serie por hilo 1,8 Ohm
Frecuencia de corte hilo-hilo (fG ) 10 MHz
Certificaciones UL 497B, SIL
*) Para más detalles, visite: www.dehn.de

Se ha añadido el artículo 927247 a favoritos.

El artículo 927247 ha sido añadido a la cesta de compra.


BCO ML2 BE HF

Descargador combinado de corrientes de rayo y sobretensiones, modular, que ahorra espacio con un ancho de solo 6 mm y técnica de conexión Push-in con indicación del estado operativo para la protección de 1 par de hilos de interfaces simétricas libres de referencia a tierra. Con interrupción de la señal para fines de mantenimiento.

2 Productos

N.º art. 927270 BCO ML2 BE HF 5

GTIN 4013364405653, N.º de arancel aduanero (EU): 85363010, Peso bruto: 58.57 g, Empaquetado: 1.00 unidad(es)

Predecesor

Figuras

Más información

Descargador combinado BLITZDUCTORconnect ML2 BE HF 5
Descargador combinado modular y enchufable
para la protección de 2 hilos individuales con
transmisiones de alta frecuencia con potencial de referencia común,
así como interfaces asimétricas
probado según EN/IEC 61643-21 y
coordinado energéticamente según IEC 61643-22
Tipo de descargador 1 / P1
Categoría de impulsos: C1, C2, C3, B2, D1
Indicación de estado, 6 mm de ancho
Máxima tensión de servicio: 8,5 V CC / 6,0 V CA
Corriente nominal a 70 °C: 0,75 A
Frecuencia límite 100 MHz
C2 Corriente nominal de descarga por hilo (8/20): 5 kA
C2 Corriente nominal de descarga total (8/20): 10 kA
D1 Corriente de choque de rayo (10/350 µs) por hilo: 1,5 kA
D1 Corriente de choque de rayo (10/350 µs) total: 3 kA
con interrupción de la señal para fines de mantenimiento
Conexión de conductores: Push-in

Producto DEHN
Tipo: BCO ML2 BE HF 5
art. no.: 927270
o equivalente

Certificados

 

Datos técnicos

Clase de descargador M
Tensión nominal (UN ) 5 V
Máx. tensión permisible de servicio DC (UC ) 8,5 V
Corriente nominal a 70° C (IL ) 0,75 A
D1 Corriente de choque de rayo (10/350 µs) por hilo (Iimp ) 1,5 kA
C2 Corriente nominal de descarga total (8/20 µs) (In ) 10 kA
Impedancia de serie por hilo 1 Ohm
Certificaciones UL 497B, CSA, ATEX, IECEx, CCC, SIL
*) Para más detalles, visite: www.dehn.de

Se ha añadido el artículo 927270 a favoritos.

El artículo 927270 ha sido añadido a la cesta de compra.

N.º art. 927274 BCO ML2 BE HF 24

GTIN 4013364468559, N.º de arancel aduanero (EU): 85363010, Peso bruto: 58.30 g, Empaquetado: 1.00 unidad(es)


Figuras

Más información

Descargador combinado BLITZDUCTORconnect ML2 BE HF 24
Descargador combinado modular y enchufable
para la protección de 2 hilos individuales con
transmisiones de alta frecuencia con potencial de referencia común,
así como interfaces asimétricas
probado según EN/IEC 61643-21 y
coordinado energéticamente según IEC 61643-22
Tipo de descargador 1 / P1
Categoría de impulsos: C1, C2, C3, B2, D1
Indicación de estado, 6 mm de ancho
Máxima tensión de servicio: 36 V CC / 25,4 V CA
Corriente nominal a 70 °C: 0,75 A
Frecuencia límite 100 MHz
C2 Corriente nominal de descarga por hilo (8/20): 5 kA
C2 Corriente nominal de descarga total (8/20): 10 kA
D1 Corriente de choque de rayo (10/350 µs) por hilo: 1,5 kA
D1 Corriente de choque de rayo (10/350 µs) total: 3 kA
con interrupción de la señal para fines de mantenimiento
Conexión de conductores: Push-in

Producto DEHN
Tipo: BCO ML2 BE HF 24
art. no.: 927274
o equivalente

Certificados

 

Datos técnicos

Clase de descargador M
Tensión nominal (UN ) 24 V
Máx. tensión permisible de servicio DC (UC ) 36 V
Corriente nominal a 70° C (IL ) 0,75 A
D1 Corriente de choque de rayo (10/350 µs) por hilo (Iimp ) 1,5 kA
C2 Corriente nominal de descarga total (8/20 µs) (In ) 10 kA
Impedancia de serie por hilo 1 Ohm
Certificaciones UL 497B, SIL
*) Para más detalles, visite: www.dehn.de

Se ha añadido el artículo 927274 a favoritos.

El artículo 927274 ha sido añadido a la cesta de compra.


BCO ML2 BD HF

Descargador combinado modular de espacio reducido en ancho de 6 mm y con técnica de conexión Push-in, con indicación de estado para la protección de un par de hilos de sistemas de bus de alta frecuencia y sin referencia a tierra, así como interfaces simétricas. Con interrupción de la señal para fines de mantenimiento.

2 Productos

N.º art. 927271 BCO ML2 BD HF 5

GTIN 4013364405660, N.º de arancel aduanero (EU): 85363010, Peso bruto: 58.42 g, Empaquetado: 1.00 unidad(es)

Predecesor

Figuras

Más información

Descargador combinado BLITZDUCTORconnect ML2 BD HF 5
Descargador combinado modular y enchufable para la protección
de 1 par de hilos de sistemas de bus de alta frecuencia
y sin referencia a tierra, así como interfaces simétricas
probado según EN/IEC 61643-21 y coordinado
energéticamente según IEC 61643-22
Tipo de descargador 1 / P2
Categoría de impulsos: C1, C2, C3, B2, D1
Indicación de estado, 6 mm de ancho
Máxima tensión de servicio: 8,5 V CC / 6,0 V CA
Corriente nominal a 70 °C: 0,75 A
Frecuencia límite 100 MHz
C2 Corriente nominal de descarga por hilo (8/20): 5 kA
C2 Corriente nominal de descarga total (8/20): 10 kA
D1 Corriente de choque de rayo (10/350 µs) por hilo: 1,5 kA
D1 Corriente de choque de rayo (10/350 µs) total: 3 kA
con interrupción de la señal para fines de mantenimiento
Conexión de conductores: Push-in

Producto DEHN
Tipo: BCO ML2 BD HF 5
art. no.: 927271
o equivalente

Certificados

 

Datos técnicos

Clase de descargador L
Tensión nominal (UN ) 5 V
Máx. tensión permisible de servicio DC (UC ) 8,5 V
Corriente nominal a 70° C (IL ) 0,75 A
D1 Corriente de choque de rayo (10/350 µs) por hilo (Iimp ) 1,5 kA
C2 Corriente nominal de descarga total (8/20 µs) (In ) 10 kA
Impedancia de serie por hilo 1 Ohm
Frecuencia de corte hilo-hilo (fG ) 100 MHz
Certificaciones UL 497B, CSA, ATEX, IECEx, CCC, SIL
*) Para más detalles, visite: www.dehn.de

Se ha añadido el artículo 927271 a favoritos.

El artículo 927271 ha sido añadido a la cesta de compra.

N.º art. 927275 BCO ML2 BD HF 24

GTIN 4013364468566, N.º de arancel aduanero (EU): 85363010, Peso bruto: 58.60 g, Empaquetado: 1.00 unidad(es)

Predecesor

Figuras

Más información

Descargador combinado BLITZDUCTORconnect ML2 BD HF 24
Descargador combinado modular y enchufable para la protección
de 1 par de hilos de sistemas de bus de alta frecuencia
y sin referencia a tierra, así como interfaces simétricas
probado según EN/IEC 61643-21 y coordinado
energéticamente según IEC 61643-22
Tipo de descargador 1 / P2
Categoría de impulsos: C1, C2, C3, B2, D1
Indicación de estado, 6 mm de ancho
Máxima tensión de servicio: 36 V CC / 25,4 V CA
Corriente nominal a 70 °C: 0,75 A
Frecuencia límite 100 MHz
C2 Corriente nominal de descarga por hilo (8/20): 5 kA
C2 Corriente nominal de descarga total (8/20): 10 kA
D1 Corriente de choque de rayo (10/350 µs) por hilo: 1,5 kA
D1 Corriente de choque de rayo (10/350 µs) total: 3 kA
con interrupción de la señal para fines de mantenimiento
Conexión de conductores: Push-in

Producto DEHN
Tipo: BCO ML2 BD HF 24
art. no.: 927275
o equivalente

Certificados

 

Datos técnicos

Clase de descargador L
Tensión nominal (UN ) 24 V
Máx. tensión permisible de servicio DC (UC ) 36 V
Corriente nominal a 70° C (IL ) 0,75 A
D1 Corriente de choque de rayo (10/350 µs) por hilo (Iimp ) 1,5 kA
C2 Corriente nominal de descarga total (8/20 µs) (In ) 10 kA
Impedancia de serie por hilo 1 Ohm
Frecuencia de corte hilo-hilo (fG ) 100 MHz
Certificaciones UL 497B, SIL
*) Para más detalles, visite: www.dehn.de

Se ha añadido el artículo 927275 a favoritos.

El artículo 927275 ha sido añadido a la cesta de compra.


BCO ML2 BD HC5A 24

1 Producto

N.º art. 927254 BCO ML2 BD HC5A 24

GTIN 4013364513419, N.º de arancel aduanero (EU): 85363010, Peso bruto: 60.63 g, Empaquetado: 1.00 unidad(es)


Figuras

Más información

Descargador combinado BLITZDUCTORconnect ML2 BD HC5A 24
modular y enchufable para la protección
de un par de hilos de circuitos de señal y sin referencia a tierra
con corriente nominal elevada en
sistemas informáticos y circuitos de medida y control.
probado según EN/IEC 61643-21 y coordinado
energéticamente según IEC 61643-22
Tipo de descargador 1 / P2
Categoría de impulsos: C1, C2, C3, B2, D1
Indicación de estado, 6 mm de ancho
Máxima tensión de servicio: 36 V CC / 25,4 V CA
Corriente nominal a 80 °C: 5 A
C2 Corriente nominal de descarga por hilo (8/20): 5 kA
C2 Corriente nominal de descarga total (8/20): 10 kA
D1 Corriente de choque de rayo (10/350 µs) por hilo: 1,5 kA
D1 Corriente de choque de rayo (10/350 µs) total: 3 kA
con interrupción de la señal para fines de mantenimiento
Conexión de conductores: Push-in

Producto DEHN
Tipo: BCO ML2 BD HC5A 24
art. no.: 927254
o equivalente

Certificados

 

Datos técnicos

Clase de descargador L
Tensión nominal (UN ) 24 V
Máx. tensión permisible de servicio DC (UC ) 36 V
Corriente nominal a 80 °C (IL ) 5 A
D1 Corriente de choque de rayo (10/350 µs) por hilo (Iimp ) 1,5 kA
C2 Corriente nominal de descarga total (8/20 µs) (In ) 10 kA
Impedancia de serie por hilo 0 Ohm
Certificaciones UL 497B, SIL
*) Para más detalles, visite: www.dehn.de

Se ha añadido el artículo 927254 a favoritos.

El artículo 927254 ha sido añadido a la cesta de compra.


BCO ML2 BPD 24

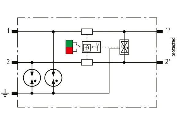
Descargador combinado de corrientes de rayo y sobretensiones modular, con ahorro de espacio, con 6 mm de ancho y técnica de conexión Push-in con indicación del estado operativo para la protección de un par de hilos en sistemas 24 V dc. Para su utilización también en caso del polo negativo puesto a tierra. Los resistores PTC integrados permiten una repuesta segura del descargador después de una interferencia en el circuito de la instalación con corrientes de cortocircuito hasta 40 A. Con interrupción de la señal para trabajos de mantenimiento.

1 Producto

N.º art. 927214 BCO ML2 BPD 24

GTIN 4013364473003, N.º de arancel aduanero (EU): 85363010, Peso bruto: 58.00 g, Empaquetado: 1.00 unidad(es)


Figuras

Más información

Descargador combinado BLITZDUCTORconnect ML2 BPD 24
Descargador combinado modular y enchufable para la protección
de un par de hilos en sistemas de 24 V CC,
uso apto también con polo negativo puesto a tierra,
con resistencias PTC integradas para
una protección contra sobrecorrientes de hasta 40 A
probado según EN/IEC 61643-21 y coordinado
energéticamente según IEC 61643-22
Tipo de descargador 1 / P2
Categoría de impulsos: C1, C2, C3, B2, D1
Indicación de estado, 6 mm de ancho
Máxima tensión de servicio: 33,0 V CC / 23,3 V CA
Corriente nominal a 70 °C: 0,1 A
C2 Corriente nominal de descarga por hilo (8/20): 5 kA
C2 Corriente nominal de descarga total (8/20): 10 kA
D1 Corriente de choque de rayo (10/350 µs) por hilo: 1,5 kA
D1 Corriente de choque de rayo (10/350 µs) total: 3 kA
con interrupción de la señal para fines de mantenimiento
Conexión de conductores: Push-in

Producto DEHN
Tipo: BCO ML2 BPD 24
art. no.: 927214
o equivalente

Certificados

 

Datos técnicos

Clase de descargador L
Tensión nominal (UN ) 24 V
Máx. tensión permisible de servicio DC (UC ) 33 V
Corriente nominal a 70° C (IL ) 0,1 A
D1 Corriente de choque de rayo (10/350 µs) por hilo (Iimp ) 1,5 kA
C2 Corriente nominal de descarga total (8/20 µs) (In ) 10 kA
Impedancia de serie por hilo 10 Ohm
Frecuencia de corte hilo-hilo (fG ) 4,5 MHz
Certificaciones UL 497B, SIL
*) Para más detalles, visite: www.dehn.de

Se ha añadido el artículo 927214 a favoritos.

El artículo 927214 ha sido añadido a la cesta de compra.


BCO ML2 MVG 230

Descargador de sobretensiones modular, que ahorra espacio con un ancho de solo 6 mm y técnica de conexión Push-in con indicación del estado operativo para la protección de 2 hilos de interfaces de señal multifilares libres de potencial de tierra con una tensión nominal de 230 V. Con interrupción de la señal para fines de mantenimiento. Cumple, entre otros, los requerimientos a sistemas de señalización en la industria ferroviaria (conforme a DB RIL 819.0808).

1 Producto

N.º art. 927290 BCO ML2 MVG 230

GTIN 4013364466524, N.º de arancel aduanero (EU): 85363010, Peso bruto: 60.12 g, Empaquetado: 1.00 unidad(es)


Figuras

Más información

Descargador de sobretensiones BLITZDUCTORconnect ML2 MVG 230
Descargador de sobretensiones modular y enchufable
para la protección de 2 hilos de
interfaces de señal de varios hilos con tensión nominal de 230 V CA
probado según EN/IEC 61643-21 y
coordinado energéticamente según IEC 61643-22
Tipo de descargador 2 / P3
Categoría de impulsos: C1, C2, C3
Indicación de estado, 6 mm de ancho
Máxima tensión de servicio: 320 V CC / 250 V CA
Corriente nominal a 80 °C: 3 A
C2 Corriente nominal de descarga por hilo (8/20): 3 kA
C2 Corriente nominal de descarga total (8/20): 6 kA
con interrupción de la señal para fines de mantenimiento
Conexión de conductores: Push-in
Conforme a DB RIL 819.0808

Producto DEHN
Tipo: BCO ML2 MVG 230
art. no.: 927290
o equivalente

Certificados

 

Datos técnicos

Clase de descargador V
Tensión nominal (UN ) 230 V
Corriente nominal a 80 °C (IL ) 3 A
C2 Corriente nominal de descarga total (8/20 µs) (In ) 6 kA
Impedancia de serie por hilo 0 Ohm
Certificaciones SIL
*) Para más detalles, visite: www.dehn.de

Se ha añadido el artículo 927290 a favoritos.

El artículo 927290 ha sido añadido a la cesta de compra.


BCO ML2 BD EX 24

Descargador combinado de corrientes de rayo y sobretensiones, modular, que ahorra espacio con un ancho de solo 6 mm y técnica de conexión Push-in con indicación del estado operativo para la protección de 1 par de hilos de circuitos de medida autoprotegidos y sistemas bus. Cumple los requerimientos según FISCO. Resistencia del aislamiento > 500 V hilo-tierra. Con interrupción de la señal para fines de mantenimiento.

1 Producto

N.º art. 927284 BCO ML2 BD EX 24

GTIN 4013364405677, N.º de arancel aduanero (EU): 85363010, Peso bruto: 65.18 g, Empaquetado: 1.00 unidad(es)

Predecesor

Figuras

Más información

Descargador combinado BLITZDUCTORconnect ML2 BD EX 24
Descargador combinado modular y enchufable
para la protección de un par de hilos de interfaces simétricas
con seguridad intrínseca y libres de potencial
probado según EN/IEC 61643-21 y
coordinado energéticamente según IEC 61643-22
Tipo de descargador 1 / P2
Categoría de impulsos: C1, C2, C3, B2, D1
Indicación de estado, 6 mm de ancho
Máxima tensión de servicio: 36,0 V CC / 25,4 V CA
Corriente nominal a 70 °C: 0,75 A
Tensión máxima de entrada según EN 60079-11: 30 V
Corriente máxima de entrada según EN 60079-11: 0,5 A
C2 Corriente nominal de descarga por hilo (8/20): 5 kA
C2 Corriente nominal de descarga total (8/20): 10 kA
D1 Corriente de choque de rayo (10/350 µs) por hilo: 1,5 kA
D1 Corriente de choque de rayo (10/350 µs) total: 3 kA
con interrupción de la señal para fines de mantenimiento
Conexión de conductores: Push-in

Producto DEHN
Tipo: BCO ML2 BD EX 24
art. no.: 927284
o equivalente

Certificados

 

Datos técnicos

Clase de descargador L
Tensión nominal (UN ) 24 V
Máx. tensión permisible de servicio DC (UC ) 36 V
Corriente nominal a 80 °C (IL ) 0,5 A
D1 Corriente de choque de rayo (10/350 µs) por hilo (Iimp ) 1,5 kA
C2 Corriente nominal de descarga total (8/20 µs) (In ) 10 kA
Impedancia de serie por hilo 1 Ohm
Frecuencia de corte hilo-hilo (fG ) 3,5 MHz
Certificaciones ATEX, IECEx, CCC, SIL
*) Para más detalles, visite: www.dehn.de

Se ha añadido el artículo 927284 a favoritos.

El artículo 927284 ha sido añadido a la cesta de compra.


BCO MOD ML2 B

Módulo de protección para descargadores de corrientes de rayo con 6 mm de ancho, para el BLITZDUCTORconnect con indicación del estado operativo para la protección de 2 hilos individuales para la equipotencialidad contra el rayo así como la realización de una toma de tierra indirecta de cables apantallados.

1 Producto

N.º art. 927010 BCO MOD ML2 B 180

GTIN 4013364410114, N.º de arancel aduanero (EU): 85363010, Peso bruto: 39.00 g, Empaquetado: 1.00 unidad(es)


Figuras

Más información

Módulo de protección para descargadores de corrientes de rayo
BLITZDUCTORconnect MOD ML2 B 180
modular, para la protección de 2 hilos individuales
para la equipotencialidad contra el rayo
así como la realización de una toma de tierra indirecta
de cables apantallados
comprobado según EN/IEC 61643-21
y coordinado energéticamente según IEC 61643-22
Clase de DPS Tipo 1
Categoría de impulso: C2, C3, B2, D1
Indicación del estado operativo, ancho de 6 mm
Máx. tensión de servicio: 180,0 V DC / 127,0 AC
Corriente nominal a 80°C: 1,2 A
Corriente nominal de descarga C2 por hilo (8/20): 5 kA
Corriente nominal de descarga C2 total (8/20): 10 kA
Corriente de choque de rayo D1 (10/350 µs) por hilo: 1,5 kA
Corriente de choque de rayo D1 (10/350 µs) total: 3 kA
Módulo de recambio

Producto DEHN
Tipo: BCO MOD ML2 B 180
art. no.: 927010
o equivalente

Certificados

 

Datos técnicos

Clase de descargador A
Tensión nominal (UN ) 180 V
Máx. tensión permisible de servicio DC (UC ) 180 V
D1 Corriente de choque de rayo (10/350 µs) por hilo (Iimp ) 1,5 kA
C2 Corriente nominal de descarga total (8/20 µs) (In ) 10 kA
Impedancia de serie por hilo 0 Ohm
Certificaciones UL 497B, CSA, ATEX, IECEx, CCC, SIL
*) Para más detalles, visite: www.dehn.de

Se ha añadido el artículo 927010 a favoritos.

El artículo 927010 ha sido añadido a la cesta de compra.


BCO MOD ML2 BE

Módulo de protección de descargadores combinados de corrientes de rayo y sobretensiones, 6 mm de ancho para BLITZDUCTORconnect con indicación del estado operativo para la protección de 2 hilos individuales con potencial de referencia común así como interfaces asimétricas.

4 Productos

N.º art. 927022 BCO MOD ML2 BE 12

GTIN 4013364410121, N.º de arancel aduanero (EU): 85363010, Peso bruto: 39.00 g, Empaquetado: 1.00 unidad(es)


Figuras

Más información

Módulo de protección de descargador combinado
de corrientes de rayo y sobretensiones
BLITZDUCTORconnect MOD ML2 BE 12
modular, para la protección de 2 hilos individuales
con potencial de referencia común
así como interfaces asimétriecas
comprobado según EN/IEC 61643-21
y coordinado energéticamente según IEC 61643-22
Clase de DPS Tipo 1 / P1
Categoría de impulso: C1, C2, C3, B2, D1
Indicación del estado operativo, ancho 6 mm
Máx. tensión de servicio: 15,0 V DC / 10,6 V AC
Corriente nominal a 70°C: 0,75 A
Corriente nominal de descarga C2 por hilo (8/20): 5 kA
Corriente nominal de descarga C2 total (8/20): 10 kA
Corriente de choque de rayo D1 (10/350 µs) por hilo: 1,5 kA
Corriente de choque de rayo D1 (10/350 µs) total: 3 kA
Módulo de recambio

Producto DEHN
Tipo: BCO MOD ML2 BE 12
art. no.: 927022
o equivalente

Certificados

 

Datos técnicos

Clase de descargador M
Tensión nominal (UN ) 12 V
Máx. tensión permisible de servicio DC (UC ) 15 V
Corriente nominal a 70° C (IL ) 0,75 A
D1 Corriente de choque de rayo (10/350 µs) por hilo (Iimp ) 1,5 kA
C2 Corriente nominal de descarga total (8/20 µs) (In ) 10 kA
Impedancia de serie por hilo 1 Ohm
Frecuencia de corte hilo-hilo (fG ) 1,4 MHz
Certificaciones UL 497B, CSA, ATEX, IECEx, CCC, SIL
*) Para más detalles, visite: www.dehn.de

Se ha añadido el artículo 927022 a favoritos.

El artículo 927022 ha sido añadido a la cesta de compra.

N.º art. 927024 BCO MOD ML2 BE 24

GTIN 4013364410138, N.º de arancel aduanero (EU): 85363010, Peso bruto: 39.27 g, Empaquetado: 1.00 unidad(es)


Figuras

Más información

Módulo de protección de descargador combinado
de corrientes de rayo y sobretensiones
BLITZDUCTORconnect MOD ML2 BE 24
modular, para la protección de 2 hilos individuales
con potencial de referencia común
así como interfaces asimétricas
comprobado según EN/IEC 61643-21
y coordinado energéticamente según IEC 61643-22
Clase de DPS Tipo 1 / P1
Categoría de impulso: C1, C2, C3, B2, D1
Indicación del estado operativo, ancho 6 mm
Máx. tensión de servicio: 33,0 V DC / 23,3 V AC
Corriente nominal a 70°C: 0,75 A
Corriente nominal de descarga C2 por hilo (8/20): 5 kA
Corriente nominal de descarga C2 total (8/20): 10 kA
Corriente de choque de rayo D1 (10/350 µs) por hilo: 1,5 kA
Corriente de choque de rayo D1 (10/350 µs) total: 3 kA
Módulo de recambio

Producto DEHN
Tipo: BCO MOD ML2 BE 24
art. no.: 927024
o equivalente

Certificados

 

Datos técnicos

Clase de descargador M
Tensión nominal (UN ) 24 V
Máx. tensión permisible de servicio DC (UC ) 33 V
Corriente nominal a 70° C (IL ) 0,75 A
D1 Corriente de choque de rayo (10/350 µs) por hilo (Iimp ) 1,5 kA
C2 Corriente nominal de descarga total (8/20 µs) (In ) 10 kA
Impedancia de serie por hilo 1 Ohm
Frecuencia de corte hilo-hilo (fG ) 3,4 MHz
Certificaciones UL 497B, CSA, ATEX, IECEx, CCC, SIL
*) Para más detalles, visite: www.dehn.de

Se ha añadido el artículo 927024 a favoritos.

El artículo 927024 ha sido añadido a la cesta de compra.

N.º art. 927025 BCO MOD ML2 BE 48

GTIN 4013364410145, N.º de arancel aduanero (EU): 85363010, Peso bruto: 39.00 g, Empaquetado: 1.00 unidad(es)


Figuras

Más información

Módulo de protección de descargador combinado
de corrientes de rayo y sobretensiones
BLITZDUCTORconnect MOD ML2 BE 48
modular, para la protección de 2 hilos individuales
con potencial de referencia común
así como interfaces asimétricas
comprobado según EN/IEC 61643-21
y coordinado energéticamente según IEC 61643-22
Clase de DPS Tipo 1 / P1
Categoría de impulso: C1, C2, C3, B2, D1
Indicación del estado operativo, ancho 6 mm
Máx. tensión de servicio: 54,0 V DC / 38,1 V AC
Corriente nominal a 70°C: 0,75 A
Corriente nominal de descarga C2 por hilo (8/20): 5 kA
Corriente nominal de descarga C2 total (8/20): 10 kA
Corriente de choque de rayo D1 (10/350 µs) por hilo: 1,5 kA
Corriente de choque de rayo D1 (10/350 µs) total: 3 kA
Módulo de recambio

Producto DEHN
Tipo: BCO MOD ML2 BE 48
art. no.: 927025
o equivalente

Certificados

 

Datos técnicos

Clase de descargador M
Tensión nominal (UN ) 48 V
Máx. tensión permisible de servicio DC (UC ) 54 V
Corriente nominal a 70° C (IL ) 0,75 A
D1 Corriente de choque de rayo (10/350 µs) por hilo (Iimp ) 1,5 kA
C2 Corriente nominal de descarga total (8/20 µs) (In ) 10 kA
Impedancia de serie por hilo 1 Ohm
Frecuencia de corte hilo-hilo (fG ) 5 MHz
Certificaciones UL 497B, CSA, ATEX, IECEx, CCC, SIL
*) Para más detalles, visite: www.dehn.de

Se ha añadido el artículo 927025 a favoritos.

El artículo 927025 ha sido añadido a la cesta de compra.

N.º art. 927027 BCO MOD ML2 BE 180

GTIN 4013364468689, N.º de arancel aduanero (EU): 85363010, Peso bruto: 39.00 g, Empaquetado: 1.00 unidad(es)


Figuras

Más información

Módulo de protección de descargador combinado
BLITZDUCTORconnect MOD ML2 BE 180
Módulo de protección de descargador combinado
para la protección de 2 hilos individuales
con potencial de referencia común,
así como interfaces asimétricas
probado según EN/IEC 61643-21 y
coordinado energéticamente según IEC 61643-22
Tipo de descargador 1 / P1
Categoría de impulsos: C1, C2, C3, B2, D1
Indicación de estado, 6 mm de ancho
Máxima tensión de servicio: 180 V CC / 127 V CA
Corriente nominal a 70 °C: 0,5 A
C2 Corriente nominal de descarga por hilo (8/20): 5 kA
C2 Corriente nominal de descarga total (8/20): 10 kA
D1 Corriente de choque de rayo (10/350 µs) por hilo: 1,5 kA
D1 Corriente de choque de rayo (10/350 µs) total: 3 kA
Módulo de sustitución

Producto DEHN
Tipo: BCO MOD ML2 BE 180
art. no.: 927027
o equivalente

Certificados

 

Datos técnicos

Clase de descargador M
Tensión nominal (UN ) 180 V
Máx. tensión permisible de servicio DC (UC ) 180 V
Corriente nominal a 70° C (IL ) 0,5 A
D1 Corriente de choque de rayo (10/350 µs) por hilo (Iimp ) 1,5 kA
C2 Corriente nominal de descarga total (8/20 µs) (In ) 10 kA
Impedancia de serie por hilo 1,8 Ohm
Frecuencia de corte hilo-hilo (fG ) 10 MHz
Certificaciones UL 497B, SIL
*) Para más detalles, visite: www.dehn.de

Se ha añadido el artículo 927027 a favoritos.

El artículo 927027 ha sido añadido a la cesta de compra.


BCO MOD ML2 BD

Módulo de protección de descargadores combinados de corrientes de rayo y sobretensiones, 6 mm de ancho para el BLITZDUCTORconnect con indicación del estado operativo para la protección de 1 par de hilos de interfaces simétricas libres de referencia a tierra.

4 Productos

N.º art. 927042 BCO MOD ML2 BD 12

GTIN 4013364410152, N.º de arancel aduanero (EU): 85363010, Peso bruto: 39.00 g, Empaquetado: 1.00 unidad(es)


Figuras

Más información

Módulo de protección de descargador combinado
de corrientes de rayo y sobretensiones
BLITZDUCTORconnect MOD ML2 BD 12
modular, para la protección de un par de hilos
de interfaces simétricas libres de referencia a tierra
comprobado según EN/IEC 61643-21
y coordinado energéticamente según IEC 61643-22
Clase de DPS Tipo 1 / P2
Categoría de impulso: C1, C2, C3, B2, D1
Indicación del estado operativo, ancho 6 mm
Máx. tensión de servicio: 15,0 V DC / 10,6 V AC
Corriente nominal a 70°C: 0,75 A
Corriente nominal de descarga C2 por hilo (8/20): 5 kA
Corriente nominal de descarga C2 total (8/20): 10 kA
Corriente de choque de rayo D1 (10/350 µs) por hilo: 1,5 kA
Corriente de choque de rayo D1 (10/350 µs) total: 3 kA
Módulo de recambio

Producto DEHN
Tipo: BCO MOD ML2 BD 12
art. no.: 927042
o equivalente

Certificados

 

Datos técnicos

Clase de descargador L
Tensión nominal (UN ) 12 V
Máx. tensión permisible de servicio DC (UC ) 15 V
Corriente nominal a 70° C (IL ) 0,75 A
D1 Corriente de choque de rayo (10/350 µs) por hilo (Iimp ) 1,5 kA
C2 Corriente nominal de descarga total (8/20 µs) (In ) 10 kA
Impedancia de serie por hilo 1 Ohm
Frecuencia de corte hilo-hilo (fG ) 2,6 MHz
Certificaciones UL 497B, CSA, ATEX, IECEx, CCC, SIL
*) Para más detalles, visite: www.dehn.de

Se ha añadido el artículo 927042 a favoritos.

El artículo 927042 ha sido añadido a la cesta de compra.

N.º art. 927044 BCO MOD ML2 BD 24

GTIN 4013364410169, N.º de arancel aduanero (EU): 85363010, Peso bruto: 39.00 g, Empaquetado: 1.00 unidad(es)


Figuras

Más información

Módulo de protección de descargador combinado
de corrientes de rayo y sobretensiones
BLITZDUCTORconnect MOD ML2 BD 24
modular, para la protección de 1 par de hilos
de interfaces simétricas libres de referencia a tierra
comprobado según EN/IEC 61643-21
y coordinado energéticamente según IEC 61643-22
Clase de DPS Tipo 1 / P2
Categoría de impulso: C1, C2, C3, B2, D1
Indicación del estado operativo, ancho 6 mm
Máx. tensión de servicio: 36,0 V DC / 25,4 V AC
Corriente nominal a 70°C: 0,75 A
Corriente nominal de descarga C2 por hilo (8/20): 5 kA
Corriente nominal de descarga C2 total (8/20): 10 kA
Corriente de choque de rayo D1 (10/350 µs) por hilo: 1,5 kA
Corriente de choque de rayo D1 (10/350 µs) total: 3 kA
Módulo de recambio

Producto DEHN
Tipo: BCO MOD ML2 BD 24
art. no.: 927044
o equivalente

Certificados

 

Datos técnicos

Clase de descargador L
Tensión nominal (UN ) 24 V
Máx. tensión permisible de servicio DC (UC ) 36 V
Corriente nominal a 70° C (IL ) 0,75 A
D1 Corriente de choque de rayo (10/350 µs) por hilo (Iimp ) 1,5 kA
C2 Corriente nominal de descarga total (8/20 µs) (In ) 10 kA
Impedancia de serie por hilo 1 Ohm
Frecuencia de corte hilo-hilo (fG ) 5,8 MHz
Certificaciones UL 497B, CSA, ATEX, IECEx, CCC, SIL
*) Para más detalles, visite: www.dehn.de

Se ha añadido el artículo 927044 a favoritos.

El artículo 927044 ha sido añadido a la cesta de compra.

N.º art. 927045 BCO MOD ML2 BD 48

GTIN 4013364410176, N.º de arancel aduanero (EU): 85363010, Peso bruto: 39.00 g, Empaquetado: 1.00 unidad(es)


Figuras

Más información

Módulo de protección de descargador combinado
de corrientes de rayo y sobretensiones
BLITZDUCTORconnect MOD ML2 BD 48
modular, para la protección de 1 par de hilos
de interfaces simétricas libres de referencia a tierra
comprobado según EN/IEC 61643-21
y coordinado energéticamente según IEC 61643-22
Clase de DPS Tipo 1 / P2
Categoría de impulso: C1, C2, C3, B2, D1
Indicación del estado operativo, ancho 6 mm
Máx. tensión de servicio: 54,0 V DC / 38,1 V AC
Corriente nominal a 70°C: 0,75 A
Corriente nominal de descarga C2 por hilo (8/20): 5 kA
Corriente nominal de descarga C2 total (8/20): 10 kA
Corriente de choque de rayo D1 (10/350 µs) por hilo: 1,5 kA
Corriente de choque de rayo D1 (10/350 µs) total: 3 kA
Módulo de recambio

Producto DEHN
Tipo: BCO MOD ML2 BD 48
art. no.: 927045
o equivalente

Certificados

 

Datos técnicos

Clase de descargador L
Tensión nominal (UN ) 48 V
Máx. tensión permisible de servicio DC (UC ) 56 V
Corriente nominal a 70° C (IL ) 0,75 A
D1 Corriente de choque de rayo (10/350 µs) por hilo (Iimp ) 1,5 kA
C2 Corriente nominal de descarga total (8/20 µs) (In ) 10 kA
Impedancia de serie por hilo 1 Ohm
Frecuencia de corte hilo-hilo (fG ) 7,2 MHz
Certificaciones UL 497B, CSA, ATEX, IECEx, CCC, SIL
*) Para más detalles, visite: www.dehn.de

Se ha añadido el artículo 927045 a favoritos.

El artículo 927045 ha sido añadido a la cesta de compra.

N.º art. 927047 BCO MOD ML2 BD 180

GTIN 4013364468672, N.º de arancel aduanero (EU): 85363010, Peso bruto: 39.00 g, Empaquetado: 1.00 unidad(es)


Figuras

Más información

Módulo de protección de descargador combinado
BLITZDUCTORconnect MOD ML2 BD 180
Módulo de protección de descargador combinado enchufable
para la protección de un par de hilos
de interfaces simétricas y sin referencia a tierra
probado según EN/IEC 61643-21 y
coordinado energéticamente según IEC 61643-22
Tipo de descargador 1 / P2
Categoría de impulsos: C1, C2, C3, B2, D1
Indicación de estado, 6 mm de ancho
Máxima tensión de servicio: 180 V CC / 127 V CA
Corriente nominal a 70 °C: 0,5 A
C2 Corriente nominal de descarga por hilo (8/20): 5 kA
C2 Corriente nominal de descarga total (8/20): 10 kA
D1 Corriente de choque de rayo (10/350 µs) por hilo: 1,5 kA
D1 Corriente de choque de rayo (10/350 µs) total: 3 kA
Módulo de sustitución

Producto DEHN
Tipo: BCO MOD ML2 BD 180
art. no.: 927047
o equivalente

Certificados

 

Datos técnicos

Clase de descargador L
Tensión nominal (UN ) 180 V
Máx. tensión permisible de servicio DC (UC ) 180 V
Corriente nominal a 70° C (IL ) 0,5 A
D1 Corriente de choque de rayo (10/350 µs) por hilo (Iimp ) 1,5 kA
C2 Corriente nominal de descarga total (8/20 µs) (In ) 10 kA
Impedancia de serie por hilo 1,8 Ohm
Frecuencia de corte hilo-hilo (fG ) 10 MHz
Certificaciones UL 497B, SIL
*) Para más detalles, visite: www.dehn.de

Se ha añadido el artículo 927047 a favoritos.

El artículo 927047 ha sido añadido a la cesta de compra.


BCO MOD ML2 BE HF

Módulo de protección de descargadores combinados de corrientes de rayo y sobretensiones, 6 mm de ancho para el BLITZDUCTORconnect con indicación del estado operativo para la protección de 2 hilos individuales de transmisiones radioeléctricas con potencial de referencia común así como interfaces asimétricas.

2 Productos

N.º art. 927070 BCO MOD ML2 BE HF 5

GTIN 4013364410183, N.º de arancel aduanero (EU): 85363010, Peso bruto: 39.00 g, Empaquetado: 1.00 unidad(es)


Figuras

Más información

Módulo de protección de descargadores combinados
de corrientes de rayo y sobretensiones
BLITZDUCTORconnect MOD ML2 BE HF 5
modular, para la protección de dos hilos individuales
de transmisiones radioeléctricas
con potencial de referencia común
así como interfaces asimétricas
comprobado según EN/IEC 61643-21
y coordinado energéticamente según IEC 61643-22
Clase de DPS Tipo 1 / P1
Categoría de impulso: C1, C2, C3, B2, D1
Indicación des estado operativo, ancho de 6 mm
Máx. tensión de servicio: 8,5 V DC / 6,0 V AC
Corriente nominal a 70°C: 0,75 A
Frecuencia límite 100 MHz
Corriente nominal de descarga C2 por hilo (8/20): 5 kA
Corriente nominal de descarga C2 total (8/20): 10 kA
Corriente de choque de rayo D1 (10/350 µs) por hilo: 1,5 kA
Corriente de choque de rayo D1 (10/350 µs) total: 3 kA
Módulo de recambio

Producto DEHN
Tipo: BCO MOD ML2 BE HF 5
art. no.: 927070
o equivalente

Certificados

 

Datos técnicos

Clase de descargador M
Tensión nominal (UN ) 5 V
Máx. tensión permisible de servicio DC (UC ) 8,5 V
Corriente nominal a 70° C (IL ) 0,75 A
D1 Corriente de choque de rayo (10/350 µs) por hilo (Iimp ) 1,5 kA
C2 Corriente nominal de descarga total (8/20 µs) (In ) 10 kA
Impedancia de serie por hilo 1 Ohm
Certificaciones UL 497B, CSA, ATEX, IECEx, CCC, SIL
*) Para más detalles, visite: www.dehn.de

Se ha añadido el artículo 927070 a favoritos.

El artículo 927070 ha sido añadido a la cesta de compra.

N.º art. 927074 BCO MOD ML2 BE HF 24

GTIN 4013364468573, N.º de arancel aduanero (EU): 85363010, Peso bruto: 39.00 g, Empaquetado: 1.00 unidad(es)


Figuras

Más información

Módulo de protección de descargador combinado
BLITZDUCTORconnect MOD ML2 BE HF 24
Módulo de protección de descargador combinado enchufable
para la protección de 2 hilos individuales con
transmisiones de alta frecuencia con potencial de referencia común,
así como interfaces asimétricas
probado según EN/IEC 61643-21 y
coordinado energéticamente según IEC 61643-22
Tipo de descargador 1 / P1
Categoría de impulsos: C1, C2, C3, B2, D1
Indicación de estado, 6 mm de ancho
Máxima tensión de servicio: 36 V CC / 25,4 V CA
Corriente nominal a 70 °C: 0,75 A
Frecuencia límite 100 MHz
C2 Corriente nominal de descarga por hilo (8/20): 5 kA
C2 Corriente nominal de descarga total (8/20): 10 kA
D1 Corriente de choque de rayo (10/350 µs) por hilo: 1,5 kA
D1 Corriente de choque de rayo (10/350 µs) total: 3 kA
Módulo de sustitución

Producto DEHN
Tipo: BCO MOD ML2 BE HF 24
art. no.: 927074
o equivalente

Certificados

 

Datos técnicos

Clase de descargador M
Tensión nominal (UN ) 24 V
Máx. tensión permisible de servicio DC (UC ) 36 V
Corriente nominal a 70° C (IL ) 0,75 A
D1 Corriente de choque de rayo (10/350 µs) por hilo (Iimp ) 1,5 kA
C2 Corriente nominal de descarga total (8/20 µs) (In ) 10 kA
Impedancia de serie por hilo 1 Ohm
Certificaciones UL 497B, SIL
*) Para más detalles, visite: www.dehn.de

Se ha añadido el artículo 927074 a favoritos.

El artículo 927074 ha sido añadido a la cesta de compra.


BCO MOD ML2 BD HF

Módulo de protección de descargadores combinados de corrientes de rayo y sobretensiones, 6 mm de ancho para el BLITZDUCTORconnect con indicación del estado operativo para la protección de 1 par de hilos de sistemas bus radioeléctricos y libres de referencia a tierra así como interfaces simétricas.

2 Productos

N.º art. 927071 BCO MOD ML2 BD HF 5

GTIN 4013364410190, N.º de arancel aduanero (EU): 85363010, Peso bruto: 39.00 g, Empaquetado: 1.00 unidad(es)


Figuras

Más información

Módulo de protección de descargadores combinados
de corrientes de rayo y sobretensiones
BLITZDUCTORconnect MOD ML2 BD HF 5
modular, para la protección de 1 par de hilos
de sistemas bus radioeléctricos libres de referencia a tierra
así como interfaces simétricas
Comprobado según EN/IEC 61643-21
y coordinado energéticamente según IEC 61643-22
Clase de DPS Tipo 1 / P2
Categoría de impulso: C1, C2, C3, B2, D1
Indicación del estado operativo, ancho de 6 mm
Máx. tensión de servicio: 8,5 V DC / 6,0 V AC
Corriente nominal a 70°C: 0,75 A
Frecuencia límite 100 MHz
Corriente nominal de descarga C2 por hilo (8/20): 5 kA
Corriente nominal de descarga C2 total (8/20): 10 kA
Corriente de choque de rayo D1 (10/350 µs) por hilo: 1,5 kA
Corriente de choque de rayo D1 (10/350 µs) total: 3 kA
Módulo de recambio

Producto DEHN
Tipo: BCO MOD ML2 BD HF 5
art. no.: 927071
o equivalente

Certificados

 

Datos técnicos

Clase de descargador L
Tensión nominal (UN ) 5 V
Máx. tensión permisible de servicio DC (UC ) 8,5 V
Corriente nominal a 70° C (IL ) 0,75 A
D1 Corriente de choque de rayo (10/350 µs) por hilo (Iimp ) 1,5 kA
C2 Corriente nominal de descarga total (8/20 µs) (In ) 10 kA
Impedancia de serie por hilo 1 Ohm
Frecuencia de corte hilo-hilo (fG ) 100 MHz
Certificaciones UL 497B, CSA, ATEX, IECEx, CCC, SIL
*) Para más detalles, visite: www.dehn.de

Se ha añadido el artículo 927071 a favoritos.

El artículo 927071 ha sido añadido a la cesta de compra.

N.º art. 927075 BCO MOD ML2 BD HF 24

GTIN 4013364468580, N.º de arancel aduanero (EU): 85363010, Peso bruto: 39.00 g, Empaquetado: 1.00 unidad(es)


Figuras

Más información

Módulo de protección de descargador combinado
BLITZDUCTORconnect MOD ML2 BD HF 24
Módulo de protección de descargador combinado enchufable
para la protección de 1 par de hilos de sistemas de bus
de alta frecuencia y sin referencia a tierra,
así como interfaces simétricas
probado según EN/IEC 61643-21 y coordinado
energéticamente según IEC 61643-22
Tipo de descargador 1 / P2
Categoría de impulsos: C1, C2, C3, B2, D1
Indicación de estado, 6 mm de ancho
Máxima tensión de servicio: 36 V CC / 25,4 V CA
Corriente nominal a 70 °C: 0,75 A
Frecuencia límite 100 MHz
C2 Corriente nominal de descarga por hilo (8/20): 5 kA
C2 Corriente nominal de descarga total (8/20): 10 kA
D1 Corriente de choque de rayo (10/350 µs) por hilo: 1,5 kA
D1 Corriente de choque de rayo (10/350 µs) total: 3 kA
Módulo de sustitución

Producto DEHN
Tipo: BCO MOD ML2 BD HF 24
art. no.: 927075
o equivalente

Certificados

 

Datos técnicos

Clase de descargador L
Tensión nominal (UN ) 24 V
Máx. tensión permisible de servicio DC (UC ) 36 V
Corriente nominal a 70° C (IL ) 0,75 A
D1 Corriente de choque de rayo (10/350 µs) por hilo (Iimp ) 1,5 kA
C2 Corriente nominal de descarga total (8/20 µs) (In ) 10 kA
Impedancia de serie por hilo 1 Ohm
Frecuencia de corte hilo-hilo (fG ) 100 MHz
Certificaciones UL 497B, SIL
*) Para más detalles, visite: www.dehn.de

Se ha añadido el artículo 927075 a favoritos.

El artículo 927075 ha sido añadido a la cesta de compra.


BCO MOD ML2 BD HC5A 24

1 Producto

N.º art. 927054 BCO MOD ML2 BD HC5A 24

GTIN 4013364513426, N.º de arancel aduanero (EU): 85363010, Peso bruto: 41.00 g, Empaquetado: 1.00 unidad(es)


Figuras

Más información

Módulo de protección de descargador combinado
BLITZDUCTORconnect MOD ML2 BD HC5A 24
Módulo de protección de descargador combinado enchufable
para la protección de un par de hilos de
circuitos de señal y sin referencia a tierra con corriente nominal elevada en
sistemas informáticos y circuitos de medida y control.
probado según EN/IEC 61643-21 y coordinado
energéticamente según IEC 61643-22
Tipo de descargador 1 / P2
Categoría de impulsos: C1, C2, C3, B2, D1
Indicación de estado, 6 mm de ancho
Máxima tensión de servicio: 36 V CC / 25,4 V CA
Corriente nominal a 80 °C: 5 A
C2 Corriente nominal de descarga por hilo (8/20): 5 kA
C2 Corriente nominal de descarga total (8/20): 10 kA
D1 Corriente de choque de rayo (10/350 µs) por hilo: 1,5 kA
D1 Corriente de choque de rayo (10/350 µs) total: 3 kA
Módulo de sustitución

Producto DEHN
Tipo: BCO MOD ML2 BD HC5A 24
art. no.: 927054
o equivalente

Certificados

 

Datos técnicos

Clase de descargador L
Tensión nominal (UN ) 24 V
Máx. tensión permisible de servicio DC (UC ) 36 V
Corriente nominal a 80 °C (IL ) 5 A
D1 Corriente de choque de rayo (10/350 µs) por hilo (Iimp ) 1,5 kA
C2 Corriente nominal de descarga total (8/20 µs) (In ) 10 kA
Impedancia de serie por hilo 0 Ohm
Certificaciones UL 497B, SIL
*) Para más detalles, visite: www.dehn.de

Se ha añadido el artículo 927054 a favoritos.

El artículo 927054 ha sido añadido a la cesta de compra.


BCO MOD ML2 BPD

Módulo de descargador combinado de corrientes de rayo y sobretensiones con 6 mm de ancho para el BLITZDUCTORconnect con indicación del estado operativo para la protección de un par de hilos en sistemas 24 V dc. Para su utilización también en caso del polo negativo puesto a tierra. Los resistores PTC integrados permiten una repuesta segura del descargador después de una interferencia en el circuito de la instalación con corrientes de cortocircuito hasta 40 A.

1 Producto

N.º art. 927014 BCO MOD ML2 BPD 24

GTIN 4013364473010, N.º de arancel aduanero (EU): 85363010, Peso bruto: 39.00 g, Empaquetado: 1.00 unidad(es)


Figuras

Más información

Módulo de protección de descargador combinado BLITZDUCTORconnect MOD ML2 BPD 24
Módulo de protección de descargador combinado enchufable para la protección
de un par de hilos en sistemas de 24 V CC, uso
apto también con polo negativo puesto a tierra,
con resistencias PTC integradas para
una protección contra sobrecorrientes de hasta 40 A
probado según EN/IEC 61643-21 y coordinado
energéticamente según IEC 61643-22
Tipo de descargador 1 / P2
Categoría de impulsos: C1, C2, C3, B2, D1
Indicación de estado, 6 mm de ancho
Máxima tensión de servicio: 33.0 V CC / 23.3 V CA
Corriente nominal a 70 °C: 0,1 A
C2 Corriente nominal de descarga por hilo (8/20): 5 kA
C2 Corriente nominal de descarga total (8/20): 10 kA
D1 Corriente de choque de rayo (10/350 µs) por hilo: 1,5 kA
D1 Corriente de choque de rayo (10/350 µs) total: 3 kA
Módulo de sustitución

Producto DEHN
Tipo: BCO MOD ML2 BPD 24
art. no.: 927014
o equivalente

Certificados

 

Datos técnicos

Clase de descargador L
Tensión nominal (UN ) 24 V
Máx. tensión permisible de servicio DC (UC ) 33 V
Corriente nominal a 70° C (IL ) 0,1 A
D1 Corriente de choque de rayo (10/350 µs) por hilo (Iimp ) 1,5 kA
C2 Corriente nominal de descarga total (8/20 µs) (In ) 10 kA
Impedancia de serie por hilo 10 Ohm
Frecuencia de corte hilo-hilo (fG ) 4,5 MHz
Certificaciones UL 497B, SIL
*) Para más detalles, visite: www.dehn.de

Se ha añadido el artículo 927014 a favoritos.

El artículo 927014 ha sido añadido a la cesta de compra.


BCO MOD ML2 MVG 230

Módulo de protección y descargador de sobretensiones con un ancho de 6 mm para el BLITZDUCTORconnect con un indicador del estado operativo para la protección de 2 hilos de interfaces de señal multifilares libres de potencial de tierra con una tensión nominal de 230 V. Cumple, entre otros, los requerimientos a sistemas de señalización en la industria ferroviaria (conforme a DB RIL 819.0808).

1 Producto

N.º art. 927090 BCO MOD ML2 MVG 230

GTIN 4013364466531, N.º de arancel aduanero (EU): 85363010, Peso bruto: 39.00 g, Empaquetado: 1.00 unidad(es)


Figuras

Más información

Módulo de protección y
descargador de sobretensiones
BLITZDUCTORconnect MOD ML2 MVG 230
Módulo de descargador de sobretensiones enchufable
para la protección de 2 hilos
de interfaces de señal multifilares
con una tensión nominal de 230 V AC
comprobado según EN/IEC 61643-21
y coordinado energéticamente según IEC 61643-22
Tipo de descargador: Tipo 2 / P3
Categoría de impulsos: C1, C2, C3
Indicador del estado operativo, ancho de 6 mm
Máx. tensión de servicio: 320 V DC / 250 V AC
Corriente nominal a 80°C: 3 A
C2 Corriente nominal de descarga por hilo (8/20): 3 kA
C2 Corriente nominal de descarga total (8/20): 6 kA
Módulo de recambio
conforme a DB RIL 819.0808

Producto DEHN
Tipo: BCO MOD ML2 MVG 230
art. no.: 927090
o equivalente

Certificados

 

Datos técnicos

Clase de descargador V
Tensión nominal (UN ) 230 V
Corriente nominal a 80 °C (IL ) 3 A
C2 Corriente nominal de descarga total (8/20 µs) (In ) 6 kA
Impedancia de serie por hilo 0 Ohm
Certificaciones SIL
*) Para más detalles, visite: www.dehn.de

Se ha añadido el artículo 927090 a favoritos.

El artículo 927090 ha sido añadido a la cesta de compra.


BCO MOD ML2 BD EX 24

Módulo de protección de descargadores combinados de corrientes de rayo y sobretensiones, 6 mm de ancho para el BLITZDUCTORconnect con indicación del estado operativo para la protección de 1 par de hilos de circuitos de medida autoprotegidos y sistemas bus. Cumple los requerimientos según FISCO. Resistencia de aislamiento >500 V hilo-tierra.

1 Producto

N.º art. 927084 BCO MOD ML2 BD EX 24

GTIN 4013364410206, N.º de arancel aduanero (EU): 85363010, Peso bruto: 39.00 g, Empaquetado: 1.00 unidad(es)


Figuras

Más información

Módulo de protección para descargadores combinados
de corrientes de rayo y sobretensiones
BLITZDUCTORconnect MOD ML2 BD EX 24
modular, para la protección de 1 par de hilos
interfaces simétricas, autoprotegidas, libres de potencial
comprobado según EN/IEC 61643-21
y coordinado energéticamente según IEC 61643-22
Clase de DPS Tipo 1 / P2
Categoría de impulso: C1, C2, C3, B2, D1
Indicación del estado operativo, ancho de 6 mm
Máx. tensión de servicio: 36,0 V DC / 25,4 V AC
Corriente nominal a 70°C: 0,75 A
Máx. tensión de entrada según EN 60079-11: 30 V
Máx. corriente de entrada según EN 60079-11: 0,5 A
Corriente nominal de descarga C2 por hilo (8/20): 5 kA
Corriente nominal de descarga C2 total (8/20): 10 kA
Corriente de choque de rayo D1 (10/350 µs) por hilo: 1,5 kA
Corriente de choque de rayo D1 (10/350 µs) total: 3 kA
Módulo de recambio

Producto DEHN
Tipo: BCO MOD ML2 BD EX 24
art. no.: 927084
o equivalente

Certificados

 

Datos técnicos

Clase de descargador L
Tensión nominal (UN ) 24 V
Máx. tensión permisible de servicio DC (UC ) 36 V
Corriente nominal a 80 °C (IL ) 0,5 A
D1 Corriente de choque de rayo (10/350 µs) por hilo (Iimp ) 1,5 kA
C2 Corriente nominal de descarga total (8/20 µs) (In ) 10 kA
Impedancia de serie por hilo 1 Ohm
Frecuencia de corte hilo-hilo (fG ) 3,5 MHz
Certificaciones ATEX, IECEx, CCC, SIL
*) Para más detalles, visite: www.dehn.de

Se ha añadido el artículo 927084 a favoritos.

El artículo 927084 ha sido añadido a la cesta de compra.


back to top