DEHNvenCI 255 (FM)
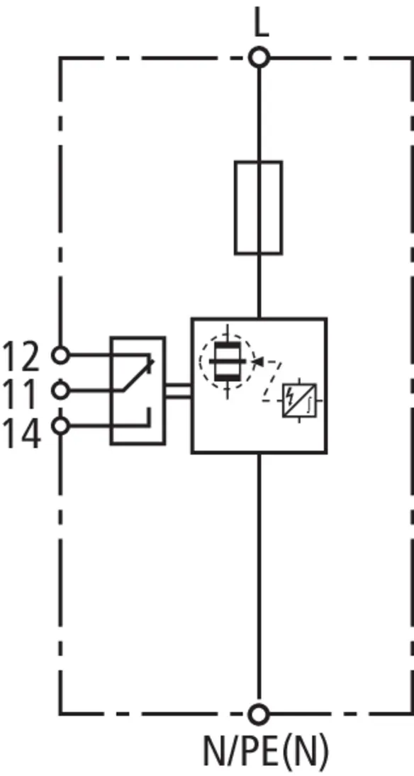
Descargador combinado de un polo de corriente de rayo y sobretensiones con fusible integrado con capacidad para derivar corrientes de rayo para su utilización en sistemas 230 / 400 V; versión FM con contacto de señalización a distancia (contacto conmutado libre de potencial).
2 Productos
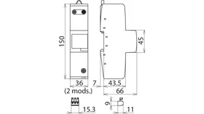
N.º art. 961200 DVCI 1 255
GTIN 4013364145108, N.º de arancel aduanero (EU): 85363090, Peso bruto: 477.30 g, Empaquetado: 1.00 unidad(es)
Datos técnicos
| DPS según norma EN 61643-11 / IEC 61643-1/-11 | Tipo 1 + Tipo 2 / Clase I + Clase II |
| Máxima tensión permisible de servicio AC (UC ) | 255 V |
| Corriente de impulso de rayo (10/350 µs) (Iimp ) | 25 kA |
| Nivel de protección (UP ) | ≤ 1.5 kV |
| Fusible previo | Fusible previo integrado |
| Certificaciones | KEMA |
| Datos técnicos adicionales: | Usado en instalaciones con corrientes de cortocircuito anticipadas de más de 50 kArms (tested by VDE) |
| – Corriente de cortocircuito max. anticipada | 100 kAeff (220 kApico) |
N.º art. 961205 DVCI 1 255 FM
GTIN 4013364145115, N.º de arancel aduanero (EU): 85363090, Peso bruto: 480.80 g, Empaquetado: 1.00 unidad(es)
Datos técnicos
| DPS según norma EN 61643-11 / IEC 61643-1/-11 | Tipo 1 + Tipo 2 / Clase I + Clase II |
| Máxima tensión permisible de servicio AC (UC ) | 255 V |
| Corriente de impulso de rayo (10/350 µs) (Iimp ) | 25 kA |
| Nivel de protección (UP ) | ≤ 1.5 kV |
| Fusible previo | Fusible previo integrado |
| Certificaciones | KEMA |
| Contacto FM | conmutado |
| Datos técnicos adicionales: | Aplicación en instalaciones con corriente de cortocircuito prospectiva superior a 50 kAeff (probado por VDE) |
| – Corriente de cortocircuito max. anticipada | 100 kAeff (220 kApico) |

