Puntos fijos de toma de tierra impermeable al agua a presión para cubeta blanca

En la tecnología de la construcción actual, con frecuencia los edificios se construyen con sótanos en forma de cubeta blanca. En la cubeta blanca no se necesita ningún aislamiento adicional, dado que la placa del suelo y las paredes exteriores se fabrican como cubeta cerrada de hormigón con gran resistencia a la penetración del agua según UNE EN 206-1 y DIN 1045-2. Dicho hormigón se conoce como hormigón impermeable al agua.

Debido a la colocación del material de toma de tierra con al menos 5 cm de capa de hormigón (medida de anticorrosión), en la zona del tendido ya no hay humedad, por lo que el hormigón actúa como aislamiento. Por este motivo, se requiere colocar un electrodo de puesta a tierra en el exterior de los edificios con cubeta blanca. Por lo general, en nuevas construcciones, dicho electrodo de puesta a tierra se monta en la tierra limpia, debajo de la placa de cimentación.
Los efectos de la fórmula modificada para el hormigón impermeable al agua se describen en la norma DIN 18014:2007-09 «Toma de tierra de cimentación. Criterios de planificación generales».
Según la norma DIN 18014, las tomas de tierra anular en forma de puntos tendidas debajo de las placas de cimentación se deben encaminar, a los efectos de la compensación de potencial, hacia la barra de compensación de potencial principal (o bien barra equipotencial principal, BEP) en el interior del edificio.

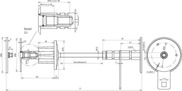
La conexión eléctrica de la toma de tierra anular también se realiza impermeable al agua. En el desarrollo del punto fijo de toma de tierra impermeable al agua, DEHN ha trasladado al producto los requisitos planteados para la cubeta blanca. Como consecuencia, durante el proceso de desarrollo, se presta atención explícitamente a que se representen preferiblemente los requisitos reales de las piezas de construcción. Así, los dispositivos a comprobar están empotrados en un elemento de hormigón (figura 1) y posteriormente se someten a una prueba con agua a presión. En la tecnología de la construcción corriente, suelen darse situaciones de montaje con profundidades de hasta 10 m (por ejemplo, aparcamientos subterráneos). Dichas situaciones de montaje se transmiten a los dispositivos a comprobar y se les aplica una presión de agua de 1 bar (figura 2). Después del periodo de endurecimiento del hormigón utilizado, los dispositivos a comprobar se prueban con agua a presión y se controlan mediante una periodo de endurecimiento (65 horas) de impermeabilización al agua.
El efecto capilar supone un mayor grado de dificultad en la ejecución. Por este efecto, los líquidos (como el agua) se propagan en distinta medida por las fisuras o los tubos y penetran o se absorben hacia el interior del edificio. Estas posibles fisuras o tubos se pueden originar durante el periodo de endurecimiento y por el comportamiento de atrofia relacionado del hormigón.
Asímismo, durante el montaje del punto fijo de toma de tierra en el encofrado es importante que los profesionales trabajen de forma profesional y correcta, tal y como se describe en detalle en las instrucciones de montaje correspondientes.

– Diseño para el montaje en el encofrado con arandela de estanqueidad y tornillo en la rosca doble M10 / M12 para la conexión, por ejemplo, a la barra de compensación de potencial.
– Ajustable en función del espesor de pared con rosca M10 y contratuerca
– Si procede, también se puede acortar en la rosca
– Se incluye pieza de conexión (galvanización en caliente de 30 x 4 mm) con orificio cuadrado para la conexión con caballete de sujeción en conductores redondos o crucetas en pletinas.

Puntos fijos de toma de tierra impermeable al agua a presión para cubeta blanca

3 Productos

N.º art. 478530 WD M10 12 V4A DWD L200 300 STTZN

GTIN 4013364120341, N.º de arancel aduanero (EU): 85359000, Peso bruto: 697.00 g, Empaquetado: 10.00 unidad(es)


Figuras

Más información

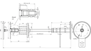
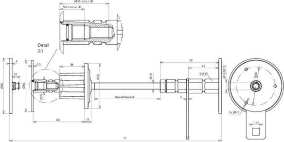
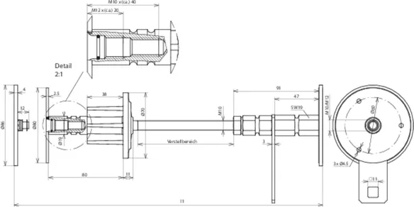
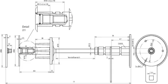
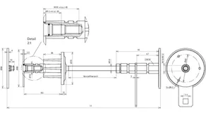
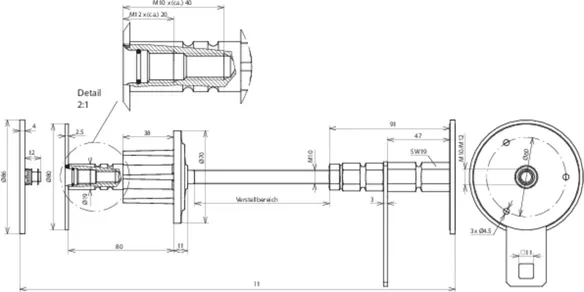
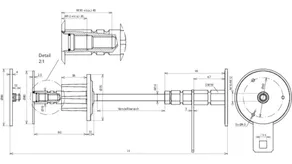
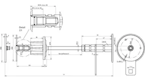
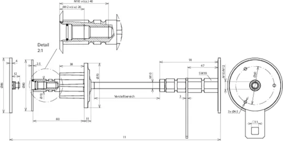
Punto fijo de toma de tierra impermeable al agua a presión para cubeta blanca INOX (V4A)
Punto fijo de toma de tierra impermeable al agua apto para cubeta blanca
para la impermeabilización al agua a presión de
paredes, por ejemplo, para la conexión de la toma de tierra anular con la
barra de compensación de potencial o con los
cables de compensación de potencial en la cimentación.
Material de la placa: INOX (V4A)
Material número: 1.4571 / 1.4404 / 1.4401
Material del eje: St/tZn
Espesor de la pared: 200-300 mm
Rosca de conexión: M10 / 12
Norma: DIN EN 62561-(1+5)

Producto DEHN
Tipo: WD M10 12 V4A DWD L200 300 STTZN
art. no.: 478530
o equivalente

Certificados

 

Datos técnicos

Material de la placa INOX (V4A)
Material número 1.4571 / 1.4404 / 1.4401
Material del eje St/tZn
Espesor de la pared (l1) 200-300 mm
Rosca de conexión M10 / 12
Placa de conexión Ø 80 mm
Norma DIN EN 62561-(1+5)

Se ha añadido el artículo 478530 a favoritos.

El artículo 478530 ha sido añadido a la cesta de compra.

N.º art. 478540 WD M10 12 V4A DWD L300 400 STTZN

GTIN 4013364120358, N.º de arancel aduanero (EU): 85359000, Peso bruto: 750.00 g, Empaquetado: 4.00 unidad(es)


Figuras

Más información

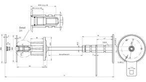
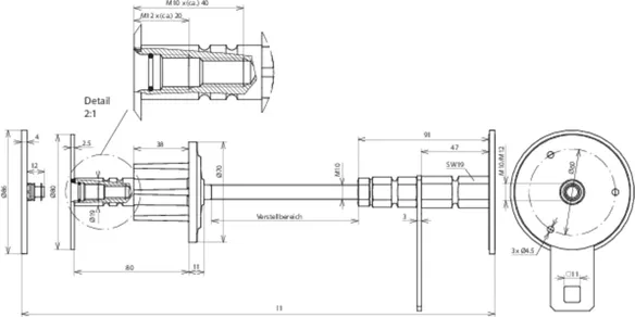
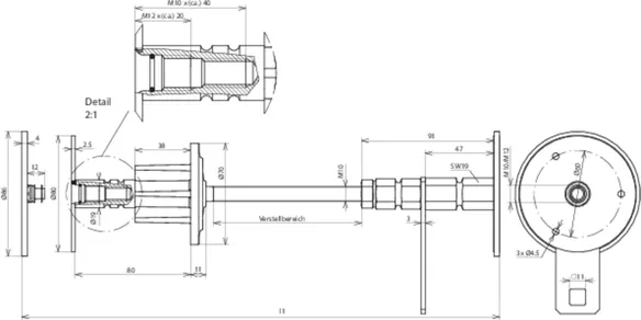
Punto fijo de toma de tierra impermeable al agua a presión para cubeta blanca INOX (V4A)
Punto fijo de toma de tierra impermeable al agua apto para cubeta blanca
para la impermeabilización al agua a presión de
paredes, por ejemplo, para la conexión de la toma de tierra anular con la
barra de compensación de potencial o con los
cables de compensación de potencial en la cimentación.
Material de la placa: INOX (V4A)
Material número: 1.4571 / 1.4404 / 1.4401
Material del eje: St/tZn
Espesor de la pared: 300-400 mm
Rosca de conexión: M10 / 12
Norma: DIN EN 62561-(1+5)

Producto DEHN
Tipo: WD M10 12 V4A DWD L300 400 STTZN
art. no.: 478540
o equivalente

Certificados

 

Datos técnicos

Material de la placa INOX (V4A)
Material número 1.4571 / 1.4404 / 1.4401
Material del eje St/tZn
Espesor de la pared (l1) 300-400 mm
Rosca de conexión M10 / 12
Placa de conexión Ø 80 mm
Norma DIN EN 62561-(1+5)

Se ha añadido el artículo 478540 a favoritos.

El artículo 478540 ha sido añadido a la cesta de compra.

N.º art. 478550 WD M10 12 V4A DWD L400 500 STTZN

GTIN 4013364120365, N.º de arancel aduanero (EU): 85359000, Peso bruto: 838.50 g, Empaquetado: 4.00 unidad(es)


Figuras

Más información

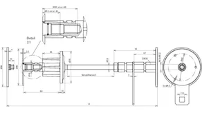
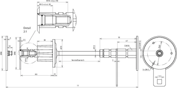
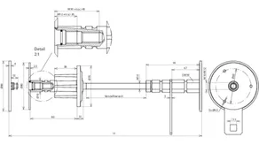
Punto fijo de toma de tierra impermeable al agua a presión para cubeta blanca INOX (V4A)
Punto fijo de toma de tierra impermeable al agua apto para cubeta blanca
para la impermeabilización al agua a presión de
paredes, por ejemplo, para la conexión de la toma de tierra anular con la
barra de compensación de potencial o con los
cables de compensación de potencial en la cimentación.
Material de la placa: INOX (V4A)
Material número: 1.4571 / 1.4404 / 1.4401
Material del eje: St/tZn
Espesor de la pared: 400-500 mm
Rosca de conexión: M10 / 12
Norma: DIN EN 62561-(1+5)

Producto DEHN
Tipo: WD M10 12 V4A DWD L400 500 STTZN
art. no.: 478550
o equivalente

Certificados

 

Datos técnicos

Material de la placa INOX (V4A)
Material número 1.4571 / 1.4404 / 1.4401
Material del eje St/tZn
Espesor de la pared (l1) 400-500 mm
Rosca de conexión M10 / 12
Placa de conexión Ø 80 mm
Norma DIN EN 62561-(1+5)

Se ha añadido el artículo 478550 a favoritos.

El artículo 478550 ha sido añadido a la cesta de compra.


back to top