Barra de compensación de potencial Ex antichispas para zonas Ex 1/21, 2/22

Barra de compensación de potencial Ex antichispas para la integración de cables y conductores metálicos en la equipotencialidad contra el rayo de conformidad con la norma VDE 0185-305-3 (IEC 62305-3), así como la protección y compensación de potencial de función acorde con la norma DIN VDE 0100 parte 410/540.
  • Uso en áreas potencialmente explosivas con zonas Ex 1/21 y 2/22
  • Utilizable hasta el grupo de explosiones IIC y la clase de temperatura T4
  • Ausencia de chispas probada según CLC 50703-2 hasta 100 kA
  • Clase de capacidad para derivar corrientes de rayo H
  • Seguro de tornillos contra el aflojamiento autónomo según VDE 0185-305-3 suplemento 2
  • Configurable de forma flexible para realizar diferentes posibilidades de conexión

Información adicional

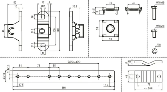
PAS EX 7(11)AP SET

  • Uso en zonas potencialmente explosivas de las zonas Ex 1 y 2 (gases, vapores, neblinas) hasta el grupo de explosiones IIC y las zonas Ex 21 y 22 (polvos)
  • Seguro de tornillos contra el aflojamiento autónomo
  • Si se usa el adaptador Push-in, su uso solo está permitido en instalaciones de interior

2 Productos

N.º art. 472415 PAS EX 7AP SET

GTIN 4013364470590, N.º de arancel aduanero (EU): 85359000, Peso bruto: 3.23 kg, Empaquetado: 1.00 unidad(es)


Figuras

Más información

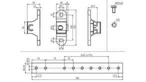
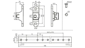
Barra de compensación de potencial Ex antichispas PAS, KIT 7AP
Integración de cables y conductores metálicos
en la equipotencialidad contra el rayo de conformidad con la norma
VDE 0185-305-3 (IEC 62305-3), así como
la protección y compensación de potencial de función
acorde con la norma DIN VDE 0100 parte 410/540.
Uso en zonas Ex 1 y 2 (gases, vapores, neblinas)
y zonas Ex 21 y 22 (polvos)
grupo de explosiones IIC (factor de seguridad 1)
según CLC 50703-2;
clase de temperatura T4 así como DIN EN 62561-1
(VDE 0185-561-1)
con clase de capacidad para derivar corrientes de rayo H (100 kA).
Seguro de tornillos contra el aflojamiento autónomo
según VDE 0185-305-3 suplemento 2.
Su uso está permitido tanto en instalaciones
de interior como de exterior.
Corriente de choque de rayo (10/350 µs) INOX (V4A) 30x3,5 mm/40x5 mm:
2HExIIC 75 kA (antichispas) T4
Corriente de choque de rayo (10/350 µs) INOX (V4A) 30x3,5 mm/40x5 mm:
H 100 kA
Corriente de choque de rayo (10/350 µs) St/tZn 30x3,5 mm/40x5 mm:
1HExIIC 100 kA (antichispas) T4
Corriente máx. de cortocircuito (CA 50 Hz / CC / 5 s) INOX (V4A) 30x3,5 mm/40x5 mm:
750 A / T4
Corriente máx. de cortocircuito (CA 50 Hz / CC / 5 s) St/tZn 30x3,5 mm/40x5 mm:
1500 A / T4
Corriente de choque de rayo (10/350 µs) INOX (V4A) Ø10 mm
NExIIC 50 kA (antichispas) T4
Corriente de choque de rayo (10/350 µs) INOX (V4A) Ø10 mm
75 kA
Corriente de choque de rayo (10/350 µs) St/tZn Ø10 mm:
2HExIIC 75 kA (antichispas) T4
Corriente de choque de rayo (10/350 µs) St/tZn Ø10 mm:
H 100 kA
Corriente máx. de cortocircuito (CA 50 Hz / CC / 5 s) INOX (V4A) Ø10 mm
650 A / T4
Corriente máx. de cortocircuito (CA 50 Hz / CC / 5 s) St/tZn Ø10 mm
1000 A / T4
Corriente de choque de rayo (10/350 µs) Cu 16 - 95 mm²:
1HExIIC 100 kA (antichispas) T4
Corriente máx. de cortocircuito (CA 50 Hz / CC / 5 s) Cu 16 mm²
750 A / T4
Corriente máx. de cortocircuito (CA 50 Hz / CC / 5 s) Cu 95 mm²
3,1 kA / T4
Corriente nominal de descarga (8/20 µs) por hilo (In) 4-10 mm² Cu:
10 kA (antichispas)
Corriente nominal de descarga (8/20 µs) por hilo (In) 16 mm² Cu:
15 kA (antichispas)
Corriente de choque de rayo (10/350 µs) Cu 4-16 mm² (por hilo):
3 kA (antichispas)
Corriente de choque de rayo (10/350 µs) Cu 16 mm² (por hilo):
25 kA (por hilo)
Máx. temperatura superficial T4: 135 °C
Para evitar la formación de bigotes en las zonas Ex,
se recomienda el uso de terminales de cable a presión cincados
con una capa de barrera de níquel.
Raíl: 360 x 40 x 10 mm
Dimensiones: 382 x 140 x 101 mm
Conexiones: 1 conductor plano de 30/40 mm o
adaptador para Rd 10 mm,
1 conductor flexible / rígido de 16-95 mm²
mediante terminal de cable
1 adaptador Push-in, 4 conductores de 4-16 mm²
Material: INOX, ref. de material: 1.4301 / 1.4303
Aislador/carcasa de adaptador Fl: Poliamida, libre de halógenos
azul, estabilizada a rayos ultravioleta
Adaptador Push-in: Poliamida
Referencia normativa: DIN EN 62561-1 / CLC 50703-2

Producto DEHN
Tipo: PAS EX 7AP SET
art. no.: 472415
o equivalente

Certificados

 

Datos técnicos

Conexión Rd/Fl 1 conductor plano de 30/40 mm o 1 conductor redondo de 10 mm
Conexión de borna de unión 4 conductores de 4-16 mm²
Conexión de terminal de cable 1 conductor flexible / rígido de 16-95 mm²
Dimensiones 382 x 140 x 101 mm
Corriente de choque de rayo (10/350 µs) INOX (V4A) 30x3,5 mm / 40x5 mm 2HExIIC 75 kA (antichispas) T4
Corriente de choque de rayo (10/350 µs) St/tZn 30x3,5 mm / 40x5 mm 1HExIIC 100 kA (antichispas) T4
Corriente de choque de rayo (10/350 µs) INOX (V4A) Ø10 mm NExIIC 50 kA (antichispas) T4
Corriente de choque de rayo (10/350 µs) St/tZn Ø10 mm 2HExIIC 75 kA (antichispas) T4
Corriente de choque de rayo (10/350 µs) Cu 16-95 mm2 1HExIIC 100 kA (antichispas) T4
Corriente de choque de rayo (10/350 µs) Cu 4-16 mm² (por hilo) 3 kA (antichispas)
Corriente nominal de descarga (8/20 µs) por hilo (In) Cu 4-10 mm² 10 kA (antichispas)
Corriente nominal de descarga (8/20 µs) por hilo (In) Cu 16 mm² 15 kA (antichispas)
Corriente máx. de cortocircuito (CA 50 Hz / CC / 5 s) INOX (V4A) 30x3,5 mm / 40x5 mm 750 A / T4
Corriente máx. de cortocircuito (CA 50 Hz / CC / 5 s) St/tZn 30x3,5 mm / 40x5 mm 1500 A / T4
Corriente máx. de cortocircuito (CA 50 Hz / CC / 5 s) INOX (V4A) Ø10 mm 650 A / T4
Corriente máx. de cortocircuito (CA 50 Hz / CC / 5 s) St/tZn Ø10 mm 1000 A / T4
Referencia normativa DIN EN 62561-1 / CLC 50703-2

Se ha añadido el artículo 472415 a favoritos.

El artículo 472415 ha sido añadido a la cesta de compra.

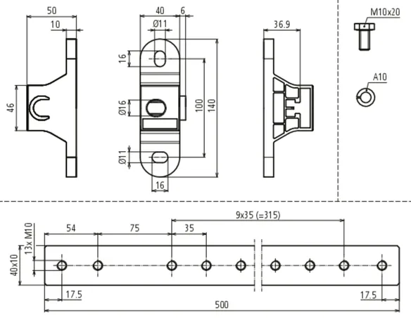
N.º art. 472425 PAS EX 11AP SET

GTIN 4013364470606, N.º de arancel aduanero (EU): 85359000, Peso bruto: 3.82 kg, Empaquetado: 1.00 unidad(es)


Figuras

Más información

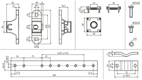
Barra de compensación de potencial Ex antichispas PAS, KIT 11AP
Integración de cables y conductores metálicos
en la equipotencialidad contra el rayo de conformidad con la norma
VDE 0185-305-3 (IEC 62305-3), así como
la protección y compensación de potencial de función
acorde con la norma DIN VDE 0100 parte 410/540.
Uso en zonas Ex 1 y 2 (gases, vapores, neblinas)
y zonas Ex 21 y 22 (polvos)
grupo de explosiones IIC (factor de seguridad 1)
según CLC 50703-2;
clase de temperatura T4 así como DIN EN 62561-1
(VDE 0185-561-1)
con clase de capacidad para derivar corrientes de rayo H (100 kA).
Seguro de tornillos contra el aflojamiento autónomo
según VDE 0185-305-3 suplemento 2.
Su uso está permitido tanto en instalaciones
de interior como de exterior.
Corriente de choque de rayo (10/350 µs) INOX (V4A) 30x3,5 mm/40x5 mm:
2HExIIC 75 kA (antichispas) T4
Corriente de choque de rayo (10/350 µs) INOX (V4A) 30x3,5 mm/40x5 mm:
H 100 kA
Corriente de choque de rayo (10/350 µs) St/tZn 30x3,5 mm/40x5 mm:
1HExIIC 100 kA (antichispas) T4
Corriente máx. de cortocircuito (CA 50 Hz / CC / 5 s) INOX (V4A) 30x3,5 mm/40x5 mm:
750 A / T4
Corriente máx. de cortocircuito (CA 50 Hz / CC / 5 s) St/tZn 30x3,5 mm/40x5 mm:
1500 A / T4
Corriente de choque de rayo (10/350 µs) INOX (V4A) Ø10 mm
NExIIC 50 kA (antichispas) T4
Corriente de choque de rayo (10/350 µs) INOX (V4A) Ø10 mm
75 kA
Corriente de choque de rayo (10/350 µs) St/tZn Ø10 mm:
2HExIIC 75 kA (antichispas) T4
Corriente de choque de rayo (10/350 µs) St/tZn Ø10 mm:
H 100 kA
Corriente máx. de cortocircuito (CA 50 Hz / CC / 5 s) INOX (V4A) Ø10 mm
650 A / T4
Corriente máx. de cortocircuito (CA 50 Hz / CC / 5 s) St/tZn Ø10 mm
1000 A / T4
Corriente de choque de rayo (10/350 µs) Cu 16 - 95 mm²:
1HExIIC 100 kA (antichispas) T4
Corriente máx. de cortocircuito (CA 50 Hz / CC / 5 s) Cu 16 mm²
750 A / T4
Corriente máx. de cortocircuito (CA 50 Hz / CC / 5 s) Cu 95 mm²
3,1 kA / T4
Corriente nominal de descarga (8/20 µs) por hilo (In) 4-10 mm² Cu:
10 kA (antichispas)
Corriente nominal de descarga (8/20 µs) por hilo (In) 16 mm² Cu:
15 kA (antichispas)
Corriente de choque de rayo (10/350 µs) Cu 4-16 mm² (por hilo):
3 kA (antichispas)
Corriente de choque de rayo (10/350 µs) Cu 16 mm² (por hilo):
25 kA (por hilo)
Máx. temperatura superficial T4: 135 °C
Para evitar la formación de bigotes en las zonas Ex,
se recomienda el uso de terminales de cable a presión cincados
con una capa de barrera de níquel.
Raíl: 500 x 40 x 10 mm
Dimensiones: 522 x 140 x 101 mm
Conexiones: 1 conductor plano de 30/40 mm
o adaptador para Rd 10 mm,
5 conductores flexibles / rígidos de 16-95 mm²
mediante terminal de cable
1 adaptador Push-in, 4 conductores de 4-16 mm²
Material: INOX,
ref. de material: 1.4301 / 1.4303
Aislador/carcasa de adaptador Fl: Poliamida, libre de halógenos
azul, estabilizada a rayos ultravioleta
Adaptador Push-in: Poliamida
Referencia normativa: DIN EN 62561-1 / CLC 50703-2

Producto DEHN
Tipo: PAS EX 11AP SET
art. no.: 472425
o equivalente

Certificados

 

Datos técnicos

Conexión Rd/Fl 1 conductor plano de 30/40 mm o 1 conductor redondo de 10 mm
Conexión de borna de unión 4 conductores de 4-16 mm²
Conexión de terminal de cable 5 conductores flexibles / rígidos de 16-95 mm²
Dimensiones 522 x 140 x 101 mm
Corriente de choque de rayo (10/350 µs) INOX (V4A) 30x3,5 mm / 40x5 mm 2HExIIC 75 kA (antichispas) T4
Corriente de choque de rayo (10/350 µs) St/tZn 30x3,5 mm / 40x5 mm 1HExIIC 100 kA (antichispas) T4
Corriente de choque de rayo (10/350 µs) INOX (V4A) Ø10 mm NExIIC 50 kA (antichispas) T4
Corriente de choque de rayo (10/350 µs) St/tZn Ø10 mm 2HExIIC 75 kA (antichispas) T4
Corriente de choque de rayo (10/350 µs) Cu 16-95 mm2 1HExIIC 100 kA (antichispas) T4
Corriente de choque de rayo (10/350 µs) Cu 4-16 mm² (por hilo) 3 kA (antichispas)
Corriente nominal de descarga (8/20 µs) por hilo (In) Cu 4-10 mm² 10 kA (antichispas)
Corriente nominal de descarga (8/20 µs) por hilo (In) Cu 16 mm² 15 kA (antichispas)
Corriente máx. de cortocircuito (CA 50 Hz / CC / 5 s) INOX (V4A) 30x3,5 mm / 40x5 mm 750 A / T4
Corriente máx. de cortocircuito (CA 50 Hz / CC / 5 s) St/tZn 30x3,5 mm / 40x5 mm 1500 A / T4
Corriente máx. de cortocircuito (CA 50 Hz / CC / 5 s) INOX (V4A) Ø10 mm 650 A / T4
Corriente máx. de cortocircuito (CA 50 Hz / CC / 5 s) St/tZn Ø10 mm 1000 A / T4
Referencia normativa DIN EN 62561-1 / CLC 50703-2

Se ha añadido el artículo 472425 a favoritos.

El artículo 472425 ha sido añadido a la cesta de compra.


PAS EX 1+5(9)AP M10 V2A

  • Uso en zonas potencialmente explosivas de las zonas Ex 1 y 2 (gases, vapores, neblinas) hasta el grupo de explosiones IIC y las zonas Ex 21 y 22 (polvos)
  • Seguro de tornillos contra el aflojamiento autónomo
  • Su uso está permitido tanto en instalaciones de interior como de exterior

2 Productos

N.º art. 472410 PAS EX 1+5AP M10 V2A

GTIN 4013364470521, N.º de arancel aduanero (EU): 85359000, Peso bruto: 1.96 kg, Empaquetado: 1.00 unidad(es)


Figuras

Más información

Barra de compensación de potencial Ex antichispas PAS EX 1+5AP M10 V2A
Integración de cables y conductores metálicos
en la equipotencialidad contra el rayo de conformidad con la norma
VDE 0185-305-3 (IEC 62305-3), así como
la protección y compensación de potencial de función
acorde con la norma DIN VDE 0100 parte 410/540.
Uso en zonas Ex 1 y 2
(gases, vapores, neblinas) y
zonas Ex 21 y 22 (polvos)
grupo de explosiones IIC (factor de seguridad 1)
según CLC 50703-2;
clase de temperatura T4 así como DIN EN 62561-1
(VDE 0185-561-1)
clase de capacidad para derivar corrientes de rayo H (100 kA).
Seguro de tornillos contra el aflojamiento autónomo
según VDE 0185-305-3 suplemento 2.
Su uso está permitido tanto en instalaciones
de interior como de exterior.
Corriente de choque de rayo (10/350 µs) INOX (V4A) 30x3,5 mm/40x5 mm:
2HExIIC 75 kA (antichispas) T4
Corriente de choque de rayo (10/350 µs) INOX (V4A) 30x3,5 mm/40x5 mm:
H 100 kA
Corriente de choque de rayo (10/350 µs) St/tZn 30x3,5 mm/40x5 mm:
1HExIIC 100 kA (antichispas) T4
Corriente máx. de cortocircuito (CA 50 Hz / CC / 5 s) INOX (V4A) 30x3,5 mm/40x5 mm:
750 A / T4
Corriente máx. de cortocircuito (CA 50 Hz / CC / 5 s) St/tZn 30x3,5 mm/40x5 mm:
1500 A / T4
Corriente de choque de rayo (10/350 µs) Cu 16 - 95 mm²:
1HExIIC 100 kA (antichispas) T4
Corriente máx. de cortocircuito (CA 50 Hz / CC / 5 s) Cu 16 mm²
750 A / T4
Corriente máx. de cortocircuito (CA 50 Hz / CC / 5 s) Cu 95 mm²
3,1 kA / T4
Máx. temperatura superficial T4: 135 °C
Para evitar la formación de bigotes en las zonas Ex,
se recomienda el uso de terminales de cable a presión cincados
con una capa de barrera de níquel.
Raíl: 360 x 40 x 10 mm
Dimensiones: 382 x 140 x 101 mm
Conexiones: 1 conductor plano (M10 x 40 mm con arandela abierta)
+ 5 terminales de cable (M10 x 20 mm con arandela abierta)
Barra de compensación de potencial/caballete/tornillos/arandela abierta:
INOX, ref. de material: 1.4301 / 1.4303
Aislador/carcasa de adaptador Fl:
Poliamida, libre de halógenos azul, estabilizada a rayos ultravioleta
Referencia normativa: DIN EN 62561-1 / CLC 50703-2

Producto DEHN
Tipo: PAS EX 1+5AP M10 V2A
art. no.: 472410
o equivalente

Certificados

 

Datos técnicos

Conexión Fl 1 conductor plano de 30/40 mm
Conexión de terminal de cable 5 conductores flexibles / rígidos de 16-95 mm²
Dimensiones 382 x 140 x 65 mm
Corriente de choque de rayo (10/350 µs) INOX (V4A) 30x3,5 mm / 40x5 mm 2HExIIC 75 kA (antichispas) T4
Corriente de choque de rayo (10/350 µs) St/tZn 30x3,5 mm / 40x5 mm 1HExIIC 100 kA (antichispas) T4
Corriente de choque de rayo (10/350 µs) Cu 16-95 mm2 1HExIIC 100 kA (antichispas) T4
Corriente máx. de cortocircuito (CA 50 Hz / CC / 5 s) INOX (V4A) 30x3,5 mm / 40x5 mm 750 A / T4
Corriente máx. de cortocircuito (CA 50 Hz / CC / 5 s) St/tZn 30x3,5 mm / 40x5 mm 1500 A / T4
Referencia normativa DIN EN 62561-1 / CLC 50703-2
En lo que se refiere a la resistencia a la corrosión, los materiales utilizados en la PAS EX (por ejemplo, Cu/galSn, INOX, poliamida, poliuretano de ésteres) deben verificarse para su utilización en las condiciones ambientales existentes.

Se ha añadido el artículo 472410 a favoritos.

El artículo 472410 ha sido añadido a la cesta de compra.

N.º art. 472420 PAS EX 1+9AP M10 V2A

GTIN 4013364476059, N.º de arancel aduanero (EU): 85359000, Peso bruto: 2.50 kg, Empaquetado: 1.00 unidad(es)


Figuras

Más información

Barra de compensación de potencial Ex antichispas PAS EX 1+9AP M10 V2A
Integración de cables y conductores metálicos
en la equipotencialidad contra el rayo de conformidad con la norma
VDE 0185-305-3 (IEC 62305-3), así como
la protección y compensación de potencial de función
acorde con la norma DIN VDE 0100 parte 410/540.
Uso en zonas Ex 1 y 2
(gases, vapores, neblinas) y
zonas Ex 21 y 22 (polvos)
grupo de explosiones IIC (factor de seguridad 1)
según CLC 50703-2;
clase de temperatura T4 así como DIN EN 62561-1
(VDE 0185-561-1)
clase de capacidad para derivar corrientes de rayo H (100 kA).
Seguro de tornillos contra el aflojamiento autónomo
según VDE 0185-305-3 suplemento 2.
Su uso está permitido tanto en instalaciones
de interior como de exterior.
Corriente de choque de rayo (10/350 µs) INOX (V4A) 30x3,5 mm/40x5 mm:
2HExIIC 75 kA (antichispas) T4
Corriente de choque de rayo (10/350 µs) INOX (V4A) 30x3,5 mm/40x5 mm:
H 100 kA
Corriente de choque de rayo (10/350 µs) St/tZn 30x3,5 mm/40x5 mm:
1HExIIC 100 kA (antichispas) T4
Corriente máx. de cortocircuito (CA 50 Hz / CC / 5 s) INOX (V4A) 30x3,5 mm/40x5 mm:
750 A / T4
Corriente máx. de cortocircuito (CA 50 Hz / CC / 5 s) St/tZn 30x3,5 mm/40x5 mm:
1500 A / T4
Corriente de choque de rayo (10/350 µs) Cu 16 - 95 mm²:
1HExIIC 100 kA (antichispas) T4
Corriente máx. de cortocircuito (CA 50 Hz / CC / 5 s) Cu 16 mm²
750 A / T4
Corriente máx. de cortocircuito (CA 50 Hz / CC / 5 s) Cu 95 mm²
3,1 kA / T4
Máx. temperatura superficial T4: 135 °C
Para evitar la formación de bigotes en las zonas Ex,
se recomienda el uso de terminales de cable a presión cincados
con una capa de barrera de níquel.
Raíl: 500 x 40 x 10 mm
Dimensiones: 522 x 140 x 101 mm
Conexiones: 1 conductor plano (M10 x 40 mm con arandela abierta)
+ 9 terminales de cable (M10 x 20 mm con arandela abierta)
Barra de compensación de potencial/caballete/tornillos/arandela abierta:
INOX, ref. de material: 1.4301 / 1.4303
Aislador/carcasa de adaptador Fl: Poliamida,
libre de halógenos azul, estabilizada a rayos ultravioleta
Referencia normativa: DIN EN 62561-1 / CLC 50703-2

Producto DEHN
Tipo: PAS EX 1+9AP M10 V2A
art. no.: 472420
o equivalente

Certificados

 

Datos técnicos

Conexión Fl 1 conductor plano de 30/40 mm
Conexión de terminal de cable 9 conductores flexibles / rígidos de 16-95 mm²
Dimensiones 522 x 140 x 65 mm
Corriente de choque de rayo (10/350 µs) INOX (V4A) 30x3,5 mm / 40x5 mm 2HExIIC 75 kA (antichispas) T4
Corriente de choque de rayo (10/350 µs) St/tZn 30x3,5 mm / 40x5 mm 1HExIIC 100 kA (antichispas) T4
Corriente de choque de rayo (10/350 µs) Cu 16-95 mm2 1HExIIC 100 kA (antichispas) T4
Corriente máx. de cortocircuito (CA 50 Hz / CC / 5 s) INOX (V4A) 30x3,5 mm / 40x5 mm 750 A / T4
Corriente máx. de cortocircuito (CA 50 Hz / CC / 5 s) St/tZn 30x3,5 mm / 40x5 mm 1500 A / T4
Referencia normativa DIN EN 62561-1 / CLC 50703-2
En lo que se refiere a la resistencia a la corrosión, los materiales utilizados en la PAS EX (por ejemplo, Cu/galSn, INOX, poliamida, poliuretano de ésteres) deben verificarse para su utilización en las condiciones ambientales existentes.

Se ha añadido el artículo 472420 a favoritos.

El artículo 472420 ha sido añadido a la cesta de compra.


PAS EX 7(11)AP M10 V2A

  • Uso en zonas potencialmente explosivas de las zonas Ex 1 y 2 (gases, vapores, neblinas) hasta el grupo de explosiones IIC y las zonas Ex 21 y 22 (polvos)
  • Seguro de tornillos contra el aflojamiento autónomo
  • Su uso está permitido tanto en instalaciones de interior como de exterior

2 Productos

N.º art. 472411 PAS EX 7AP M10 V2A

GTIN 4013364470460, N.º de arancel aduanero (EU): 85359000, Peso bruto: 1.65 kg, Empaquetado: 1.00 unidad(es)


Figuras

Más información

Barra de compensación de potencial Ex antichispas PAS EX 7AP M10 V2A
Integración de cables y conductores metálicos
en la equipotencialidad contra el rayo de conformidad con la norma
VDE 0185-305-3 (IEC 62305-3), así como
la protección y compensación de potencial de función
acorde con la norma DIN VDE 0100 parte 410/540.
Uso en zonas Ex 1 y 2 (gases, vapores, neblinas)
y zonas Ex 21 y 22 (polvos)
grupo de explosiones IIC (factor de seguridad 1)
según CLC 50703-2;
clase de temperatura T4 así como DIN EN 62561-1
(VDE 0185-561-1)
con clase de capacidad para derivar corrientes de rayo H (100 kA).
Seguro de tornillos contra el aflojamiento autónomo
según VDE 0185-305-3 suplemento 2.
Su uso está permitido tanto en instalaciones
de interior como de exterior.
Corriente de choque de rayo (10/350 µs) Cu 16 - 95 mm²:
1HExIIC 100 kA (antichispas) T4
Corriente máx. de cortocircuito (CA 50 Hz / CC / 5 s) Cu 16 mm²
750 A / T4
Corriente máx. de cortocircuito (CA 50 Hz / CC / 5 s) Cu 95 mm²
3,1 kA / T4
Máx. temperatura superficial T4: 135 °C
Para evitar la formación de bigotes en las zonas Ex,
se recomienda el uso de terminales de cable a presión cincados
con una capa de barrera de níquel.
Raíl: 300 x 40 x 10 mm
Dimensiones: 382 x 140 x 101 mm
Conexiones: 7 terminales de cable (M10 x 20 mm con arandela abierta)
Barra de compensación de potencial/tornillos/arandela abierta: INOX,
ref. de material: 1.4301 / 1.4303
Aislador: Poliamida, libre de halógenos azul, estabilizada a rayos ultravioleta
Referencia normativa: DIN EN 62561-1 / CLC 50703-2

Producto DEHN
Tipo: PAS EX 7AP M10 V2A
art. no.: 472411
o equivalente

Certificados

 

Datos técnicos

Conexión de terminal de cable 7 conductores flexibles / rígidos de 16-95 mm²
Dimensiones 382 x 140 x 50 mm
Corriente de choque de rayo (10/350 µs) Cu 16-95 mm2 1HExIIC 100 kA (antichispas) T4
Referencia normativa DIN EN 62561-1 / CLC 50703-2
En lo que se refiere a la resistencia a la corrosión, los materiales utilizados en la PAS EX (por ejemplo, Cu/galSn, INOX, poliamida, poliuretano de ésteres) deben verificarse para su utilización en las condiciones ambientales existentes.

Se ha añadido el artículo 472411 a favoritos.

El artículo 472411 ha sido añadido a la cesta de compra.

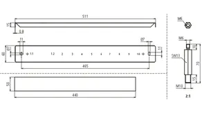
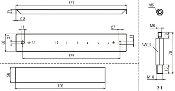
N.º art. 472421 PAS EX 11AP M10 V2A

GTIN 4013364470477, N.º de arancel aduanero (EU): 85359000, Peso bruto: 2.16 kg, Empaquetado: 1.00 unidad(es)


Figuras

Más información

Barra de compensación de potencial Ex antichispas PAS EX 11AP M10 V2A
Integración de cables y conductores metálicos
en la equipotencialidad contra el rayo de conformidad con la norma
VDE 0185-305-3 (IEC 62305-3), así como
la protección y compensación de potencial de función
acorde con la norma DIN VDE 0100 parte 410/540.
Uso en zonas Ex 1 y 2 (gases, vapores, neblinas)
y zonas Ex 21 y 22 (polvos)
grupo de explosiones IIC (factor de seguridad 1)
según CLC 50703-2;
clase de temperatura T4 así como DIN EN 62561-1
(VDE 0185-561-1)
con clase de capacidad para derivar corrientes de rayo H (100 kA).
Seguro de tornillos contra el aflojamiento autónomo
según VDE 0185-305-3 suplemento 2.
Su uso está permitido tanto en instalaciones
de interior como de exterior.
Corriente de choque de rayo (10/350 µs) Cu 16 - 95 mm²:
1HExIIC 100 kA (antichispas) T4
Corriente máx. de cortocircuito (CA 50 Hz / CC / 5 s) Cu 16 mm²
750 A / T4
Corriente máx. de cortocircuito (CA 50 Hz / CC / 5 s) Cu 95 mm²
3,1 kA / T4
Máx. temperatura superficial T4: 135 °C
Para evitar la formación de bigotes en las zonas Ex,
se recomienda el uso de terminales de cable a presión cincados
con una capa de barrera de níquel.
Raíl: 500 x 40 x 10 mm
Dimensiones: 522 x 140 x 101 mm
Conexiones: 11 terminales de cable (M10 x 20 mm con arandela abierta)
Barra de compensación de potencial/tornillos/arandela abierta:
INOX, ref. de material: 1.4301 / 1.4303
Aislador: Poliamida, libre de halógenos azul, estabilizada a rayos ultravioleta
Referencia normativa: DIN EN 62561-1 / CLC 50703-2

Producto DEHN
Tipo: PAS EX 11AP M10 V2A
art. no.: 472421
o equivalente

Certificados

 

Datos técnicos

Conexión de terminal de cable 11 conductores flexibles / rígidos de 16-95 mm²
Dimensiones 522 x 140 x 50 mm
Corriente de choque de rayo (10/350 µs) Cu 16-95 mm2 1HExIIC 100 kA (antichispas) T4
Referencia normativa DIN EN 62561-1 / CLC 50703-2
En lo que se refiere a la resistencia a la corrosión, los materiales utilizados en la PAS EX (por ejemplo, Cu/galSn, INOX, poliamida, poliuretano de ésteres) deben verificarse para su utilización en las condiciones ambientales existentes.

Se ha añadido el artículo 472421 a favoritos.

El artículo 472421 ha sido añadido a la cesta de compra.


PAS EX AD 7(11) AP

Cubierta con clavija distanciadora para barra de compensación de potencial Ex antichispas PAS EX. Con numeración de conexión y etiqueta de designación.

2 Productos

N.º art. 472412 PAS EX AD 7 AP

GTIN 4013364470491, N.º de arancel aduanero (EU): 85389099, Peso bruto: 576.00 g, Empaquetado: 1.00 unidad(es)


Figuras

Más información

Cubierta con clavija distanciadora
y etiqueta de designación para
PAS EX 1+5AP M10 V2A y
PAS EX 7AP M10 V2A
Material: INOX,
ref. de material: 1.4301 / 1.4303

Producto DEHN
Tipo: PAS EX AD 7 AP
art. no.: 472412
o equivalente

 

Datos técnicos

Material INOX

Se ha añadido el artículo 472412 a favoritos.

El artículo 472412 ha sido añadido a la cesta de compra.

N.º art. 472422 PAS EX AD 11 AP

GTIN 4013364470507, N.º de arancel aduanero (EU): 85389099, Peso bruto: 658.00 g, Empaquetado: 1.00 unidad(es)


Figuras

Más información

Cubierta con clavija distanciadora
y etiqueta de designación para
PAS EX 1+9AP M10 V2A y
PAS EX 11AP M10 V2A
Material: INOX,
ref. de material: 1.4301 / 1.4303

Producto DEHN
Tipo: PAS EX AD 11 AP
art. no.: 472422
o equivalente

 

Datos técnicos

Material INOX

Se ha añadido el artículo 472422 a favoritos.

El artículo 472422 ha sido añadido a la cesta de compra.


PAS EX CC

Adaptador Push-in para barra de compensación de potencial Ex antichispas PAS EX para conectar conductores flexibles fácilmente. Uso en zonas potencialmente explosivas de las zonas Ex 1 y 2 (gases, vapores, neblinas) hasta el grupo de explosiones IIC y las zonas Ex 21 y 22 (polvos). Uso solo permitido en instalaciones de interior.

1 Producto

N.º art. 472497 PAS EX CC

GTIN 4013364470484, N.º de arancel aduanero (EU): 85359000, Peso bruto: 196.00 g, Empaquetado: 1.00 unidad(es)


Figuras

Más información

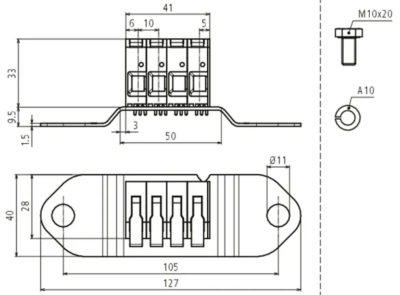
Adaptador Push-in para contacto
de cables flexibles de 4 conductores de 4-16 mm² a PAS EX...
Uso en áreas potencialmente explosivas
Zonas Ex 1 y 2 (gases, vapores, neblinas)
así como zonas Ex 21 y 22 (polvos)
Utilizable hasta el grupo de explosiones IIC
(Factor de seguridad 1)
Utilizable hasta la clase de temperatura T4
Seguro de tornillos contra el aflojamiento autónomo
según VDE 0185-305-3 suplemento 2
Uso permitido en instalaciones de interior
Corriente nominal de descarga (8/20 µs) por hilo (In) Cu 4-10 mm²:
10 kA (antichispas)
Corriente nominal de descarga (8/20 µs) por hilo (In) Cu 16 mm²:
15 kA (antichispas)
Corriente de choque de rayo (10/350 µs) Cu 4-16 mm² (por hilo):
3 kA (antichispas)
Corriente de choque de rayo (10/350 µs) Cu 16 mm² (por hilo):
25 kA
Material: Poliamida

Producto DEHN
Tipo: PAS EX CC
art. no.: 472497
o equivalente

Certificados

 

Datos técnicos

Corriente de choque de rayo (10/350 µs) Cu 4-16 mm² (por hilo) 3 kA (antichispas)
Corriente nominal de descarga (8/20 µs) por hilo (In) Cu 4-10 mm² 10 kA (antichispas)
Corriente nominal de descarga (8/20 µs) por hilo (In) Cu 16 mm² 15 kA (antichispas)
Nota: ¡Ausencia de chispas solo garantizada en conexión con PAS EX ...!

Se ha añadido el artículo 472497 a favoritos.

El artículo 472497 ha sido añadido a la cesta de compra.


PAS EX R

Adaptador para barra de compensación de potencial Ex antichispas PAS EX para conectar un conductor redondo. Uso en zonas potencialmente explosivas de las zonas Ex 1 y 2 (gases, vapores, neblinas) hasta el grupo de explosiones IIC y las zonas Ex 21 y 22 (polvos). Su uso está permitido tanto en instalaciones de interior como de exterior.

1 Producto

N.º art. 472498 PAS EX R

GTIN 4013364476042, N.º de arancel aduanero (EU): 85359000, Peso bruto: 790.00 g, Empaquetado: 1.00 unidad(es)


Figuras

Más información

Kit de conexión Rd 10 mm para
PAS EX 11AP M10 V2A
PAS EX 7AP M10 V2A
Integración de cables y conductores metálicos
en la equipotencialidad contra el rayo de conformidad con la norma
VDE 0185-305-3 (IEC 62305-3),
así como la protección y compensación de potencial de función
acorde con la norma DIN VDE 0100 parte 410/540.
Uso en zonas Ex 1 y 2 (gases, vapores, neblinas)
y zonas Ex 21 y 22 (polvos)
grupo de explosiones IIC (factor de seguridad 1)
según CLC 50703-2;
clase de temperatura T4 así como DIN EN 62561-1
(VDE 0185-561-1)
con clase de capacidad para derivar corrientes de rayo H (100 kA).
Seguro de tornillos contra el aflojamiento autónomo
según VDE 0185-305-3 suplemento 2.
Su uso está permitido tanto en instalaciones
de interior como de exterior.
Corriente de choque de rayo (10/350 µs) INOX (V4A) Ø10 mm
NExIIC 50 kA (antichispas) T4
Corriente de choque de rayo (10/350 µs) INOX (V4A) Ø10 mm
75 kA
Corriente de choque de rayo (10/350 µs) St/tZn Ø10 mm:
2HExIIC 75 kA (antichispas) T4
Corriente de choque de rayo (10/350 µs) St/tZn Ø10 mm:
H 100 kA
Corriente máx. de cortocircuito (CA 50 Hz / CC / 5 s) INOX (V4A) Ø10 mm
650 A / T4
Corriente máx. de cortocircuito (CA 50 Hz / CC / 5 s) St/tZn Ø10 mm
1000 A / T4
Máx. temperatura superficial T4: 135 °C
Adaptador Rd/caballete: INOX,
ref. de material: 1.4301 / 1.4303
Carcasa de adaptador Fl: Poliamida,
libre de halógenos azul, estabilizada a rayos ultravioleta

Producto DEHN
Tipo: PAS EX R
art. no.: 472498
o equivalente

Certificados

 

Datos técnicos

Corriente de choque de rayo (10/350 µs) INOX (V4A) Ø10 mm NExIIC 50 kA (antichispas) T4
Corriente de choque de rayo (10/350 µs) St/tZn Ø10 mm 2HExIIC 75 kA (antichispas) T4
Corriente máx. de cortocircuito (CA 50 Hz / CC / 5 s) INOX (V4A) Ø10 mm 650 A / T4
Corriente máx. de cortocircuito (CA 50 Hz / CC / 5 s) St/tZn Ø10 mm 1000 A / T4
Nota: ¡Ausencia de chispas solo garantizada en conexión con PAS EX ...!

Se ha añadido el artículo 472498 a favoritos.

El artículo 472498 ha sido añadido a la cesta de compra.


PAS EX FL

Adaptador para barra de compensación de potencial Ex antichispas PAS EX para conectar un conductor plano. Uso en zonas potencialmente explosivas de las zonas Ex 1 y 2 (gases, vapores, neblinas) hasta el grupo de explosiones IIC y las zonas Ex 21 y 22 (polvos). Su uso está permitido tanto en instalaciones de interior como de exterior.

1 Producto

N.º art. 472499 PAS EX FL

GTIN 4013364470514, N.º de arancel aduanero (EU): 85359000, Peso bruto: 408.00 g, Empaquetado: 1.00 unidad(es)


Figuras

Más información

Kit de conexión FL 30/40 mm para
PAS EX 11AP M10 V2A
PAS EX 7AP M10 V2A
Integración de cables y conductores metálicos
en la equipotencialidad contra el rayo de conformidad con la norma
VDE 0185-305-3 (IEC 62305-3), así como
la protección y compensación de potencial de función
acorde con la norma DIN VDE 0100 parte 410/540.
Uso en zonas Ex 1 y 2 (gases, vapores, neblinas)
y zonas Ex 21 y 22 (polvos)
grupo de explosiones IIC (factor de seguridad 1)
según CLC 50703-2;
clase de temperatura T4 así como DIN EN 62561-1
(VDE 0185-561-1)
con clase de capacidad para derivar corrientes de rayo H (100 kA).
Seguro de tornillos contra el aflojamiento autónomo
según VDE 0185-305-3 suplemento 2.
Su uso está permitido tanto en instalaciones
de interior como de exterior.
Corriente de choque de rayo (10/350 µs) INOX (V4A) 30x3,5 mm/40x5 mm:
2HExIIC 75 kA (antichispas) T4
Corriente de choque de rayo (10/350 µs) INOX (V4A) 30x3,5 mm/40x5 mm:
H 100 kA
Corriente de choque de rayo (10/350 µs) St/tZn 30x3,5 mm/40x5 mm:
1HExIIC 100 kA (antichispas) T4
Corriente máx. de cortocircuito (CA 50 Hz / CC / 5 s) INOX (V4A) 30x3,5 mm/40x5 mm:
750 A / T4
Corriente máx. de cortocircuito (CA 50 Hz / CC / 5 s) St/tZn 30x3,5 mm/40x5 mm:
1500 A / T4
Máx. temperatura superficial T4: 135 °C
Material de caballete: INOX,
ref. de material: 1.4301 / 1.4303
Carcasa de adaptador Fl: Poliamida, libre de halógenos
azul, estabilizada a rayos ultravioleta

Producto DEHN
Tipo: PAS EX FL
art. no.: 472499
o equivalente

Certificados

 

Datos técnicos

Corriente de choque de rayo (10/350 µs) INOX (V4A) 30x3,5 mm / 40x5 mm 2HExIIC 75 kA (antichispas) T4
Corriente de choque de rayo (10/350 µs) St/tZn 30x3,5 mm / 40x5 mm 1HExIIC 100 kA (antichispas) T4
Corriente máx. de cortocircuito (CA 50 Hz / CC / 5 s) INOX (V4A) 30x3,5 mm / 40x5 mm 750 A / T4
Corriente máx. de cortocircuito (CA 50 Hz / CC / 5 s) St/tZn 30x3,5 mm / 40x5 mm 1500 A / T4
Nota: ¡Ausencia de chispas solo garantizada en conexión con PAS EX ...!

Se ha añadido el artículo 472499 a favoritos.

El artículo 472499 ha sido añadido a la cesta de compra.


PAS ... CUGALSSN

Terminal de cable a presión de acuerdo con DIN 46235 con capa de barrera de níquel para evitar la formación de bigotes.

6 Productos

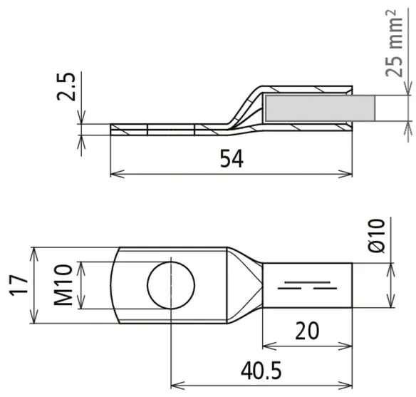
N.º art. 472432 PKS 16 10 CUGALNISN

GTIN 4013364470538, N.º de arancel aduanero (EU): 85369010, Peso bruto: 16.33 g, Empaquetado: 3.00 unidad(es)


Figuras

Más información

Terminal de cable a presión DIN 46235 16 mm² M10
Cu/gal Sn con capa de barrera de níquel
Para evitar la formación de bigotes en las
zonas Ex, recomendamos el uso
de terminales de cable a presión cincados
con una capa de barrera de níquel
Material: Cu/gal (Ni)Sn
Corriente de choque de rayo (10/350 µs) Cugal (Ni)Sn 16 mm² (Re/Rm/Rf) /
INOX 40x10 mm: 1HEXIIC 100 kA (antichispas) T4
Corriente máx. de cortocircuito (CA 50 Hz / CC / 5 s) Cugal (Ni) Sn 16
mm² (Re) / INOX 40x10 mm: 1100 A / T4
Corriente máx. de cortocircuito (CA 50 Hz / CC / 5 s) Cugal (Ni) Sn 16
mm² (Rm/Rf) / INOX 40x10 mm: 750 A / T4
Máx. temperatura superficial T4: 135 °C
Taladro de terminal de cable: M10
Sección de conductor: 16 mm²

Producto DEHN
Tipo: PKS 16 10 CUGALNISN
art. no.: 472432
o equivalente

Certificados

 

Datos técnicos

Material Cu /gal (Ni)Sn
Taladro de terminal de cable M10
Sección de conductor 16 mm2
Nota: ¡Ausencia de chispas solo garantizada en conexión con PAS EX ...!

Se ha añadido el artículo 472432 a favoritos.

El artículo 472432 ha sido añadido a la cesta de compra.

N.º art. 472433 PKS 25 10 CUGALNISN

GTIN 4013364470545, N.º de arancel aduanero (EU): 85369010, Peso bruto: 19.67 g, Empaquetado: 3.00 unidad(es)


Figuras

Más información

Terminal de cable a presión DIN 46235 25 mm² M10
Cu/gal Sn con capa de barrera de níquel
Para evitar la formación de bigotes en las
zonas Ex, recomendamos el uso
de terminales de cable a presión cincados
con una capa de barrera de níquel
Material: Cu/gal (Ni)Sn
Corriente de choque de rayo (10/350 µs) Cugal (Ni) Sn 25 mm² (Rm/Rf) /
INOX 40x10 mm: 1HEXIIC 100 kA (antichispas) T4
Corriente máx. de cortocircuito (CA 50 Hz / CC / 5 s) Cugal (Ni) Sn
25 mm² (Rm/Rf) / INOX 40x10 mm: 1100 A / T4
Máx. temperatura superficial T4: 135 °C
Taladro de terminal de cable: M10
Sección de conductor: 25 mm²

Producto DEHN
Tipo: PKS 25 10 CUGALNISN
art. no.: 472433
o equivalente

Certificados

 

Datos técnicos

Material Cu /gal (Ni)Sn
Taladro de terminal de cable M10
Sección de conductor 25 mm2
Nota: ¡Ausencia de chispas solo garantizada en conexión con PAS EX ...!

Se ha añadido el artículo 472433 a favoritos.

El artículo 472433 ha sido añadido a la cesta de compra.

N.º art. 472434 PKS 35 10 CUGALNISN

GTIN 4013364470552, N.º de arancel aduanero (EU): 85369010, Peso bruto: 34.33 g, Empaquetado: 3.00 unidad(es)


Figuras

Más información

Terminal de cable a presión DIN 46235 35 mm² M10
Cu/gal Sn con capa de barrera de níquel
Para evitar la formación de bigotes en las
zonas Ex, recomendamos el uso
de terminales de cable a presión cincados
con una capa de barrera de níquel
Material: Cu/gal (Ni)Sn
Corriente de choque de rayo (10/350 µs) Cugal (Ni)Sn 35 mm² (Rm/Rf) /
INOX 40x10 mm: 1HEXIIC 100 kA (antichispas) T4
Corriente máx. de cortocircuito (CA 50 Hz / CC / 5 s) Cugal (Ni) Sn
35 mm² (Rm/Rf) / INOX 40x10 mm: 1100 A / T4
Máx. temperatura superficial T4: 135 °C
Taladro de terminal de cable: M10
Sección de conductor: 35 mm²

Producto DEHN
Tipo: PKS 35 10 CUGALNISN
art. no.: 472434
o equivalente

Certificados

 

Datos técnicos

Material Cu /gal (Ni)Sn
Taladro de terminal de cable M10
Sección de conductor 35 mm2
Nota: ¡Ausencia de chispas solo garantizada en conexión con PAS EX ...!

Se ha añadido el artículo 472434 a favoritos.

El artículo 472434 ha sido añadido a la cesta de compra.

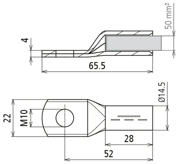
N.º art. 472435 PKS 50 10 CUGALNISN

GTIN 4013364470569, N.º de arancel aduanero (EU): 85369010, Peso bruto: 51.67 g, Empaquetado: 3.00 unidad(es)


Figuras

Más información

Terminal de cable a presión DIN 46235 50 mm² M10
Cu/gal Sn con capa de barrera de níquel
Para evitar la formación de bigotes en las
zonas Ex, recomendamos el uso
de terminales de cable a presión cincados
con una capa de barrera de níquel
Material: Cu/gal (Ni)Sn
Corriente de choque de rayo (10/350 µs) Cugal (Ni) Sn 50 mm² (Rm/Rf) /
INOX 40x10 mm: 1HEXIIC 100 kA (antichispas) T4
Corriente máx. de cortocircuito (CA 50 Hz / CC / 5 s) Cugal (Ni) Sn
50 mm² (Rm/Rf) / INOX 40x10 mm: 1100 A / T4
Máx. temperatura superficial T4: 135 °C
Taladro de terminal de cable: M10
Sección de conductor: 50 mm²

Producto DEHN
Tipo: PKS 50 10 CUGALNISN
art. no.: 472435
o equivalente

Certificados

 

Datos técnicos

Material Cu /gal (Ni)Sn
Taladro de terminal de cable M10
Sección de conductor 50 mm2
Nota: ¡Ausencia de chispas solo garantizada en conexión con PAS EX ...!

Se ha añadido el artículo 472435 a favoritos.

El artículo 472435 ha sido añadido a la cesta de compra.

N.º art. 472436 PKS 70 10 CUGALNISN

GTIN 4013364470576, N.º de arancel aduanero (EU): 85369010, Peso bruto: 68.00 g, Empaquetado: 3.00 unidad(es)


Figuras

Más información

Terminal de cable a presión DIN 46235 70 mm² M10
Cu/gal Sn con capa de barrera de níquel
Para evitar la formación de bigotes en las
zonas Ex, recomendamos el uso
de terminales de cable a presión cincados
con una capa de barrera de níquel
Material: Cu/gal (Ni)Sn
Corriente de choque de rayo (10/350 µs) Cugal (Ni) Sn 70 mm² (Rm/Rf) /
INOX 40x10 mm: 1HEXIIC 100 kA (antichispas) T4
Corriente máx. de cortocircuito (CA 50 Hz / CC / 5 s) Cugal (Ni) Sn
70 mm² (Rm/Rf) / INOX 40x10 mm: 1100 A / T4
Máx. temperatura superficial T4: 135 °C
Taladro de terminal de cable: M10
Sección de conductor: 70 mm²

Producto DEHN
Tipo: PKS 70 10 CUGALNISN
art. no.: 472436
o equivalente

Certificados

 

Datos técnicos

Material Cu /gal (Ni)Sn
Taladro de terminal de cable M10
Sección de conductor 70 mm2
Nota: ¡Ausencia de chispas solo garantizada en conexión con PAS EX ...!

Se ha añadido el artículo 472436 a favoritos.

El artículo 472436 ha sido añadido a la cesta de compra.

N.º art. 472437 PKS 95 10 CUGALNISN

GTIN 4013364470583, N.º de arancel aduanero (EU): 85369010, Peso bruto: 98.00 g, Empaquetado: 3.00 unidad(es)


Figuras

Más información

Terminal de cable a presión DIN 46235 95 mm² M10
Cu/gal Sn con capa de barrera de níquel
Para evitar la formación de bigotes en las
zonas Ex, recomendamos el uso
de terminales de cable a presión cincados
con una capa de barrera de níquel
Material: Cu/gal (Ni)Sn
Corriente de choque de rayo (10/350 µs) Cugal (Ni) Sn 95 mm² (Rm/Rf) /
INOX 40x10 mm: 1HEXIIC 100 kA (antichispas) T4
Corriente máx. de cortocircuito (CA 50 Hz / CC / 5 s) Cugal (Ni) Sn
95 mm² (Rm/Rf) / INOX 40x10 mm: 1100 A / T4
Máx. temperatura superficial T4: 135 °C
Taladro de terminal de cable: M10
Sección de conductor: 95 mm²

Producto DEHN
Tipo: PKS 95 10 CUGALNISN
art. no.: 472437
o equivalente

Certificados

 

Datos técnicos

Material Cu /gal (Ni)Sn
Taladro de terminal de cable M10
Sección de conductor 95 mm2
Nota: ¡Ausencia de chispas solo garantizada en conexión con PAS EX ...!

Se ha añadido el artículo 472437 a favoritos.

El artículo 472437 ha sido añadido a la cesta de compra.


back to top