Puntas captadoras telescópicas

Para fijación, por ejemplo, a la pared u otras construcciones

Las dimensiones de las varillas captadoras se realizan según el Eurocódigo 1 (UNE EN 1991-1-4 + UNE EN 1991-1-4/NA).

La fijación a una pared, por ejemplo, se realiza con la ref. 105 342 y a tubos con la ref. 105 354.

La longitud libre máxima se refiere a la distancia entre la punta de la varilla captadora y el soporte superior (punto de fijación).
Por motivos de estabilidad y de ser posible, el soporte medio (3 fijaciones) se debe montar inmediatamente debajo del soporte superior. La distancia no debe superar los 15 cm. El soporte bajo (punto de fijación) se instala en la zona situada ≤15 cm al final de la varilla captadora.

Altura 1,5-5,2 m

1 Producto

N.º art. 105185 FS T D40 1500 5200 AL

GTIN 4013364481411, N.º de arancel aduanero (EU): 85389099, Peso bruto: 4.40 kg, Empaquetado: 1.00 unidad(es)


Figuras

Más información

Varilla captadora telescópica de aluminio
Diámetro de 10 mm a 40 mm
Desplegable de 1,5 m a 5,2 m
Consta de 4 segmentos
Máx. longitudes libres de la varilla captadora 3,7 m a 4,2 m
cuando se fija, por ejemplo, a paredes u
otras construcciones. Las varillas captadoras se dimensionan según
el Eurocódigo 1 (DIN EN 1991-1-4 + DIN EN 1991-1-4/NA)
para una máx. velocidad de rachas de viento
de 149 km/h a 190 km/h
Según la punta captadora desplegada
Para la fijación a una pared, por ejemplo, con la ref.
105 342 y a tubos con la ref. 105 354
Longitud total: 5200 mm
Longitud máx. libre con punta captadora: 4200 mm
Longitud de sujeción: 500 mm y 1000 mm
Máx. velocidad de rachas de viento (Punta captadora Ø 10 mm, L 0 mm): 190 km/h
Máx. velocidad de rachas de viento (Punta captadora Ø 10 mm, L 500 mm): 173 km/h
Máx. velocidad de rachas de viento (Punta captadora Ø 10 mm, L 1000 mm): 149 km/h
Número de fijaciones: 2
Material de la varilla captadora: Al

Producto DEHN
Tipo: FS T D40 1500 5200 AL
art. no.: 105185
o equivalente

 

Datos técnicos

Longitud total 5200 mm
Punta captadora (longitud Ø) 10-1000 mm
Mástil captador (longitud Ø) 40/30/20-4200 mm
Longitud de transporte 1650 mm
Partes del mástil captador 4
Pie de mástil Ø 40 mm
Longitud máx. libre con punta captadora 4200 mm
Longitud de sujeción 500 mm y 1000 mm
Máx. velocidad de rachas de viento (Punta captadora Ø 10 mm, L 0 mm) 190 km/h
Máx. velocidad de rachas de viento (Punta captadora Ø 10 mm, L 500 mm) 173 km/h
Máx. velocidad de rachas de viento (Punta captadora Ø 10 mm, L 1000 mm) 149 km/h
Número de fijaciones 2
Material de la varilla captadora Al
Referencia normativa DIN EN 62561-(1+2)

Se ha añadido el artículo 105185 a favoritos.

El artículo 105185 ha sido añadido a la cesta de compra.


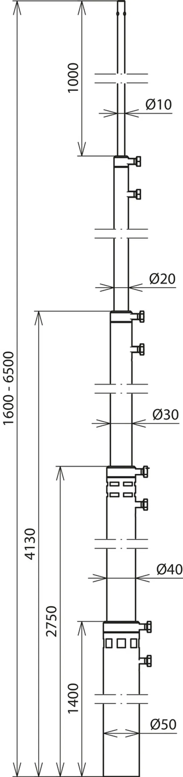
Altura 1,6-6,5 m

1 Producto

N.º art. 105186 FS T D50 1600 6500 AL

GTIN 4013364481435, N.º de arancel aduanero (EU): 85389099, Peso bruto: 6.39 kg, Empaquetado: 1.00 unidad(es)


Figuras

Más información

Varilla captadora telescópica de aluminio
Diámetro de 10 mm a 50 mm
Desplegable de 1,6 m a 6,5 m
Consta de 5 segmentos
Máx. longitudes libres de la varilla captadora 4,5 m a 5,2 m
cuando se fija, por ejemplo, a paredes u
otras construcciones. Las varillas captadoras se dimensionan según
el Eurocódigo 1 (DIN EN 1991-1-4 + DIN EN 1991-1-4/NA)
para una máx. velocidad de rachas de viento
de 149 km/h a 189 km/h
Según la punta captadora desplegada
Para la fijación a una pared, por ejemplo, con la ref.
105 342 y a tubos con la ref. 105 354
Longitud total: 6500 mm
Longitud máx. libre con punta captadora: 5200 mm
Longitud de sujeción: 1000 mm y 1300 mm
Máx. velocidad de rachas de viento (Punta captadora Ø 10 mm, L 0 mm): 189 km/h
Máx. velocidad de rachas de viento (Punta captadora Ø 10 mm, L 500 mm): 172 km/h
Máx. velocidad de rachas de viento (Punta captadora Ø 10 mm, L 1000 mm): 149 km/h
Número de fijaciones: 2-3
Material de la varilla captadora: Al

Producto DEHN
Tipo: FS T D50 1600 6500 AL
art. no.: 105186
o equivalente

 

Datos técnicos

Longitud total 6500 mm
Punta captadora (longitud Ø) 10-1000 mm
Mástil captador (longitud Ø) 50/40/30/20-5500 mm
Longitud de transporte 1650 mm
Partes del mástil captador 5
Pie de mástil Ø 50 mm
Longitud máx. libre con punta captadora 5200 mm
Longitud de sujeción 1000 mm y 1300 mm
Máx. velocidad de rachas de viento (Punta captadora Ø 10 mm, L 0 mm) 189 km/h
Máx. velocidad de rachas de viento (Punta captadora Ø 10 mm, L 500 mm) 172 km/h
Máx. velocidad de rachas de viento (Punta captadora Ø 10 mm, L 1000 mm) 149 km/h
Número de fijaciones 2-3
Material de la varilla captadora Al
Referencia normativa DIN EN 62561-(1+2)

Se ha añadido el artículo 105186 a favoritos.

El artículo 105186 ha sido añadido a la cesta de compra.


Altura 1,8-8 m

1 Producto

N.º art. 105188 FS T D60 1800 8000 AL

GTIN 4013364481442, N.º de arancel aduanero (EU): 85389099, Peso bruto: 9.35 kg, Empaquetado: 1.00 unidad(es)


Figuras

Más información

Varilla captadora telescópica de aluminio
Diámetro de 10 mm a 60 mm
Desplegable de 1,8 m a 8,0 m
Consta de 6 segmentos
con reducción hasta un diámetro de 50 mm
Máx. longitudes libres de la varilla captadora 5,3 m a 6,3 m
cuando se fija, por ejemplo, a paredes u
otras construcciones. Las varillas captadoras se dimensionan según
el Eurocódigo 1 (DIN EN 1991-1-4 + DIN EN 1991-1-4/NA)
para una máx. velocidad de rachas de viento
de 153 km/h a 176 km/h
Según la punta captadora desplegada
Para la fijación a una pared, por ejemplo, con la ref.
105 342 y a tubos con la ref. 105 354
Longitud total: 8000 mm
Longitud máx. libre con punta captadora: 6300 mm
Longitud de sujeción: 1700 mm
Máx. velocidad de rachas de viento (Punta captadora Ø 10 mm, L 0 mm): 176 km/h
Máx. velocidad de rachas de viento (Punta captadora Ø 10 mm, L 500 mm): 166 km/h
Máx. velocidad de rachas de viento (Punta captadora Ø 10 mm, L 1000 mm): 153 km/h
Número de fijaciones: 3
Material de la varilla captadora: Al

Producto DEHN
Tipo: FS T D60 1800 8000 AL
art. no.: 105188
o equivalente

 

Datos técnicos

Longitud total 8000 mm
Punta captadora (longitud Ø) 10-1000 mm
Mástil captador (longitud Ø) 50/60/50/40/30/20-7000 mm
Longitud de transporte 1850 mm
Partes del mástil captador 6
Pie de mástil Ø 60 mm
Longitud máx. libre con punta captadora 6300 mm
Longitud de sujeción 1700 mm
Máx. velocidad de rachas de viento (Punta captadora Ø 10 mm, L 0 mm) 176 km/h
Máx. velocidad de rachas de viento (Punta captadora Ø 10 mm, L 500 mm) 166 km/h
Máx. velocidad de rachas de viento (Punta captadora Ø 10 mm, L 1000 mm) 153 km/h
Número de fijaciones 3
Material de la varilla captadora Al
Referencia normativa DIN EN 62561-(1+2)

Se ha añadido el artículo 105188 a favoritos.

El artículo 105188 ha sido añadido a la cesta de compra.


back to top