DEHNcube EMOB

  • Protección contra sobretensiones multipolo en caja de conexión a envolvente para la movilidad eléctrica
  • Unidad completa precableada para utilización en la movilidad eléctrica
  • Probada según EN 61643-11 y EN 61439-2
  • Utilizable según DIN VDE y EN 61439 para la movilidad eléctrica
  • Cable de instalación en el lado de salida ya cableado
  • Apto para aplicaciones de hasta 22 kW

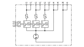
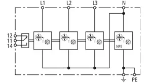
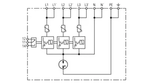
DEHNcube EMOB 2 16

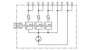
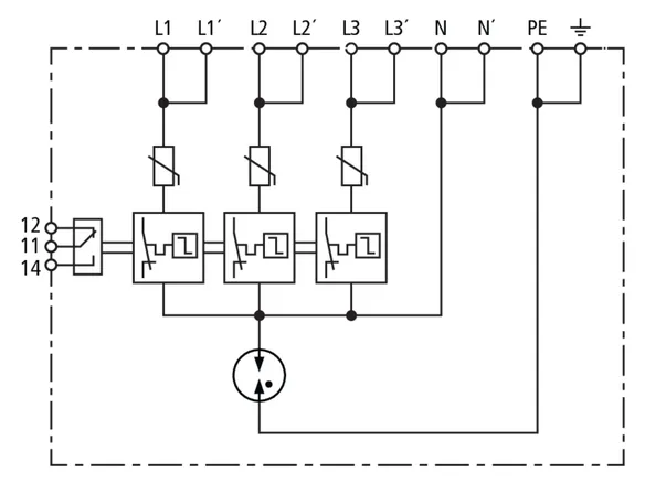
Caja de conexión a envolvente para la movilidad eléctrica
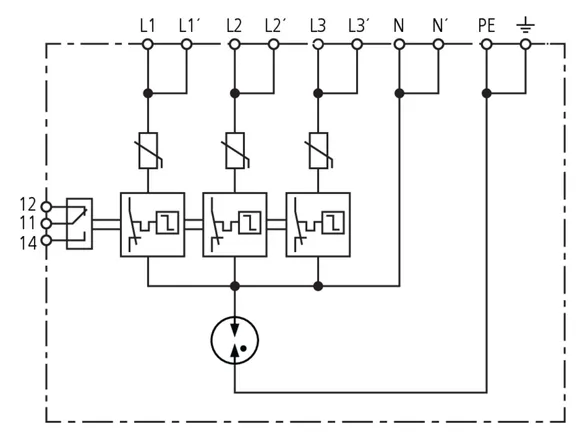
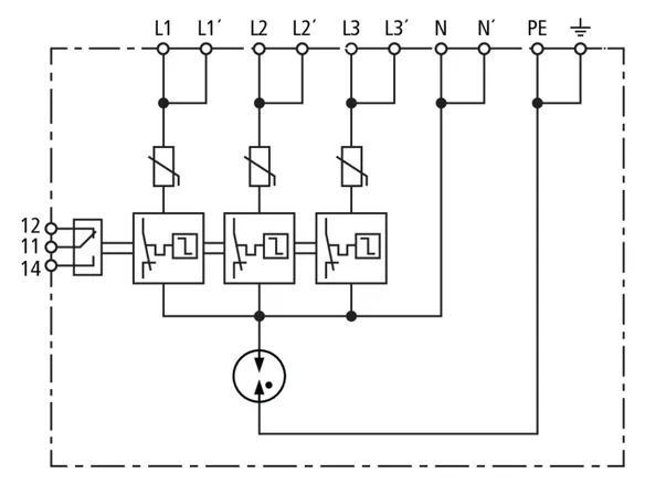
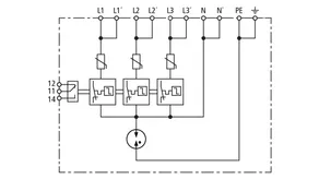
Con protección contra sobretensiones y bornas Push-in para la salida.

1 Producto

N.º art. 900901 DCU EMOB 2 16

GTIN 4013364506183, N.º de arancel aduanero (EU): 85371098, Peso bruto: 1.14 kg, Empaquetado: 1.00 unidad(es)


Figuras

Más información

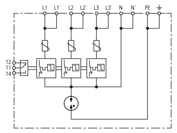
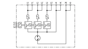
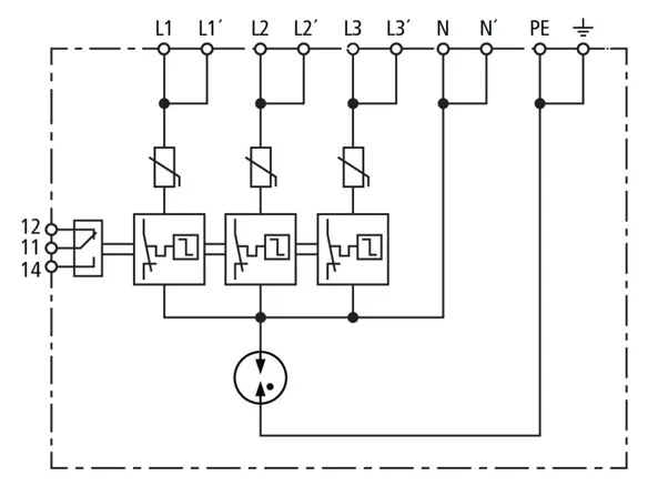
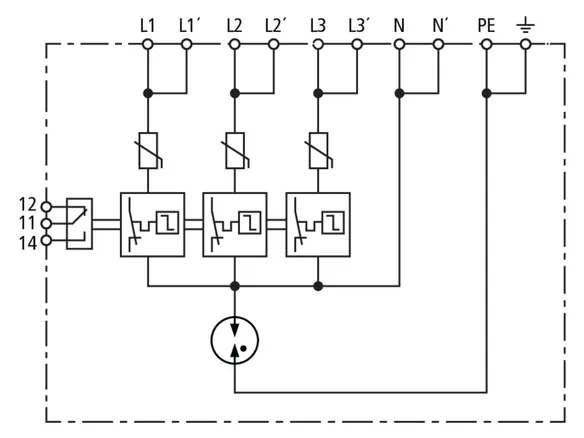
Caja de conexión a envolvente DCU EMOB 2 16
Caja de conexión a envolvente tipo 2+3 / II+III
según EN 61643-11 / IEC 61643-11
EN 61439-2 / IEC 61439-2
Unidad completa precableada para
instalación universal antes del punto de recarga
con contacto de señalización remota, señalización del estado operativo
Máxima tensión de servicio: 275 V CA
Nivel de protección: <= 1,5 kV
Corriente nominal de descarga (8/20): 10 kA
Corriente de choque de rayo total (8/20): 40 kA
Corriente nominal: 16 A
Máx. potencia: 11 kW
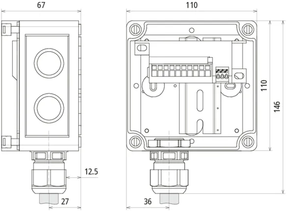
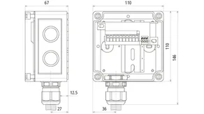
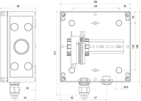
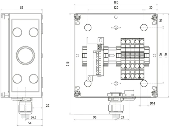
Dimensiones: 110 x 110 x 66 mm

Producto DEHN
Tipo: DCU EMOB 2 16
art. no.: 900901
o equivalente

Certificados

 

Datos técnicos

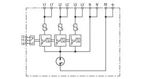
DPS según EN 61643-11 / ... IEC 61643-11 Tipo 2 + Tipo 3 / Clase II + Clase III
Máxima tensión permisible de servicio AC [L-N] (UC ) 275 V (50 / 60 Hz)
Máx. tensión permisible de servicio DC (UC ) 350 V
Corriente nominal AC (IL ) 16 A
Máx. potencia 11 kW
Corriente nominal de descarga (8/20 µs) [L-N] (In ) 10 kA
Corriente máx. de descarga (8/20 µs) [L-N] (Imáx ) 20 kA
Corriente nominal de descarga (8/20 µs) [N-PE] (In ) 10 kA
Corriente máx. de descarga (8/20 µs) [N-PE] (Imáx ) 20 kA
Nivel de protección [L-N] (UP ) ≤ 1,5 kV
Nivel de protección [N-PE] (UP ) ≤ 1,5 kV

Se ha añadido el artículo 900901 a favoritos.

El artículo 900901 ha sido añadido a la cesta de compra.


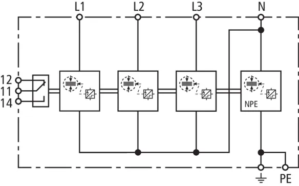
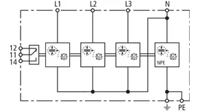
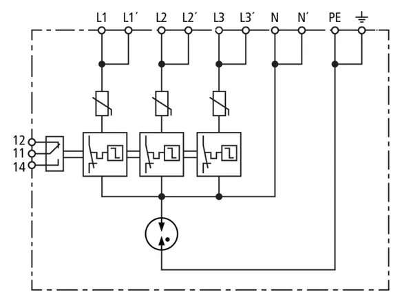
DEHNcube EMOB 2 25

Caja de conexión a envolvente para la movilidad eléctrica
Con protección contra sobretensiones y bornas Push-in para la salida.

1 Producto

N.º art. 900902 DCU EMOB 2 25

GTIN 4013364506190, N.º de arancel aduanero (EU): 85371098, Peso bruto: 1.63 kg, Empaquetado: 1.00 unidad(es)


Figuras

Más información

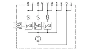
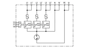
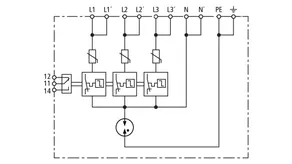
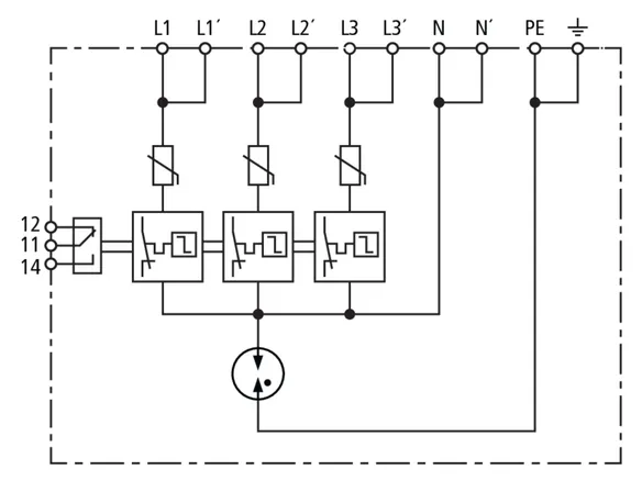
Caja de conexión a envolvente DCU EMOB 2 25
Caja de conexión a envolvente tipo 2+3 / II+III
según EN 61643-11 / IEC 61643-11
EN 61439-2 / IEC 61439-2
Unidad completa precableada para
instalación universal antes del punto de recarga
con contacto de señalización remota, señalización del estado operativo
Máxima tensión de servicio: 275 V CA
Nivel de protección: <= 1,5 kV
Corriente nominal de descarga (8/20): 10 kA
Corriente de choque de rayo total (8/20): 40 kA
Corriente nominal: 25 A
Máx. potencia: 11 / 22 kW
Dimensiones: 182 x 180 x 100 mm

Producto DEHN
Tipo: DCU EMOB 2 25
art. no.: 900902
o equivalente

Certificados

 

Datos técnicos

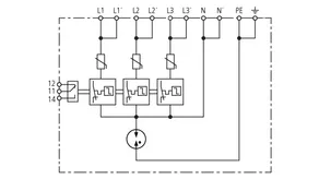
DPS según EN 61643-11 / ... IEC 61643-11 Tipo 2 + Tipo 3 / Clase II + Clase III
Máxima tensión permisible de servicio AC [L-N] (UC ) 275 V (50 / 60 Hz)
Máx. tensión permisible de servicio DC (UC ) 350 V
Corriente nominal AC (IL ) 25 A
Máx. potencia 11 / 22 kW
Corriente nominal de descarga (8/20 µs) [L-N] (In ) 10 kA
Corriente máx. de descarga (8/20 µs) [L-N] (Imáx ) 20 kA
Corriente nominal de descarga (8/20 µs) [N-PE] (In ) 10 kA
Corriente máx. de descarga (8/20 µs) [N-PE] (Imáx ) 20 kA
Nivel de protección [L-N] (UP ) ≤ 1,5 kV
Nivel de protección [N-PE] (UP ) ≤ 1,5 kV

Se ha añadido el artículo 900902 a favoritos.

El artículo 900902 ha sido añadido a la cesta de compra.


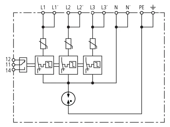
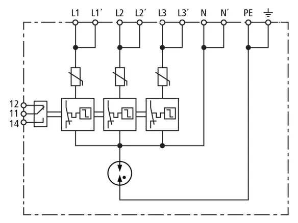
DEHNcube EMOB 2 25 C

Caja de conexión a envolvente para la movilidad eléctrica
Con contador de energía y protección contra sobretensiones con bornas Push-in para la salida.

1 Producto

N.º art. 900903 DCU EMOB 2 25 C

GTIN 4013364506206, N.º de arancel aduanero (EU): 85371098, Peso bruto: 2.06 kg, Empaquetado: 1.00 unidad(es)


Figuras

Más información

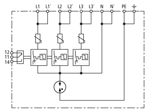
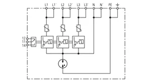
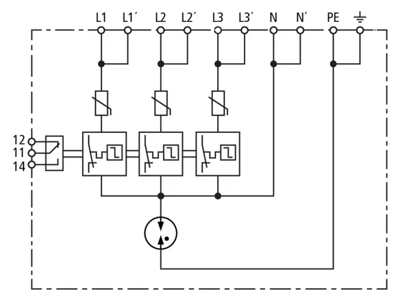
Caja de conexión a envolvente DCU EMOB 2 25 C
Caja de conexión a envolvente tipo 2+3 / II+III
según EN 61643-11 / IEC 61643-11
EN 61439-2 / IEC 61439-2
Unidad completa precableada con
contador de energía trifásico para
instalación universal antes del punto de recarga
con contacto de señalización remota, señalización del estado operativo
Máxima tensión de servicio: 275 V CA
Nivel de protección: <= 1,5 kV
Corriente nominal de descarga (8/20): 10 kA
Corriente de choque de rayo total (8/20): 40 kA
Corriente nominal: 25 A
Máx. potencia: 11 / 22 kW
Dimensiones: 217 x 253 x 115 mm

Producto DEHN
Tipo: DCU EMOB 2 25 C
art. no.: 900903
o equivalente

Certificados

 

Datos técnicos

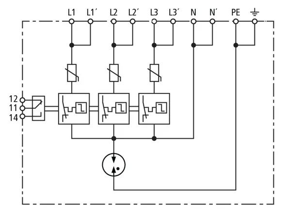
DPS según EN 61643-11 / ... IEC 61643-11 Tipo 2 + Tipo 3 / Clase II + Clase III
Máxima tensión permisible de servicio AC [L-N] (UC ) 275 V (50 / 60 Hz)
Máx. tensión permisible de servicio DC (UC ) 350 V
Corriente nominal AC (IL ) 25 A
Máx. potencia 11 / 22 kW
Corriente nominal de descarga (8/20 µs) [L-N] (In ) 10 kA
Corriente máx. de descarga (8/20 µs) [L-N] (Imáx ) 20 kA
Corriente nominal de descarga (8/20 µs) [N-PE] (In ) 10 kA
Corriente máx. de descarga (8/20 µs) [N-PE] (Imáx ) 20 kA
Nivel de protección [L-N] (UP ) ≤ 1,5 kV
Nivel de protección [N-PE] (UP ) ≤ 1,5 kV

Se ha añadido el artículo 900903 a favoritos.

El artículo 900903 ha sido añadido a la cesta de compra.


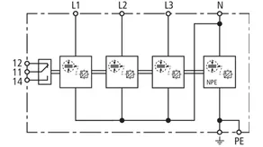
DEHNcube EMOB 1 32

Caja de conexión a envolvente para la movilidad eléctrica
Con descargador combinado y bornas Push-in para la salida.

1 Producto

N.º art. 900904 DCU EMOB 1 32

GTIN 4013364506213, N.º de arancel aduanero (EU): 85371098, Peso bruto: 2.55 kg, Empaquetado: 1.00 unidad(es)


Figuras

Más información

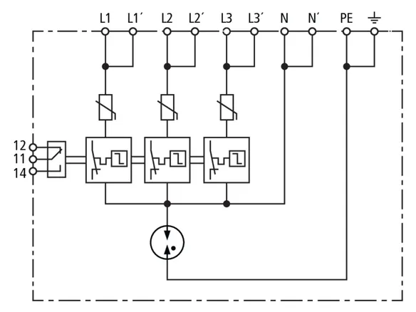
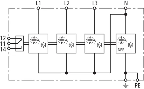
Caja de conexión a envolvente DCU EMOB 1 32
Caja de conexión a envolvente tipo 1+2 / I+II
según EN 61643-11 / IEC 61643-11
EN 61439-2 / IEC 61439-2
Unidad completa precableada para
instalación universal antes del punto de recarga
con contacto de señalización remota, señalización del estado operativo
Máxima tensión de servicio: 255 V CA
Nivel de protección: <= 1,5 kV
Corriente de choque de rayo (10/350): 12,5 / 50 kA
Corriente nominal de descarga (8/20): 25 / 100 kA
Corriente nominal: 32 A
Máx. potencia: 11 / 22 kW
Dimensiones: 217 x 253 x 115 mm

Producto DEHN
Tipo: DCU EMOB 1 32
art. no.: 900904
o equivalente

Certificados

 

Datos técnicos

DPS según EN 61643-11 / ... IEC 61643-11 Tipo 1 + Tipo 2 / Clase I + Clase II
Máxima tensión permisible de servicio AC [L-N]/[N-PE] (UC ) 255 V (50 / 60 Hz)
Corriente nominal AC (IL ) 32 A
Máx. potencia 11 / 22 kW
Corriente de choque de rayo (10/350) [L-N]/[N-PE] (Iimp ) 12,5 / 50 kA
Corriente nominal de descarga (8/20) (In ) 25 / 100 kA
Nivel de protección [L-N] (UP ) ≤ 1,5 kV
Nivel de protección [N-PE] (UP ) ≤ 1,5 kV

Se ha añadido el artículo 900904 a favoritos.

El artículo 900904 ha sido añadido a la cesta de compra.


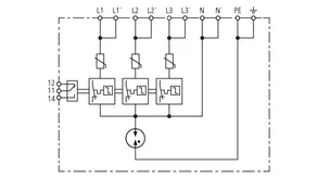
DEHNcube EMOB 2 32

Caja de conexión a envolvente para la movilidad eléctrica
Con protección contra sobretensiones y bornas Push-in para la salida.

1 Producto

N.º art. 900905 DCU EMOB 2 32

GTIN 4013364506244, N.º de arancel aduanero (EU): 85371098, Peso bruto: 2.07 kg, Empaquetado: 1.00 unidad(es)


Figuras

Más información

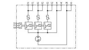
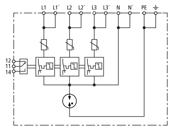
Caja de conexión a envolvente DCU EMOB 2 32
Caja de conexión a envolvente tipo 2+3 / II+III
según EN 61643-11 / IEC 61643-11
EN 61439-2 / IEC 61439-2
Unidad completa precableada para
instalación universal antes del punto de recarga
con contacto de señalización remota, señalización del estado operativo
Máxima tensión de servicio: 275 V CA
Nivel de protección: <= 1,5 kV
Corriente nominal de descarga (8/20): 10 kA
Corriente de choque de rayo total (8/20): 40 kA
Corriente nominal: 32 A
Máx. potencia: 11 / 22 kW
Dimensiones: 182 x 180 x 100 mm

Producto DEHN
Tipo: DCU EMOB 2 32
art. no.: 900905
o equivalente

Certificados

 

Datos técnicos

DPS según EN 61643-11 / ... IEC 61643-11 Tipo 2 + Tipo 3 / Clase II + Clase III
Máxima tensión permisible de servicio AC [L-N] (UC ) 275 V (50 / 60 Hz)
Máx. tensión permisible de servicio DC (UC ) 350 V
Corriente nominal AC (IL ) 32 A
Máx. potencia 11 / 22 kW
Corriente nominal de descarga (8/20 µs) [L-N] (In ) 10 kA
Corriente máx. de descarga (8/20 µs) [L-N] (Imáx ) 20 kA
Corriente nominal de descarga (8/20 µs) [N-PE] (In ) 10 kA
Corriente máx. de descarga (8/20 µs) [N-PE] (Imáx ) 20 kA
Nivel de protección [L-N] (UP ) ≤ 1,5 kV
Nivel de protección [N-PE] (UP ) ≤ 1,5 kV

Se ha añadido el artículo 900905 a favoritos.

El artículo 900905 ha sido añadido a la cesta de compra.


back to top