Puntos fijos de toma de tierra con borna de conexión flexible

Para montaje en hormigón como conexión anticorrosiva flexible al sistema de puesta a tierra para la compensación de potencial de protección y/o la conexión equipotencial de protección del electrodo de dispersión, por ejemplo, a armaduras del edificio.
Sus cables de conexión flexibles de hasta 1000 mm de longitud proporcionan la máxima flexibilidad entre el punto de conexión exterior y la conexión interior.
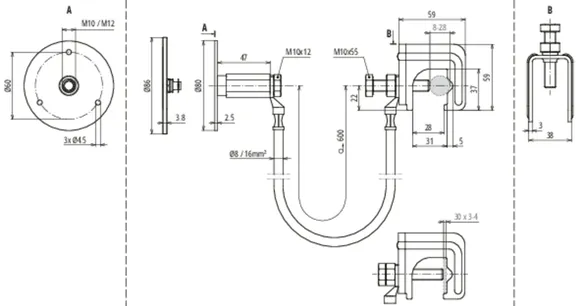
La borna de unión universal permite la conexión de armaduras y material redondo de 8-28 mm, así como pletinas de 30x3,5 mm o mayor grosor.
Para la rosca doble M10 y M12, respetar las siguientes longitudes mínimas de los tornillos:
35 mm para M10 (longitud de la rosca 40 mm)
15 mm para M12 (longitud de la rosca 20 mm)

2 Productos

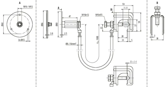
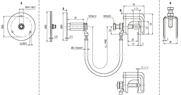
N.º art. 416940 UES 16 L600 VK RD8 28 FL30 EFP

GTIN 4013364360280, N.º de arancel aduanero (EU): 85359000, Peso bruto: 530.00 g, Empaquetado: 25.00 unidad(es)


Figuras

Más información

Equipo de conexión compuesto por
línea de interconexión con
borna de unión conectada y punto de anclaje de toma de tierra
para la conexión eléctrica segura del punto fijo
de puesta a tierra con la armadura/ferralla
de hormigón
El equipo de conexión proporciona
una conexión eléctrica segura
desde una ferralla de hormigón
(barra longitudinal) definida que se utiliza como electrodo de dispersión
hasta los elementos captadores,
elementos de fachada, raíles de grúas,
sistemas portacables, el sistema de puesta a tierra,
compensación de potencial de función, etc.
Material de borna de unión: St/acero desnudo
Margen de apriete en redondo de borna de unión: 8-28 mm
Margen de apriete en plano de borna de unión: 30 x 3-4 mm
Material del punto de anclaje de toma de tierra: INOX (V4A)
Conexión atornillada del punto de anclaje de toma de tierra: M10 / M12
Material del cable de puenteado: Cable de cobre, resistente a la congelación
Longitud de conductor del cable de puenteado: 600 mm
Sección de cable de puenteado: 16 mm2
Referencia normativa: DIN EN 62561-1

Producto DEHN
Tipo: UES 16 L600 VK RD8 28 FL30 EFP
art. no.: 416940
o equivalente

Certificados

 

Datos técnicos

Material de borna de unión St/acero desnudo
Margen de apriete en redondo de borna de unión 8-28 mm
Margen de apriete en plano de borna de unión 30 x 3-4 mm
Material del punto de anclaje de toma de tierra INOX (V4A)
Conexión atornillada del punto de anclaje de toma de tierra M10 / M12
Material del cable de puenteado Cable de cobre, resistente a la congelación
Longitud de conductor del cable de puenteado 600 mm
Sección de cable de puenteado 16 mm2
Referencia normativa DIN EN 62561-1

Se ha añadido el artículo 416940 a favoritos.

El artículo 416940 ha sido añadido a la cesta de compra.

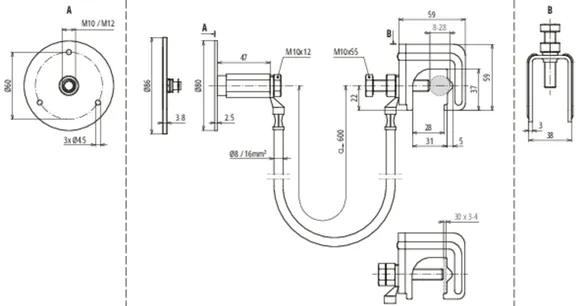
N.º art. 416950 UES 16 L1000 VK RD8 28 FL30 EFP

GTIN 4013364508620, N.º de arancel aduanero (EU): 85359000, Peso bruto: 650.00 g, Empaquetado: 25.00 unidad(es)


Figuras

Más información

Equipo de conexión compuesto por
línea de interconexión con
borna de unión conectada y punto de anclaje de toma de tierra
para la conexión eléctrica segura del punto fijo
de puesta a tierra con la armadura/ferralla
de hormigón
El equipo de conexión proporciona
una conexión eléctrica segura
desde una ferralla de hormigón
(barra longitudinal) definida que se utiliza como electrodo de dispersión
hasta los elementos captadores,
elementos de fachada, raíles de grúas,
sistemas portacables, el sistema de puesta a tierra,
compensación de potencial de función, etc.
Material de borna de unión: St/acero desnudo
Margen de apriete en redondo de borna de unión: 8-28 mm
Margen de apriete en plano de borna de unión: 30 x 3-4 mm
Material del punto de anclaje de toma de tierra: INOX (V4A)
Conexión atornillada del punto de anclaje de toma de tierra: M10 / M12
Material del cable de puenteado: Cable de cobre, resistente a la congelación
Longitud de conductor del cable de puenteado: 1000 mm
Sección de cable de puenteado: 16 mm2
Referencia normativa: DIN EN 62561-1

Producto DEHN
Tipo: UES 16 L1000 VK RD8 28 FL30 EFP
art. no.: 416950
o equivalente

Certificados

 

Datos técnicos

Material de borna de unión St/acero desnudo
Margen de apriete en redondo de borna de unión 8-28 mm
Margen de apriete en plano de borna de unión 30 x 3-4 mm
Material del punto de anclaje de toma de tierra INOX (V4A)
Conexión atornillada del punto de anclaje de toma de tierra M10 / M12
Material del cable de puenteado Cable de cobre, resistente a la congelación
Longitud de conductor del cable de puenteado 1000 mm
Sección de cable de puenteado 16 mm2
Referencia normativa DIN EN 62561-1

Se ha añadido el artículo 416950 a favoritos.

El artículo 416950 ha sido añadido a la cesta de compra.


back to top